|
|
(21), (22) Заявка: 2007108171/11, 05.03.2007
(24) Дата начала отсчета срока действия патента:
05.03.2007
(43) Дата публикации заявки: 10.09.2008
(46) Опубликовано: 20.02.2009
(56) Список документов, цитированных в отчете о поиске:
RU 2209750 С2, 10.08.2003. RU 2151722 С1, 27.06.2000. RU 96104884 А, 27.06.1998. FR 2128656 А, 20.10.1972.
Адрес для переписки:
662972, Красноярский край, г. Железногорск, ЗАТО Железногорск, ул. Ленина, 52, ФГУП НПОПМ, Р.П. Туркеничу
|
(72) Автор(ы):
Тестоедов Николай Алексеевич (RU), Косенко Виктор Евгеньевич (RU), Бартенев Владимир Афанасьевич (RU), Кесельман Геннадий Давыдович (RU), Близневский Александр Сергеевич (RU), Халиманович Владимир Иванович (RU), Акчурин Владимир Петрович (RU), Загар Олег Вячеславович (RU), Томчук Альберт Владимирович (RU), Туркенич Роман Петрович (RU), Головенкин Евгений Николаевич (RU), Юровских Андрей Петрович (RU), Шилкин Олег Валентинович (RU), Сергеев Юрий Дмитриевич (RU), Голованов Юрий Матвеевич (RU), Кузнецов Анатолий Юрьевич (RU), Басынин Виктор Владимирович (RU)
(73) Патентообладатель(и):
Федеральное государственное унитарное предприятие “Научно-производственное объединение прикладной механики им. академика М.Ф. Решетнева” (RU)
|
(54) СИСТЕМА ТЕРМОРЕГУЛИРОВАНИЯ КОСМИЧЕСКОГО АППАРАТА
(57) Реферат:
Изобретение относится к средствам обеспечения теплового режима космического аппарата, преимущественно телекоммуникационного спутника. Система терморегулирования (СТР) содержит два независимых, одинаковых по составу бортовых циркуляционных тракта с теплоносителем. Тракты размещены рядом друг с другом в сотовых панелях и имеют каждый входной и выходной гидроразъемы. СТР содержит также съемный блок, подключенный своими выходным и входным гидроразъемами к входному и выходному гидроразъемам одного из указанных трактов. Данный блок снабжен дополнительными входным и выходным гидроразъемами, с которыми соединены выходной и входной гидроразъемы другого циркуляционного тракта. Эти дополнительные гидроразъемы в свою очередь соединены через переключатели с линиями съемного блока, ведущими к указанным входному и выходному гидроразъемам этого блока. В данные линии введены переключатели. Входные участки выходного и дополнительного выходного гидроразъемов блока закольцованы через еще одни переключатели соответственно с участками входного и дополнительного входного гидроразъемов блока. Технический результат изобретения состоит в упрощении в целом конструкции СТР, содержащей два указанных циркуляционных тракта, за счет соответствующего исполнения съемного блока (наземной испытательной части). 3 ил.
Изобретение относится к космической технике, в частности к системам обеспечения теплового режима телекоммуникационных спутников, и создано авторами в порядке выполнения служебного задания.
Известны системы терморегулирования (СТР) космических аппаратов (КА) по патентам Российской Федерации №2151722, №2209750, которые содержат бортовую часть СТР (функционирующая как при наземных испытаниях, так и при работе на орбите) и соединенную с бортовой частью через гидроразъемы наземную (съемную) часть СТР (т.е. блок съемного оборудования СТР, используемый в составе СТР только при наземных испытаниях, в т.ч. при испытаниях КА в термобарокамере, – имеет достаточно сложную конструкцию и состоит из: теплообменников, соединенных при наземных испытаниях с наземной системой обеспечения теплового режима; вентилей; компенсационных устройств; системой измерения параметров: расхода и давления теплоносителя; перепускного клапана; гидроразъемов и соединительных трубопроводов).
В настоящее время с целью обеспечения высоконадежного функционирования вновь разрабатываемого нашим предприятием КА с длительным (15 и более лет) сроком эксплуатации его СТР выполнена из двух независимых и одинаковых по составу двух параллельно встроенных в сотовые панели трактов теплоносителя. Для такого КА при его наземных испытаниях, в т.ч. при термовакуумных испытаниях, проводимых в термобарокамере, согласно известным техническим решениям к бортовой части СТР, содержащей два независимых тракта теплоносителя, должно быть присоединено два достаточно сложных (и дорогостоящих) блока съемного оборудования СТР, которые, в свою очередь, должны быть соединены с двумя независимыми системами обеспечения теплового режима; кроме того, из-за использования двух блоков необходимо предусмотреть, в частности, дополнительную систему гермоввода в термобарокамеру, усложняющей ее конструкцию; также при этом усложняется процедура проведения наземных испытаний – и все это приводит к существенным дополнительным материальным и трудовым затратам.
Анализ источников информации по патентной и научно-технической литературе показал, что наиболее близким по технической сути прототипом предлагаемого технического решения является система терморегулирования космического аппарата по патенту Российской Федерации №2209750.
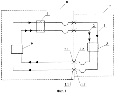
Известная СТР КА (см. фиг.3), выполненного из двух модулей: модуля полезной нагрузки (МПН) 7 и модуля служебных систем (МСС) 8, включают в себя: бортовой циркуляционный тракт теплоносителя 1, встроенный в сотовые панели 4, 5, 6; выходной и входной гидроразъемы бортовой части СТР 1.2 и 1.1; съемный блок 3, подключенный своими входным и выходным гидроразъемами 3.1 и 3.2 к выходному и входному гидроразъемам бортовой части СТР 1.2 и 1.1.
Как показано выше, существенные недостатки известного технического решения следующие: если по нему выполнять СТР КА, содержащей два независимых параллельных тракта теплоносителя, то существенно усложняется наземная съемная часть СТР (потребуется два съемных блока), что, в свою очередь приводит к дополнительному усложнению остального наземного оборудования, используемого при наземных испытаниях (потребуется дополнительная наземная система обеспечения теплового режима; необходима доработка термобарокамеры) и усложнению процедуры проведения испытаний – все это потребует немалых дополнительных материальных и трудовых затрат.
Целью предлагаемого авторами технического решения является устранение вышеперечисленных существенных недостатков.
Поставленная цель достигается выполнением СТР таким образом, что выходной и входной гидроразъемы другого циркуляционного тракта соединены с вновь введенными дополнительными входным и выходным гидроразъемами блока, соединенными, в свою очередь, через переключатели с линиями, идущими к входному и выходному разъемам блока через вновь введенные переключатели, при этом входные участки выходного и дополнительного выходного гидроразъемов блока закольцованы через переключатели соответственно с участками входного и дополнительного входного гидроразъемов блока, что и является, по мнению авторов, существенными отличительными признаками предлагаемого авторами технического решения.
В результате анализа, проведенного авторами известной патентной и научно-технической литературы, предложенное сочетание существенных отличительных признаков заявляемого технического решения в известных источниках информации не обнаружено и, следовательно, известные технические решения не проявляют тех же свойств, что в заявляемой системе терморегулирования.
Предлагаемая СТР КА, выполненного из двух модулей: МПН 7 и МСС 8 (см. фиг.1, где изображена принципиальная схема СТР в условиях эксплуатации на орбите, и фиг.2, где изображена принципиальная схема СТР при испытаниях КА в наземных условиях) включает в себя:
1) бортовой циркуляционный тракт теплоносителя 1, встроенный в сотовые панели 4, 5, 6; выходной и входной гидроразъемы бортовой части СТР 1.2 и 1.1; съемный блок 3, подключенный своими выходным и входным гидроразъемами 3.2 и 3.1 к входному и выходному гидроразъемам бортовой части СТР 1.1 и 1.2;
2) выходной и входной гидроразъемы 2.1 и 2.2 другого циркуляционного тракта 2, также встроенного в сотовые панели 4, 5, 6 рядом с трактом 1, соединены с дополнительными входным и выходным гидроразъемами 3.3 и 3.4 блока, соединенными, в свою очередь, через переключатели 3.8 и 3.9 (например, соленоидные вентили) с линиями, идущими к входному и выходному разъемам 3.1 и 3.2 блока через вновь введенные переключатели 3.5 и 3.6, при этом входные участки выходного и дополнительного выходного гидроразъемов 3.2 и 3.4 блока закольцованы через переключатели 3.7 и 3.10 соответственно с участками входного и дополнительного входного гидроразъемов 3.1 и 3.3 блока соответственно;
3) следует отметить, что, как показал анализ, данное техническое решение может использоваться как в СТР с жидким теплоносителем, так и с двухфазным теплоносителем.
Работа СТР при наземных испытаниях КА, в частности, при термовакуумных испытаниях в термобарокамере, происходит следующим образом. КА установлен в термобарокамере, где имитируются окружающие КА условия космического пространства.
СТР имеет конфигурацию, предназначенную для наземных испытаний: к бортовой части СТР подключен съемный блок СТР (тракты заправлены теплоносителем).
Открывают переключатели 3.5, 3.6, 3.10 и закрывают переключатели 3.7, 3.8, 3.9. Включают в работу тракт 1 СТР (тракт 2 СТР не работает, т.е. не производится циркуляция теплоносителя по его тракту). Включают в работу приборы КА.
Избыточное тепло, выделяющееся при работе приборов, отводится циркулирующим теплоносителем тракта 1 и передается в съемном блоке 3 наземной системе обеспечения теплового режима.
Контролируют температуры приборов – они должны находиться в рабочих диапазонах.
Таким образом подтверждается работоспособность СТР при работе только тракта 1.
Затем повторяют вышеуказанные испытания при работе тракта 2 при неработающем тракте 1 и при работе одновременно обоих трактов 1 и 2 и подтверждают работоспособность при работе только тракта 2 и при одновременной работе обоих трактов.
Как видно из вышеизложенного, в результате выполнения СТР КА согласно предложенному авторами техническому решению обеспечивается упрощение конструкции СТР и наземных испытательных средств, повышающее экономическую эффективность при создании КА, т.е. тем самым достигаются цели изобретения.
В настоящее время предложенное авторами техническое решение отражено в технической документации на вновь разрабатываемый телекоммуникационный спутник.
Формула изобретения
Система терморегулирования космического аппарата, содержащая два независимых, одинаковых по составу и размещенных рядом друг с другом в сотовых панелях бортовых циркуляционных тракта с теплоносителем, имеющих каждый входной и выходной гидроразъемы, а также съемный блок системы, подключенный своими выходным и входным гидроразъемами к входному и выходному гидроразъемам одного из указанных циркуляционных трактов, отличающаяся тем, что указанный съемный блок снабжен дополнительными входным и выходным гидроразъемами, с которыми соединены выходной и входной гидроразъемы другого циркуляционного тракта, причем эти дополнительные гидроразъемы в свою очередь соединены через переключатели с линиями съемного блока, ведущими к указанным входному и выходному гидроразъемам этого блока через введенные в эти линии переключатели, при этом входные участки выходного и дополнительного выходного гидроразъемов блока закольцованы через еще одни переключатели соответственно с участками входного и дополнительного входного гидроразъемов блока.
РИСУНКИ
|
|