|
|
(21), (22) Заявка: 2007121026/11, 04.06.2007
(24) Дата начала отсчета срока действия патента:
04.06.2007
(46) Опубликовано: 20.02.2009
(56) Список документов, цитированных в отчете о поиске:
RU 2022856 С1, 15.11.1994. RU 2006404 С1, 20.01.1994. SU 1687493 А1, 30.10.1991. RU 31554 U1, 20.08.2003.
Адрес для переписки:
443066, г.Самара, 1-й Безымянный пер., 18, СамГУПС, патентный отдел
|
(72) Автор(ы):
Полевой Юрий Иосифович (RU), Полевая Людмила Владимировна (RU), Аграфенин Денис Владимирович (RU)
(73) Патентообладатель(и):
Государственное образовательное учреждение высшего профессионального образования “Самарский государственный университет путей сообщения” (СамГУПС) (RU)
|
(54) УСТРОЙСТВО ПРИЕМА ИНФОРМАЦИИ НА ПОДВИЖНОМ СОСТАВЕ
(57) Реферат:
Изобретение относится к железнодорожной технике, а именно к железнодорожной автоматике и телемеханике для регулирования движения поездов. Устройство приема информации на подвижном составе содержит усилитель (1), состоящий из полюса источника питания, трансформатора, двух транзисторов (8) и (9), резистора (5), диода (6), стабилитрона (7), реле (11) и конденсатора (12). В него дополнительно введен блок защиты от помех (2), состоящий из второго и третьего диодов (13) и (14), второго и третьего резисторов (15) и (16), второго конденсатора (17) и второго реле (18). Устройство позволяет повысить надежность приема информации за счет снижения влияния помех от линий электропередач на работу устройств автоматической локомотивной сигнализации. 1 ил.
Изобретение относится к железнодорожной технике, а именно к железнодорожной автоматике и телемеханике для регулирования движения поездов.
Известно устройство автоматической локомотивной сигнализации (АЛС), содержащее напольные и локомотивные устройства [Казаков А.А., Бубнов В.Д., Казаков Е.А. Системы интервального регулирования движения поездов. М:. Транспорт, 1986. – 400 с.].
Недостатком известного устройства является низкая надежность работы под воздействием помех от линий электропередач (ЛЭП).
Известно устройство приема информации на подвижном составе, составной частью которого является выходной каскад усилителя, содержащий полюса источника питания, трансформатор, два транзистора, резистор, диод, стабилитрон, реле и конденсатор [Леонов А.А. Техническое обслуживание автоматической локомотивной сигнализации. М:. Транспорт, 1982. – 256 с. (схема представлена на странице 164)].
Недостатком данного устройства является низкая надежность работы устройства под воздействием помех от ЛЭП.
Данное техническое решение взято в качестве прототипа.
Техническим результатом является повышение надежности работы устройств автоматической локомотивной сигнализации (АЛС) в условиях влияния помех от ЛЭП.
Технический результат достигается тем, что в устройство приема информации на подвижном составе, содержащее усилитель, состоящий из полюса источника питания, трансформатора, двух транзисторов, резистора, диода, стабилитрона, реле и конденсатора, дополнительно введен блок защиты от помех, состоящий из второго и третьего диодов, второго и третьего резисторов, второго конденсатора и второго реле, причем к плюсовому полюсу источника питания подсоединен первый вывод первого резистора, ко второму выводу которого подсоединены первый полюс первого диода и первый вывод вторичной обмотки трансформатора, ко второму выводу которой подсоединена база первого транзистора, к эмиттеру которого подсоединены общий контакт второго реле, вторые полюса первого диода и стабилитрона и эмиттер второго транзистора, к базе которого подсоединен третий вывод вторичной обмотки трансформатора, а к коллектору – коллектор первого транзистора, первый вывод первого конденсатора, первый полюс второго диода и четвертый вывод обмотки второго реле, к третьему выводу которой подсоединены второй вывод второго конденсатора, второй вывод обмотки второго реле и минусовой полюс источника питания, к которому также подсоединены первый полюс стабилитрона, второй вывод первого конденсатора, второй вывод обмотки первого реле, первый вывод которой соединен с фронтовым контактом второго реле, первый вывод обмотки второго реле соединен с первым выводом третьего резистора, вторым полюсом второго диода и первым полюсом третьего диода, второй полюс которого соединен с первым выводом второго резистора, второй вывод которого соединен со вторым выводом третьего резистора и первым выводом второго конденсатора.
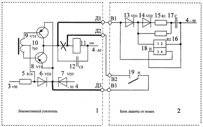
На чертеже представлена схема устройства приема информации на подвижном составе, которая содержит модифицированный локомотивный усилитель 1 и блок защиты от помех 2. В усилителе 1 изображены элементы типового усилителя УК25/50М: плюсовой полюс источника питания 3 (+50), минусовой полюс источника питания 4 (-50), первый резистор 5(R14), первый диод 6 (VD3), стабилитрон 7 (VD4), первый и второй транзисторы 8 (VT3) и 9 (VT4), вторичная обмотка трансформатора 10, первое реле 11 (ИР) и первый конденсатор 12 (С8). В блоке защиты 2 показаны элементы: второй и третий диоды 13 и 14, второй и третий резисторы 15 и 16, второй конденсатор 17, обмотки второго импульсного реле 18 и его контакт 19. Усилитель 1 имеет дополнительные выводы Д1, Д2 и Д3, блок защиты – выводы B1, B2 и В3. Эти выводы в связях не показаны, они имеют вспомогательное назначение в описании схемы (см. описание о соединениях элементов схемы).
Элементы схемы соединены следующим образом. Плюсовой полюс источника питания соединен с первым полюсом первого резистора 5, второй полюс которого соединен с первым полюсом первого диода 6 и первым выводом вторичной обмотка трансформатора 10, второй вывод которой соединен с базой первого транзистора 8, эмиттер которого через клеммы Д3 и В3 соединен с общим контактом второго реле 19, вторыми полюсами первого диода 6 и стабилитрона 7, а также с эмиттером второго диода 9, база которого соединена с третьим выводом обмотки трансформатора 10. Коллекторы транзисторов 8 и 9 соединены между собой, с первым выводом первого конденсатора 12 и через клеммы Д1 и B1 – с первым полюсом второго диода и четвертым выводом второго реле 16. Второй полюс второго диода 13 соединен с первым полюсом третьего диода 14, первым полюсом третьего резистора 16 и с первым выводом второго реле 18. Вторые полюса второго 15 и третьего резистора 16 соединены между собой, а также с первым выводом второго конденсатора 17, второй вывод которого соединен минусовым полюсом источника питания 4, вторым и третьим выводами второго реле 18, вторым выводом первого конденсатора 12, вторым выводом первого реле 11, первый вывод которого через клеммы Д2 и B2 соединен с фронтовым контактом 19 второго реле 18.
Устройство работает следующим образом. При наведении ЭДС на вторичной обмотке трансформатора 10 поочередно открываются транзисторы 8 и 9. Элементы 5, 6 и 7 обеспечивают рабочие значения напряжений на электродах транзисторов, а конденсатор 12 сглаживает пульсацию. Упомянутые приборы работают так же, как в типовой схеме усилителя. На входе В1 блока защиты от помех 2 присутствует напряжение, величина которого пропорциональна наведенной ЭДС в локомотивных катушках (сигнал + помеха). При движении поезда под ЛЭП воздействие помехи наблюдается в течение 5 с и более. Однако по форме сигнала можно определить значение кода, несмотря на превосходящую полезный сигнал помеху. Для этого предусматривается второй конденсатор 17, заряд на котором сохраняется 3-4 с после прекращения действия ЭДС. Поэтому на конденсаторе 17 практически всегда есть напряжение независимо от воздействия помехи. Время заряда конденсатора 17 определяется его емкостью, значением сопротивления резистора 15 и величиной наведенной ЭДС, а время разряда – величиной напряжения на конденсаторе 17, сопротивлением резистора 16 и сопротивлением верхней обмотки (выводы 1 и 2) второго реле. Напряжение на конденсаторе 17 определяет ток верхней обмотки, который создает магнитное поле в сердечнике второго реле 18, встречное относительно нижней обмотки, на которую воздействует текущее напряжение, определяемое только наведенной ЭДС приемных катушек (система АРУ усилителя принципиального значения для предложенного устройства не имеет). Таким образом, общее магнитное поле второго реле является разностью магнитных полей двух катушек, нижней, воспринимающей значение текущей ЭДС (сигнал + помеха), и верхней, воспринимающей усредненное значение (практически значение помехи). Разница между значением напряжения верхней катушки (сглаженная помеха) и значением напряжения нижней катушки (сигнал + помеха) соответствует напряжению полезного сигнала. Диод 14 позволяет ускорить заряд конденсатора 17, диод 13 исключает разряд конденсатора 17 на нижнюю обмотку второго реле 18. В качестве второго реле 18 предусматривается высокоомное поляризованное реле РП4, маломощный контакт которого не рассчитан на коммутацию цепей локомотивного дешифратора. Поэтому реле 11 используется как повторитель реле 18.
Устройство позволяет повысить надежность приема информации за счет снижения влияния помех от ЛЭП на работу устройств АЛС.
Формула изобретения
Устройство приема информации на подвижном составе, содержащее усилитель, состоящий из полюса источника питания, трансформатора, двух транзисторов, резистора, диода, стабилитрона, реле и конденсатора, отличающееся тем, что в него дополнительно введен блок защиты от помех, состоящий из второго и третьего диодов, второго и третьего резисторов, второго конденсатора и второго реле, причем к плюсовому полюсу источника питания подсоединен первый вывод первого резистора, ко второму выводу которого подсоединены первый полюс первого диода и первый вывод вторичной обмотки трансформатора, ко второму выводу которой подсоединена база первого транзистора, к эмиттеру которого подсоединены общий контакт второго реле, вторые полюса первого диода и стабилитрона и эмиттер второго транзистора, к базе которого подсоединен третий вывод вторичной обмотки трансформатора, а к коллектору – коллектор первого транзистора, первый вывод первого конденсатора, первый полюс второго диода и четвертый вывод обмотки второго реле, к третьему выводу которой подсоединены второй вывод второго конденсатора, второй вывод обмотки второго реле и минусовой полюс источника питания, к которому также подсоединены первый полюс стабилитрона, второй вывод первого конденсатора, второй вывод обмотки первого реле, первый вывод которой соединен с фронтовым контактом второго реле, первый вывод обмотки второго реле соединен с первым выводом третьего резистора, вторым полюсом второго диода и первым полюсом третьего диода, второй полюс которого соединен с первым выводом второго резистора, второй вывод которого соединен со вторым выводом третьего резистора и первым выводом второго конденсатора.
РИСУНКИ
|
|