|
|
(21), (22) Заявка: 2008101872/09, 17.01.2008
(24) Дата начала отсчета срока действия патента:
17.01.2008
(46) Опубликовано: 10.02.2009
(56) Список документов, цитированных в отчете о поиске:
SU 646472 A1, 05.02.1979. SU 995384 A1, 07.02.1983. US 4562338 A, 31.12.1985.
Адрес для переписки:
662972, Красноярский край, г. Железногорск, ул. Ленина, 53, Федеральное государственное унитарное предприятие “Горно-химический комбинат” (ФГУП “ГХК”)
|
(72) Автор(ы):
Гаврилов Петр Михайлович (RU), Истомин Михаил Геннадьевич (RU), Прочанкин Александр Петрович (RU), Ревенко Юрий Александрович (RU), Муравицкий Степан Александрович (RU), Саргун Александр Васильевич (RU), Шерстов Константин Дмитриевич (RU)
(73) Патентообладатель(и):
Федеральное государственное унитарное предприятие “ГОРНО-ХИМИЧЕСКИЙ КОМБИНАТ” (RU)
|
(54) УСТРОЙСТВО ДЛЯ РЕГУЛИРУЕМОГО НАГРЕВАНИЯ КРЕМНИЕВЫХ СТЕРЖНЕЙ
(57) Реферат:
Изобретение относится к химической промышленности, а именно к производству кремния в реакторах водородного восстановления полихлорсиланов, и может быть использовано для регулируемого нагревания стержней поликристаллического кремния в реакторе. Техническим результатом изобретения является разработка устройства регулируемого нагревания кремниевых стержней с повышенным коэффициентом использования электрической энергии и высоким коэффициентом сглаживания постоянного тока, используемого для нагревания кремниевых стержней. Технический результат достигается тем, что блок выпрямителей входного питающего напряжения устройства, состоящий из двух независимых выпрямителей, выполнен по схеме, обеспечивающей их последовательное или параллельное включение, при этом при последовательном включении выпрямителей получаем напряжение 1000 В, которое используется в стартовом и начальном периоде выращивания кремниевых стержней, а при параллельном включении выпрямителей получаем напряжение 500 В, которое используется на заключительном, потребляющем более 1000 А, этапе выращивания кремниевых стержней. Кроме этого, управление мощными транзисторными ключами для регулирования тока нагрева стержней осуществляется методом широтно-импульсного преобразования. Выпрямление импульсного тока транзисторных ключей производится с помощью силового дросселя, включенного последовательно с нагреваемым стержнем и диода, включенного в обратной относительно питания полярности и замыкающего цепь тока дросселя через нагреваемый стержень в период закрытого состояния транзисторных ключей. Управление регулятором тока осуществляется микропроцессорной системой с пульта оператора. Кроме этого, стартовый разогрев кремниевых стержней до рабочего состояния производится рабочим напряжением устройства посредством последовательного подключения и разогрева ветвей (частей) кремниевого стержня. 5 ил.
Изобретение относится к химической промышленности, а именно к производству кремния в реакторах водородного восстановления полихлорсиланов, и может быть использовано для регулируемого нагревания стержней поликристаллического кремния в реакторе.
Известно устройство (Патент США №4562338, МПК Н05В 1/02, 1985 г.) для нагревания поликристаллических полупроводниковых стержней, включающее силовой трансформатор и тиристоры, подключенные попарно к выводам вторичной обмотки силового трансформатора, группы уравновешенных трансформаторов, подключенные к тиристорным группам по схеме, обеспечивающей постоянный ток во вторичной обмотке каждого уравновешенного трансформатора с подключенным к ней полупроводниковым стержнем. В устройстве предусмотрена дополнительная группа уравновешенных трансформаторов для обеспечения подачи высокого напряжения на стержни в стартовом периоде.
К недостаткам известного устройства, описанного выше, относится то, что оно не экономично и не обеспечивает стабильные характеристики постоянного тока на стержнях.
Известно устройство («Технология полупроводникового кремния»./Под ред. Э.С.Фалькевича. М., «Металлургия», 1992 г., стр.219-220 – прототип) для нагревания кремниевых стержней, включающее силовой трансформатор, группу управляемых полупроводниковых выпрямительных мостов, подключенных через коммутаторы к вторичным обмоткам силового трансформатора и включенных последовательно со стержнями, управляющие входы которых подключены к системе импульсно-фазового управления. Недостатком этого устройства является то, что оно не экономично и не обеспечивает стабильные характеристики постоянного тока на стержнях.
Целью изобретения является разработка устройства регулируемого нагревания кремниевых стержней с повышенным коэффициентом использования электрической энергии и высоким коэффициентом сглаживания постоянного тока, используемого для нагревания кремниевых стержней.
Технический результат достигается тем, что в устройстве для нагревания кремниевых стержней, содержащем силовой трансформатор, к вторичным обмоткам которого через блок коммутации подключена группа полупроводниковых выпрямительных мостов, и блок импульсно-фазового управления и регулирования тока, включенный последовательно с выпрямительными мостами и кремниевыми стержнями, при этом блок коммутации выпрямительных мостов выполнен по схеме, обеспечивающей последовательное или параллельное включение выпрямительных мостов, блок импульсно-фазового управления и регулирования тока реализован на силовых транзисторах, включенных параллельно и управляемых импульсами высокой частоты, формируемыми схемой импульсно-фазового управления, при этом в устройстве предусмотрены дроссель, включенный последовательно с группой силовых транзисторов и каналом нагрузки, состоящим из кремниевых стержней, соединенных последовательно, диод, подключенный к общему выходу группы транзисторов в обратном направлении и замыкающий цепь тока дросселя через стержни в период закрытого состояния транзисторного ключа, и схема стартового разогрева кремниевых стержней.
Предлагаемое устройство для регулируемого нагревания кремниевых стержней иллюстрируется чертежами.
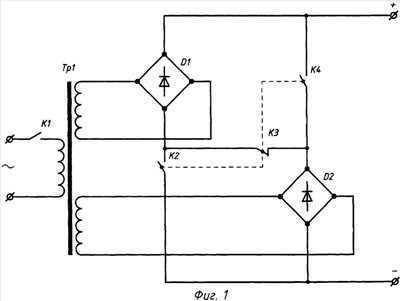
На Фиг.1 представлена схема включения полупроводниковых выпрямительных мостов.
На Фиг.2 представлена схема включения основных элементов регулируемого преобразователя.
На Фиг.3 представлена схема включения транзисторов и дросселей силового блока.
На Фиг.4 представлены эпюры напряжений транзисторов и дросселей силового блока.
На Фиг.5 представлена схема канала нагрузки устройства на кремниевых стержнях.
Устройство содержит силовой трансформатор Тр1 с двумя независимыми вторичными обмотками (см. Фиг.1), два полупроводниковых выпрямительных моста Д1 и Д2, два нормально разомкнутых контактора К2 и К4 и один нормально замкнутый контактор К3, контактор К1, накопительный конденсатор С1 (см. Фиг.2), регулятор тока нагрузки, состоящий из блока силовых транзисторов Т, RC-фильтра высокочастотных помех, панели охлаждения силовых транзисторов и диодов 2, микропроцессорной схемы управления силовыми транзисторами Т, состоящей из пульта оператора 9, микроконтроллера 7, широтно-импульсного модулятора 10, драйвера управления силовым транзистором 8, датчика тока 6, датчика температуры панели охлаждения 3, датчика температуры поверхности стержней 4, силовые дросселя Др, блок диодов Д3, сглаживающий конденсатор С2, блок нагрузки 5 (см. Фиг.5), состоящий из трех кремниевых стержней и двух коммутаторов К5 и К6, включенных параллельно двум кремниевым стержням 11 и 12. Блок силовых транзисторов (см. Фиг.3) состоит из двух групп по три включенных параллельно силовых транзисторов ТA, ТB, ТC и управляемых через драйвер 8 трехфазным широтно-импульсным модулятором, обеспечивающих их поочередное включение. Каждая группа транзисторов подключена к дросселям Др, вторые концы которых подключены к блоку нагрузки (кремниевым стержням) и к диодам Д3. Все шесть транзисторов блока и диоды Д3 расположены на одной теплоотводной панели 2.
Устройство работает следующим образом.
Перед началом работы преобразователя заряжается силовой конденсатор С1 до напряжения 700 В. После этого включается контактор К1 подачи питающего напряжения на силовой трансформатор Тр1 выпрямительного блока преобразователя.
В начальный период работы с блока силовых выпрямителей на блок силовых транзисторов подается напряжение 1000 В. Для этого в силовом выпрямителе (Фиг.2) замыкается контактор К3 и размыкаются контакторы К2 и К4. Контакторы К2, К3 и К4 переключаются одновременно. Два выпрямителя по 500 В включаются последовательно и выдают на накопительный конденсатор и силовые транзисторы напряжение 1000 В.
Регулирование тока в нагрузке (кремниевом стержне) осуществляется блоком силовых транзисторов Т и дросселей Др, управляемых трехфазным широтно-импульсным модулятором (ШИМ) 10 через драйвер 8. Величина тока в нагрузке зависит от формы импульса управления транзистором. Чем больше по времени импульс на открытие транзистора, тем больше ток в нагрузке. Продолжительность импульса зависит от величины задания по току и выбранной несущей частоты. В ручном режиме управления величина тока задается с пульта оператора 9 нажатием соответствующих кнопок управления на экране монитора, а в автоматическом режиме величина тока определяется программным регулятором по заданной температуре поверхности стержня. Несущая частота ШИМ выбрана 15 кГц, что обеспечивает практически полное отсутствие шумов преобразователя в звуковом диапазоне. Работа трехфазного ШИМ поясняется на Фиг.4. На эпюре 1 показан исходный широтно-импульсный сигнал управления транзисторами. На эпюрах 2, 3 и 4 показаны токи транзисторов ТA, ТB и ТC. На эпюре 5 показан ток через диод Д3. Источником тока через диод является энергия дросселя Др, накопленная в период открытого состояния силового транзистора Т. На эпюре 6 показан характер тока в канале нагрузки – кремниевых стержнях. Выбор трехфазного управления силовыми транзисторами позволил снизить тепловую нагрузку на каждый транзистор.
Постоянный характер тока в нагрузке достигается за счет применения силового дросселя Др и диода Д3, включенного в обратном относительно силового транзистора направлении. Дополнительное сглаживание постоянного тока на нагрузке осуществляется фильтрующим конденсатором С2.
Кремниевый стержень канала нагрузки (Фиг.5) состоит из трех специально подготовленных (легированных) кремниевых стержней 11, 12 и 13, включенных последовательно. В стартовом режиме, когда кремниевые стержни холодные и сопротивление каждого из них около 25 Ом, включается схема стартового разогрева стержней. При этом включаются контакторы К5 и К6, которые шунтируют два стержня из трех. Происходят нагрев и «пробой» стержня 13 рабочим напряжением преобразователя. Сопротивление ее в этом состоянии становится на порядок меньше. Соответственно падает и напряжение на нем. Далее выключается коммутатор К6. К устройству подключается второй стержень 12. Происходят разогрев и пробой второго стержня совместно с первым. Затем выключается коммутатор К5. К устройству подключается третий стержень 11. Происходят его разогрев и «пробой». Таким образом, для стартового разогрева стержней не требуется дополнительный высоковольтный источник питания или специальная схема разогрева кремниевых стержней. После теплового «пробоя» стержней и доведения их до необходимой температуры начинается технологический процесс выращивания кремния.
В ходе технологического процесса по выращиванию кремниевых стержней, по мере роста их диаметра, происходит снижение их сопротивления и, следовательно, снижение падение напряжения на стержнях. При достижении напряжения на стержнях менее 500 В производится переключение контакторов К2-К4 в блоке силовых выпрямителей (Фиг.1) и выпрямители переключаются в режим параллельного включения двух выпрямителей по 500 В. На входе регулятора-преобразователя устанавливается напряжение 500 В. В этом режиме снижается нагрузка на диоды силовых выпрямителей, снижаются тепловые потери на силовых транзисторах и дросселях без снижения тока на кремниевых стержнях.
Заявляемое устройство обеспечивает высокую степень использования электрической энергии, позволяет получить высокое качество постоянного тока на стержнях.
В зависимости от размеров реактора водородного восстановления полихлорсиланов устройство может содержать несколько каналов нагрузки с кремниевыми стержнями и соответственно несколько каналов регулируемого нагревания кремниевых стержней.
Формула изобретения
Устройство для регулируемого нагревания кремниевых стержней, содержащее силовой трансформатор, к вторичным обмоткам которого через блок коммутации подключена группа полупроводниковых выпрямительных мостов, и блок импульсно-фазового управления и регулирования тока, включенный последовательно с кремниевыми стержнями, отличающееся тем, что блок коммутации полупроводниковых выпрямительных мостов выполнен по схеме, обеспечивающей последовательное или параллельное включение выпрямительных мостов, блок импульсно-фазового управления и регулирования тока содержит группу силовых транзисторов с RC-схемой подавления импульсных помех, включенных параллельно и управляемых импульсами высокой частоты, формируемыми схемой импульсно-фазового управления, при этом в устройстве предусмотрены дроссель, включенный последовательно с группой силовых транзисторов и каналом нагрузки, состоящего из нескольких кремниевых стержней, фильтрующий конденсатор, включенный параллельно каналу нагрузки и диод, подключенный к общему выходу группы транзисторов в обратном направлении и замыкающий цепь тока дросселя через канал нагрузки в период закрытого состояния транзисторного ключа, при этом канал нагрузки содержит коммутаторы, которые шунтируют часть кремниевых стержней в период их последовательного стартового разогрева.
РИСУНКИ
|
|