|
(21), (22) Заявка: 2008102094/09, 18.01.2008
(24) Дата начала отсчета срока действия патента:
18.01.2008
(46) Опубликовано: 10.02.2009
(56) Список документов, цитированных в отчете о поиске:
RU 2278466 C1, 20.06.2006. SU 459780 A1, 05.02.1975. US 2004251982 A, 16.12.2004.
Адрес для переписки:
346500, Ростовская обл., г. Шахты, ул. Шевченко, 147, ЮРГУЭС, патентная служба
|
(72) Автор(ы):
Прокопенко Николай Николаевич (RU), Конев Даниил Николаевич (RU), Хорунжий Андрей Васильевич (RU)
(73) Патентообладатель(и):
Государственное образовательное учреждение высшего профессионального образования “Южно-Российский государственный университет экономики и сервиса” (ГОУ ВПО “ЮРГУЭС”) (RU)
|
(54) ДИФФЕРЕНЦИАЛЬНЫЙ УСИЛИТЕЛЬ С ПОВЫШЕННЫМ ВХОДНЫМ СОПРОТИВЛЕНИЕМ
(57) Реферат:
Изобретение относится к области радиотехники и связи и может быть использовано в качестве устройства усиления аналоговых сигналов датчиков с высоким внутренним сопротивлением, в структуре аналоговых микросхем различного функционального назначения (например, операционных усилителях (ОУ), широкополосных и избирательных усилителях, фильтрах и т.п.). Дифференциальный усилитель с повышенным входным сопротивлением содержит входной параллельно-балансный каскад (1), имеющий первый (2) и второй (3) входы, первый (4) и второй (5) выходы, транзистор источника опорного тока (6), коллектор которого связан с общей эмиттерной цепью (7) входного параллельно-балансного каскада (1), а эмиттер соединен с шиной источника питания (8) через токостабилизирующий двухполюсник (9), первый (10) и второй (11) вспомогательные транзисторы, базы которых соединены с первым (2) и вторым (3) входами параллельно-балансного каскада (1), а эмиттеры связаны друг с другом, причем все основные транзисторы схемы имеют один тип проводимости. База транзистора источника опорного тока (6) связана с объединенными эмиттерами первого (10) и второго (11) вспомогательных транзисторов, коллектор первого (10) вспомогательного транзистора соединен со вторым (3) входом входного параллельно-балансного каскада (1), а коллектор второго (11) вспомогательного транзистора связан с первым (2) входом входного параллельно-балансного каскада. Технический результат – повышение входного сопротивления. 1 з.п. ф-лы, 5 ил.
Изобретение относится к области радиотехники и связи и может быть использовано в качестве устройства усиления аналоговых сигналов датчиков с высоким внутренним сопротивлением, в структуре аналоговых микросхем различного функционального назначения (например, операционных усилителях (ОУ), широкополосных и избирательных усилителях, фильтрах и т.п.).
Известны схемы дифференциальных усилителей (ДУ) с параллельным включением двух параллельно-балансных каскадов [1-15]. На их модификации выдано более 50 патентов для ведущих микроэлектронных фирм мира. Дифференциальные усилители данного класса наряду с одиночными параллельно-балансными каскадами стали основным усилительным элементом многих микросхем аналоговых интерфейсов. Предлагаемое изобретение относится к данному подклассу устройств.
Ближайшим прототипом (фиг.1) заявляемого устройства является дифференциальный усилитель, описанный в патенте США №6917257 В2, H03F 3/45, содержащий входной параллельно-балансный каскад 1, имеющий первый 2 и второй 3 входы, первый 4 и второй 5 выходы, транзистор источника опорного тока 6, коллектор которого связан с общей эмиттерной цепью 7 входного параллельно-балансного каскада 1, а эмиттер соединен с шиной источника питания 8 через токостабилизирующий двухполюсник 9, первый 10 и второй 11 вспомогательные транзисторы, базы которых соединены с первым 2 и вторым 3 входами параллельно-балансного каскада 1, а эмиттеры связаны друг с другом, причем все основные транзисторы схемы имеют один тип проводимости.
Существенный недостаток известного ДУ состоит в том, что он имеет небольшое входное дифференциальное сопротивление (Rвх), зависящее от абсолютных значений коэффициента усиления по току базы ( ) применяемых транзисторов и их статического режима. Для повышения в известных ДУ применяется местная отрицательная обратная связь (вводятся эмиттерные резисторы). Однако при этом ухудшаются многие параметры ДУ – коэффициент усиления по напряжению, напряжение смещения нуля, коэффициент подавления помехи по питанию, крутизна усиления ДУ и др.
Основная цель предлагаемого изобретения состоит в повышении на один-два порядка входного сопротивления ДУ.
Поставленная цель достигается тем, что в дифференциальном усилителе фиг.1, содержащем входной параллельно-балансный каскад 1, имеющий первый 2 и второй 3 входы, первый 4 и второй 5 выходы, транзистор источника опорного тока 6, коллектор которого связан с общей эмиттерной цепью 7 входного параллельно-балансного каскада 1, а эмиттер соединен с шиной источника питания 8 через токостабилизирующий двухполюсник 9, первый 10 и второй 11 вспомогательные транзисторы, базы которых соединены с первым 2 и вторым 3 входами параллельно-балансного каскада 1, а эмиттеры связаны друг с другом, причем все основные транзисторы схемы имеют один тип проводимости, предусмотрены новые связи – база транзистора источника опорного тока 6 связана с объединенными эмиттерами первого 10 и второго 11 вспомогательных транзисторов, коллектор первого 10 вспомогательного транзистора соединен со вторым 3 входом входного параллельно-балансного каскада 1, а коллектор второго 11 вспомогательного транзистора связан с первым 2 входом входного параллельно-балансного каскада.
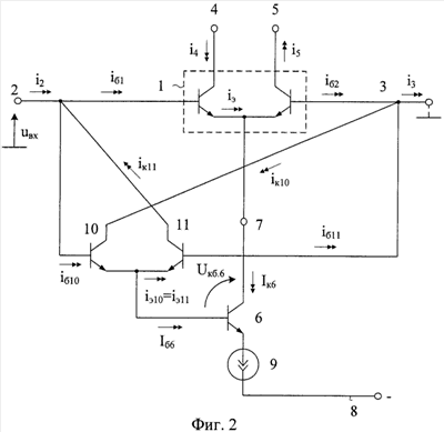
На фиг.2 показана схема заявляемого устройства в соответствии с п.1 формулы изобретения.
На фиг.3 представлена схема дифференциального усилителя, соответствующего п.2 формулы изобретения.
На фиг.4 показаны схемы известного и заявляемого ДУ в среде компьютерного моделирования PSpice на моделях интегральных транзисторов ФГУП НПП «Пульсар».
График фиг.5 иллюстрирует частотную зависимость входного дифференциального сопротивления известного и заявляемого устройств.
Дифференциальный усилитель фиг.2 содержит входной параллельно-балансный каскад 1, имеющий первый 2 и второй 3 входы, первый 4 и второй 5 выходы, транзистор источника опорного тока 6, коллектор которого связан с общей эмиттерной цепью 7 входного параллельно-балансного каскада 1, а эмиттер соединен с шиной источника питания 8 через токостабилизирующий двухполюсник 9, первый 10 и второй 11 вспомогательные транзисторы, базы которых соединены с первым 2 и вторым 3 входами параллельно-балансного каскада 1, а эмиттеры связаны друг с другом, причем все основные транзисторы схемы имеют один тип проводимости. База транзистора источника опорного тока 6 связана с объединенными эмиттерами первого 10 и второго 11 вспомогательных транзисторов, коллектор первого 10 вспомогательного транзистора соединен со вторым 3 входом входного параллельно-балансного каскада 1, а коллектор второго 11 вспомогательного транзистора связан с первым 2 входом входного параллельно-балансного каскада.
На фиг.3, в соответствии с п.2 формулы изобретения, база транзистора источника опорного тока 6 связана с эмиттерами первого 10 и второго 11 вспомогательных транзисторов через согласующий усилитель тока 12.
Рассмотрим работу схемы фиг.2.
Если на вход 2 подается напряжение uвх, то это вызывает приращение тока базы

где 1>>1 – коэффициент усиления по току базы левого входного транзистора каскада 1;
– сопротивление эмиттерного перехода входных транзисторов каскада 1;
т=26 мВ – температурный потенциал;
Iэi=Iэ1=Iэ2=Iк6/2 – статический эмиттерный ток входных транзисторов каскада 1;
I9 – ток через двухполюсник 9.
Аналогично можно найти ток базы iб10 транзистора 10

где 10 – коэффициент усиления по току базы транзистора 10;
– сопротивления эмиттерных переходов транзисторов 10 и 11.
С другой стороны, эмиттерный и коллекторный токи транзисторов 10 и 11

Входной ток ДУ определяется суммой токов

С учетом (3) и (2) находим, что коллекторный ток транзистора 11 определяется формулой:

Поэтому

где увх – входная проводимость ДУ, причем

В ДУ-прототипе входная проводимость принимает достаточно большое значение:

Таким образом, в заявляемой схеме увх улучшается в N раз, где

Полученные выше теоретические выводы подтверждаются результатами моделирования в среде PSpice на моделях интегральных транзисторов ФГУП НПП «Пульсар» (фиг.5), выигрыш по Rвх – более чем на порядок.
Источники информации
1. Авт.св. СССР №459780.
2. Патент Японии JP 2004040157.
3. Патентная заявка США №2004/0061544.
4. Патентная заявка США №2003/0155959.
5. Патентная заявка США №2003/0141919.
6. Патент США №6292033.
7. Патент США №5936468.
8. Патент США №4866397.
9. Патент США №4331929.
10. Патент DE №10321442.
11. Патент США №6262628.
12. Патент США №6172551.
13. Патент США №5461342.
14. Патент США №5373741.
15. Патент США №6917257.
Формула изобретения
1. Дифференциальный усилитель с повышенным входным сопротивлением, содержащий входной параллельно-балансный каскад (1), имеющий первый (2) и второй (3) входы, первый (4) и второй (5) выходы, транзистор источника опорного тока (6), коллектор которого связан с общей эмиттерной цепью (7) входного параллельно-балансного каскада (1), а эмиттер соединен с шиной источника питания (8) через токостабилизирующий двухполюсник (9), первый (10) и второй (11) вспомогательные транзисторы, базы которых соединены с первым (2) и вторым (3) входами параллельно-балансного каскада (1), а эмиттеры связаны друг с другом, причем все основные транзисторы схемы имеют один тип проводимости, отличающийся тем, что база транзистора источника опорного тока (6) связана с объединенными эмиттерами первого (10) и второго (11) вспомогательных транзисторов, коллектор первого (10) вспомогательного транзистора соединен со вторым (3) входом входного параллельно-балансного каскада (1), а коллектор второго (11) вспомогательного транзистора связан с первым (2) входом входного параллельно-балансного каскада.
2. Дифференциальный усилитель по п.1, отличающийся тем, что база транзистора источника опорного тока (6) связана с объединенными эмиттерами первого (10) и второго (11) вспомогательных транзисторов через согласующий усилитель тока (12).
РИСУНКИ
|