|
(21), (22) Заявка: 2008101006/09, 09.01.2008
(24) Дата начала отсчета срока действия патента:
09.01.2008
(46) Опубликовано: 10.02.2009
(56) Список документов, цитированных в отчете о поиске:
SU 1798888 A1, 28.02.1993. SU 1327271 A1, 30.07.1987. US 3887879 A, 03.06.1975.
Адрес для переписки:
346500, Ростовская обл., г. Шахты, ул. Шевченко, 147, ЮРГУЭС, патентная служба
|
(72) Автор(ы):
Прокопенко Николай Николаевич (RU), Манжула Владимир Гавриилович (RU), Конев Даниил Николаевич (RU)
(73) Патентообладатель(и):
Государственное образовательное учреждение высшего профессионального образования “Южно-Российский государственный университет экономики и сервиса” (ГОУ ВПО “ЮРГУЭС”) (RU)
|
(54) ТОКОВОЕ ЗЕРКАЛО
(57) Реферат:
Изобретение относится к области радиотехники и связи и может быть использовано в качестве функционального узла различных устройств усиления аналоговых сигналов, в структуре аналоговых микросхем различного функционального назначения (например, операционных усилителях (ОУ), стабилизаторах напряжения, компараторах). Токовое зеркало содержит входной (1) и выходной (2) транзисторы, базы которых объединены, а эмиттеры подключены к шине (3) первого источника питания через первый (4) и второй (5) вспомогательные резисторы, причем коллектор входного транзистора (1) связан со входом (6) токового зеркала, а коллектор выходного транзистора (2) соединен с выходом (7) токового зеркала. В схему введены первый (8) и второй (9) повторители тока, причем вход (10) первого повторителя тока (8) соединен с объединенными базами входного (1) и выходного (2) транзисторов, общий вход (11) первого повторителя тока (8) соединен со входом (6) токового зеркала, выход (12) первого повторителя тока (8) соединен со входом (13) второго повторителя тока (9), общий вход (14) которого соединен с эмиттером входного транзистора (1), а выход (15) связан с цепью смещения статического потенциала (16). Технический результат – повышение точности передачи по току. 11 ил.
Изобретение относится к области радиотехники и связи и может быть использовано в качестве функционального узла различных устройств усиления аналоговых сигналов, в структуре аналоговых микросхем различного функционального назначения (например, операционных усилителях (ОУ), стабилизаторах напряжения, компараторах).
Основой большинства современных операционных усилителей, стабилизаторов напряжения, компараторов являются так называемые «токовые зеркала» (повторители тока), которые по существу являются управляемыми источниками опорного тока [1-56]. В патентной литературе эти устройства с одним и тем же функциональным назначением присутствуют в классе H03F, а также классах G05F, Н03К МПК. Качественные показатели многих аналоговых устройств определяются параметрами токовых зеркал. Именно этим объясняется большое число патентов, посвященных данному подклассу функциональных узлов [1-56].
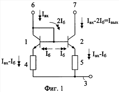
Ближайшим прототипом (фиг.1) заявляемого устройства является токовое зеркало, описанное в патенте США №6.657.481 (фиг.2), содержащее входной 1 и выходной 2 транзисторы, базы которых объединены, а эмиттеры подключены к шине 3 первого источника питания через первый 4 и второй 5 вспомогательные резисторы, причем коллектор входного транзистора 1 связан со входом 6 токового зеркала, а коллектор выходного транзистора 2 соединен с выходом 7 токового зеркала. Кроме этого, данное техническое решение описано в патентах США №№3.906.386, 4.158.178, 4.352.057, 4.965.510, 4.700.144, 3.950.708, 6.163.216, 5.220.289, 6.429.744.
Существенный недостаток известного токового зеркала состоит в том, что оно не обеспечивает высокую точность передачи по току – его коэффициент передачи Кi=Iвых/Iвх отличается от единицы. Следует отметить, что такой режим работы известных токовых зеркал характерен при их использовании в схемах многих операционных усилителей (ОУ) с типовой архитектурой. Вследствие данного недостатка известного устройства напряжение смещения нуля ОУ на его основе измеряется единицами милливольт. В большинстве случаев это неприемлемо.
Основная цель предлагаемого изобретения состоит в повышении точности передачи по току токового зеркала и, как следствие, в уменьшении напряжения смещения нуля Uсм и повышении коэффициента ослабления входного синфазного сигнала (Kос.сф) в операционных усилителях на его основе.
Поставленная цель достигается тем, что в токовом зеркале фиг.1, содержащем входной 1 и выходной 2 транзисторы, базы которых объединены, а эмиттеры подключены к шине 3 первого источника питания через первый 4 и второй 5 вспомогательные резисторы, причем коллектор входного транзистора 1 связан со входом 6 токового зеркала, а коллектор выходного транзистора 2 соединен с выходом 7 токового зеркала, предусмотрены новые элементы и связи – в схему введены первый 8 и второй 9 повторители тока, причем вход 10 первого повторителя тока 8 соединен с объединенными базами входного 1 и выходного 2 транзисторов, общий вход 11 первого повторителя тока 8 соединен со входом 6 токового зеркала, выход 12 первого повторителя тока 8 соединен со входом 13 второго повторителя тока 9, общий вход 14 которого соединен с эмиттером входного транзистора 1, а выход 15 связан с цепью смещения статического потенциала 16.
Схема заявляемого устройства в соответствии с п.1 формулы изобретения показана на фиг.2.
На фиг.3 и 4 показаны варианты выполнения первого 8 и второго 9 повторителей тока.
На фиг.5 представлена схемная реализация токового зеркала в среде PSpice на моделях интегральных транзисторов ФГУП НПП «Пульсар», построенная на основе прототипа фиг.1, а на фиг.6 – характеристика, иллюстрирующая зависимость его выходного тока от входного.
На фиг.7 представлена схема заявляемого токового зеркала в среде PSpice на моделях интегральных транзисторов ФГУП НПП «Пульсар», а на чертеже фиг.8 – характеристика, иллюстрирующая зависимость ее выходного тока от входного.
На фиг.9 и 10 показаны зависимости относительной погрешности передачи входного тока у прототипа (фиг.9) и у заявляемого (фиг.10) токового зеркала.
На фиг.11 показана схема фиг.2 с конкретным выполнением (фиг.3 и 4) повторителей тока 8 и 9.
Сравнительный анализ результатов моделирования (фиг.9 и фиг.10) показывает, что точность повторения входного тока Iвх у заявляемого устройства в 6-10 раз выше, чем в схеме прототипа.
Токовое зеркало фиг.2 содержит входной 1 и выходной 2 транзисторы, базы которых объединены, а эмиттеры подключены к шине 3 первого источника питания через первый 4 и второй 5 вспомогательные резисторы, причем коллектор входного транзистора 1 связан со входом 6 токового зеркала, а коллектор выходного транзистора 2 соединен с выходом 7 токового зеркала. В схему введены первый 8 и второй 9 повторители тока, причем вход 10 первого повторителя тока 8 соединен с объединенными базами входного 1 и выходного 2 транзисторов, общий вход 11 первого повторителя тока 8 соединен со входом 6 токового зеркала, выход 12 первого повторителя тока 8 соединен со входом 13 второго повторителя тока 9, общий вход 14 которого соединен с эмиттером входного транзистора 1, а выход 15 связан с цепью смещения статического потенциала 16.
Представленные на фиг.3 и 4 частные случаи выполнения первого 8 и второго 10 повторителей тока включают соответственно p-n переход 17 и транзистор 18, а также транзистор 19 и p-n переход 20.
Рассмотрим работу заявляемого устройства фиг.2.
В статическом режиме при идентичных сопротивлениях вспомогательных резисторов 4 и 5 (R4=R5) в схеме фиг.2 устанавливаются следующие токи:
IВХ=I11+IК1,
При этом I11=4Iб,
IК1=IВХ-4Iб,
I10=I12=2Iб=I13,
где: Iб – ток базы;
Iк – ток коллектора;
Iэ – ток эмиттера транзисторов 1 и 2;
In – ток n-го двухполюсника.
Так как во втором повторителе тока 9 токи I15 и I13 равны и суммируются друг с другом, то
I14=4Iб.
Учитывая, что при равенстве сопротивлений резисторов 4 и 5 IR4=IЭ1+I14, IЭ1=IВХ-3Iб, IЭ1=Iб1+IK1, находим
IR4=IВХ-3Iб=(IВХ-3Iб)+4IБ=IВХ+Iб,
IR5=IЭ2=IВХ+Iб
IR4=IR5
Таким образом, при равенстве сопротивлений R4=R5 напряжения на двухполюсниках R4, R5 одинаковы (UR4=UR5), а выходной ток заявляемого устройства равен входному:
Iвых=Iвх.
В известном токовом зеркале (фиг.1) погрешность передачи тока зависит от усиления по току базы транзистора 2 ( 2):

Если 2=10, то I/Iвх=-0,2.
Таким образом, заявляемое устройство выполняет функции токового зеркала и может применяться в аналоговых устройствах по данному функциональному назначению. При этом единичный коэффициент передачи по току обеспечивается в широком диапазоне изменения Iвх (два-три порядка).
Полученные выше выводы подтверждаются результатами моделирования предлагаемой схемы в среде PSpice.
БИБЛИОГРАФИЧЕСКИЙ СПИСОК
1. Патент РФ №1.329.639
2. Патент США №3.681.623
3. Патент США №3.813.607
4. Патент США №3.835.410
5. Патент США №4.008.441, H03f 3/16
6. Патент США №4.013.973
7. Патент США №4.030.044 (фиг.3)
8. Патент США №4.057.763
9. Патент США №4.095.189
10. Патент США №4.117.417
11. Патент США №4.241.315
12. Патент США №4.345.213
13. Патент США №4.412.186, H03f 3/04
14. Патент США №4.462.005, H03f 3/04
15. Патент США №4.471.236
16. Патент США №4.473.794
17. Патент США №4.567.444
18. Патент США №4.591.804, H03f 3/04
19. Патент США №4.769.619
20. Патент США №4.855.686
21. Патент США №4.879.524, H03f 3/26
22. Патент США №4.897.614
23. Патент США №4.937.515, G05f 3/26
24. Патент США №4.990.864
25. Патент США №5.053.718
26. Патент США №5.079.518, Н03К 3/16
27. Патент США №5.164.658
28. Патент США №5.357.188, G05f 3/26
29. Патент США №5.373.253
30. Патент США №5.394.079, G05f 3/16
31. Патент США №5.399.991
32. Патент США №5.512.815, G05f 3/16
33. Патент США №5.572.114
34. Патент США №5.633.612
35 Патент США №5.721.512
36. Патент США №5.933.055
37. Патент США №5.969.574
38. Патент США №5.986.507
39. Патент США №6.016.050
40. Патент США №6.570.438
41. Патент США №6.573.795
42. Патент США №6.586.918
43. Патент США №6.606.001
44. Патент США №6.291.977
45. Патент США №6.300.803
46. Патент США №6.528.981
47. Патент США №6.630.818
48. Патент США №6.633.198
49. Патент США №6.639.452
50. Патент США №6.657.481
51. Патент США №6.677.807
52. Патент США №6.680.605
53. Патент США №6.816.014
54. Патент РФ RU 2193273
55. Патентная заявка США 2004/081688
56. Патентная заявка США 2003/0030492
Формула изобретения
Токовое зеркало, содержащее входной (1) и выходной (2) транзисторы, базы которых объединены, а эмиттеры подключены к шине (3) первого источника питания через первый (4) и второй (5) вспомогательные резисторы, причем коллектор входного транзистора (1) связан со входом (6) токового зеркала, а коллектор выходного транзистора (2) соединен с выходом (7) токового зеркала, отличающееся тем, что в схему введены первый (8) и второй (9) повторители тока, причем вход (10) первого повторителя тока (8) соединен с объединенными базами входного (1) и выходного (2) транзисторов, общий вход (11) первого повторителя тока (8) соединен со входом (6) токового зеркала, выход (12) первого повторителя тока (8) соединен со входом (13) второго повторителя тока (9), общий вход (14) которого соединен с эмиттером входного транзистора (1), а выход (15) связан с цепью смещения статического потенциала (16).
РИСУНКИ
|