Использование: в области радиотехники и связи. Технический результат заключается в расширении диапазона изменения выходного напряжения. Дифференциальный усилитель содержит входной параллельно-балансный каскад 1, первый 2 и второй 3 токовые выходы которого связаны с соответствующими первым 4 и вторым 5 двухполюсниками нагрузки и базами первого 6 и второго 7 выходных транзисторов, выходной транзистор стабилизатора тока 8, коллектор которого соединен с общей эмиттерной цепью 9 входного параллельно-балансного каскада 1, а база связана с первым выводом вспомогательного прямосмещенного р-n перехода 10, первый 11 и второй 12 резисторы обратной связи, имеющие общий узел 13, подключенные к эмиттерам соответствующих первого 6 и второго 7 выходных транзисторов и первому 14 и второму 15 противофазным выходам двухтактного дифференциального усилителя, первый 16 и второй 17 эмиттерные резисторы, а также первый 18 и второй 19 дополнительные двухполюсники, включенные последовательно между эмиттерами первого 6 и второго 7 выходных транзисторов и имеющие общий узел 20, соединенный с базой выходного транзистора стабилизатора тока 8, общий узел 13 первого 11 и второго 12 резисторов обратной связи соединен со вторым выводом вспомогательного прямосмещенного р-n перехода 10 и через второй 17 эмиттерный резистор связан с шиной источника питания 21, а эмиттер выходного транзистора стабилизатора тока 8 соединен с шиной источника питания 21 через первый эмиттерный резистор 16. 4 з.п. ф-лы, 7 ил.
Изобретение относится к области радиотехники и связи и может быть использовано в качестве устройства усиления аналоговых сигналов, в структуре аналоговых микросхем различного функционального назначения (например, операционных усилителях (ОУ), компараторах).
Известны схемы классических дифференциальных усилителей (ДУ) [1-14] с отрицательной обратной связью по синфазному сигналу, которые стали основой многих серийных аналоговых микросхем первого и второго поколения.
В последние годы ДУ данного класса стали снова активно применяться в структуре СВЧ-устройств [1, 2, 3], реализованных на базе новейших SiGe-технологий. Это связано с возможностью построения на их основе активных RC-фильтров гигагерцового диапазона для современных и перспективных систем связи. В значительной степени этому способствует простота установления статического режима ДУ при низковольтном питании (1,2÷2,1) В, которое характерно для SiGe-транзисторов с предельными частотами 20÷60 ГГц.
Ближайшим прототипом (фиг.1) заявляемого устройства является дифференциальный усилитель, описанный в статье [2], содержащий входной параллельно-балансный каскад 1, первый 2 и второй 3 токовые выходы которого связаны с соответствующими первым 4 и вторым 5 двухполюсниками нагрузки и базами первого 6 и второго 7 выходных транзисторов, выходной транзистор стабилизатора тока 8, коллектор которого соединен с общей эмиттерной цепью 9 входного параллельно-балансного каскада 1, а база связана с первым выводом вспомогательного прямосмещенного р-n перехода 10, первый 11 и второй 12 резисторы обратной связи, имеющие общий узел 13, подключенные к эмиттерам соответствующих первого 6 и второго 7 выходных транзисторов и первому 14 и второму 15 противофазным выходам двухтактного дифференциального усилителя.
Существенный недостаток известного ДУ состоит в том, что при низковольтном питании он имеет небольшой диапазон изменения выходного напряжения.
Основная цель предлагаемого изобретения состоит в расширении диапазона изменения выходного напряжения ДУ при низковольтном питании.
Поставленная цель достигается тем, что в дифференциальном усилителе фиг.1, содержащем входной параллельно-балансный каскад 1, первый 2 и второй 3 токовые выходы которого связаны с соответствующими первым 4 и вторым 5 двухполюсниками нагрузки и базами первого 6 и второго 7 выходных транзисторов, выходной транзистор стабилизатора тока 8, коллектор которого соединен с общей эмиттерной цепью 9 входного параллельно-балансного каскада 1, а база связана с первым выводом вспомогательного прямосмещенного р-n перехода 10, первый 11 и второй 12 резисторы обратной связи, имеющие общий узел 13, подключенные к эмиттерам соответствующих первого 6 и второго 7 выходных транзисторов и первому 14 и второму 15 противофазным выходам двухтактного дифференциального усилителя, предусмотрены новые элементы и связи – в схему введены первый 16 и второй 17 эмиттерные резисторы, а также первый 18 и второй 19 дополнительные двухполюсники, включенные последовательно между эмиттерами первого 6 и второго 7 выходных транзисторов и имеющие общий узел 20, соединенный с базой выходного транзистора стабилизатора тока 8, причем общий узел 13 первого 11 и второго 12 резисторов обратной связи соединен со вторым выводом вспомогательного прямосмещенного р-n перехода 10 и через второй 17 эмиттерный резистор связан с шиной источника питания 21, а эмиттер выходного транзистора стабилизатора тока 8 соединен с шиной источника питания 21 через первый эмиттерный резистор 16.
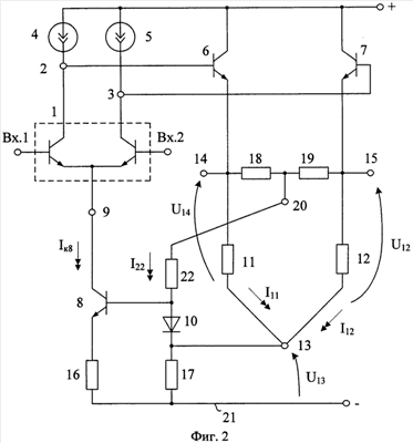
Схема заявляемого устройства, соответствующего п.1, п.2, п.3 формулы изобретения, показана на чертеже фиг.2.
На чертеже фиг.3 показана схема заявляемого устройства в соответствии с п.3 и п.5 формулы изобретения.
На чертеже фиг.4 показана схема ДУ-прототипа в среде компьютерного моделирования PSpice на моделях интегральных транзисторов ФГУП НПП «Пульсар», а на чертеже фиг.5 – зависимость его выходного (дифференциального) напряжения от входного напряжения.
На чертеже фиг.6 показана схема заявляемого устройства в среде компьютерного моделирования PSpice на моделях интегральных транзисторов ФГУП НПП «Пульсар», а на чертеже фиг.7 – зависимость его выходного (дифференциального) напряжения от входного напряжения. Сравнение чертежей фиг.5 и фиг.7 показывает, что заявляемый ДУ имеет на 0,6-0,7 В лучшую максимальную амплитуду выходного напряжения.
Дифференциальный усилитель фиг.2 содержит входной параллельно-балансный каскад 1, первый 2 и второй 3 токовые выходы которого связаны с соответствующими первым 4 и вторым 5 двухполюсниками нагрузки и базами первого 6 и второго 7 выходных транзисторов, выходной транзистор стабилизатора тока 8, коллектор которого соединен с общей эмиттерной цепью 9 входного параллельно-балансного каскада 1, а база связана с первым выводом вспомогательного прямосмещенного р-n перехода 10, первый 11 и второй 12 резисторы обратной связи, имеющие общий узел 13, подключенные к эмиттерам соответствующих первого 6 и второго 7 выходных транзисторов и первому 14 и второму 15 противофазным выходам двухтактного дифференциального усилителя. В схему введены первый 16 и второй 17 эмиттерные резисторы, а также первый 18 и второй 19 дополнительные двухполюсники, включенные последовательно между эмиттерами первого 6 и второго 7 выходных транзисторов и имеющие общий узел 20, соединенный с базой выходного транзистора стабилизатора тока 8, причем общий узел 13 первого 11 и второго 12 резисторов обратной связи соединен со вторым выводом вспомогательного прямосмещенного р-n перехода 10 и через второй 17 эмиттерный резистор связан с шиной источника питания 21, а эмиттер выходного транзистора стабилизатора тока 8 соединен с шиной источника питания 21 через первый эмиттерный резистор 16.
В дифференциальном усилителе, соответствующем п.2 формулы изобретения (фиг.2), общий узел 20 первого 18 и второго 19 дополнительных двухполюсников соединен с базой выходного транзистора стабилизатора тока 8 через согласующий двухполюсник 22.
В дифференциальном усилителе, соответствующем п.3 формулы изобретения (фиг.2), в качестве согласующего двухполюсника 22 используется резистор.
В дифференциальном усилителе, соответствующем п.4 формулы изобретения, в качестве согласующего двухполюсника 22 используется р-n переход.
В дифференциальном усилителе, соответствующем п.5 формулы изобретения (фиг.3), в качестве первого 18 и второго 19 дополнительных двухполюсников используются прямо смещенные р-n переходы, а их общий узел 20 связан со вспомогательным источником опорного тока 23.
Рассмотрим работу ДУ фиг.2.
Статический режим по току предлагаемого ДУ устанавливается двухполюсниками 4 и 5, а также сравнительно низкоомными резисторами 16 и 17:

Сравнительно высокоомные резисторы 18, 19, 22 обеспечивают небольшой ток цепи смещения базы транзистора 8. При этом для увеличения диапазона изменения выходного напряжения усилителя рекомендуется выбирать U13=100÷200 мВ.
В схеме фиг.2 существенные нелинейные искажения сигнала не возникают, если статическое напряжение коллектор – база транзисторов 6 и 7 больше или равно статическим напряжениям на резисторах 11 и 12. Это позволяет составить следующую систему уравнений для потенциальных координат

Учитывая, что должно быть Uкб.6=U11 из (2) находим оптимальное значение напряжения U11:

Если U13=100 мВ, E1=Е2=1,5 В, то UR1
1,1 В.
Таким образом, в предлагаемой схеме максимальная амплитуда дифференциального выходного сигнала составляет Um=2,2 B при 3 В питании.
В схеме усилителя-прототипа Um=1,6 В.
Если напряжение Е1=Е2=1,2 В, то выигрыш по Umax также составляет
Um=1,6-1B=0,6B.
Таким образом, заявляемый усилитель обеспечивает на 0,6 В большую амплитуду выходного напряжения. Это весьма существенно для низковольтных аналоговых микросхем.
Библиографический список
2. S.P.Voinigescu, et al., “Design Methodology and Applications of SiGe BiCMOS Cascode Opamps with up to 37-GHz Unity Gain Bandwidth,” IEEE CSICS, Techn. Digest, pp.283-286, Nov.2005, фиг.2.
3. S.P.Voinigescu, et al., “SiGe BiCMOS for Analog, High-Speed Digital and Millimetre-Wave Applications Beyond 50 GHz,” IEEE BCTM, pp.1-8, Oct.2006.
4. Патент США №4.274.394, фиг.2.
5. Патент США №3.619.797.
6. Патент США №3.622.902.
7. Патент США №3.440.554.
8. А.св. СССР №299013.
9. Патент Англии №1.175.329, Н3Т.
10. Патент США №3.304.512.
11. Патент США №4.371.93.
12. А.св. СССР №421105.
13. А.св. СССР №764100.
14. А.св. СССР №669471.
1. Дифференциальный усилитель с парафазным выходом, содержащий входной параллельно-балансный каскад (1), первый (2) и второй (3) токовые выходы которого связаны с соответствующими первым (4) и вторым (5) двухполюсниками нагрузки и базами первого (6) и второго (7) выходных транзисторов, выходной транзистор стабилизатора тока (8), коллектор которого соединен с общей эмиттерной цепью (9) входного параллельно-балансного каскада (1), а база связана с первым выводом вспомогательного прямосмещенного р-n перехода (10), первый (11) и второй (12) резисторы обратной связи, имеющие общий узел (13), подключенные к эмиттерам соответствующих первого (6) и второго (7) выходных транзисторов и первому (14) и второму (15) противофазным выходам двухтактного дифференциального усилителя, отличающийся тем, что в схему введены первый (16) и второй (17) эмиттерные резисторы, а также первый (18) и второй (19) дополнительные двухполюсники, включенные последовательно между эмиттерами первого (6) и второго (7) выходных транзисторов и имеющие общий узел (20), соединенный с базой выходного транзистора стабилизатора тока (8), причем общий узел (13) первого (11) и второго (12) резисторов обратной связи соединен со вторым выводом вспомогательного прямосмещенного р-n перехода (10) и через второй (17) эмиттерный резистор связан с шиной источника питания (21), а эмиттер выходного транзистора стабилизатора тока (8) соединен с шиной источника питания (21) через первый эмиттерный резистор (16).
2. Устройство по п.1, отличающееся тем, что общий узел (20) первого (18) и второго (19) дополнительных двухполюсников соединен с базой выходного транзистора стабилизатора тока (8) через согласующий двухполюсник (22).
3. Устройство по п.2, отличающееся тем, что в качестве согласующего двухполюсника (22) используется резистор.
4. Устройство по п.2, отличающееся тем, что в качестве согласующего двухполюсника (22) используется р-n переход.
5. Устройство по п.1, отличающееся тем, что в качестве первого (18) и второго (19) дополнительных двухполюсников используются прямо смещенные р-n переходы, а их общий узел (20) связан со вспомогательным источником опорного тока (3).