|
|
(21), (22) Заявка: 2008103415/09, 29.01.2008
(24) Дата начала отсчета срока действия патента:
29.01.2008
(46) Опубликовано: 10.02.2009
(56) Список документов, цитированных в отчете о поиске:
RU 2196729 C1, 20.01.2003. SU 1370072 A1, 30.01.1988. US 4051045 A, 27.09.1977.
Адрес для переписки:
450000, Республика Башкорстостан, г.Уфа, ул. К. Маркса, 12, УГАТУ, ОИС, В.П. Ефремовой
|
(72) Автор(ы):
Рогинская Любовь Эммануиловна (RU), Сосновский Денис Александрович (RU), Стыскин Андрей Вячеславович (RU)
(73) Патентообладатель(и):
Государственное образовательное учреждение высшего профессионального образования Уфимский государственный авиационный технический университет (RU)
|
(54) ПАРАРЕЗОНАНСНЫЙ СПОСОБ СТАБИЛИЗАЦИИ НАПРЯЖЕНИЯ И ЗАЩИТЫ РАЗРЯДНО-ИМПУЛЬСНОЙ УСТАНОВКИ И УСТРОЙСТВО ДЛЯ ЕГО РЕАЛИЗАЦИИ
(57) Реферат:
Использование: изобретение относится к электротехнике и может быть использовано при проектировании источников питания разрядно-импульсных электротехнологических установок. Технический результат: повышение качества и производительности электротехнологического процесса за счет стабилизации питающего напряжения при постоянной частоте, и повышение надежности разрядно-импульсной установки за счет защиты от перегрузок и короткого замыкания. Сущность изобретения: стабилизация напряжения при постоянной частоте в нелинейном резонансном контуре, выполненном во вторичной цепи параметрического трансформатора, при этом добротность контура QH= 0CR>2/m, где 0=1/(L20C) – частота резонансного контура; L20, – среднее значение индуктивности выходной обмотки паратранса; R – сопротивление разрядной камеры; m=0..1 – коэффициент глубины модуляции индуктивности паратранса. Устройство стабилизации напряжения и защиты разрядно-импульсной установки, содержащее выпрямитель, фильтр, инвертор напряжения, трансформатор и разрядную камеру, инвертор напряжения выполнен резонансным со встречно включенными диодами, трансформатор выполнен параметрическим из двух ортогональных магнитопроводов, соединенных в стык, при этом 2-6% витков первичной обмотки намотаны вокруг стыка и обхватывают оба магнитопровода. 2 н.п. ф-лы, 5 ил.
Изобретение относится к электротехнике и может быть использовано при проектировании источников питания разрядно-импульсных электротехнологических установок.
Известен способ электропитания установок по производству озона, основанный на резонансном режиме работы генератора, обеспечение которого осуществляется датчиком резонансной частоты и стабилитроном, включенным параллельно конденсатору времязадающей цепи RC, а переключающий элемент выполнен в виде тиристора, управляющий электрод которого соединен с выходом датчика резонансной частоты, включенного последовательно с генератором озона (авторское свидетельство СССР №1370072, С01В 13/11, B05D 27/00, 20.01.88).
Недостаток аналога – необходимость в использовании дополнительных стабилизирующих элементов, непосредственно не участвующих в преобразовании электроэнергии в энергию химической реакции генерирования озона.
Известно устройство электропитания установок по производству озона, основанное на резонансном преобразователе частоты, содержащим трехфазный выпрямительный мост на тиристорах, подключенный к входным выводам преобразователя через трансформатор, диод, дроссель фильтра, однофазный инверторный мост на тиристорах с коммутирующим конденсатором в диагонали переменного тока, катодная группа которого соединена с отрицательным выходным выводом трехфазного выпрямительного моста, а анодная группа подключена к первому выводу дросселя фильтра, второй трансформатор, первичная обмотка которого подключена параллельно коммутирующему конденсатору, выводы вторичной обмотки – к выходным выводам преобразователя (патент РФ №2152682, Н02М 5/45, 10.07.2000).
Недостаток аналога – зависимость производительности устройства от колебаний питающей сети.
Наиболее близким по технической сущности и достигаемому результату к заявленному является парарезонансный способ стабилизации напряжения и тока, реализуемый в источнике питания озонатора, выполненного в виде генератора переменного напряжения с внутренним индуктивным сопротивлением (патент РФ №2196729, С01В 13/11, 21.03.2000).
Наиболее близким по технической сущности и достигаемому результату к заявленному является устройство стабилизации напряжения и тока на озонаторе, содержащее разрядную камеру и источник питания. Источник питания состоит из соединенных выпрямителя, инвертора и трансформатора (патент РФ №2196729, С01В 13/11, 21.03.2000).
Его недостатки: непостоянство производительности озонатора, так как стабилизация напряжения связана с изменением частоты тока пропорционально действующему значению напряжения на индуктивном сопротивлении. Это приводит к изменению производительности, которая зависит не только от напряжения, но и от частоты тока. В устройстве также не предусмотрена защита от перегрузок и короткого замыкания.
Задача изобретения – повышение качества и производительности электротехнологического процесса за счет стабилизации питающего напряжения при постоянной частоте, и повышение надежности разрядно-импульсной установки за счет защиты от перегрузок и короткого замыкания.
Поставленная задача достигается в парарезонансном способе стабилизации напряжения разрядно-импульсной установки, воплощенном в генераторе переменного напряжения с внутренним индуктивным сопротивлением, в котором в отличии от прототипа, стабилизацию напряжения осуществляют при постоянной частоте в нелинейном резонансном контуре, выполненном во вторичной цепи параметрического трансформатора (паратранса), при этом добротность контура
QH= 0CR>2/m,
где 0=1/(L20C) – частота резонансного контура;
L20 – среднее значение индуктивности выходной обмотки паратранса;
R – сопротивление разрядной камеры;
m=0..1 – коэффициент глубины модуляции индуктивности паратранса.
Поставленная задача достигается в устройстве стабилизации напряжения и защиты разрядно-импульсной установки, содержащем выпрямитель, фильтр, инвертор напряжения, трансформатор и разрядную камеру, в котором в отличии от прототипа, инвертор напряжения выполнен резонансным со встречно включенными диодами, трансформатор выполнен параметрическим из двух ортогональных магнитопроводов, соединенных в стык, при этом 2-6% витков первичной обмотки намотаны вокруг стыка и обхватывают оба магнитопровода.
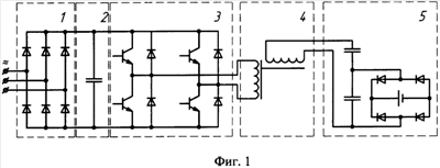
Сущность изобретения поясняется чертежами. На фиг.1 представлена структурная электрическая схема системы источник питания – озонатор. На фиг.2 представлен параметрический трансформатор. На фиг.3 представлены динамические характеристики. На фиг.4 представлены временные диаграммы индуктивности, тока, напряжения и мощности входной цепи паратранса. На фиг.5 представлена временная диаграмма выходного напряжения при коротком замыкании.
Устройство, реализующее парарезонансный способ стабилизации напряжения и защиты разрядно-импульсной установки (фиг.1), состоит из последовательно соединенных выпрямителя 1, фильтра 2, резонансного инвертора напряжения со встречно включенными диодами 3, согласующего параметрического трансформатора 4 и разрядной камеры 5. Выпрямитель 1, фильтр 2 и инвертор 3 вместе составляют преобразователь частоты. Параметрический трансформатор выполнен из двух ортогональных магнитопроводов, представляющих собой кольца с квадратным сечением. В одном из колец выполнен разрыв, на место которого устанавливается в стык второе кольцо (фиг.2). Для удобства намотки на кольцо с разрывом уложена высоковольтная обмотка, которая через конденсатор подключена к разрядной камере 5. В тех случаях, когда электротехнологическая нагрузка имеет емкостный характер (например, озонатор), дополнительный конденсатор не устанавливается. На второе кольцо намотана первичная обмотка, при этом 2-6% ее витков выполнены вокруг стыка и обхватывают оба магнитопровода. Таким образом, кроме параметрической связи введено 2-6% потоковой, улучшающей стабилизирующие свойства паратранса.
В ряде случаев для электротехнологической установки требуется питание постоянным напряжением, тогда между паратрансом с конденсатором и разрядной камерой устанавливается выпрямитель.
Напряжение сети подается на преобразователь, с выхода которого на согласующий паратранс 4 поступает переменное напряжение повышенной частоты. Под действием переменного тока в первичной обмотке паратранса, в его вторичной обмотке возникают и усиливаются резонансные колебания. Далее, когда амплитуда колебаний достигнет величины, необходимой для инициализации разряда, запускается технологический процесс. Далее происходит совместный выход в номинальный режим, соответствующий верхнему горизонтальному участку динамической характеристики (фиг.3). Напряжение разрядной камеры стабилизируется. Как видно из фиг.3, даже значительные изменения входного напряжения мало влияют на напряжение разрядной камеры. Защита от перегрузок и короткого замыкания работает следующим образом. В данных аварийных режимах значительно увеличивается потребляемый ток и мощность. Так как мощность, выдаваемая паратрансом, ограничена, то ток сверх того будет потребляться от конденсатора. Это приведет его к быстрому разряду и падению напряжения. Далее, как следствие – резкое снижение мощности, передаваемой паратрансом, и падение тока. Таким образом, устраняется аварийный режим.
Пример конкретной реализации способа
Пример реализации способа на основе источника питания озонатора (фиг.1). Напряжение сети поступает на выпрямитель 1, с выхода которого через фильтр 2 на инвертор 3 подается постоянное напряжение 500 В. После инвертора на согласующий паратранс 4 подается переменное напряжение повышенной частоты 1000 Гц. Под действием переменного тока в первичной обмотке паратранса, в его вторичной обмотке возникают и усиливаются резонансные колебания. В начале, когда напряжение колебаний мало и недостаточно для образования разряда в технологической установке, усиление происходит в режиме холостого хода, то есть при сопротивлении нагрузки RH . Даная особенность разрядно-импульсных процессов способствует быстрому вхождению источника питания в рабочий режим. Далее, когда амплитуда колебаний напряжения в разрядной камере достигнет величины, необходимой для возникновения разряда, равной 3,5 кВ, запускается технологический процесс, дальнейшее усиление колебаний до значения 10 кВ, ограничиваемого верхним изгибом кривой намагничивания в области насыщения, будет происходить под нагрузкой. При достижении амплитуды колебания напряжения максимального значения 10 кВ процесс стабилизируется.
Условия усиления колебаний и принцип работы паратранса заключаются в следующем. Для ЭДС, возбуждаемой в электромагнитной системе, возможны два механизма передачи энергии: через потоковую и через параметрическую связь. Возбуждение колебаний в паратрансе обязано чисто параметрическому механизму. Для передачи энергии от источника накачки (напряжение питания) в нагрузку за счет параметрической связи необходимо наличие в выходном контуре тока.

Ток в виде тепловых шумов практически всегда присутствует в выходном колебательном контуре. Для усиления колебаний необходимо выполнение некоторых условий, вытекающих из уравнения выходной цепи паратранса. Усиление колебаний осуществляется за счет энергии, «выталкиваемой» из изменяющейся под воздействием входного тока i1 индуктивности L2 выходной обмотки. В результате условия сводятся к выполнению соотношений, с одной стороны, между частотой питающего напряжения и резонансной частотой выходного контура, с другой – между потерями в контуре и глубиной изменения индуктивности, а также ее скоростью. При возбуждении колебаний, когда ток в выходной обмотке i2 мал, индуктивность L2 почти линейно зависит от i1 и изменяется с удвоенной частотой питающего напряжения 2 . Закон изменения L2(t) можно записать в виде

где L20 – среднее значение индуктивности выходной обмотки;
m – коэффициент глубины модуляции индуктивности;
– частота тока в входной обмотке.
Уравнение возбуждение колебаний имеет следующий вид
,
где Ф2 – поток выходной обмотки;
С – емкость, подключенная параллельно к вторичной обмотке паратранса;
RH – активное сопротивление (нагрузка) установки.
Таким образом, условия возбуждения колебаний в энергетически наиболее эффективном режиме имеют вид
m>2/QH; 0= ,
где QH= 0CR – добротность нагруженного колебательного контура;
0=1/(L20C) – частота резонансного контура.
В режиме установившихся колебаний выходная индуктивность изменяется не только под действием входного тока, но и выходного, при этом уравнение установившихся колебаний становится существенно нелинейным и может быть решено только численно (Задерей Г.П. Многофункциональные трансформаторы в средствах вторичного электропитания. / Г.П.Задерей, П.Н.Заика. – М.: Радио и связь, 1989. – 176 с.). В связи с этим для исследования электромагнитных процессов была составлена имитационная математическая модель. Полученные на ее основе диаграммы представлены на фиг.4 и 5.
Стабилизирующие свойства паратранса обеспечиваются введением дополнительно к параметрической еще некоторой доли потоковой связи выхода с входом. На фиг.2 показан общий вид динамических характеристик, обусловленных потоковой 1, параметрической 2 и смешанной 3 связями выхода с входом. Таким образом, изменение входного напряжения в широких пределах будет оказывать малое влияние на выходное напряжение паратранса, что обеспечивает стабильное питание разрядно-импульсной установки. Введение потоковой связи на практике осуществляется созданием асимметрии в конструкции паратранса, которая вынуждает часть потока входной обмотки пересекать плоскость витков выходной.
Защита от перегрузок и короткого замыкания в паратрансе обусловлена необходимостью соблюдения условий существовании режима установившихся колебаний. Это означает, что мощность, потребляемая в нагрузке и расходуемая на потери, должна компенсироваться мощностью, поступающей от источника питания за счет изменения параметра выходного колебательного контура – индуктивности L2. Поскольку глубина изменения L2 ограничена областью насыщения кривой намагничивания, то ограничена и энергия, поступающая на данной частоте от источника питания в контур. В результате, когда суммарная мощность потерь в нагрузке начинает превышать мощность, поступающую за счет изменения L2, нарушается условие существования колебаний, и они срываются, фиг.5.
Таким образом, заявленное изобретение позволяет повысить качество и производительность электротехнологического процесса за счет стабилизации питающего напряжения при постоянной частоте, и повысить надежность разрядно-импульсной установки за счет защиты от перегрузок и короткого замыкания.
Формула изобретения
1. Парарезонансный способ стабилизации напряжения разрядно-импульсной установки, воплощенный в генераторе переменного напряжения с внутренним индуктивным сопротивлением, отличающийся тем, что стабилизацию напряжения осуществляют при постоянной частоте в нелинейном резонансном контуре, выполненном во вторичной цепи параметрического трансформатора, при этом добротность контура
QH= 0CR>2/m,
где 0=1/(L20C) – частота резонансного контура;
L20, – среднее значение индуктивности выходной обмотки параметрического трансформатора;
R – сопротивление разрядной камеры,
m=0..1 – коэффициент глубины модуляции индуктивности параметрического трансформатора.
2. Устройство стабилизации напряжения и защиты разрядно-импульсной установки, содержащее выпрямитель, фильтр, инвертор напряжения, трансформатор и разрядную камеру, отличающееся тем, что инвертор напряжения выполнен резонансным со встречно включенными диодами, трансформатор выполнен параметрическим из двух ортогональных магнитопроводов, соединенных в стык, при этом 2-6% витков первичной обмотки намотаны вокруг стыка и обхватывают оба магнитопровода.
РИСУНКИ
|
|