|
|
(21), (22) Заявка: 2007144597/09, 04.12.2007
(24) Дата начала отсчета срока действия патента:
04.12.2007
(46) Опубликовано: 10.02.2009
(56) Список документов, цитированных в отчете о поиске:
RU 53513 U1, 10.05.2006. RU 2242833 C1, 20.12.2004. SU 720619 A1, 05.03.1980. US 5874788 A, 23.02.1999.
Адрес для переписки:
109074, Москва, Китайгородский пр-д, 9/5, Военная академия Ракетных войск стратегического назначения имени Петра Великого
|
(72) Автор(ы):
Гуров Алексей Алексеевич (RU), Буланов Роберт Николаевич (RU), Мишутинский Владимир Евлампиевич (RU)
(73) Патентообладатель(и):
Государственное образовательное учреждение высшего профессионального образования Военная академия Ракетных войск стратегического назначения имени Петра Великого (RU)
|
(54) УСТРОЙСТВО БЕСПЕРЕБОЙНОГО ПИТАНИЯ КОМПЬЮТЕРОВ ИЛИ КОМПЬЮТЕРНЫХ СИСТЕМ
(57) Реферат:
Устройство относится к области электротехники и может быть использовано для питания компьютеров и систем на их основе. Технический результат заключается в обеспечении надежного и качественного электропитания компьютерных объектов с защитой от утечки информации. Устройство содержит статический преобразователь, подключенный к электросети и состоящий из выпрямителя, инвертора, для подачи переменного напряжения потребителям, не нуждающимся в гальванической развязке, и накопителя энергии постоянного тока, переменное напряжение также подается на электромашинный преобразователь, состоящий из асинхронного двигателя, соединенного общим валом с возбудителем и генератором, обмотки которых расположены на совмещенном статоре, и автоматического регулятора напряжения, который через дополнительную обмотку возбудителя изменяет ток возбуждения генератора в соответствии с законом изменения тока потребителя. 1 ил.
Изобретение относится к области электротехники и может быть использовано для питания переменным напряжением компьютеров и систем на их основе, особенностью которых является необходимость защиты от утечки конфиденциальной информации.
В настоящее время существуют несколько типов устройств бесперебойного электропитания компьютеров и систем на их основе. По первому типу питание компьютеров или компьютерных систем осуществляется в нормальном режиме от сети напряжением переменного тока непосредственно или путем преобразования его вначале в напряжение постоянного тока с последующим преобразованием в напряжение переменного тока. При временном отключении напряжения сети в нормальном режиме бесперебойное электропитание осуществляют от аккумуляторов, преобразуя посредством инвертора напряжение постоянного тока в напряжение переменного тока. Преобразование переменного тока сети в постоянное, а затем постоянного в переменное для питания компьютеров и компьютерных систем, не обеспечивает защиты от утечки конфиденциальной информации компьютера и компьютерных систем, передача которой возможна по гальванической связи участков цепей переменного и постоянного тока.
Этот способ реализуется в системах бесперебойного питания типа of-fline или on-line соответственно, выпускаемых фирмами АРС, Best, Power, Emerson Electric и др. [1, 2].
Второй тип технических устройств [4] обеспечения компьютеров и компьютерных систем бесперебойным питанием осуществляет питание напряжением постоянного тока, причем в нормальном режиме – сразу после преобразования сетевого напряжения переменного тока в напряжение постоянного тока, а при отклонениях сетевого напряжения от нормального режима – непосредственно от накопителя энергии постоянного тока (электролитические конденсаторы, молекулярные накопители, аккумуляторные батареи). Кроме того, перед подачей электропитания на компьютеры его конвертируют и стабилизируют для компенсации нестабильности внешней сети. Осуществление электропитания в этом устройстве исключает двойное преобразование электроэнергии, улучшает качество подаваемого напряжения, исключает инвертор, но возможна подача на выпрямитель переменного тока искаженной синусоидальной формы от сети, что требует применения сложной схемы выпрямления, а также отсутствует защита от утечки конфиденциальной информации компьютера и компьютерных систем из-за их гальванической связи с сетью.
Технические устройства [7] обеспечивают компьютеры и компьютерные системы бесперебойным питанием напряжением постоянного тока, получаемого от агрегата гальванической развязки, питаемого от сети, представляющего собой трехфазную электрическую синхронную машину, объединяющую в одном агрегате электродвигатель и электрогенератор, обмотки которых расположены на совмещенном статоре и возбуждаются обмоткой общего ротора [4]. Передача энергии от электродвигателя к электрогенератору происходит с высоким КПД через единое магнитное поле без электромеханических преобразователей, обеспечивая на выходе трехфазное напряжение неискаженной синусоидальной формы. Цепь питания компьютеров и компьютерных систем электрически развязана этим агрегатом гальванической развязки с сетью, что обеспечивает защиту компьютеров от утечки конфиденциальной информации и защиту их от всех видов возмущений во входной сети при исключении дополнительных устройств улучшения качества электроэнергии.
Однако, это устройство не обеспечивает питание переменным напряжением компьютерных систем – потребителей переменного тока, широко применяемых в народном хозяйстве распределенных в пространстве объектов и требующих гальванической развязки с цепью первичного питания.
Задача данного технического решения создать устройство, обеспечивающее бесперебойное и качественное электропитание переменным током компьютеров и компьютерных систем объектов, распределенных в пространстве, с защитой от утечки конфиденциальной информации.
Устройство содержит статический преобразователь, который подключен к электрической сети и состоит из выпрямителя, инвертора; он обеспечивает подачу переменного напряжения потребителям и на электромашинный преобразователь, содержащий асинхронный двигатель, соединенный единым валом с генератором и возбудителем с введенным в преобразователь устройством автоматического регулирования напряжения, использующего принцип фазового компаундирования.
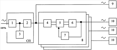
На чертеже приведена блок-схема, заявляемого устройства. Блок-схема содержит первичную цепь питания переменным током, включающую статический преобразователь, состоящий из безтрансформаторного выпрямителя 1, инвертора 2 для подачи переменного напряжения на электромашинный преобразователь 8 и потребители 9, не нуждающиеся в гальванической развязке, химический источник тока (накопителя энергии постоянного тока) 3. В качестве накопителя энергии постоянного тока в зависимости от длительности возможных перерывов могут быть использованы либо аккумуляторные батареи, либо молекулярные накопители. Вторичная цепь питания нагрузки 10 переменным током обеспечивается электромашинным преобразователем, используемым в качестве гальванической развязки 8, конструктивно выполненным в виде единой машины, объединяющей в себе асинхронный двигатель 4, соединенный общим валом с возбудителем 5 и генератором 6, обмотки которых расположены на совмещенном статоре и возбуждаются обмоткой общего ротора, позволяющей на выходе получить напряжение 3-х фазного тока в заданном диапазоне изменений, в соответствии с требованиями ГОСТа для питания потребителей 10 (компьютер или компьютерная система), требующих гальванической развязки.
Заданный диапазон выходного напряжения обеспечивается автоматическим регулятором напряжения (АРН) 7, реализующим принцип фазового компаудирования, через дополнительную обмотку возбудителя 5 генератора 6, связанную с регулятором АРН, изменяющим ток возбуждения генератора 6 в соответствии с законом изменения тока нагрузки потребителя 10. Эта единая машина не содержит щеточно-коллекторный узел, обеспечивает качественное питание потребителей (компьютеров и их систем) и защиту конфиденциальной информации за счет электромагнитной развязки источника питания и потребителей переменного тока без их непосредственного контакта по цепям питания, т.е. без их гальванической связи цепей первичного и вторичного питания.
Устройство в нормальном режиме работает следующим образом: сетевое напряжение выпрямляют неуправляемым выпрямителем 1 в стабильное напряжение постоянного тока, которым непосредственно (без потерь энергии) питают инвертор 2. Последний преобразует напряжение постоянного тока в напряжение переменного тока для непосредственного питания электромашинного преобразователя – агрегата гальванической развязки 8, который, в свою очередь, генерирует переменное напряжение стандартной (неискаженной) синусоидальной формы и питает компьютер или компьютерную систему 10. Поддержание напряжения в заданном диапазоне при изменении нагрузки осуществляется автоматическим регулятором напряжения 7, реализующим принцип фазового компаундирования путем изменения тока возбуждения синхронного генератора пропорционально векторам отклонения выходного напряжения и тока нагрузки.
При отключениях сети или отклонениях сверх нормы сетевого напряжения электропитание потребителей осуществляют без перерывов от накопителя энергии, используемого в статическом преобразователе.
Заявляемый тип построения устройства отличается от прототипа тем, что в нормальном режиме питание распределенных в пространстве компьютеров и компьютерных систем переменным током осуществляют от электромашинного преобразователя, подключенного к статическому преобразователю, питаемого от внешней сети. Заявляемый способ имеет промышленное применение.
Заявителям не известен путь решения поставленной задачи с приведенной совокупностью существенных признаков, что говорит об “изобретательском уровне” технического решения.
Реализация устройства по данной схеме позволяет уменьшить массогабаритные характеристики отдельных устройств бесперебойного питания за счет обеспечения гальванической развязки только части наиболее ответственных потребителей из общего их числа, требующих защиты от несанкционированного доступа к информации, при выполнении требований к надежности устройства бесперебойного питания за счет использования комбинации статического преобразователя электрической энергии и бесщеточных электрических машин небольшой мощности.
Источники информации
1. Мкртчян Ж.А. Основы построения устройств электропитания ЭВМ. Москва: «Радио и связь», 1990
2. Exide Electronics: «Источники бесперебойного питания корпорации Exide Electronics». Проспект фирмы, 1998.
4. Exide Electronics: «Источники бесперебойного питания PC MAGAZINE/RE. Спецвыпуск, январь 1997 г., с.68-97. МИР ИБП. МИР ПК, март 1997 г., с.33-57. Брифинг производителей источников бесперебойного питания. Компьютер. Октябрь 1997 г., с.212-230.
4. Патент R2242833 C1 кл.7 H02J 9/04, опублик. 2004. Бюл. №35.
5. RWE Piller GmbH: PILLER UNIBLOK-R. Dynamic uninterruptible power supply and power conditioning device. Проспект фирмы, 2002.
6. Копылов И.П. Электрические машины. Москва: «Логос», 2000.
7. Патент ПМ 53513 кл. H02J 9/04, опублик. 2006. Бюл. №13
Формула изобретения
Устройство бесперебойного питания компьютеров и компьютерных систем, содержащее статический преобразователь, подключенный к электросети и состоящий из выпрямителя, инвертора, для подачи переменного напряжения потребителям, не нуждающимся в гальванической развязке, и накопителя энергии постоянного тока, переменное напряжение также подается на электромашинный преобразователь, состоящий из асинхронного двигателя, соединенного общим валом с возбудителем и генератором, обмотки которых расположены на совмещенном статоре, и автоматического регулятора напряжения, который через дополнительную обмотку возбудителя изменяет ток возбуждения генератора в соответствии с законом изменения тока потребителя.
РИСУНКИ
|
|