|
|
(21), (22) Заявка: 2007141701/09, 09.11.2007
(24) Дата начала отсчета срока действия патента:
09.11.2007
(46) Опубликовано: 10.02.2009
(56) Список документов, цитированных в отчете о поиске:
SU 1121742 A, 30.10.1984. SU 1224901 A, 15.04.1986. GB 1176750 A, 07.01.1970.
Адрес для переписки:
614990, г.Пермь, ГСП, ул. Куйбышева, 140А, ОАО “СТАР”
|
(72) Автор(ы):
Дудкин Юрий Петрович (RU), Гладких Виктор Александрович (RU), Фомин Геннадий Викторович (RU), Хижняков Юрий Николаевич (RU)
(73) Патентообладатель(и):
ОТКРЫТОЕ АКЦИОНЕРНОЕ ОБЩЕСТВО “СТАР” (RU)
|
(54) УСТРОЙСТВО ДЛЯ РАСПРЕДЕЛЕНИЯ РЕАКТИВНОЙ НАГРУЗКИ МЕЖДУ ПАРАЛЛЕЛЬНО РАБОТАЮЩИМИ ГЕНЕРАТОРАМИ
(57) Реферат:
Изобретение относится к электротехнике и может быть использовано при управлении параллельной работой, например, судовых генераторов переменного тока с квазистатическими внешними характеристиками. Сущность изобретения заключается в том, что дополнительно устройство снабжено общей шиной, размыкающими блок-контактами линейных контакторов, а блок выбора экстремального генератора снабжен двумя резисторами, источником опорного напряжения, вычитателями-усилителями, развязывающими диодами и размыкающими блок-контактами по числу генераторов, формирователями сигналов и разделительными диодами, число которых в два раза превышает число генераторов, причем резисторы соединены через общую шину с отрицательными выходами датчиков реактивной нагрузки, а другие концы резисторов соединены с катодами соответственно первой и второй троек разделительных диодов, аноды которых через формирователи сигналов соединены для первой тройки разделительных диодов с положительными выходами датчиков нагрузки, а для второй тройки разделительных диодов – с выходами вычитателей-усилителей, входы которых шунтированы размыкающими блок-контактами линейных контакторов, причем инверсные входы дополнительно соединены через развязывающие диоды в обратном направлении с положительными выводами выхода датчиков нагрузки, а неинверсные входы соединены между собой и плюсовым выводом источника опорного напряжения, минусовый вывод которого соединен с общей шиной и общими точками вычитателей-усилителей, а выходы формирователей сигналов подключены к входам соответствующих элементов И. Технический результат изобретения – повышение точности выравнивания реактивных токов нагрузки генераторов, повышение надежности его работы и повышение надежности эксплуатации систем электроснабжения. 4 ил.
Изобретение относится к электротехнике и предназначено для автоматического распределения реактивной нагрузки между параллельно работающими генераторами переменного тока.
Известно устройство для ручного регулирования распределения нагрузки между генераторами[1].
Недостатком известного устройства является его низкая точность и эффективность.
Наиболее близким к данному изобретению по технической сущности является устройство для распределения нагрузки между параллельно работающими генераторами [2].
Устройство содержит ключевые элементы по числу генераторов, соединенные с обмотками возбуждения генераторов, нуль-органы тока, входы которых подключены соответственно к одноименным фазам генераторов, и нуль-орган напряжения, соединенный с выводами для подключения к шинам, линейные контакторы генераторов.
Недостатком этого устройства является следующее.
Из-за низкой частоты и большой амплитуды автоколебаний устройство обеспечивает недостаточную точность выравнивания токов нагрузки генераторов.
В устройстве присутствует блок переключений, что снижает надежность его работы.
Устройство не позволяет включать генераторы на параллельную работу в любой последовательности, что снижает надежность эксплуатации систем электроснабжения.
Целью изобретения является повышение точности выравнивания токов нагрузки генераторов, повышение надежности работы устройства и надежности эксплуатации системы электроснабжения в целом.
Поставленная цель достигается тем, что дополнительно устройство снабжено тремя RS-триггерами, четырьмя диодами и блоком формирования очереди с фиксацией первого и последнего мест в ней, который состоит из пяти групп элементов И, двух групп элементов НЕ, двух групп элементов ИЛИ, двух групп элементов ИСКЛЮЧАЮЩЕЕ ИЛИ, при этом каждая группа содержит число элементов, равное числу генераторов, причем выход нуль-органа напряжения через диод соединен с R-входами трех RS-триггеров, выходы трех нуль-органов тока через диоды соответственно подключены к S-входам RS-триггеров, прямые выходы которых соединены с первым, вторым и третьим входами блока формирования очереди с фиксацией первого и последнего мест в ней, первые входы элементов И первой группы которого являются его первыми входами, выходы элементов И второй группы через соответствующие элементы НЕ первой группы соединены со вторыми входами элементов И первой группы, выходы элементов И первой группы соединены со вторыми входами первой группы элементов ИЛИ и с входами соответствующих элементов И третьей группы, выходы которых являются первыми выходами вышеупомянутого блока формирования очереди, фиксирующих первое место в очереди и соединены с соответствующими ключевыми элементами, а также подключены ко входам соответствующих элементов НЕ второй группы и первым входам первой группы элементов ИЛИ, причем выход первого элемента НЕ второй группы соединен с первыми входами второго и третьего элементов И третьей группы, выход второго элемента НЕ второй группы соединен с третьими входами первого и третьего элементов И третьей группы, выход третьего элемента НЕ второй группы соединен с первыми и третьим входами первого и второго элементов И третьей группы, выход первого элемента ИЛИ первой группы подключен к первым входам второго и третьего элементов И второй группы, выход второго элемента ИЛИ первой группы соединен с первым и вторым входами первого и третьего элементов И второй группы, выход третьего элемента ИЛИ первой группы соединен со вторыми входами первого и второго элементов И второй группы, входы элементов ИСКЛЮЧАЮЩЕЕ ИЛИ первой группы соединены, соответственно, с выходами элементов И первой и третьей групп, входы элементов ИСКЛЮЧАЮЩЕЕ ИЛИ второй группы соединены, соответственно, с входами блока и выходами элементов И первой группы, входы трехвходового элемента И соединены через замыкающие блок-контакты линейных контакторов генераторов с выводами для подключения к шине положительного напряжения, а выход ее – с вторыми входами четвертой группы элементов И и через элемент НЕ – со вторыми входами пятой группы элементов И, первые входы четвертой и пятой групп элементов И соединены с выходами, соответственно, второй и первой групп элементов ИСКЛЮЧАЮЩЕЕ ИЛИ, выходы первых, вторых и третьих элементов И четвертой и пятой групп соединены, соответственно с входами первого, второго и третьего элементов ИЛИ второй группы, выходы которых являются вторыми выходами блока формирования очереди фиксирующих последнее место в очереди и соединенных с соответствующими ключевыми элементами.
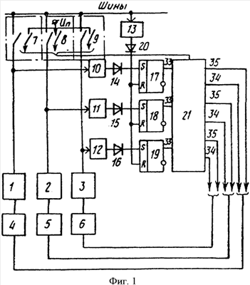
На фиг.1 показана структурная схема устройства; на фиг.2 – функциональная схема блока формирования очереди с фиксацией первого и последнего мест в ней; на фиг.3 – принципиальная схема нуль-органа; на фиг.4 – временные диаграммы работы устройства.
Устройство (фиг.1) содержит генераторы 1, 2, 3 переменного тока с обмотками возбуждения и ключевыми элементами 4, 5, 6 и замыкающими блок-контактами линейных контакторов 7, 8, 9, нуль-органы тока 10, 11, 12 и напряжения 13, входы которых подключены к выходам генераторов 1, 2, 3 и к шине соответственно, а выходы нуль-органов тока 10, 11, 12 через диоды 14, 15, 16 в прямом направлении подключены к S-входам триггеров 17, 18, 19 соответственно, а выход нуль-органа напряжения 13 через диод 20 в прямом направлении соединен с R-входами триггеров 17, 18, 19, блок 21 формирования очереди с фиксацией первого и последнего мест в ней, входы которого соединены с прямыми выходами RS-триггеров 17, 18, 19, выходы блока 21, фиксирующие первые места в очереди, соединены с ключевыми элементами (тиристорными ключами) обмоток возбуждения 4, 5, 6, увеличивающих ток в обмотках, а выходы блока 21, фиксирующие последние места в очереди, соединены соответственно с тиристорными ключами обмоток возбуждения 4, 5, 6, уменьшающих ток в этих обмотках.
Блок 21 формирования очереди с фиксацией первого и последнего мест в ней (фиг.2) содержит первую группу элементов И 22.1-22.3, вторую группу элементов И 23.1-23.3, третью группу – 24.1-24.3, четвертую группу 25.1-25.3 и пятую группу элементов И 26.1-26.3, первую группу элементов НЕ 27.1-27.3, вторую группу элементов НЕ 28.1-28,3, первую группу элементов ИЛИ 29.1-29.3 и вторую группу элементов ИЛИ 30.1-30.3, первую 31.1-31.3 и вторую 32.1-32.3 группы элементов ИСКЛЮЧАПЮЩЕЕ ИЛИ, группу входов 33 и группы выходов 34 и 35 устройства, трехвходовой элемент И 36 и элемент НЕ 37.
Устройство работает следующим образом.
При активно-индуктивной нагрузке параллельно работающих генераторов при условии, что активная нагрузка равномерно распределена, чем больше угол сдвига фазы тока генератора относительно его напряжения, тем больше нагружен данный генератор реактивной нагрузкой и наоборот.
Поэтому согласно предлагаемому изобретению распределение нагрузки осуществляется так: выявляют i-генератор с наименьшим реактивным током, т.е. ток нагрузки которого опережает по фазе токи нагрузки остальных генераторов и увеличивают его возбуждение, а также выявляют j-генератор с наибольшим реактивным током, т.е. ток нагрузки которого отстает по фазе от токов нагрузки генераторов и уменьшают его возбуждение. В результате двустороннего воздействия (управления) в системе параллельно работающих генераторов установятся автоколебания обменной реактивной мощности с двойной частотой по сравнению, если бы выявлялся только генератор с максимальным реактивным током или генератор с минимальным реактивным током.
Более подробно рассмотрим распределение реактивной нагрузки в устройстве для случая параллельной работы трех генераторов. При параллельной работе генераторов 1-3 (блок-контакты линейных контакторов 7-9 замкнуты) в квазиустановившемся режиме в системе существуют с необходимостью автоколебания.
Пусть в момент времени t=0 (см. фиг.4) начинается положительный полупериод фазного напряжения (например, Ua). Срабатывает нуль-орган 13, положительный импульс которого через диод 17, включенный в прямом направлении, устанавливает RS-триггеры 18-20 в исходные состояния.
В момент времени t1 ток нагрузки ia1 фазы а генератора 1 проходит через нуль.
Срабатывает нуль-орган 10 и через диод 14 в прямом направлении на S-вход триггера 17 поступает положительный импульс. Триггер 17 срабатывает, формируя заявку по входу 33.1 блока 21. При этом на выходе 34.1 появляется единичный сигнал, открывающий тиристорный ключ обмотки возбуждения 4 в сторону увеличения тока возбуждения, протекающего в ней.
В момент времени t2 ток нагрузки ia2 фазы а генератора 2 проходит через нуль. Срабатывает нуль-орган 11 и через диод 15 поступает положительный импульс на S-вход триггера 18, который при этом срабатывает и формирует заявку по входу 33.2 блока 21.
При этом генератор 2 занимает второе место в очереди блока 21, а группа ИСКЛЮЧАЮЩЕЕ ИЛИ 31 формирует информацию 0, 1, 0, которая на выход блока 21 не проходит из-за запрета, наложенного элементом НЕ 37. Следовательно, ток в обмотке возбуждения генератора 2 остается прежним.
В момент времени t3 ток нагрузки ia3 фазы а генератора 3 проходит через нуль. Срабатывает нуль-орган 12 и через диод 16 подает положительный импульс на S-вход триггера 19. Триггер 19 срабатывает и формирует заявку по входу 33.3 блока 21. Генератор 3 занимает третье место в очереди блока 21, а группа ИСКЛЮЧАЮЩЕЕ ИЛИ 32 формирует информацию 0, 0, 1, которая проходит на выход блока 21. На выходе 35 появляется “Лог.1”, открывающая тиристорный ключ обмотки возбуждения 6 в сторону уменьшения тока возбуждения, в ней протекающего.
Выстроенная очередь блока 21 сохраняется до следующего положительного полупериода напряжения. При переходе кривой напряжения Ua через нуль, нуль-орган 13 формирует импульс, который через диод в прямом направлении поступит на R-входы триггеров 17, 18, 19 и приведет их в исходные состояния. Исчезновение информации (заявок) на входе блока 21 приведет блок 21 в исходное состояние, при котором на всех выходах его появятся “Лог.0”. Учитывая, что тиристорные ключи обмоток возбуждения 4, 5, 6 обладают памятью, то управление их как бы замораживается.
В момент времени t4 снова ток ia1 фазы а генератора 1 проходит через нуль в течение нового положительного полупериода напряжения Ua. Сработает нуль-орган 10 и вновь повторится процесс формирования очереди в блоке 21 и будет оказано соответствующее дублирующее управление на тиристорные ключи обмоток возбуждения 4 и 6.
По мере воздействия на токи возбуждения генераторов 1, 2, 3 через некоторое время ток ia2 фазы а генератора 2 будет первым проходить через нуль. Блок 21 выделит генератору 2 первое место в очереди и сформирует на выходе 34.2 “Лог.1”, которая откроет тиристорный ключ обмотки возбуждения 5 в сторону увеличения ее тока возбуждения и т.д. будет продолжаться процесс релейного распределения реактивной нагрузки между генераторами 1, 2, 3.
Блок 21 работает следующим образом.
Заявки поступают с входов 33 на первые входы элементов И 22.1-22.3 Факт прихода заявки отождествляется с появлением потенциала на соответствующем входе. Будем полагать, что к началу работы очередь была свободной. Все элементы блока 21, кроме элементов НЕ 27 и 28, имеют на выходе нуль. Заявка с входа 33 проходит через элементы И 22.1 и 24.1 к соответствующему выходу 34.1 блока 21, так как на выходах элементов НЕ 27 и 28 – “1”. Пройдя к выходу 31.1, заявка запрещает прохождение поступающих в дальнейшем сигналов через элементы И 24.2 и 24.3. В то же время на входах элемента ИЛИ 29.1 появляется “1”, которая проходит также на входы элементов И 23.2 и 23.3. При этом на выходах группы выходов 34 блока появляется информация 1, 0, 0, на выходах первой группы ИСКЛЮЧАЮЩЕЕ ИЛИ 31 – 0, 0, 0, на выходах второй группы ИСКЛЮЧАЮЩЕЕ ИЛИ 32 имеем также – 0, 0, 0.
Пусть теперь приходит заявка на вход 33.3. Единичный сигнал проходит через элемент И 22.3 и элемент ИЛИ 29.3 на входы элементов И 23.1 и 23.2, запрещая прохождение заявки с входа 33.2 при ее появлении в случайный момент времени. При этом на выходах первой группы выходов 34 сохраняется информация 1, 0, 0, на выходах первой группы ИСКЛЮЧАЮЩЕЕ ИЛИ 31 – 0, 0, 1, на выходах группы ИСКЛЮЧАЮЩЕЕ ИЛИ 32 – 0, 0, 0, что означает, что первое место в очереди сохранилось за заявкой с входа 33.1, второе место заняла заявка на входе 33.3, а третье место остается пока свободным. Далее пусть проходит заявка на вход 33.2. Это вызовет появление “1” на соответствующем выходе второй группы ИСКЛЮЧАЮЩЕЕ ИЛИ 32, т.е. заявка 33.2 заняла третье место в очереди.
При исчезновении заявки на входе 33.1 освобождается первое место в очереди. В момент перехода сигнала на входе 33.1 из “1” в “0” на выходе элемента И 24.1 образуется “0”, который через элемент НЕ 28.1 дает разрешение на появление “1” на выходе элемента И 24.3.
Таким образом, в очереди произошел сдвиг и заявка на входе 33.3, занимавшая ранее второе место в очереди, переходит на ее первое место.
Исчезновение “1” с выхода элемента ИЛИ 29.1 восстанавливает “1” на выходе элемента НЕ 27.2. На выходе элемента И 22.2 образуется “1”, которая через элемент ИЛИ 29.2 подается на входы элементов И 23.1 и 23.3. На входах элемента ИСКЛЮЧАЮЩЕЕ ИЛИ 31.2 появляются сигналы 0, 1, 0, что вызовет на его выходе сигнал “1”. При этом в блоке 21 произошел сдвиг и заявка на входе 33.2 переходит на второе место в очереди с третьего места, которое теперь остается свободным.
При исчезновении заявки на входе 33.3 снова освободится первое место в очереди. В устройстве произойдет снова сдвиг, т.е. заявка на входе 33.2 перейдет на первое место, освобождая второе место в очереди. На первой группе выходов 34 устройства образуется информация 0, 1,0, на первой группе ИСКЛЮЧАЮЩЕЕ ИЛИ 31 – 0, 0, 0, на второй группе ИСКЛЮЧАЮЩЕЕ ИЛИ 32-0, 0, 0. Информация с выходов групп ИСКЛЮЧАЮЩЕЕ ИЛИ 31 и 32 передается на выход блока 21 селективно в зависимости от числа параллельно работающих генераторов (например, два любых из трех или три). В случае работы трех генераторов, когда блок-контакты линейных контакторов 7-9 замкнуты, элемент И 36 дает разрешение на прохождение информации с выхода группы ИСКЛЮЧАЮЩЕЕ ИЛИ 32 через группу элементов ИЛИ 30 на выход блока 21.
При размыкании любого из блок-контактов 7-9 срабатывает элемент НЕ 37, разрешающий прохождение информации с выхода первой группы 31 ИСКЛЮЧАЮЩЕЕ ИЛИ через группу элементов ИЛИ 30 на выход блока 31.
Нуль-органы 10, 11, 12, 13 выполнены по единой схеме (фиг.3), которая содержит амплитудный ограничитель (резистор 38, стабилитроны 39 и 40), трансформатор 41 и дифференцирующее звено (резистор 42, конденсатор 43).
В качестве RS-триггеров 18, 19, 20 принят триггер с раздельными входами.
Предлагаемое устройство повышает в два раза частоту автоколебаний и снижает их амплитуду, что повышает точность выравнивания реактивных токов нагрузки генераторов.
Отсутствие в устройстве блока переключений в контактном варианте способствует также повышению надежности его работы.
Устройство допускает включать генераторы на параллельную работу в любой последовательности, что повышает надежность эксплуатации систем электроснабжения.
ИСТОЧНИКИ ИНФОРМАЦИИ
1. Авторское свидетельство СССР №1121742, кл. Н02J 3/46, 1982.
2. Авторское свидетельство СССР №1224901, кл. Н02J 3/46, 1984.
Формула изобретения
Устройство для распределения реактивной нагрузки между параллельно работающими генераторами переменного тока, содержащее ключевые элементы по числу генераторов, соединенные с обмотками возбуждения генераторов, нуль-органы тока, входы которых подключены соответственно к одноименным фазам генераторов, и нуль-орган напряжения, соединенный с выводами для подключения к шинам, линейные контакторы генераторов, отличающееся тем, что дополнительно оно снабжено тремя RS-триггерами, четырьмя диодами и блоком формирования очереди с фиксацией первого и последнего мест в ней, который состоит из пяти групп элементов И, двух групп элементов НЕ, двух групп элементов ИЛИ, двух групп элементов ИСКЛЮЧАЮЩЕЕ ИЛИ, при этом каждая группа содержит число элементов, равное числу генераторов, причем выход нуль-органа напряжения через диод соединен с R-входами трех RS-триггеров, выходы трех нуль-органов тока через диоды соответственно подключены к S-входам RS-триггеров, прямые выходы которых соединены с первым, вторым и третьим входами блока формирования очереди с фиксацией первого и последнего мест в ней, первые входы элементов И первой группы которого являются его первыми входами, выходы элементов И второй группы через соответствующие элементы НЕ первой группы соединены со вторыми входами элементов И первой группы, выходы элементов И первой группы соединены со вторыми входами первой группы элементов ИЛИ и с входами соответствующих элементов И третьей группы, выходы которых являются первыми выходами вышеупомянутого блока формирования очереди, фиксирующих первое место в очереди и соединены с соответствующими ключевыми элементами, а также подключены ко входам соответствующих элементов НЕ второй группы и первым входам первой группы элементов ИЛИ, причем выход первого элемента НЕ второй группы соединен с первыми входами второго и третьего элементов И третьей группы, выход второго элемента НЕ второй группы соединен с третьими входами первого и третьего элементов И третьей группы, выход третьего элемента НЕ второй группы соединен с первыми и третьим входами первого и второго элементов И третьей группы, выход первого элемента ИЛИ первой группы подключен к первым входам второго и третьего элементов И второй группы, выход второго элемента ИЛИ первой группы соединен с первым и вторым входами первого и третьего элементов И второй группы, выход третьего элемента ИЛИ первой группы соединен со вторыми входами первого и второго элементов И второй группы, входы элементов ИСКЛЮЧАЮЩЕЕ ИЛИ первой группы соединены соответственно с выходами элементов И первой и третьей групп, входы элементов ИСКЛЮЧАЮЩЕЕ ИЛИ второй группы соединены соответственно с входами блока и выходами элементов И первой группы, входы трехвходового элемента И соединены через замыкающие блок-контакты линейных контакторов генераторов с выводами для подключения к шине положительного напряжения, а выход ее – с вторыми входами четвертой группы элементов И и через элемент НЕ – со вторыми входами пятой группы элементов И, первые входы четвертой и пятой групп элементов И соединены с выходами соответственно второй и первой групп элементов ИСКЛЮЧАЮЩЕЕ ИЛИ, выходы первых, вторых и третьих элементов И четвертой и пятой групп соединены соответственно с входами первого, второго и третьего элементов ИЛИ второй группы, выходы которых являются вторыми выходами блока формирования очереди фиксирующих последнее место в очереди и соединенных с соответствующими ключевыми элементами.
РИСУНКИ
|
|