|
|
(21), (22) Заявка: 2008103657/09, 30.01.2008
(24) Дата начала отсчета срока действия патента:
30.01.2008
(46) Опубликовано: 10.02.2009
(56) Список документов, цитированных в отчете о поиске:
RU 2294044 C1, 20.02.2007. RU 2237334 C2, 27.09.2004. GB 1162663 A, 27.08.1969.
Адрес для переписки:
347740, Ростовская обл., г. Зерноград, ул. Ленина, 21, ФГОУ ВПО АЧГАА
|
(72) Автор(ы):
Юндин Михаил Анатольевич (RU), Нехаев Сергей Викторович (RU), Юндин Константин Михайлович (RU)
(73) Патентообладатель(и):
Федеральное государственное образовательное учреждение высшего профессионального образования “Азово-Черноморская государственная агроинженерная академия” (ФГОУ ВПО АЧГАА) (RU)
|
(54) ЭЛЕКТРОМАГНИТНЫЙ КОМПЕНСАТОР ТРЕТЬЕЙ ГАРМОНИКИ ЭЛЕКТРИЧЕСКОЙ СЕТИ
(57) Реферат:
Изобретение относится к электротехнике и может быть использовано при создании технических средств, повышающих качество и уменьшающих потери электрической энергии при ее транспортировке в трехфазных четырехпроводных электрических сетях за счет снижения несинусоидальности и несимметрии. Технический результат заключается в компенсации наибольшей из гармоник спектра циркулирующих в нейтральном проводе токов. Для этого электромагнитным компенсатором из фазных токов выделяется ток частотой 150 Гц, который мгновенно вводится в противофазе к третьей гармонике тока нейтрального провода. 2 з.п. ф-лы, 2 ил.
Изобретение относится к электротехнике и может быть использовано для повышения качества и уменьшения потерь электрической энергии за счет снижения несинусоидальности и несимметрии в трехфазных четырехпроводных электрических сетях с глухозаземленной нейтралью.
Известно устройство /1/, содержащее трехстержневой трансформатор, обмотки которого включены по схеме «звезда с нулем – треугольник». При продольном включении такого трансформатора в электрическую сеть токи третьей гармоники замыкаются в обмотках, соединенных в треугольник, и не проходят в линейные токи.
Недостатками данного устройства являются большая материалоемкость и неполная компенсация третьей гармоники при несимметричной нагрузке в фазах сети, что снижает эффективность подавления тока третьей гармоники, искажающей синусоиду напряжения сети.
Известен способ, по которому реализовано устройство, принятое за прототип /2/, состоящее из измерительного трансформатора тока, анализатора высших гармоник, фильтра первой гармоники, фильтра высших гармоник, управляемого полупроводникового преобразователя и выпрямителя.
К недостаткам данного устройства относятся его большая материалоемкость, сложность и низкая надежность при перенапряжениях, возникающих в первичной электрической сети.
Задачей заявляемого изобретения является повышение надежности работы при сохранении точности компенсации третьей гармонической составляющей тока и снижение материалоемкости устройства.
Указанный технический результат достигается тем, что в электромагнитный компенсатор третьей гармоники электрической сети, содержащий измерительный трансформатор тока, выпрямитель и преобразователь, дополнительно введены три трансформатора тока, первичные обмотки которых однополярно включены в рассечку линейных проводов сети, а начала их вторичных обмоток образуют с концом вторичной обмотки измерительного трансформатора тока общую точку, концы вторичных обмоток трех трансформаторов тока через выпрямитель подключены к положительному выходному зажиму преобразователя, отрицательный выходной зажим которого соединен с началом вторичной обмотки измерительного трансформатора тока, первичная обмотка которого включена в нейтральный провод сети однополярно с тремя упомянутыми трансформаторами тока, при этом входные зажимы преобразователя включены между одним из фазных и нейтральным проводами сети, кроме того, выпрямитель выполнен трехфазным и его катоды образуют общую точку с положительным выходным зажимом преобразователя, а каждый из анодов выпрямителя присоединен к концам вторичных обмоток трех трансформаторов тока.
Кроме того, измерительный трансформатор тока может быть выполнен в виде тороидального магнитопровода с расположенной на нем вторичной обмоткой, охватывающей нейтральный провод сети, или с размыкающимся магнитопроводом по типу токоизмерительных клещей.
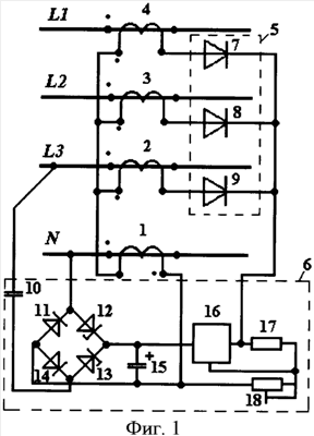
Заявляемый электромагнитный компенсатор третьей гармоники электрической сети приведен на фигуре 1, а на фигуре 2 приведены диаграммы гармонических составляющих напряжений и токов для непрерывного режима работы.
Электромагнитный компенсатор третьей гармоники электрической сети содержит включенные в нейтральный N и фазные проводники L1-L3 измерительный трансформатор тока 1 и дополнительные трансформаторы тока 2, 3, 4, к вторичным обмоткам которых подключены выпрямитель 5 и преобразователь 6 (фиг.1). Диоды 7, 8, 9 выпрямителя 5 своими анодами образуют общую точку с положительным выходным зажимом преобразователя 6.
Преобразователь состоит из конденсатора 10, диодов 11, 14, стабилитронов 12, 13, электролитического конденсатора 15, микросхемы стабилизатора 16, резистора 17 и подстроечного резистора 18 (Источники электропитания. Любительские схемы. Ч.2. Сост. А.А.Халоян. – М.: ИП РадиоСофт, ЗАО «Журнал «Радио», 2003. – с.178).
Трансформаторы тока 1-4 в составе электромагнитного компенсатора имеют одинаковый коэффициент трансформации и класс точности.
Электромагнитный компенсатор третьей гармоники электрической сети функционирует следующим образом.
Однофазные нелинейные нагрузки вызывают протекание в фазах и нейтрали четырехпроводной сети несинусоидальных токов, среди которых доминирует третья гармоника. Под действием напряжений UL1, UL2 и UL3 (фиг.2) во вторичных обмотках трансформаторов тока 2, 3, 4 диоды 7, 8, 9 включаются попеременно по 1/3 периода промышленной частоты. Ток будет проводить тот диод выпрямителя, потенциал анода которого относительно общей точки трансформаторов тока 2, 3, 4 выше, чем у других диодов. Коммутация диодов происходит в моменты времени, соответствующие точкам пересечения синусоид фазных напряжений, поэтому кривая выпрямленного напряжения Ud имеет вид огибающей синусоиды фазных напряжений, индуктируемых вторичными обмотками трансформаторов тока (фиг.2). Кривая выпрямленного тока id повторяет кривую выпрямленного напряжения, но из-за присутствия индуктивного сопротивления вторичной обмотки измерительного трансформатора тока 1 немного уплощается. Кратность пульсаций выпрямленного тока, протекающего во вторичной обмотке трансформатора тока 1 по отношению к основной частоте первичной сети равна трем.
Для компенсации возникающей при выпрямлении постоянной составляющей Ed преобразователем 6 формируется противоэлектродвижущая сила, которая направлена встречно электродвижущей силе выпрямителя 5. В результате протекающий через трансформатор тока 1 ток iв частотой 150 Гц не будет содержать постоянной составляющей Id (фиг.2). Точную компенсацию постоянной составляющей выпрямителя можно осуществить подстроечным резистором 18 преобразователя 6 (фиг.1).
Таким образом, уменьшается материалоемкость электромагнитного компенсатора, повышается надежность его работы и точность компенсации гармонических составляющих тока, что улучшает качество электрической энергии, снижает потери активной мощности и потери напряжения во всех элементах сети от тока третьей гармонической составляющей.
Источники информации
1. Брускин Д.Э. Электрические машины. В 2-х ч. Ч.1 / Д.Э.Брускин, А.Е.Зорохович, B.C.Хвостов. – М.: Высшая школа, 1987. – с.135.
2. Патент RU 2294044. Кл. Н02J 3/01, Н02J 3/26, 2007, БИ 5.
Формула изобретения
1. Электромагнитный компенсатор третьей гармоники электрической сети, содержащий измерительный трансформатор тока, выпрямитель и преобразователь, отличающийся тем, что в него дополнительно введены три трансформатора тока, первичные обмотки которых однополярно включены в рассечку линейных проводов сети, а начала их вторичных обмоток образуют с концом вторичной обмотки измерительного трансформатора тока общую точку, концы вторичных обмоток трех трансформаторов тока через выпрямитель подключены к положительному выходному зажиму преобразователя, отрицательный выходной зажим которого соединен с началом вторичной обмотки измерительного трансформатора тока, первичная обмотка которого включена в нейтральный провод сети однополярно с тремя упомянутыми трансформаторами тока, при этом входные зажимы преобразователя включены между одним из фазных и нейтральным проводами сети, кроме того, выпрямитель выполнен трехфазным, и его катоды образуют общую точку с положительным выходным зажимом преобразователя, а каждый из анодов выпрямителя присоединен к концам вторичных обмоток трех трансформаторов тока.
2. Электромагнитный компенсатор третьей гармоники электрической сети по п.1, отличающийся тем, что измерительный трансформатор тока выполнен в виде тороидального магнитопровода с расположенной на нем вторичной обмоткой, охватывающей нейтральный провод сети.
3. Электромагнитный компенсатор третьей гармоники электрической сети по п.1, отличающийся тем, что измерительный трансформатор тока выполнен с размыкающимся магнитопроводом по типу токоизмерительных клещей.
РИСУНКИ
|
|