|
|
(21), (22) Заявка: 2007128986/09, 27.07.2007
(24) Дата начала отсчета срока действия патента:
27.07.2007
(46) Опубликовано: 10.02.2009
(56) Список документов, цитированных в отчете о поиске:
US 6087649, 11.07.2000. RU 39224 U1, 20.07.2004. RU 2297070 C2, 10.04.2007. WO 9905697, 04.02.1999. US 6278104, 21.08.2001.
Адрес для переписки:
630007, г.Новосибирск, ул. Октябрьская, 34, ООО “Импульс”, а/я 258
|
(72) Автор(ы):
Един Владимир Александрович (RU), Варламов Владимир Сергеевич (RU)
(73) Патентообладатель(и):
ООО “Импульс” (RU)
|
(54) СПОСОБ ПОДАЧИ ПИТАЮЩИХ НАПРЯЖЕНИЙ НА ЭЛЕКТРОННО-ОПТИЧЕСКИЙ ПРЕОБРАЗОВАТЕЛЬ И УСТРОЙСТВО ДЛЯ ЕГО РЕАЛИЗАЦИИ
(57) Реферат:
Изобретение относится к фотоэлектронному прибору. Технический результат заключается в снижении потребляемой мощности в 2,3-3,2 раза при сохранении высокого качества изображения. Эффект получен за счет использования одновременного управления импульсными напряжениями на фотокатоде и МКП (микроканальной пластине). На основе данного способа предложен источник питания ЭОП (электронно-оптического преобразователя), включающий коммутатор напряжения МКП и усилитель обратной связи коммутатора МКП, которые функционируют одновременно и синхронно с коммутатором напряжения фотокатода. 2 н.п. ф-лы, 2 ил.
Изобретение относится к фотоэлектронному прибору, а более конкретно к электронно-оптическому преобразователю (ЭОП) и способу подачи питающих напряжений на электронно-оптический преобразователь от встроенного источника питания ЭОП, а также к созданию, на базе предлагаемого способа, источника питания ЭОП. ЭОП в основном используются в приборах ночного видения (ПНВ), детекторах фотонов, в приборах для научных исследований и в приборах для медицины. Наибольшее распространение ЭОП получили в ПНВ, поэтому рассмотрение предлагаемого изобретения будет рассмотрено применительно к использованию ЭОП в ПНВ.
Приборы ночного видения применяются для работы в условиях недостаточной естественной освещенности. Например, при работе на местности в темное время суток, работе в пещерах, подвалах и т.д. При проведении данных работ освещенность местности может изменяться в очень широких пределах, например, от 1×10-5 лк до 1×105 лк. Освещенность фотокатода при этом обычно бывает на порядок меньше и может составлять от 1×10-6 лк до 1×104 лк. Высокая освещенность может иметь место в условиях ночного города, когда в поле зрения ПНВ могут попасть фонари уличного освещения, фары автомобилей, ярко освещенные окна и другие высокоинтенсивные источники света. Низкая освещенность может иметь место при работе на открытой местности при отсутствии луны и звезд, при работе в пещерах или подвалах. Для удобства наблюдения желательно иметь постоянную яркость приемника изображения ЭОП, например, люминесцентного экрана, при всех вышеуказанных значениях освещенности. Реально постоянную яркость экрана ЭОП можно получить, примерно, в диапазоне освещенностей фотокатода от 1×104 лк до 2,5×10-4 лк, а при дальнейшем уменьшении освещенности фотокатода яркость экрана также уменьшается. Данная зависимость обеспечивается схемой автоматической регулировки яркости (АРЯ), входящей в состав источника питания ЭОП.
До недавнего времени на электроды ЭОП подавались неимпульсные напряжения. Для поддержания постоянной яркости экрана регулировалось напряжение на микроканальной пластине (МКП) в зависимости от величины тока экрана, который пропорционален величине освещенности фотокатода. МКП осуществляет умножение как фотоэлектронов, так и умножение вторичных электронов. При изменении напряжения на МКП изменяется коэффициент усиления МКП и, следовательно, количество электронов, попадающих на экран ЭОП. Количество электронов, попадающих на экран ЭОП, определяет яркость свечения экрана. Величина напряжения на МКП регулируется схемой автоматической регулировки яркости, которая меняет напряжение на МКП пропорционально величине тока экрана или МКП. Однако диапазон такой регулировки оказывается недостаточным для обеспечения работы ЭОП во всем необходимом диапазоне освещенностей. Для увеличения диапазона освещенностей и обеспечения защиты фотокатода между фотокатодом и источником питания фотокатода устанавливается резистор, имеющий большое сопротивление, на котором при увеличении тока фотокатода падает часть напряжения, подаваемого на фотокатод. Это уменьшение напряжения на фотокатоде обеспечивает защиту фотокатода и расширяет возможный диапазон освещенностей. Однако уменьшение напряжения на фотокатоде приводит к снижению разрешающей способности ЭОП при средних и высоких значениях освещенности, что существенно ухудшает работу ПНВ в этих условиях, например, при работе в сумерках или при работе в условиях значительного изменения освещенности. В дальнейшем появился способ подачи питающих напряжений на ЭОП, при котором на фотокатод подается импульсное напряжение. В первых работах по подаче импульсных напряжений на ЭОП (патенты США №4882481 от 21.11.1989 г. и №5146077 от 08.09.1992 г.) излагались лишь общие принципы подачи импульсных напряжений на фотокатод ЭОП. В них предлагалась поочередная подача положительных и отрицательных импульсов напряжения на фотокатод ЭОП и изменение длительности импульсов в зависимости от величины тока экрана или МКП, т.е. от величины освещенности фотокатода. При подаче на фотокатод отрицательного импульса напряжения ЭОП находится в рабочем состоянии и это соответствует рабочему циклу, при подаче на фотокатод положительного импульса напряжения фотоэлектроны, эмитируемые фотокатодом, попадают в тормозящее поле и возвращаются на фотокатод, что соответствует нерабочему циклу. Сумма длительностей рабочего и нерабочего циклов соответствует полной длительности цикла и определяется задающим генератором (триггером). При увеличении освещенности уменьшается длительность рабочего импульса и соответственно увеличивается длительность нерабочего импульса, за счет чего обеспечивается формирование изображения с автоматической регулировкой яркости экрана ЭОП при изменении освещенности. Далее были опубликованы работы с использованием вышеописанного способа подачи питающих напряжений (патенты США №5883381 от 16.03.1999 г., №5949063 от 07.09.1999 г., №6087649 от 11.07.2000 г., №6279494 от 02.10.2001 г., №6320180 от 20.11.2001 г.), которые уже могли быть использованы на практике. Во всех вышеперечисленных патентах для обеспечения работоспособности приборов в более широком диапазоне освещенностей введен “последовательный элемент”, включенный между выходом умножителя МКП и самой МКП. Данный “последовательный элемент” представляет собой достаточно сложную схему управления высоковольтным MOSFET транзистором, на котором падает часть напряжения, вырабатываемого умножителем МКП, и соответственно уменьшается напряжение на самой МКП при высоких освещенностях. В данных патентах и других известных решениях минимальная длительность рабочего импульса составляет порядка 1×10-4% от полной длительности цикла. Полная длительность цикла обычно лежит в диапазоне от 200 Гц до 30 Гц, что соответствует 0,5×10-2с÷3,3×10-2с. При такой длительности полного цикла минимальная длительность рабочего импульса, указанная в вышеперечисленных патентах, составляет от 0,5×10-8с до 3,3×10-8с. Длительность фронтов импульсов, которые должны быть ориентировочно на порядок меньше, соответственно составит от 0,5×10-9с до 3,3××10-9с. Для формирования столь коротких фронтов импульсов, имеющих к тому же большую амплитуду, приходится значительно увеличивать величину тока при формировании фронтов, что приводит к увеличению потребляемой мощности. Т.е. известные способы импульсной подачи напряжений на фотокатод увеличивают потребляемую мощность устройств ночного видения и при указанных выше длительностях рабочего импульса потребляемая мощность составляет 105 мВт для прибора MX 1013 0 и 144 мВт для прибора МХ11620, что соответствует величине токов 35 мА и 48 мА соответственно при напряжении 3 В. Тогда как обычные приборы, не использующие импульсные напряжения, стандартно потребляют 60 мВт, что соответствует току 20 мА при напряжении 3 В. Дальнейшее уменьшение длительности рабочего импульса приведет к дальнейшему увеличению потребляемой мощности, что будет противоречить действующим техническим условиям. Известны также патенты США №6121600 от 19.09.2000 г., №6157021 от 05.12.2000 г. и №6278104 от 21.08.2001 г., в которых используются с некоторыми дополнениями, те же принципы подачи напряжений на электроды ЭОП, что и в ранее описанных патентах. В патенте №6121600 предлагается использование известного способа подачи питающих напряжений совместно с управлением лазером. В патенте №6157021 предлагается совместно с известным способом подачи питающих напряжений использовать “активный регулятор”, который снижает помехи в напряжении, подаваемом на МКП, путем формирования сигнала противофазного и равного по величине сигналу помехи и вычитании этого сигнала из напряжения, подаваемого на МКП. В патенте №6278104 предлагается в соответствии с известным способом подачи питающих напряжений первоначально не импульсно уменьшать напряжение на МКП за счет увеличения сопротивления MOSFET транзистора, а при достижении освещенности, равной 0,01FC (примерно 0,1 лк), начинать уменьшение длительности рабочего импульса. Эти три предлагаемые решения имеют тот же недостаток, что и ранее описанные решения, а именно, большую потребляемую мощность, которая в 1,75÷2,4 раза больше, чем в обычных неимпульсных приборах.
Т.к. при подаче на фотокатод импульсного напряжения обеспечивается формирование изображения значительно более высокого качества, чем при подаче на электроды ЭОП постоянных напряжений, то практическое использование все более получает способ подачи импульсного питающего напряжения на фотокатод и постоянных напряжений на МКП и экран. Действительно, при таком способе подачи питающих напряжений не нарушается разрешение при средних и высоких освещенностях. Также данный способ подачи питающих напряжений обеспечивает защиту фотокатода от воздействия положительных ионов при средних и высоких значениях освещенности. При средних и высоких освещенностях длительность нерабочего цикла близка к полной длительности цикла. На фотокатод во время нерабочего цикла подано положительное напряжение, которое препятствует попаданию фотоэлектронов в каналы МКП и, следовательно, не происходит столкновений как фотоэлектронов, так и вторичных электронов со стенками каналов МКП. Поэтому со стенок каналов не происходит газоотделение как нейтральных газов, так и положительных ионов и отсутствует бомбардировка фотокатода положительными ионами и осаждение на фотокатод нейтральных газов.
Наиболее близким к предлагаемому способу является способ подачи питающих напряжений, изложенный в патенте США №6087649 от 11.07.2000 г. (прототип). В данном способе на фотокатод поочередно подаются положительные и отрицательные импульсы напряжения. При увеличении освещенности длительность рабочего импульса уменьшается и при достижении длительности рабочего импульса примерно 1×10-4% от полной длительности цикла производится неимпульсная регулировка напряжения на МКП при помощи MOSFET транзистора, чем обеспечивается автоматическая регулировка яркости приемника изображения, например, люминесцентного экрана при изменении освещенности. В соответствии с данным способом источник питания ЭОП содержит два умножителя напряжения фотокатода, один из которых вырабатывает отрицательное напряжение, а второй положительное напряжение, умножитель напряжения МКП, обеспечивающий подачу напряжения на МКП, умножитель напряжения экрана. Выходы умножителей фотокатода соединены с входами коммутатора фотокатода, выход которого соединен с фотокатодом. Первый выход умножителя МКП, через “последовательный элемент”, соединен с входом МКП, а второй выход соединен с выходом МКП и первым входом контроллера автоматической регулировки яркости, второй вход контроллера АРЯ соединен с низкопотенциальным выводом вторичной обмотки трансформатора и со вторым входом умножителя напряжения экрана, выход которого соединен с экраном ЭОП. Первые входы умножителей напряжения экрана и МКП соединены с высокопотенциальным выводом вторичной обмотки. Источник питания ЭОП также содержит преобразователь, состоящий из генератора, регулятора, цепи обратной связи и одной из обмоток трансформатора. Упомянутый преобразователь соединен с первичной обмоткой трансформатора. Далее источник питания содержит задающий генератор (триггер) и контроллер рабочего цикла, соединенные между собой. Контроллер рабочего цикла вторым входом соединен с выходом контроллера АРЯ, а выход контроллера рабочего цикла соединен с управляемым входом коммутатора фотокатода. Вход “последовательного элемента” подключен к выходу регулятора МКП, а его вход к сумматору, который получает управляющие сигналы через соединители от делителя напряжения, соединенного с входом МКП, и от контроллера АРЯ.
Работа производится следующим образом. Изображение ночной сцены проецируется объективом ПНВ на фотокатод ЭОП. Фотокатод испускает электроны в ответ на принятые фотоны. Далее, электроны умножаются в каналах МКП и попадают на люминесцентный экран, вызывая его свечение на значительно более высоком уровне яркости, которое пользователь наблюдает в окуляр прибора. Ток экрана, пропорциональный освещенности сцены, подается на контроллер АРЯ и далее с его выхода сигнал, пропорциональный величине тока экрана, поступает на контроллер рабочего цикла, который определяет длительность рабочего цикла путем переключения фотокатода, при помощи коммутатора фотокатода, от отрицательного умножителя к положительному умножителю напряжения фотокатода. Задающий генератор определяет длительность полного цикла, который состоит из двух циклов: рабочего, когда фотокатод соединен с умножителем отрицательного напряжения фотокатода, и нерабочего, когда фотокатод соединен с умножителем положительного напряжения. При низкой освещенности длительность рабочего цикла велика и почти соответствует полной длительности цикла. По мере увеличения освещенности увеличивается ток экрана, а длительность рабочего импульса уменьшается и может достигнуть примерно 1×10-4% от полной длительности цикла (0,5×10-8÷3,3×10-8с). При достижении данной длительности рабочего импульса производится неимпульсное уменьшение напряжения на МКП за счет изменения сопротивления “последовательного элемента”, в качестве которого используется MOSFET транзистор со схемой его управления. Таким образом, обеспечивается подача питающих напряжений на электроды ЭОП, при которой обеспечивается автоматическое поддержание постоянства яркости экрана при изменении освещенности фотокатода.
Данный способ подачи питающих напряжений обеспечивает высокое качество изображения в более широком диапазоне освещенностей, чем другие известные способы. Однако и этот способ имеет недостаток, который заключается в большой потребляемой мощности, которая, как было указано выше, составляет от 105 мВт до 144 мВт, что в 1,75÷2,4 раза выше, чем при подаче на электроды ЭОП неимпульсных напряжений.
Задачей изобретения является создание способа подачи питающих напряжений на электроды ЭОП, обеспечивающего:
1. Снижение потребляемой мощности без ухудшения качества изображения за счет одновременной подачи импульсных напряжений на фотокатод и МКП.
2. Создание источника питания для ЭОП, реализующего предлагаемый способ подачи питающих напряжений на электронно-оптический преобразователь.
1. Поставленная задача решается тем, что в известном способе подачи питающих напряжений на электронно-оптический преобразователь, заключающемся в поочередной подаче на фотокатод импульсов положительного и отрицательного напряжения, изменении длительности импульса отрицательного напряжения, соответствующего рабочему циклу, в зависимости от тока экрана или микроканальной пластины, изменении напряжения микроканальной пластины осуществляют следующее: изменение напряжения на микроканальной пластине производят импульсно в зависимости от тока экрана или микроканальной пластины и синхронно с изменением импульсного напряжения на фотокатоде, при этом во время рабочего цикла, то есть при подаче на фотокатод отрицательного импульса напряжения, микроканальную пластину с ее умножителем напряжения подключают к источнику питания, а при подаче на фотокатод положительного импульса напряжения микроканальную пластину с ее умножителем напряжения отключают от источника питания, причем подключение и отключение микроканальной пластины с ее умножителем напряжения от источника питания производят с использованием коммутатора микроканальной пластины и усилителя обратной связи коммутатора микроканальной пластины.
2. Известный источник питания электронно-оптического преобразователя содержит: преобразователь напряжения, соединенный с первичной обмоткой трансформатора, умножители напряжения экрана и микроканальной пластины, первые входы которых соединены с высокопотенциальным выводом вторичной обмотки трансформатора, а выходы соединены соответственно с экраном и выходом микроканальной пластины, два умножителя напряжения фотокатода, первые входы которых соединены с высокопотенциальными выводами соответствующих вторичных обмоток трансформатора, а выходы соединены с входами коммутатора фотокатода, выход которого соединен с фотокатодом, контроллер рабочего цикла, выход которого соединен с управляющим входом коммутатора фотокатода, первый вход контроллера рабочего цикла соединен с выходом задающего генератора, а второй вход соединен с выходом контроллера автоматической регулировки яркости, вход которого соединен со вторым входом умножителя напряжения экрана, в состав источника питания дополнительно введены коммутатор микроканальной пластины и усилитель обратной связи коммутатора микроканальной пластины, вход коммутатора микроканальной пластины соединен со вторым выходом контроллера рабочего цикла, выход коммутатора микроканальной пластины соединен со вторым входом умножителя напряжения микроканальной пластины, первый вход сигнала обратной связи коммутатора микроканальной пластины соединен с первым выходом контроллера автоматической регулировки яркости, второй вход сигнала обратной связи коммутатора микроканальной пластины соединен с выходом усилителя обратной связи коммутатора микроканальной пластины, вход которого соединен с выходом микроканальной пластины и выходом умножителя напряжения микроканальной пластины, низкопотенциальные выводы вторичных обмоток трансформатора и вход микроканальной пластины соединены с общей шиной источника питания.
Предлагаемые решения, на наш взгляд, являются новыми и не следуют явным образом из уровня техники, т.к. влияние совокупности отличительных признаков на технический результат из уровня техники не известен.
На фиг.1 показаны графики изменения напряжений на фотокатоде и МКП в зависимости от освещенности местности
а) малая освещенность, примерно 10-5 лк (область «а»);
б) высокая освещенность (вспышка), примерно 105 лк (область «б»).
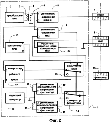
На фиг.2 показана структурная схема предлагаемого источника питания ЭОП и входящих в него элементов и блоков.
На фиг.1 приведены графики изменения напряжений на фотокатоде и МКП, которые соответствуют предлагаемому способу подачи питающих напряжений на ЭОП. Область «а» соответствует низкой освещенности (примерно 10-5 лк). В этом случае длительность рабочего цикла в области «а» (Тр.ц.а.) может соответствовать 0,95÷0,999 от длительности полного цикла (Тп.ц.), а длительность нерабочего цикла в области «а» (Тн.р.ц.а.) соответственно составляет 0,001÷0,05 от длительности полного цикла. В момент окончания отрицательного импульса напряжения на фотокатоде, то есть в момент окончания рабочего цикла, МКП с ее умножителем напряжения отключается от источника питания. При ее отключении МКП начинает разряжаться до начала нового рабочего цикла, а так как длительность нерабочего цикла при низкой освещенности мала, то напряжение на МКП уменьшается незначительно. Новый рабочий цикл начнется при подаче на фотокатод следующего отрицательного импульса напряжения. МКП с ее умножителем напряжения вновь подключается к источнику питания, и напряжение на МКП восстанавливается до максимального значения. Так как длительность нерабочего цикла мала и напряжение на МКП за этот промежуток времени уменьшилось незначительно и быстро восстановилось до Uмкп мак. (Uмкп мак. соответствует величине напряжения, которое вырабатывает умножитель напряжения МКП), то среднее значение напряжения на МКП за время полного цикла в области «а» (Uмкп сред. обл.”а”) может составить более 99,9% от величины Умкп мак.
Область «б», представленная на фиг.1, соответствует высокой освещенности (примерно 105 лк), которая может быть при освещении фарами, вспышке и т.д. В области «б» длительность нерабочего цикла (Тн.р.ц.б.) может быть близка к длительности полного цикла (Тп.ц.), поэтому к моменту окончания рабочего цикла напряжение на МКП будет уменьшаться в течение длительного промежутка времени, равного (Тн.р.ц.б.), и напряжение на МКП может уменьшиться значительно. Поэтому средняя величина напряжения на МКП за время полного цикла в области «б» (имкп сред. обл.”б”) может уменьшиться значительно и значительно уменьшится коэффициент усиления МКП. В этом случае длительность рабочего цикла в области «б» (Тр.ц.б.) уменьшается и может достигать от 1×10-1 до 1×10-3 полной длительности цикла. Т.к. полная длительность цикла обычно выбирается в диапазоне от 200 Гц до 30 Гц, то есть от 0,5×10-2 с до 3,3×10-2с, поэтому минимальная длительность рабочего цикла в области «б» в соответствии с настоящим изобретением ориентировочно составит от 0,5×10-5с до 3,3×10-3с. Дальнейшее уменьшение длительности рабочего цикла в соответствии с настоящим изобретением, не требуется, т.к. уменьшение длительности рабочего цикла и уменьшение напряжения на МКП производятся одновременно в каждом полном цикле. В прототипе и других известных решениях используются минимальные длительности рабочего импульса порядка 1×10-4 % от полной длительности цикла (0,5×10-8÷3,3×10-8с). Для столь коротких импульсов приходится увеличивать величину тока при формировании их фронтов, что приводит к увеличению потребляемой мощности. В соответствии с предлагаемым способом минимальная длительность рабочего импульса составляет более 0,5×10-5с, что позволяет значительно снизить потребляемую мощность.
Таким образом, предлагаемый способ импульсной подачи питающих напряжений одновременно на фотокатод и МКП позволил использовать минимальную длительность рабочих импульсов более 0,5×10-5с и обеспечить мощность потребления не более 45 мВт при сохранении высокого качества изображения. При этом потребляемая мощность снижена в 2,3÷3,2 раза по сравнению с известными решениями, в которых использована импульсная подача напряжения только на фотокатод и 1,3 раза по сравнению с известными решениями без использования импульсных напряжений.
Функциональная схема источника питания ЭОП и входящих в него элементов и блоков, выполненная в соответствии с предлагаемым способом подачи питающих напряжений, представлена на фиг.2. Источник питания 1 содержит преобразователь 2, подключенный к первичной обмотке 3 трансформатора 4. Первые входы умножителей напряжения экрана 5 и МКП 6 подключены к высокопотенциальному выводу вторичной обмотки 7, а низкопотенциальный вывод вторичной обмотки 7 соединен с общей шиной источника питания. Выход умножителя напряжения экрана 5 соединен с экраном 8. Выход умножителя напряжения МКП 6 соединен с выходом МКП 9. Вход МКП 9 соединен с общей шиной источника питания. Умножитель отрицательного напряжения фотокатода 10 первым входом соединен с высокопотенциальным выводом вторичной обмотки 11, умножитель положительного напряжения фотокатода 12 первым входом соединен с высокопотенциальным выводом вторичной обмотки 13. Вторые низкопотенциальные выводы вторичных обмоток 11 и 13, а также вторые входы умножителей напряжения 10 и 12 соединены с общей шиной источника питания. Выходы умножителей напряжения 10, 12 соединены с входами коммутатора фотокатода 14, выход которого соединен с фотокатодом 15. Вход контроллера АРЯ 16 соединен со вторым, низковольтным входом умножителя напряжения экрана 5. Второй выход контроллера АРЯ 16 соединен со вторым входом контроллера рабочего цикла 17, первый вход которого соединен с выходом задающего генератора 18. Вход коммутатора МКП 19 соединен со вторым выходом контроллера рабочего цикла 17. Выход коммутатора МКП 19 соединен со вторым входом умножителя напряжения МКП 6. Первый вход сигнала обратной связи коммутатора МКП 19 соединен с первым выходом контроллера АРЯ 16, а второй вход сигнала обратной связи соединен с выходом усилителя обратной связи МКП 20, вход которого соединен с выходом МКП 9 и выходом умножителя напряжения МКП 6.
Источник питания ЭОП работает следующим образом. При подаче напряжения, обычно от двух батарей типа «АА», для носимых приборов, преобразователь 2 формирует переменное напряжение, которое подается на первичную обмотку 3 трансформатора 4. С вторичных обмоток 7, 11, 13 соответствующие напряжения подаются на умножитель напряжения экрана 5, умножитель напряжения МКП 6, умножители напряжения фотокатода 10, 12. С выхода умножителя напряжения экрана 5 постоянное напряжение, обычно 4000÷7000 В, подается на экран 8. С умножителя напряжения МКП 6 постоянное напряжение, обычно 300÷1000 В, подается на выход МКП 9. Вход МКП 9 обычно соединен с общей шиной источника питания. С выхода умножителя напряжения фотокатода 10, отрицательное постоянное напряжение, обычно минус 50÷200 В для ЭОП 2 поколения и беспленочных ЭОП 3 поколения или минус 800 В для ЭОП 3 поколения, подается на вход отрицательного напряжения коммутатора фотокатода 14. С выхода умножителя напряжения фотокатода 11 положительное постоянное напряжение, обычно плюс 30÷40 В, подается на вход положительного напряжения коммутатора фотокатода 14. С выхода коммутатора фотокатода 14 импульсы отрицательного и положительного напряжения поочередно подаются на фотокатод 15. При подаче на фотокатод 15 отрицательного импульса напряжения, что соответствует рабочему циклу, фотокатод 15 преобразует инфракрасное излучение в электроны. Далее электроны попадают в каналы МКП 9, в которых количество электронов увеличивается путем их умножения в каналах и затем электроны создают видимое изображение на экране 8, на значительно более высоком уровне яркости. Во время нерабочего цикла, т.е. при подаче на фотокатод положительного импульса напряжения, фотоэлектроны, испускаемые фотокатодом 15, возвращаются обратно на фотокатод 15 и не умножаются МКП 9. В этом случае изображение на экране ЭОП отсутствует. Т.к. переключение фотокатода обычно производится с частотой 30-200 Гц, то пользователь не видит моменты переключения фотокатода и воспринимает изображение как стабильное, т.е. так же, как в обычном телевизоре. Сумма времени рабочего цикла и не рабочего цикла соответствует полной длительности цикла и определяется задающим генератором 18, с выхода которого управляющий сигнал подается на первый вход контроллера рабочего цикла 17. Длительность рабочего цикла определяется величиной тока экрана 8, снимаемого со второго низковольтного входа умножителя напряжения экрана 5. Этот ток подается на вход контроллера АРЯ 16, со второго выхода которого сигнал, пропорциональный величине тока экрана 8, подается на вход контроллера рабочего цикла 17, который синхронно подает управляющие сигналы на входы коммутаторов фотокатода 14 и МКП 19. С первого выхода контроллера АРЯ 16 сигнал, пропорциональный величине тока экрана, подается на первый вход обратной связи коммутатора МКП 19. На второй вход обратной связи коммутатора МКП 19 подается сигнал с выхода усилителя обратной связи коммутатора МКП 20. Эти сигналы обратной связи обеспечивают стабильность формируемого изображения на экране 8. Коммутаторы фотокатода 14 и МКП 19 обеспечивают подачу импульсных напряжений на фотокатод 15 и МКП 9. За счет одновременной подачи импульсных напряжений на фотокатод 15 и МКП 9 требования к минимальной длительности рабочих импульсов значительно снижаются. Одновременная подача импульсных напряжений на фотокатод 15 и МКП 9 позволяет увеличить минимальную длительность рабочих импульсов на 2÷3 порядка по сравнению с известными решениями. Увеличение минимальной длительности рабочих импульсов на 2÷3 порядка позволило снизить потребляемую мощность 2,3÷3,2 раза при сохранении высокого качества изображения.
Формула изобретения
1. Способ подачи питающих напряжений на электронно-оптический преобразователь, заключающийся в поочередной подаче на фотокатод импульсов положительного и отрицательного напряжения, изменении длительности импульса отрицательного напряжения, соответствующего рабочему циклу, в зависимости от тока экрана или микроканальной пластины, изменении напряжения микроканальной пластины, отличающийся тем, что изменение напряжения на микроканальной пластине производят импульсно в зависимости от тока экрана или микроканальной пластины и синхронно с изменением импульсного напряжения на фотокатоде, при этом, во время рабочего цикла, то есть при подаче на фотокатод отрицательного импульса напряжения, микроканальную пластину с ее умножителем напряжения подключают к источнику питания, а при подаче на фотокатод положительного импульса напряжения, микроканальную пластину с ее умножителем напряжения отключают от источника питания, причем подключение и отключение микроканальной пластины с ее умножителем напряжения от источника питания производят с использованием коммутатора микроканальной пластины и усилителя обратной связи коммутатора микроканальной пластины.
2. Источник питания электронно-оптического преобразователя содержит преобразователь напряжения, соединенный с первичной обмоткой трансформатора, умножители напряжения экрана и микроканальной пластины, первые входы которых соединены с высокопотенциальным выводом вторичной обмотки трансформатора, а выходы соединены соответственно с экраном и выходом микроканальной пластины, два умножителя напряжения фотокатода, первые входы которых соединены с высокопотенциальными выводами соответствующих вторичных обмоток трансформатора, а выходы соединены с входами коммутатора фотокатода, выход которого соединен с фотокатодом, контроллер рабочего цикла, выход которого соединен с управляющим входом коммутатора фотокатода, первый вход контроллера рабочего цикла соединен с выходом задающего генератора, а второй вход соединен с выходом контроллера автоматической регулировки яркости, вход которого соединен со вторым входом умножителя напряжения экрана, отличающийся тем, что в состав источника питания дополнительно введены коммутатор микроканальной пластины и усилитель обратной связи коммутатора микроканальной пластины, вход коммутатора микроканальной пластины соединен со вторым выходом контроллера рабочего цикла, выход коммутатора микроканальной пластины соединен со вторым входом умножителя напряжения микроканальной пластины, первый вход сигнала обратной связи коммутатора микроканальной пластины соединен с первым выходом контроллера автоматической регулировки яркости, второй вход сигнала обратной связи коммутатора микроканальной пластины соединен с выходом усилителя обратной связи коммутатора микроканальной пластины, вход которого соединен с выходом микроканальной пластины и выходом умножителя напряжения микроканальной пластины, низкопотенциальные выводы вторичных обмоток трансформатора и вход микроканальной пластины соединены с общей шиной источника питания.
РИСУНКИ
|
|