|
|
(21), (22) Заявка: 2007115593/28, 26.04.2007
(24) Дата начала отсчета срока действия патента:
26.04.2007
(46) Опубликовано: 10.02.2009
(56) Список документов, цитированных в отчете о поиске:
SU 777680 А1, 07.11.1980. RU 2284587 С2, 27.09.2006. RU 60255 U1, 10.01.2007. RU 2256955 С1, 20.07.2005. RU 2144223 С1, 10.01.2000. RU 18795 U1, 10.07.2001. RU 2310929 С1, 20.11.2007. WO 2007/020970 А1, 22.02.2007. WO 2006/070435 А1, 06.07.2006. JP 2006-179151 А, 06.07.2006. TW 259952 В, 11.08.2006. US 7050256 В1, 23.05.2006. US 4897759 А,
Адрес для переписки:
105066, Москва, ул. Новая Басманная, 20, ФГУП “ЦНИРТИ им. академика А.И. Берга”, БРИЗ
|
(72) Автор(ы):
Фесенко Максим Владимирович (RU), Хлопов Борис Васильевич (RU)
(73) Патентообладатель(и):
Федеральное Государственное Унитарное Предприятие “Центральный научно-исследовательский радиотехнический институт имени академика А.И. Берга” (RU)
|
(54) УСТРОЙСТВО СТИРАНИЯ ЗАПИСАННОЙ ИНФОРМАЦИИ
(57) Реферат:
Изобретение относится к приборостроению и может быть использовано для стирания записей с неоднородных полупроводниковых носителей информации, в частности флэш-памяти. Устройство стирания записанной информации содержит источник постоянного тока, устройство включения питания, делитель тока, устройство демпфирования, накопитель энергии на конденсаторах, устройство коммутации, полеобразующую систему, выполненную на соленоидах, устройство управления, четырехпроводной кабель и четырехконтактный коннектор. Полеобразующая система имеет каркас, на котором установлены четыре соленоида один внутри другого. Обмотки катушек пары соленоидов выполнены косоугольными, с наклоном витков проводов обмоток в плоскостях узких стенок каркаса к его продольным ребрам соленоидов под острым углом. Намотка проводов катушек второй пары соленоидов выполнена зигзагообразной, наклонной в плоскостях широких и узких стенок каркаса под острыми углами. Под действием создаваемого устройством быстроменяющегося электромагнитного поля изменяется структура размещения зарядов на полупроводниковом носителе информации, что улучшает качество стирания информации без возможности ее восстановления при сокращении времени стирания. 1 з.п. ф-лы, 6 ил.
(56) (продолжение):
CLASS=”b560m”30.01.1990. US 4346426 A, 24.08.1982. US 3938011 A, 10.02.1976. US 2007/0019355 A1, 25.01.2007.
Изобретение относится к технике приборостроения и может быть использовано для стирания записей с неоднородных полупроводниковых носителей информации, в частности устройств энергонезависимой памяти, флэш-памяти и т.п.
Основной принцип работы полупроводниковых устройств энергонезависимой памяти состоит в хранении заряда в изолированном затворе. Если в изолированном затворе хранится заряд, то пороговое напряжение Uтп транзистора может изменяться между двумя разными значениями, обычно определяемыми как «0» и «1». Пороговое напряжение изменяется в зависимости от величины заряда, хранимого в изолированном затворе на определенном расстоянии от него [1]. Для стирания записанной информации в виде остаточной проводимости необходимо восстановить исходное значение напряжения потенциального барьера для носителей заряда, пороговое напряжение которого Uтп равно значению стертого состояния, т.е. значению, предшествующему записи. Это означает, что должен произойти процесс, при котором заряд Qт, хранимый в дискретных центрах или в изолированном (плавающем) затворе на расстоянии, например, 1 от затвора, должен, как минимум, принять значение, равное «0», а фиксированные значения заряда на поверхности раздела, например, кремний – изолятор и заряд в обедненном слое кремния принять исходное значение, предыдущее записи.
Известно устройство для стирания записанной информации на неоднородных полупроводниковых носителях [2], содержащее затемненную вакуумную камеру, устройство для создания пара, компрессор для изменения давления паров, лампу накаливания 30 Вт, электромагнитный вентиль, насос для обеспечения быстрого напуска адсорбата, устройство для изменения расстояния расположения лампы накаливания, устройство измерения проводимости пленки, устройство для измерения давления паров воды в камере, устройство для измерения времени и источник питания, в котором при начальном давлении остаточной атмосферы 10-3÷1 мм рт. ст. остаточную проводимость возбуждают светом лампы накаливания 30 Вт, распложенной на расстоянии 10 см от поверхности пленки – полупроводникового носителя информации. В течение 20÷60 с измеряют проводимость пленки. За время возбуждения проводимость пленки достигает стационарного значения св10-1 Ом-1·см-1.
Адсорбцию осуществляют путем повышения давления с помощью компрессора паров воды, поступающих из устройства создания пара в вакуумную камеру с давлением паров до 10÷1000 мм рт. ст. за время 1 с, контролируемое специальным устройством измерения времени. При увеличении проводимости пленки проводят десорбцию путем понижения давления до начального уровня.
Быстрый впуск и выпуск адсорбата осуществляют с помощью насоса и электромагнитного вентиля. Стирание осуществляют импульсом давления адсорбата, которое постоянно контролируется устройством измерения импульсного давления, создаваемого в затемненной вакуумной камере.
Недостатком этого устройства является сложность конструкции, применение дорогостоящего оборудования, большое энергопотребление, много времени уходит на подготовку процесса стирания, необходимо специальное контрольное оборудование для контроля параметров составных частей устройства, ограниченность применения.
Наиболее близким к изобретению является устройство USB 2.0 в составе компьютера, которое описано в технологии [3], устройство для стирания записей с неоднородных полупроводниковых носителей информации с энергонезависимой памятью, флэш-памяти (устройства, имеющие специальный USB-разъем для подключения к компьютеру), содержащее: монитор, клавиатуру, манипулятор-мышь, системный блок, имеющий в своем составе хост (Host), концентраторы (Hub) и четырехконтактные соединители (коннекторы) для подключения флэш-памяти к компьютеру, два – для передачи сигнала и два – для подачи напряжения питания, кабель и источник питания. Передача данных о стирании информации инициируется хостом. Транзакции на USB-шине состоят из двух-трех актов: посылка пакета маркера, пакета данных, пакета статуса транзакции.
Недостатком этого устройства является то, что информация, которую необходимо стереть, может остаться в оперативной памяти компьютера, функциональные устройства сами не могут напрямую передавать информацию о стирании, так как USB является шиной вывода с системного блока компьютера, для чего необходимо иметь операционную систему, в которой обеспечивалась бы поддержка USB (Windows 98 Second Edition) и выполнялись программные функции. Кроме того, большие энергетические затраты, связанные с необходимостью обеспечения питания ряда составных частей ПЭВМ, относительно большое время стирания, которое определяется временем подготовки компьютера к работе и передачей необходимых команд на стирание информации, возможность восстановления информации, так как постоянно существует возможность того, что записанная информация останется в оперативной памяти компьютера.
Заявляемое изобретение решает задачу улучшения качества стирания информации без возможности ее восстановления, сокращения времени стирания, снижения энергопотребления и его упрощения за счет исключения сложного и дорогостоящего программно-аппаратного комплекса.
Техническим результатом изобретения является увеличение надежности стирания информации при уменьшении времени стирания и энергетических затрат.
Описание фигур и обозначений
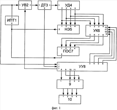
На фиг.1 представлена блок-схема устройства стирания записанной информации.
На фиг.2 представлена электрическая схема опытного образца устройства стирания записанной информации.
На фиг.3 приведены графики импульсных сигналов управления работой устройства, заряда и разряда накопителя энергии (НЭ5) и суммарных магнитных полей Н соленоидов 29, 30 и 31, 32.
На фиг.3 введены обозначения:
Т – максимальное значение времени облучения суммарным импульсным магнитным полем флеш-памяти;
Т1 – период следования сигналов генератора электрических импульсов (ГИ11);
– to – момент времени замыкания контактов (1) и (3) устройства включения (УВ2) и начало заряда НЭ5;
– t1 – момент времени размыкания контактов (1) и (3) УВ2, конец заряда НЭ5 и момент возникновения управляющих сигналов на контактах (2) ГИ11 и (2) устройства запуска (УЗ12) (фиг.2);
-t2, t3, t4 и t5 – моменты времени появления на выходах (3), (4), (5) и (6) программируемой линии задержки (ПЛЗ15) задержанных сигналов управления;
– to‘ и t1‘ – моменты времени следующего цикла работы устройства.
На фиг.4 – эскиз полеобразующей системы с вырывом.
На фиг.5а и 5б два варианта намоток проводов обмоток соленоидов 29, 30 и 31, 32 НЭ5.
На фиг.6а изображено распределение интенсивности составляющей магнитного поля Hz в полости полеобразующей системы вдоль оси минус Х – плюс Х Декартовой системы координат (X, Y, Z), ось Z которой совпадает с продольной осью полости полеобразующей системы, а ось Х компланарна ее широкой стенке.
На фиг.6б изображено распределение интенсивности составляющей магнитного поля Ну в полости полеобразующей системы вдоль оси минус Х – плюс Х той же системы координат.
На фиг.6в изображено распределение интенсивности составляющей магнитного поля Hz в полости полеобразующей системы вдоль оси минус Y – плюс Y той же системы координат.
На фиг.6г изображено распределение интенсивности составляющей магнитного поля Нх в полости полеобразующей системы вдоль оси минус Y – плюс Y той же системы координат.
На фигурах введены обозначения:
1 – источник постоянного тока (ИПТ1); 2 – устройство включения (УВ2); 3 – делитель тока (ДТ3); 4 – устройство демпфирования (УД4); 5 – накопитель энергии (НЭ5); 6 – устройство коммутации (УК6); 7 – полеобразующая система (ПОС7); 8 – устройство управления (УУ8); 9 – четырехпроводной кабель; 10 – четырехконтактный соединитель (коннектор); 11 – генератор электрических импульсов; 12 – устройство запуска; 13 – делитель напряжения; 14 – микропроцессор; 15 – программируемая линия задержки; 16 – контроллер шины USB; 17, 18, 19, 20 – демпфирующие диоды; 21, 22, 23, 24 – конденсаторы; 25, 26, 27, 28 – тиристоры; 29, 30, 31, 32 – соленоиды; 33 – флэш-память; 34 – каркас соленоидов; 35 – шина с наконечником.
Цифры на фигурах, записанные мелким шрифтом, обозначают номера входов и выходов блоков. В тексте описания изобретения эти цифры заключены в круглые скобки.
Описание заявленного устройства
Технический результат изобретения достигается благодаря тому, что устройство стирания записанной информации содержит (фиг.1): источник постоянного тока ИПТ1, устройство включения питания УВ2, делитель тока ДТЗ, устройство демпфирования УД4, накопитель энергии НЭ5, устройство коммутации УК6, полеобразующую систему ПОС7, устройство управления УУ8, четырехпроводной кабель 9 и четырехконтактный соединитель (коннектор) 10.
Источник постоянного тока ИПТ1 имеет выход (1) (плюсовая клемма) постоянного тока и общий вход (2) (минусовая клемма).
Устройство включения УВ2 имеет входы: первый – питания (1), второй – сигнала управления (2) и выход напряжения питания (3). На второй вход (2) УВ2 поступают управляющие сигналы с выхода (7) устройства управления УУ8.
Делитель тока ДТ3 имеет вход напряжения питания (1) и выходы: первый – сильных (3) и второй – слабых (2) токов, значения которых кратны.
Устройство демпфирования УД4 имеет выходы по числу соленоидов накопителя энергии НЭ5, которых должно быть не менее четырех, столько же демпфирующих диодов 17, 18, 19, 20, столько же однополярных выходов напряжения питания (2), (3), (4), (5) и вход напряжения питания (1) (фиг.2). Вход напряжения питания УД4 предназначен для питания диодов 17, 18, 19,20 напряжением, которое поступает по общей шине к анодам всех диодов.
Накопитель энергии НЭ5 содержит конденсаторы 21, 22, 23, 44 по числу соленоидов НЭ5, столько же входов напряжения питания (1), (2), (3), (4) и общий выход напряжения питания (5), который общей шиной подключен к минусовой клемме ИПТ1 (фиг.2).
Устройство коммутации УК6 содержит тиристоры 25, 26, 27, 28 по числу соленоидов НЭ5, столько же входов напряжения питания (1), (2), (3), (4), столько же входов сигналов управления (9), (10), (11), (12) и столько же выходов напряжения питания (5), (6), (7), (8) (фиг.2).
Полеобразующая система ПОС7 имеет немагнитный каркас, на котором установлены соосно ему один внутри другого по принципу «матрешки» не менее четырех соленоидов (фиг.4) первый 29, второй 30, третий 31 и четвертый 32, которые имеют соответствующие входы напряжения питания (1), (2), (3), (4) и общий выход напряжения питания (5), который общей шиной подключен к минусовой клемме ИПТ1 через шину 35 (фиг.2, 4). Концы всех обмоток соленоидов соединены с шиной 35. Габаритные размеры полости каркаса наименьшего соленоида 29: ширина, высота и длина больше тех же размеров флэш-памяти 33.
Обмотки катушек пары соленоидов 29, 32 выполнены косоугольными, с наклоном витков проводов обмоток в плоскостях узких стенок каркаса 34 к его продольным ребрам соленоидов под углом (90° – ) (фиг.5а). Другими словами, параллельные плоскости, в которых лежат витки проводов обмоток, находятся под углом (90° – ) к продольной оси соленоидов.
Угол наклона (90° – ) косоугольной обмотки относительно продольных ребер каркаса соленоидов может находиться в пределах больше нуля, но меньше 90° (0°< <90°). В этом случае суммарный вектора магнитного поля компланарен поверхностям узких стенок каркаса соленоида и находится под углом к оси Z Декартовой системы координат (X, Y, Z), связанной с поперечным сечением каркаса 34 (фиг.5а). Одна проекция Hz суммарного магнитного поля H лежит на оси Z и совпадающей с ней оси каркаса, а другая Ну ей ортогональна и лежит на оси Y. Проекции суммарного вектора магнитного поля равны друг другу при значении =45°.
Намотка проводов катушек пары соленоидов 30, 31 выполнена зигзагообразной, т.е. наклонной в плоскостях широких и узких стенок каркаса 34 (фиг.5б). Углы наклона 1, 2 и 3 проводов обмотки к оси Z лежат в пределах больше нуля, но меньше 90° (0°< 1, 2, 3<90°). Другими словами, параллельные плоскости, в которых лежат витки обмоток, находятся под острыми углами к плоскостям XY, YZ и ZX Декартовой системы координат, связанной с поперечным сечением полости полеобразующей системы. В этом случае суммарный вектора магнитного поля Н находится под острыми углами 1, 2 и 3 к разным осям Декартовой системы координат (фиг.5б), поэтому имеет три составляющие суммарного магнитного поля Нх, Ну и Hz вдоль соответствующих координат X, Y и Z (фиг.5б). Оптимальное значение углов 1=30°, 2=60° и 3=30°.
Вариант устройство управления
Устройство управления УУ8 может быть выполнено по схеме фиг.2, которая содержит следующие устройства:
– генератор электрических импульсов ГИ11 с входом напряжения питания (1) и первым и вторым выходами импульсов запуска (2) и (3). Вход (1) является входом напряжения питания УУ8;
– устройство запуска УЗ12 с входом (1) и выходом (2) напряжения питания;
– делитель напряжения Д13 с входом питания (1) и выходами: первым – питания микроконтроллера (2) и вторым – флеш-памяти (3). Выход (3) Д13 является соответствующим выходом УВ8 (фиг.2).
– микропроцессор МП14 с входами: первым – напряжения питания (1), вторым – синхронизации (2) и третьим – дежурного напряжения питания (6), включенным постоянно (фиг.1 и 2), который является соответствующим входом УУ8, и выходами: первый сигналов управления (3) ПЛ315, второй – импульсов случайной последовательности (4) и третий (5) – сигнала управления работой УВ2, который является соответствующим выходом УУ8;
– программируемую линию задержки ПЛ315 с входами: первым (1) – импульсов запуска и вторым (2) – управления работой ПЛ315 и выходами сигналов разных временных задержек для управления работой тиристоров 25, 26, 27, 28 УК6, которые являются соответствующими выходами УУ8;
– контроллер шины USB КШ16 с входом (1) случайной последовательности импульсов и двумя выходами (2) и (3) данных для флеш-памяти, которые являются соответствующими выходами УУ8.
Электрические соединения заявленного устройства
Выход (1) (плюсовая клемма) источника постоянного тока ИПТ1 соединен с входом питания (1) устройства включения УВ2 и входом (1) устройства управления УУ8 (фиг.1). Минусовая клемма (2) ИПТ1 соединена с выходом питания (5) накопителя энергии НЭ5 и с выходом питания (5) полеобразующей системы ПОС7.
Выход устройства включения УВ2 соединен с входом делителя тока ДТЗ, а его выходы соединены: слабых токов (2) с входом питания (2) устройства управления УУ8, сильных токов с входом устройства демпфирования УД4.
Выходы устройства демпфирования УД4 соединены с соответствующими входами питания накопителя энергии НЭ5 и входами питания устройства коммутации УК6.
Выходы устройства коммутации УК6 соединены с соответствующими входами питания полеобразующей системы ПОС7.
Управляющие выходы устройства управления УУ8 соединены с соответствующими входами устройства коммутации УК6.
Выходы устройства управления УУ8: сигнала управления включением (7) соединен с входом сигнала управления УВ2, выходы напряжения питания (8) и (9) соединены с соответствующими входами четырех проводного кабеля 9, выходы сигнала управления контроллера шины USB (10) и (11) соединены с соответствующими входами четырехпроводного кабеля 9.
Концы четырехпроводного кабеля 9 соединены с соответствующими клеммами (1), (2), (3) и (4) коннектора 10, выход которого предназначен для соединения с соответствующими клеммами флэш-памяти.
Выходы (2) и (3) ГИ11 соединены с входом (1) У312 и входом (2) МП14. Выход УЗ12 соединен с входом (1) ПЛЗ15, а ее выходы (3), (4), (5), (6) являются выходами УУ8 сигналов управления коммутацией УК6.
Вход (1) Д13 соединен с входом ГИ11, который является соответствующим выходом (9) УУ8, а выходы (2) и (3) ГИ11 соответственно соединены с входом (1) У312 и входом (2) МП14.
Вход (1) МП14 соединен с выходом (2) Д13, вход (2) МП14 соединен с выходом (3) ГИ11, вход (6) МП14 соединен с выходом (1) ИПТ1.
Выход (5) МП14 соединен с входом (2) УВ2, выход (3) МП14 соединен с входом (2) ПЛ315, а выход (4) соединен с входом (1) контроллера шины USB КШ16.
Электрические соединения варианта устройства управления
Первый выход (2) генератора импульсов ГИ11 соединен с входом (1) устройства запуска УЗ12, а второй выход ГИ11 соединен со вторым входом (2) микропроцессора МП14, а вход (1) – с выходом (2) ДТ3 (фиг.2).
Выход (2) устройства запуска УЗ12 соединен с первым входом (1) программируемой линии задержки ПЛЗ15.
Первый выход (2) делителя напряжения Д13 соединен с первым входом (1) микропроцессора МП14, первый выход (3) микропроцессора соединен со вторым входом (2) программируемой линии задержки ПЛЗ15.
Второй выход (4) микропроцессора МП14 соединен с входом (1) контроллера шины USB КШ16.
Вход (2) напряжения питания устройства управления УУ8 соединен с входами генератора импульсов (1) и делителя напряжения (1), которые являются входом (2) напряжения питания устройства управления.
Общие признаки изобретения и прототипа
Источник питания, делитель, блок управления, контроллер шины USB (в составе компьютера), четырехконтактный соединитель – коннектор, четырехпроводной кабель, вторым и третьим концами проводов которого подсоединенный к таким же выводам коннектора, а другими двумя концами этих проводов подсоединен к выходам контроллера шины USB блока управления, а первым и четвертым концами проводов которого подсоединены к таким же выводам коннектора, а другими двумя концами этих проводов подсоединены к выходам блока управления.
Работа устройства стирания информации
Флеш-память 33 устанавливают в полости каркаса 34 полеобразующей системы ПОС7 и подключают ее к устройству управления УУ8 с помощью четырехпроводного кабеля 9 и соединителя 10 (фиг.4). С контакта (7) УУ8 поступает сигнал включения на контакт (2) УВ2, контакты (1) и (3) УВ2 замыкаются (фиг.1 и 2). После чего через устройство включения УВ2, контакты (1) и (3) которого замкнуты, подают на делитель тока ДТ3 напряжение. Делитель тока ДТ3 имеет выходы слабых (2) и сильных токов (3) кратных слабым токам. По цепи выход (2) ДТ3 и вход (2) УУ8 ток не превышает несколько миллиампер, а по цепи выход (3) ДТ3 и вход (1) УД4 не более 3 А.
Ток, поступающий на вход устройства демпфирования УД4, питает одновременно четыре диода 17, 18, 19 и 20, через которые заряжаются конденсаторы 21, 22,23 и 24 накопителя энергии НЭ5 (фиг.2) до значения напряжения, равного напряжению заряда Uз (фиг.3д). Максимальное значение Uз составляет 95% от напряжения ИПТ1. В это время ток питания поступает на входы (1) и (2) устройства управления УУ8, которое создает напряжение питания на входе генератора импульсов ГИ11 и делителя Д13. Это напряжение обеспечивает на выходах (2) и (3) ГИ11 последовательность сигналов ГИ11 с периодом следования Т=t’1-t1, длительностью n=tn-t1 и амплитудой, равной Uc сигнала (фиг.3б), достаточной для запуска программируемой линии задержки ПЛЗ15 (фиг.2), поступающей с выхода устройства запуска УЗ12, в котором он формируется (фиг.3в) в управляющий сигнал, имеющий форму продифференцированного сигнала. В то же время ток, поступающий на делитель Д13, обеспечивает питание по четырехпроводному кабелю 9, по проводам (1) и (4) четырехконтактного соединителя (коннектора) 10, контакты которого (1) и (4) и подключенное к нему устройство энергозависимой памяти, флеш-памяти 33, а также микропроцессор МП 14, на вход (2) которого поступают сигналы генератора импульсов ГИ11 прямоугольной формы (фиг.3б) для запуска микропроцессора МП14. Микропроцессор МП14 в соответствии с алгоритмом зашитой в него программы по шинам (3) и (4) МП14 выдает сигналы команды в соответствии с установленными протоколами (формулярами).
Команды, поступающие на вход контроллера шины USB КШ16, обеспечивают получение на выходе КПП 6 сигналы доступа, которые по четырехпроводному кабелю 9 и провода (2) и (3), через контакты (2) и (3) коннектора 10 поступают в флеш-память 33.
Сигналы команды, поступающие с микропроцессора МП14 по шине (3) на вход (2) программируемой линии задержки ПЛЗ15 на управляющих выходах (3), (4), (5) и (6), создают управляющие сигналы Uу, которые (фиг.3г) в определенной последовательности или попарно (фиг.3ж) или вместе подключают в устройстве коммутации УК6 коммутирующие тиристоры 25, 26, 27 и 28 (фиг.2). Конденсаторы 21, 22, 23 и 24 накопителя энергии НЭ5 в момент включения тиристоров 25, 26, 27 и 28 разряжаются в полеобразующей системе ПОС7 на соответствующие соленоиды 29, 30, 32 и 32, подключенные к конденсаторам НЭ5 (фиг.3д, 3з). При размещении носителя информации, флеш-памяти (фиг.4) в устройстве стирания записанной информации в полости полеобразующей системы ПОС7 и при протекании импульсных токов большого значения в соленоидах 29, 30, 32 и 32 в них формируется импульсное магнитное поле, которое суммируется в ПОС7 и облучает суммарным импульсным магнитным полем (фиг.3е, 3и) под различными углами направленности векторов напряженности магнитных полей к плоскости подложки микросхемы 33 (флэш-памяти) за время, равное T1 (фиг.3а). В момент времени (t1+T1) с выхода (5) МП14 соответственно с выхода (7) УУ8 сигнал управления поступает на вход (2) УВ2 и после стирания записанной информации подключает подачу тока на ДТ3 (фиг.3а) и процесс зарядки конденсаторов НЭ5 (фиг.3д, 3з) повторяется. В проводниках микросхемы во время стирания Tc T1, которое изменяется в зависимости от программы МП14, размещенных на ее подложке [4, 5], возникают токи Фуко, интенсивности не менее 60mA, с помощью облучения проводников микросхемы четырьмя изменяющимися по амплитуде и направлению векторов во времени импульсными магнитными полями (фиг.6а, б, в, г). Токи Фуко приводят в неустойчивое состояние заряды на затворах транзисторов микросхемы, т.е. в состояние возбуждения и изменяют структуру размещения зарядов, что обеспечивает эффект замещения зарядов [6] и стирание информации во флеш-памяти. Это происходит методом туннелирования и снятия заряда с «плавающего» затвора, помещенного в ячейку методом инжекции «горячих электронов». При эффекте туннелирования используются волновые свойства электрона. Сам эффект заключается в преодолении электроном потенциального барьера малой «толщины». При стирании записей напряжение подается на исток, и на управляющий затвор выборочно отрицательное напряжение на контакты коннектора. Преодолеть потенциальный барьер и слой диэлектрика обычным способом электрон не может – ему не хватает энергии. При создании определенных условий путем воздействия импульсных магнитных полей на неоднородный полупроводниковый носитель информации электрон проскакивает слой диэлектрика (туннелирует сквозь него), создавая ток, который приводит к стиранию информации.
Облучение импульсными магнитными полями производят с векторами напряженности под углами , , . Угол в зависимости от направления правой или левой косоугольной намотки и вида подключения, синфазного или противофазного, принимают значения и 180°+ или 1 и 180°- 1 (фиг.5а).
Распределение магнитного поля внутри полости соленоидов с зигзагообразной намоткой представлено на фиг.5б. При зигзагообразной намотке углы изменяются в пространстве полости полеобразующей системы при наблюдении из точек (фиг.5б), размещенных перпендикулярно продольной оси полости, при правом направлении намотки с правой стороны оси изменяются по часовой стрелке, принимая одновременно значения угла , который между горизонтальной плоскостью и направлением вектора напряженности описывает дугу. При этой же намотке угол изменяется в пространстве полости полеобразующей системы при наблюдении из точек, размещенных перпендикулярно продольной оси полости при правом направлении намотки с левой стороны от оси, одновременно с правой стороны изменяются против часовой стрелки, принимая одновременно значения угла между горизонтальной плоскостью и направлением вектора напряженности. Амплитудное значение напряженности импульсного магнитного поля в каждой точке наблюдения меняется и приобретает свое значение от нуля до максимального значения Hmax.и.
Углы при зигзагообразной намотке с левым направлением при рассмотрении из точек, размещенных на том же срезе пространства полости полеобразующей системы, размещаемых на перпендикуляре к продольной оси полости с правой стороны от оси, изменяются против часовой стрелки, принимая одновременно значения угла между горизонтальной плоскостью и направлением вектора напряженности, описывая дугу. При этом же направлении намотки на левой стороне от оси угол изменяется по часовой стрелке от 0 до 60°, принимая одновременно значения угла от 0 до 30° в разных точках соленоида.
Пример выполнения заявленного устройства
Устройство стирания записанной информации выполнено по схеме фиг.2.
В качестве источника постоянного тока ИПТ1 использован источник типа Б5-71 (номиналы: ток от 0 до 10А, напряжение от 0 до 30В).
Устройство включения УВ2 выполнено на симисторе ВТВ24-600В.
Делитель тока ДТ3 выполнен на резисторе типа С2-33.
Устройство демпфирования выполнено на диодах типа 2Д133-500-26.
Устройство коммутации УК6 выполнено на тиристорах типа 2Т143-500-16.
В накопителе энергии НЭ5 применены электролитические конденсаторы типа В43584-А6158М-500В-1500 мкФ.
Полеобразующая система ПОС7 выполнена из четырех соленоидов 29, 30, 31 и 32, собранных в виде «матрешки». Число витков каждого соленоида равно 50. Сечение медного провода обмотки 2,5 кв.мм. Намотка соленоидов выполнена в двух видах: косоугольная в двух соленоидах и зигзагообразная также в двух соленоидах.
Соленоид 29 с косоугольной намоткой помещен в соленоид 31 с зигзагообразной намоткой, затем эти два соленоида помещены в соленоид 30 с косоугольной намоткой под противоположным углом намотки, а затем все три соленоида размещены в полости соленоида 32 с зигзагообразной намоткой под углом, отличающимся от угла намотки предыдущего соленоида с зигзагообразной намоткой на 180°, размещенного внутри соленоида с косоугольной намоткой с противоположным углом намотки.
Соленоиды, собранные в полеобразующую систему ПОС7, прошли горячую вакуумную пропитку лаком типа УР 235 и покрыты компаундом на эпоксидной основе.
В устройстве управления УУ8 (фиг.2) в качестве генератора импульсов ГИ11 применена микросхема КР1006ВИ1 со схемой включения в виде формирователя прямоугольных импульсов из сигнала произвольной формы. В качестве устройства запуска УЗ12 использована дифференцирующая RC цепочка с постоянной времени равной 3 мс (RC цепочка имеет емкость С=1000 мкФ и сопротивление R=30 Ом).
Делитель Д13 выполнен на резисторе типа С2-33.
Программируемая линия задержки ПЛ315 выполнена на микросхеме типа DS1045.
Микропроцессор МП14 выполнен на микросхеме типа КР581ИК1.
Контроллер шины USB КШ12 выполнен на микросхеме типа PD1USBD12.
Четырехпроводной кабель 9 представляет собой экранированную витую пару (шлейф).
В качестве четырехконтактного соединителя (коннектора) 10 применен коннектор типа «А», который используется для подключения к ПК.
Описанная конструкция обеспечила надежное стирание записи информации с неоднородных полупроводниковых носителей информации без возможности ее восстановления за счет возбуждения носителей заряда и организации токопроводящего канала для преодоления носителей заряда потенциального барьера.
Изобретение решило задачу улучшения качества стирания информации без возможности ее восстановления, сокращения времени стирания, снижения энергопотребления и его упрощения за счет исключения сложного и дорогостоящего программно-аппаратного комплекса.
Изобретение увеличило надежность стирания информации – невозможность восстановления информации и уменьшило время стирания и энергетические затраты.
Список использованных источников
1. Nonvolatile Semiconductor Memory Technology. Edited by William D. Brown, Joe E. Brewer. IEEE Press.
2. Описание изобретения, №777680, кл. G11B 3/66, опубликовано 1980 г. «Способ стирания записанной информации».
3. А.Калыга. Технология USB 2.0., www.3dnews.ru/storage/169B, – 2 24.12.2003 г.
4. Л.Д.Ландау, Е.М.Лифшиц. Теоретическая физика, том 8, «Электродинамика сплошных сред», 1982 г., стр.281.
5. Иванов Б.Н. Законы физики: Учеб. пособие для подгот. отделений вузов. – М.: Высш. шк., 1986. – 335 с.: ил.
6. Сандомирский В.Б. и др. Механизмы остаточной проводимости. 1973, т.7, №7, стр.1314.
7. Якубовский С.В., Барканов Н.А. и др. Аналоговые и цифровые интегральные микросхемы: Справочное пособие. – 2-е изд., перераб. и доп. – М.: Радио и связь, 1985. – 432 с.
Формула изобретения
1. Устройство стирания записанной информации, содержащее источник питания, делитель, устройство управления, четырехконтактный соединитель – коннектор, четырехпроводной кабель, вторым и третьим концами проводов которого подсоединен к таким же выводам коннектора, а другими двумя концами этих проводов подсоединен к выходам блока управления, а первым и четвертым концами проводов которого подсоединен к входным выводам коннектора, а другими двумя концами этих проводов подсоединен к выходам данных блока управления, отличающееся тем, что в него введены устройство включения с выходом и входами питания и управления, полеобразующая система, содержащая, по меньшей мере, четыре соленоида, устройство демпфирования с входом питания и однополярными выходами питания по числу соленоидов полеобразующей системы, накопитель энергии с входами питания по числу соленоидов полеобразующей системы и одним выходом, устройство коммутации с входами питания, управления и выходами по числу соленоидов полеобразующей системы, причем полеобразующая система содержит немагнитный каркас и установленные на нем соосно один внутри другого, по меньшей мере, четыре соленоида, столько же входов их питания и общий выход, кроме того, обмотки катушек первого и третьего соленоидов выполнены с наклоном витков проводов обмоток в плоскостях узких стенок каркаса к его продольным ребрам под углом, лежащим в пределах больше нуля, но меньше 90°, причем намотка проводов катушек второго и третьего соленоидов выполнена с наклоном в плоскостях широких и узких стенок каркаса под углами, лежащими в пределах больше нуля, но меньше 90°, делитель выполнен токовым с входом и двумя выходами сильных и слабых токов, кроме того, устройство управления имеет входы питания напряжением и током, выходы управления коммутацией по числу диодов соленоидов полеобразующей системы, выход управления включением, два выхода питания и два выхода управления контроллера шины USB, причем плюсовая клемма источника питания соединена с входом питания устройства включения и входом питания напряжением устройства управления, а его минусовая клемма соединена с выходом питания накопителя энергии и с выходом полеобразующей системы, кроме того, выход устройства включения соединен с входом делителя тока, выход слабых токов которого соединен с входом питания током устройства управления, а его выход сильных токов соединен с входом устройства демпфирования, выходы питания которого соединены с соответствующими входами накопителя энергии и устройства коммутации, выходы последнего соединены с соответствующими входами полеобразующей системы, входы управления устройства коммутации соединены с соответствующими выходами устройства управления, причем его выходы питания соединены с двумя входами четырехпроводного кабеля, другие два входа которого соединены с выходами управления шины контроллера USB, другие концы четырехпроводного кабеля соединены с соответствующими клеммами коннектора, выход которого предназначен для соединения с клеммами флэш-памяти.
2. Устройство стирания записанной информации по п.1, отличающееся тем, что устройство управления содержит: генератор электрических импульсов с входом напряжения питания и первым и вторым выходами импульсов запуска, устройство запуска с входом и выходом напряжения питания, делитель напряжения с входом питания и выходами: первым – питания микроконтроллера и вторым – флэш-памяти, микропроцессор с входами: первым – напряжения питания, вторым – синхронизации и третьим – дежурного напряжения питания и выходами: первый – сигналов управления программируемой линии задержки, второй – импульсов случайной последовательности и третий – сигнала управления работой устройства включения, программируемую линию задержки с входами: первым – импульсов запуска и вторым – управления ее работой и выходами сигналов разных временных задержек для управления работой устройства коммутации, контроллер шины USB с входом импульсов случайной последовательности и двумя выходами данных для флэш-памяти, причем первый выход генератора импульсов соединен с входом устройства запуска, а второй – со вторым входом микропроцессора, выход устройства запуска соединен с первым входом программируемой линии задержки, первый выход делителя напряжения соединен с первым входом микропроцессора, первый выход микропроцессора соединен со вторым входом программируемой линии задержки, второй выход микропроцессора соединен с входом контроллера шины USB, вход напряжения питания устройства управления соединен с входами генератора импульсов и делителя напряжения, которые являются входом напряжения питания устройства управления.
РИСУНКИ
|
|