|
|
(21), (22) Заявка: 2007126258/09, 10.07.2007
(24) Дата начала отсчета срока действия патента:
10.07.2007
(46) Опубликовано: 10.02.2009
(56) Список документов, цитированных в отчете о поиске:
КАЛИНИЧЕНКО Л.А., РЫВКИН В.М. Машины баз данных и знаний. – М.: Наука, 1990, с.185, рис.4.5. RU 2253894 C1, 10.06.2005. SU 1552202 A1, 23.03.1990. SU 1789993 A1, 23.01.1993. WO 2005031604 A1, 07.04.2005. US 5822750 A, 13.10.1998. JP 5035486 A, 12.02.1993.
Адрес для переписки:
432027, г.Ульяновск, Северный Венец, 32, ГОУ ВПО “Ульяновский государственный технический университет”, проректору по научной работе
|
(72) Автор(ы):
Андреев Дмитрий Васильевич (RU), Воронин Михаил Андреевич (RU)
(73) Патентообладатель(и):
Государственное образовательное учреждение высшего профессионального образования “Ульяновский государственный технический университет” (RU)
|
(54) РЕЛЯЦИОННЫЙ ПРОЦЕССОР
(57) Реферат:
Реляционный процессор предназначен для выполнения операций реляционной алгебры, может быть использован для построения систем нечисловой обработки информации. Техническим результатом является расширение функциональных возможностей устройства за счет выполнения операций селекции, проекции и дополнения. Устройство содержит n компараторов, n-входовой элемент И, двухвходовой элемент ИСКЛЮЧАЮЩЕЕ ИЛИ, n двухвходовых элементов И, n m-разрядных шинных формирователей. 1 ил.
Изобретение относится к машинам баз данных и может быть использовано для построения систем нечисловой обработки информации.
Известны реляционные процессоры, выполняющие операцию селекции (см., например, рис.5.11 на стр.208 в книге Озкарахан Э. Машины баз данных и управление базами данных. М.: Мир, 1989).
К причине, препятствующей достижению указанного ниже технического результата при использовании известных реляционных процессоров, относятся ограниченные функциональные возможности, обусловленные тем, что не выполняются операции проекции и дополнения.
Наиболее близким устройством того же назначения к заявленному изобретению по совокупности признаков является, принятый за прототип, реляционный процессор (рис.4.5 на стр.185 в книге Калиниченко Л.А., Рывкин В.М. Машины баз данных и знаний. М.: Наука, 1990), который содержит компаратор и выполняет операцию селекции.
К причине, препятствующей достижению указанного ниже технического результата при использовании прототипа, относятся ограниченные функциональные возможности, обусловленные тем, что не выполняются операции проекции и дополнения.
Техническим результатом изобретения является расширение функциональных возможностей за счет обеспечения выполнения операций селекции, проекции и дополнения.
Указанный технический результат при осуществлении изобретения достигается тем, что в реляционном процессоре, содержащем компаратор, особенность заключается в том, что в него дополнительно введены n-1 аналогичных упомянутому компараторов, n-входовой элемент И, двухвходовой элемент ИСКЛЮЧАЮЩЕЕ ИЛИ, n двухвходовых элементов И, n m-разрядных шинных формирователей, причем выход i-го компаратора соединен с i-м входом n-входового элемента И, выход которого соединен с первым входом двухвходового элемента ИСКЛЮЧАЮЩЕЕ ИЛИ, выход которого соединен с первым входом i-го двухвходового элемента И, выход которого соединен с управляющим входом i-го m-разрядного шинного формирователя, управляющий вход i-го компаратора, второй вход i-го двухвходового элемента И и второй вход двухвходового элемента ИСКЛЮЧАЮЩЕЕ ИЛИ соединены соответственно с i-м, (n+i)-м настроечными и управляющим входами реляционного процессора, подключенного входом i-го m-разрядного атрибута обрабатываемого кортежа, входом i-го m-разрядного атрибута эталонного кортежа и выходом m-разрядного i-го атрибута результирующего кортежа соответственно к первому, второму m-разрядному входу i-го компаратору и m-разрядному выходу i-го шинного формирователя, подключенного m-разрядным входом к первому m-разрядному входу i-го компаратора.
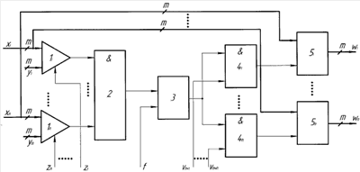
На чертеже представлена схема предлагаемого реляционного процессора.
Реляционный процессор содержит n-1 компараторов l1,…,ln, n-входовой элемент И 2, двухвходовой элемент ИСКЛЮЧАЮЩЕЕ ИЛИ 3, n двухвходовых элементов И 41,…,4n, n m-разрядных шинных формирователей 51,…,5n, причем выход компаратора 1i соединен с i-м входом элемента 2, выход которого соединен с первым входом элемента 3, выход которого соединен с первым входом элемента 4i, выход которого соединен с управляющим входом формирователя 5i, управляющий вход компаратора 1i, второй вход элемента 4i и второй вход элемента 3 соединены соответственно с i-м, (n+i)-м настроечными и управляющим входами реляционного процессора, подключенного входом i-го m-разрядного атрибута обрабатываемого кортежа, входом i-го m-разрядного атрибута эталонного кортежа и выходом i-го m-разрядного атрибута результирующего кортежа соответственно к первому, второму m-разрядным входам компаратора 1i и m-разрядному выходу формирователя 5i, подключенного m-разрядным входом к первому m-разрядному входу компаратора 1i.
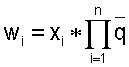
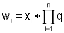
Работа предлагаемого реляционного процессора осуществляется следующим образом. На первый и второй m-разрядный входы компаратора 1i подаются соответственно i-й m-разрядный атрибут хi обрабатываемого кортежа и i-й m-разрядный атрибут уi эталонного кортежа. На i-м, (n+i)-м настроечных и управляющем входах реляционного процессора фиксируются соответственно двоичные сигналы zi, Vn+i, f(zi, Vn+i, f {0,1}). Если при выполнении операции проекции результирующий кортеж должен (не должен) содержать i-й атрибут, то Vn+i=1(Vn+i=0). Если при выполнении операции селекции i-й атрибут присутствует (отсутствует) в эталонном кортеже, то zi=1 (zi=0). Для выполнения операции дополнения f=1 (в иных случаях f=0). Лог.0 (лог.1) на управляющем входе компаратора 1i запрещает (разрешает) его работу, при этом на его выходе формируется лог.1 (результат сравнения: лог.1 при хi=уi и лог.0 при хi уi). Лог.0 (лог.1) на управляющем входе m-разрядного формирователя 5i запрещает (разрешает) прохождение через него i-го m-разрядного атрибута, при этом на m-разрядном выходе этого формирователя будет присутствовать нулевой (указанный) атрибут. Таким образом, при Vn+i=…=Vn+n=1 и f=0, Z1=…=Zn=0 и f=0, Vn+1=…=Vn+n=1 и f=1 на m-разрядном выходе формирователя 5 соответственно имеем: (xi,yi,zi) – результат операции селекции 
– результат операции проекции, (xi,yi,zi) – результат операции дополнения, где * – символ, обозначающий операцию умножения.
Вышеизложенные сведения позволяют сделать вывод, что предлагаемый реляционный процессор обладает более широкими по сравнению с прототипом функциональными возможностями, так как обеспечивает выполнение операций селекции, проекции и дополнения.
Формула изобретения
Реляционный процессор, предназначенный для реализации операций селекции, проекции и дополнения, содержащий компаратор, отличающийся тем, что в него дополнительно введены n-1 аналогичных упомянутому компараторов, n-входовой элемент И, двухвходовой элемент ИСКЛЮЧАЮЩЕЕ ИЛИ, n двухвходовых элементов И, n m-разрядных шинных формирователей, причем выход i-го (i=1,n) компаратора соединен с i-м входом n-входового элемента И, выход которого соединен с первым входом двухвходового элемента ИСКЛЮЧАЮЩЕЕ ИЛИ, выход которого соединен с первым входом i-го двухвходового элемента И, выход которого соединен с управляющим входом i-го m-разрядного шинного формирователя, управляющий вход i-го компаратора, второй вход i-го двухвходового элемента И и второй вход двухвходового элемента ИСКЛЮЧАЮЩЕЕ ИЛИ соединены соответственно с i-м, (n+i)-м настроечными и управляющим входами реляционного процессора, подключенного входом i-го m-разрядного атрибута обрабатываемого кортежа, входом i-го m-разрядного атрибута эталонного кортежа и выходом i-го m-разрядного атрибута результирующего кортежа соответственно к первому, второму m-разрядным входам i-го компаратора и m-разрядному выходу i-го шинного формирователя, подключенного m-разрядным входом к первому m-разрядному входу i-го компаратора.
РИСУНКИ
|
|