|
(21), (22) Заявка: 2007113255/28, 09.04.2007
(24) Дата начала отсчета срока действия патента:
09.04.2007
(46) Опубликовано: 10.02.2009
(56) Список документов, цитированных в отчете о поиске:
RU 2058561 C1, 20.04.1996. RU 2258326 C1, 10.08.2005. RU 17810 U1, 27.04.2001. EP 1349234 A2, 01.10.2003. US 4930111 А, 29.05.1990.
Адрес для переписки:
197376, Санкт-Петербург, Чкаловский пр., 46, ОАО “Концерн “Океанприбор”
|
(72) Автор(ы):
Кузнецов Геннадий Николаевич (RU), Александров Владимир Александрович (RU), Островский Дмитрий Борисович (RU), Киселев Петр Александрович (RU)
(73) Патентообладатель(и):
ОАО “Концерн “Океанприбор” (RU), ООО “Акустические системы калибровки. – Программирование” (RU)
|
(54) СПОСОБ КОРРЕКЦИИ АМПЛИТУДНО-ФАЗОВОГО РАСПРЕДЕЛЕНИЯ ВОЗБУЖДЕНИЯ МНОГОКАНАЛЬНОЙ ГИДРОАКУСТИЧЕСКОЙ АНТЕННЫ
(57) Реферат:
Изобретение относится к области разработки аппаратуры многоканальных излучающих трактов гидроакустических средств различного назначения. Коррекция диаграммы направленности многоканальной гидроакустической антенны обеспечивается изменением амплитудно-фазового распределения напряжений возбуждения каналов с учетом реальных сопротивлений излучения и взаимного влияния между каналами. Техническим результатом изобретения является улучшение характеристик многоканального гидроакустического тракта. Согласно способу измеряют импедансные характеристики каждого m канала гидроакустической N-канальной антенны, последовательно электрически возбуждают каждый m канал и измеряют наведенные сигналы на каждом q невозбужденном канале. Для каждого измерения пересчитывают величину наведенного сигнала в нормированное напряжение eqm, а корректированное напряжение возбуждения каждого канала антенны определяют в виде комплексных мультипликативно-аддитивных сумм произведений нормированных напряжений eqm на комплексные коэффициенты для заданного амплитудно-фазового распределения. Измерения, расчеты и корректировки осуществляются на частотах в полосе рабочих частот и для каждого заданного угла сканирования. 2 з.п. ф-лы, 1 ил.
Изобретение относится к области разработки аппаратуры многоканальных излучающих трактов гидроакустических средств различного назначения.
Современные гидроакустические системы для управления основными характеристиками излучающего тракта акустическим давлением и диаграммой направленности (ДН) строятся как многоканальные с использованием дискретных гидроакустических антенн. Управление характеристиками достигается путем создания необходимого амплитудно-фазового распределения по каналам тракта с помощью многоканального генераторного устройства (ГУ) [1, 9]. Предполагается, что каналы возбуждения имеют заданные, принципиально одинаковые характеристики, а также что каналы независимы и не имеют связей по электрическому и акустическому полям и не связаны через конструктивные элементы антенны.
На практике в многоканальных трактах присутствуют существенные взаимосвязи между каналами (взаимное влияние), а каналы не являются идентичными. Эти факторы искажают результирующие характеристики изготовленной антенны, что может привести к невыполнению требований к тракту как по развиваемому акустическому давлению, так и по ДН.
Известен ряд способов по учету и коррекции указанных факторов.
Выходные характеристики каждого канала возбуждения могут быть настроены на заданное идеализированное амплитудно-фазовое распределение сигналов возбуждения многоканальной гидроакустической антенны [1, 2, 4]. Однако такой способ предполагает, что импедансные характеристики гидроакустических преобразователей соответствуют расчетным и не изменяются вследствие взаимного влияния между каналами или разброса параметров.
Известен метод ближнего поля [4], где предлагается с помощью зонда, помещаемого в различные точки ближнего поля, измерять характеристики поля. Далее методами синтеза антенн рассчитывают амплитудно-фазовое распределение возбуждения каналов антенны, которое должно реализовать необходимые выходные характеристики антенны. В этом способе практически невозможно, из-за сложной структуры ближнего поля, выбрать точки измерения, обеспечить необходимое их количество, необходимые размеры зонда, неискажающего поле, а также обеспечить адекватный пересчет (синтез) амплитудно-фазового распределения, корректирующего измеренные полевые характеристики антенны к заданным.
Наиболее близким по функциональным и техническим характеристикам к предлагаемому способу является способ компенсации взаимной связи в многоэлементных антеннах, представленный в патенте [3], который принят за прототип.
Способ-прототип излагается применительно к антеннам радиотехнического типа. Предполагается, что между каналами имеется связь по электромагнитному полю и связь по электрической наводке между каналами. С целью компенсации взаимной связи между элементами каналов предлагается:
– вычислять по известным соотношениям (например, представленным в [4]) вносимое взаимное сопротивление, вызванное связью между каналами по полю;
– измерять вносимое сопротивление;
– корректировать комплексное значение сигналов возбуждения в каждом канале.
Указанные в способе-прототипе действия могут быть принципиально использованы и для многоканальных гидроакустических антенн. Каналы дискретных гидроакустических антенн выполняются на отдельных гидроакустических преобразователях (ГАП) либо на основе групп ГАП, возбуждение которых осуществляется от отдельного канала ГУ. При возбуждении дискретной гидроакустической антенны в составе многоканального гидроакустического передающего тракта сигналами с заданным амплитудным и фазовым распределением могут быть измерены импедансные характеристики каналов. В результате для каждого направления диаграммы направленности (ДН) антенны согласно способу-прототипу можно получить значения вносимых сопротивлений, определяющих взаимное влияние каналов антенны. С учетом вносимых сопротивлений принципиально возможно рассчитать корректированные комплексные значения сигналов возбуждения для каждого заданного амплитудно-фазового распределения.
Совокупность действий согласно способу-прототипу применительно к гидроакустическим антеннам требует многократных измерений в составе многоканального гидроакустического передающего тракта при одновременном возбуждении всех каналов антенны для каждого положения ДН. При этом определение вносимых импедансов, обусловленных взаимным влиянием, требует громоздких вычислений при низкой точности исходных измерений, проведенных в условиях возбуждения каналов антенны мощными сигналами.
Способ-прототип дает возможность путем решения системы уравнений, с учетом взаимодействия элементов по полю, определить перераспределение возбуждения в каналах. Далее сигналы возбуждения изменяют (корректируют) таким образом, чтобы получить необходимые характеристики антенны при распространении энергии, излученной антенной в пространство. При расчете взаимных сопротивлений предполагается, что все каналы по своим характеристикам идентичны. Сигналы возбуждения полагаются весьма узкополосными.
При этом способ-прототип не решает задачу коррекции амплитудно-фазового распределения возбуждения в гидроакустической многоканальной антенне, поскольку с его помощью не могут быть учтены взаимные связи по конструктивным элементам гидроакустической антенны (корпус, акустические развязки, экраны и др.), не учитывается разброс параметров характеристик реальных акустических преобразователей, являющихся элементами канала антенны. К тому же способ не применим при широкополосном возбуждении антенны, характерном для гидроакустических антенн.
Техническим результатом предлагаемого изобретения является улучшение характеристик многоканальной гидроакустической антенны, с учетом реальных импедансных характеристик и взаимного влияния каналов. Основной задачей предлагаемого способа является: по заданным критериям определить такое распределение необходимого амплитудно-фазового возбуждения в многоканальной гидроакустической антенне, которое учитывает связи между каналами антенны, вызванные различными факторами, и разброс характеристик отдельных каналов, работу с широкополосным сигналом и работу при различных углах сканирования.
Поставленная задача решается при реализации указанной ниже следующей последовательности действий.
В способе коррекции амплитудно-фазового распределения возбуждения антенны, выполненной гидроакустической и N-канальной, основанном на определении взаимного влияния каналов антенны в рабочей среде, дополнительно выполняются следующие действия:
– измеряют импедансные характеристики каждого m канала антенны, где m=1…N, по которым определяют параметры элементов эквивалентных электрических схем каждого m канала гидроакустической антенны, в том числе сопротивление излучения;
– последовательно электрически возбуждают каждый m канал антенны, помещенной в водную среду, и измеряют наведенные сигналы на каждом из остальных невозбужденных q каналах антенны;
– для каждого из измерений в q канале при возбуждении m канала пересчитывают величину наведенного сигнала в нормированное напряжение eqm эквивалентного генератора, включенного последовательно с сопротивлением излучения с учетом параметров эквивалентных схем m и q каналов антенны;
– корректированное напряжения возбуждения для каждого q канала антенны определяют в виде комплексных мультипликативно-аддитивных сумм произведений нормированных напряжений eqm на комплексные коэффициенты для заданного амплитудно-фазового распределения возбуждения, приведенного к сопротивлению излучения.
Для широкополосных сигналов измерение, расчеты и корректировку осуществляют на частотах в полосе рабочих частот возбуждения многоканальной гидроакустической антенны. При электронном сканировании расчеты и корректировку амплитудно-фазового распределения сигналов возбуждения осуществляют для каждого заданного угла сканирования диаграммы направленности.
При определении технических результатов использования заявляемого способа следует отметить, что акустическое поле, формируемое многоканальной гидроакустической антенной, определяется как суперпозиция акустических колебаний, излучаемых отдельными каналами антенны, выполненными из гидроакустических преобразователей (ГАП). В результате акустическое давление р( , ), развиваемое в дальнем поле, определяется по формуле [2]:

где Аm – амплитуда коэффициента возбуждения акустического преобразователя, являющегося оконечным элементом канала антенны с номером m;
k – волновой вектор, модуль которого равняется k=2 / ( – длина волны), а направление совпадает с направлением от антенны к точке наблюдения;
rm – координата в антенне преобразователя с номером m;
( , ) – углы в пространстве;
константа С зависит от расстояния до точки наблюдения и нормировочных коэффициентов, постоянных для антенны в целом [2, 8];
m – фазовое распределение возбуждения;
Rm( , ) – ДН m-ого акустического преобразователя;
N – общее количество каналов.
Основные задаваемые характеристики для антенны определяются из (1):
– давление на оси pmax=p( o, о); ( о, о) – направление максимума;
– диаграмма направленности R( , )=|р( , )/р( о, o)|.
Из (1) видно, что если исключить из анализа определяющуюся известными способами [2,8] константу С, характеристики функции р( , ), а также рmax и R( , ) целиком и полностью определяются величинами Am, m, Rm.
Для реализации заданной величины р( , ) при расчете (проектировании) предполагается, что величина Amexp(j m) пропорциональна напряжению возбуждения Um=|Um|exp(j m), т.е. предполагается, что выполняются соотношения:

где с1, c2 – контролируемые величины.
Входящая в выражение (1) ДН преобразователя Rm обычно измеряется известными способами [6] и закладывается в расчет. Составляющие вектора координат преобразователя в антенне rm определяются конструкцией антенны и контролируются при изготовлении. Таким образом, входящие в (1) величины rm и Rm можно контролировать.
Реально в антенне (канале антенны) соотношение (2) не выполняется, коэффициенты с1, с2 зависят от угла сканирования, от положения ГАП в «пятне излучения», от технологического разброса при изготовлении и взаимного влияния между каналами антенны. Как следствие, входящие в (1) величины Аm, m отличаются от расчетных (2), отличается и результирующая функция (1). Идеализированные величины, без учета перечисленных выше факторов, будем обозначать с индексом «0»: Аm0, m0.
Формирование идеализированного амплитудно-фазового распределения сигналов возбуждения реальной многоканальной антенны не приводит к достижению необходимой ДН в дальнем поле, не достигается акустическое давление в главном максимуме, возрастает уровень дополнительных лепестков ДН, деформируется основной лепесток ДН.
Поскольку единственной возможностью изменения в необходимом направлении величин Аm, m является изменение комплексного возбуждения Um, задачами заявляемого способа является формирование последовательности действий, приводящих к корректировке возбуждения в m-ом канале таким образом, чтобы результирующая функция (1) равнялась заданному значению. Это и есть технический результат использования способа.
Сущность заявляемого способа основана на следующих принципиальных положениях:
– диаграмма направленности Rm( , ) ГАП и его положение в антенне rm известны, контролируются при изготовлении и уточняются при компоновке в антенну;
– при известной ДН ГАП характеристики канала антенны целиком определяются полной активной эквивалентной электрической схемой ГАП в составе многоканальной гидроакустической антенны;
– коррекция разброса сопротивлений излучения отдельных каналов в эквивалентной электрической схеме ГАП достигается обеспечением установленной зависимости активной мощности на сопротивлениях излучения отдельных каналов с учетом заданного амплитудно-фазового распределения;
– взаимное влияние между каналами учитывается в полной активной эквивалентной электрической схеме ГАП эквивалентным генератором напряжения, включенным последовательно с сопротивлением излучения;
– восстановление заданной ДН гидроакустической антенны достигается введением корректировки амплитудно-фазового распределения сигналов возбуждения по реальным параметрам полных активных эквивалентных электрических схем отдельных каналов, с учетом разброса характеристик преобразователей и взаимодействия между отдельными каналами.
Преимуществом заявляемого способа является возможность проведения корректировки амплитудно-фазового распределения сигналов возбуждения многоканальной гидроакустической антенны до установки на объект. Оценка результатов коррекции может производиться измерением ДН и акустического давления в дальнем поле в рамках типовых испытаний излучающего тракта в опытовом бассейне.
Согласно предлагаемому способу коррекции заданный уровень акустического давления po( , ) восстанавливается для реальной многоканальной гидроакустической антенны введением корректировки комплексных величин напряжений возбуждения в виде мультипликативно-аддитивной суммы напряжений эквивалентных генераторов исходя из обеспечения требуемого уровня и фазы сигнала на сопротивлении излучения каждого канала с учетом импедансных характеристик преобразователей и взаимодействия между отдельными каналами:

где eqm – нормированное напряжение эквивалентного генератора, определяющего взаимодействие между q и m каналами антенны;
Kq( o, о) – комплексный коэффициент возбуждения q канала для заданного амплитудно-фазового распределения;
Dmz – комплексный коэффициент корректировки возбуждения m-канала с учетом импедансных характеристик ГАП.
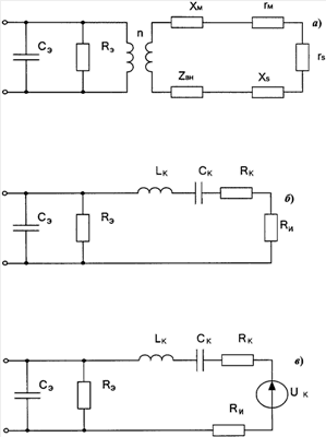
Для пояснения существенных признаков и достигаемых технических результатов при реализации предлагаемого способа на фиг.1 представлены эквивалентные схемы замещения канала гидроакустической антенны:
– а – электроакустическая эквивалентная схема;
– б – пассивная электрическая эквивалентная схема;
– в – активная электрическая эквивалентная схема.
Предлагаемый способ состоит из последовательности действий (этапов).
Этап 1. При проектировании и изготовлении гидроакустических преобразователей производится определение электроакустических характеристик в соответствии с электроакустической эквивалентной схемой, широко используемой в гидроакустике [5, 6-8] (фиг.1a). Электроакустическая схема замещения (фиг.1а) состоит из двух контуров “акустического” и “электрического”, связанных через акустический трансформатор с коэффициентом трансформации n. На фиг.1а обозначено:
rm – сопротивление механических потерь;
xm – реактивная часть механического сопротивления;
rs, xs – активная и реактивная части сопротивления излучения;
Rэ, Сэ – электрическое сопротивление и емкость ГАП.
Для учета взаимного влияния акустический контур дополняется расчетным значением Zвн.
При работе в воздухе rs, xs 0 [6], а характеристики Rэ, Сэ электрического контура ГАП измеряются непосредственно при помощи измерительных приборов. Определение rm, xm, n осуществляются способами, изложенными в [6, 7]. Таким образом, в воздухе определяются значения сопротивлений, представленных на фиг.1а, исключая rs, xs. Измерения выполняются для всех каналов антенны до комплектования и обычно входят в производственно-технологический процесс изготовления.
После сборки антенны измеряются импедансные характеристики ГАП в воде и по известной методике [6] измеряются ДН преобразователей в антенне Rm( , ), Z(f) в полосе рабочих частот fн>f>fв (где fн и fв – нижняя и верхняя границы диапазона рабочих частот).
Этап 2. По данным измерений определяют параметры пассивной электрической эквивалентной схемой ГАП (фиг.1б). В результате параметры Rэ, Сэ электрического контура дополняются параметрами рабочего контура в виде последовательно включенных активных и реактивных компонентов Lк, Ск, Rк, Ru:
Lк, Ск – индуктивность и емкость рабочего контура, определяющего последовательную схему замещения ГАП;
Rк – собственное сопротивление контура, эквивалентное сопротивлению механических потерь;
Ru – активное сопротивление излучения.
По результатам определения Ru отдельных каналов исходя из условия обеспечения равенства активной мощности излучения рассчитываются корректирующие амплитудные коэффициенты Кmr для каждого ГАП с номером m:

,
где umo и um – идеализированное и корректированное напряжение возбуждения m-го канала, приведенное к сопротивлениям излучения Ruo и Rum.
Значения umo и um, удовлетворяющие условию (4), пересчитываются к входу ГАП с учетом комплексных сопротивлений идеализированного Zко и реального Zкм рабочего контура:
;
.
Далее рассчитывается значение корректировочного коэффициента Dmz для m-го канала, учитывающее разброс сопротивлений излучения:

Для приведенного на фиг.1б примера эквивалентной электрической схемы ГАП комплексная величина Zк определяется соотношением:
,
где =2 f – круговая частота сигнала в полосе рабочих частот.
При определении комплексного коэффициента Dmz в качестве параметров идеализированного преобразователя выбираются расчетные значения Rко, Lко, Ско либо для практических целей устанавливаются параметры эквивалентной схемы некоторого канала антенны с номером m=1.
Полученное значение Dmz полностью определяет корректировочные коэффициенты в соотношении (3), связанные с разбросом параметров импедансных характеристик ГАП.
Этап 3. В размещенной в воде антенне поочередно возбуждают каждый канал контролируемыми сигналами в полосе рабочих частот и измеряют амплитуду и фазу наведенных сигналов на остальных невозбужденных каналах. В результате получают массив экспериментальных данных с комплексными значениями наведенных сигналов на каждом q канале при возбуждении отдельного канала m (где m=1…N, q=1…N при q m). Наведенные сигналы на невозбужденных каналах измеряются в режиме короткого замыкания (КЗ) при замкнутых выводах ГАП.
Измерение наведенных токов проводят включением между выводами невозбужденных каналов датчиков тока, выполненных, например, на основе трансформаторов тока, во вторичной обмотке которых включено нагрузочное эталонное сопротивление. При этом в первичную обмотку пересчитывается пренебрежительно малое сопротивление R m<н, что обеспечивает корректное измерение в режиме КЗ. По методике измерений наведенных токов определяют амплитуду напряжения на эталонном сопротивлении и фазу наведенного сигнала относительно фазы контролируемого сигнала возбуждения. В результате определяют комплексные величины наведенных сигналов, пропорциональных наведенным токам на невозбужденных каналах гидроакустической антенны.
Из результатов измерений наведенных токов Iкзqm рассчитывают параметры напряжений эквивалентных генераторов uqm, приведенных к сопротивлению излучения, определяющих взаимное влияние между каналами q и m в условиях эксперимента для q-канала при возбуждении m-го канала:

Для нормированного уровня возбуждения (3) с учетом корректирующих коэффициентов Dmz и Dqr рассчитывают параметры нормированных напряжений эквивалентных генераторов:

Условием получения достоверности параметров взаимного влияния между каналами непосредственно из результатов измерений является поочередное возбуждение каналов взвешенными тестовыми сигналами, уровень которых соответствует выполнению условия (4).
Для режимов возбуждения широкополосным сигналом измерение массива наведенных сигналов осуществляется в полосе рабочих частот.
Выбор режима измерений соответствует условиям возбуждения многоканальной гидроакустической антенны в составе излучающего тракта. Для современных генераторных устройств, выполненных на основе широкополосных ключевых усилителей мощности [1, 9] с весьма малым собственным сопротивлением в полосе рабочих частот, предложенный режим измерений, соответствующий режиму КЗ, позволяет получить достоверные результаты оценки взаимного влияния между каналами многоканальной гидроакустической антенны.
Этап 4. По полученному массиву данных параметров эквивалентных генераторов еqm, рассчитываются величины коррекции Uкm воздействия на каждый m-канал от остальных N-1 каналов гидроакустической антенны:

Задачей коррекции амплитудно-фазового распределения сигналов возбуждения многоканальной гидроакустической антенны является приведение амплитудно-фазового распределения к идеализированному распределению на сопротивлениях излучения каналов для каждого заданного направления ДН, определенного углами о, о. При решении поставленной задачи на сопротивлении излучения каждого канала должно быть сформировано напряжение, соответствующее условию (3).
Соответственно для каждого направления ДН рассчитывается коэффициент взаимного влияния m-канала Вm( о, о) как мультипликативно-аддитивная сумма относительных напряжений эквивалентного генератора eqm, учитывающая комплексный коэффициент возбуждения каналов:
,
где eqm=1.
Этап 5. На основе полученных на этапах 1-4 экспериментальных и расчетных данных формируют корректированное амплитудно-фазовое распределение сигналов возбуждения многоканальной гидроакустической антенны.
Для идеализированных условий заданная ДН по углам о и o определяется при установленных уровне и фазе сигнала возбуждения каждого m-канала:

где Аmo( о, о), m( о, о) – амплитуда и фаза коэффициента возбуждения ГАП;
с1, с2 – установленные величины (2).
В результате для корректированного значения Uк напряжение возбуждения m-канала согласно предлагаемому способу получим следующее выражение:

Коэффициенты Dmz, Вm определяются непосредственно по результатам измерений импедансных характеристик каналов и наведенных сигналов при поочередном возбуждении каналов из выражений (5) и (9).
Таким образом, «восстановленное» давление, развиваемое многоканальной гидроакустической антенной в дальнем поле, согласно заявляемому способу приводится к следующему мультипликативно-аддитивному соотношению:

Физической интерпретацией представленного соотношения является факт возбуждения всех каналов антенны вследствие взаимного влияния при подаче возбуждающего воздействия только на один канал. Из принципа суперпозиции всех воздействий при взаимном влиянии каналов определяется наличие второй суммы по (1 q N) для корректированного возбуждения каждого m-канала. Введение корректирующих коэффициентов Kqz обусловлено необходимостью поправок амплитуды и фазы возбуждающих напряжений с учетом разброса импедансных характеристик отдельных ГАП.
Совокупность действий заявляемого способа, последовательность и сущность которых изложена в этапах 1…5, подтверждает реализуемость предлагаемого технического решения и обеспечивает достижение технического результата, а именно улучшение характеристик многоканального гидроакустического излучающего тракта, включая повышение максимального акустического давления и приведение ДН к заданной при наличии разброса характеристик ГАП и взаимного влияния между каналами.
Источники информации
1. Артым А.Д., Усилители класса Д и ключевые генераторы в радиосвязи и радиовещании. М., Связь, 1980, 209 с.
2. Смарышев М.Д., Добровольский Ю.Ю. Гидроакустические антенны. Л., Судостроение, 1984, с.259-278.
3. Европейский патент ЕР 1349234. Compensation of mutual coupling in array antenna systems. МКИ H01Q 3/26, H04B 7/08. Автор S.J.Foti. Заявка ЕР 20030100783 20030326. Заявитель Thales PLC. Публ. 01.10.2003 (прототип).
6. Колесников А.Е. Акустические измерения. Л., Судостроение, 1983, с.129-140.
7. Орлов Л.В., Шабров А.А. Гидроакустическая аппаратура рыбопромыслового флота. Л., Судостроение, 1987, с.147, 164.
8. Справочник по гидроакустике. Л., Судостроение, 1988, с.208-210.
9. Александров В.А., Майоров В.А., Полканов К.И., Патент РФ 2188498, Гидроакустический передающий тракт. Приоритет 05.03.2001.
Формула изобретения
1. Способ коррекции амплитудно-фазового распределения возбуждения антенны, выполненной гидроакустической и N-канальной, основанный на определении взаимного влияния каналов антенны в рабочей среде, заключающийся в том, что измеряют импедансные характеристики каждого m канала гидроакустической антенны, где m=1…N, по которым определяют параметры элементов эквивалентных электрических схем каждого m канала гидроакустической антенны, в том числе сопротивление излучения; последовательно электрически возбуждают каждый m канал антенны, помещенной в водную среду, и измеряют наведенные сигналы на каждом из остальных невозбужденных q каналах антенны, и для каждого из измерений в q канале при возбуждении m канала пересчитывают величину наведенного сигнала в нормированное напряжение eqm эквивалентного генератора, включенного последовательно с сопротивлением излучения с учетом параметров эквивалентных схем m и q каналов антенны, а корректированное напряжение возбуждения для каждого q канала антенны определяют в виде комплексных мультипликативно-аддитивных сумм произведений нормированных напряжений eqm на комплексные коэффициенты для заданного амплитудно-фазового распределения возбуждения, приведенного к сопротивлению излучения.
2. Способ коррекции по п.1, отличающийся тем, что для широкополосных сигналов измерения расчеты и корректировку осуществляют на частотах в полосе рабочих частот возбуждения многоканальной гидроакустической антенны.
3. Способ коррекции по п.1 или 2, отличающийся тем, что при электронном сканировании расчеты и корректировку амплитудно-фазового распределения сигналов возбуждения осуществляют для каждого заданного угла сканирования.
РИСУНКИ
|