|
|
(21), (22) Заявка: 2007105021/09, 01.02.2007
(24) Дата начала отсчета срока действия патента:
01.02.2007
(43) Дата публикации заявки: 10.08.2008
(46) Опубликовано: 10.02.2009
(56) Список документов, цитированных в отчете о поиске:
RU 2256195 C1, 10.07.2005. RU 2134911 C1, 20.08.1999. RU 2153443 C2, 27.07.2000. US 6850185 B1, 01.02.2005. US 6763318 В1, 13.07.2004. ЕР 1329986 А1, 23.07.2003.
Адрес для переписки:
197348, Санкт-Петербург, Богатырский пр-кт, 2, ЛенСпецСМУ, В.А. Заренкову
|
(72) Автор(ы):
Заренков Вячеслав Адамович (RU), Заренков Дмитрий Вячеславович (RU), Дикарев Виктор Иванович (RU), Койнаш Борис Васильевич (RU)
(73) Патентообладатель(и):
Заренков Вячеслав Адамович (RU), Заренков Дмитрий Вячеславович (RU), Дикарев Виктор Иванович (RU), Койнаш Борис Васильевич (RU)
|
(54) УСТРОЙСТВО ДЛЯ ОПРЕДЕЛЕНИЯ РАССТОЯНИЯ МЕЖДУ ВОЗДУШНЫМИ СУДАМИ
(57) Реферат:
Предлагаемое устройство относится к области авиационной техники и предназначено для определения расстояния между воздушными судами в полете и параметров их движения. Достигаемым техническим результатом изобретения является расширение функциональных возможностей устройства путем определения векторов скорости воздушных судов, которые позволяют спрогнозировать дальнейшие маршруты полета воздушных судов и более достоверно оценить степень опасного сближения воздушных судов. Устройство содержит два измерителя азимутов воздушных судов, два измерителя высот полета воздушных судов, два измерителя наклонных дальностей до воздушных судов, двенадцать сумматоров, семнадцать блоков умножения, блок вычисления косинуса, четыре блока вычисления корня квадратного, индикатор, два измерителя угловых скоростей по азимутам воздушных судов, два измерителя угловых скоростей по углам места воздушных судов, два измерителя радиальных скоростей, соединенных определенным образом между собой для достижения указанного технического результата. 3 ил.
Предлагаемое устройство относится к области авиационной техники и предназначено для определения расстояния между воздушными судами в полете и параметров их движения.
Известны устройства для определения расстояния между воздушными судами (авт. свид. СССР №1792541; патенты РФ №№2134910, 2134911, 2256195; патент США №4789965; патент Великобритании №2232316; патент ЕР №2396071; Олянюк П.В. Авиационное радиооборудование. – М.: Транспорт, 1996. С.270-272, 280-283; Соловьев Ю.А. Системы спутниковой навигации. – М.: Эко-Трендз, 2000. С.167-168 и другие).
Из известных устройств наиболее близким к предлагаемому является «Устройство для определения расстояния между воздушными судами» (патент РФ №2256195, G01S 13/93, 2003), которое и выбрано в качестве базового объекта.
Указанное устройство обеспечивает предотвращение столкновения воздушных судов и повышение безопасности полетов за счет определения истинного расстояния между воздушными судами с учетом высот их полета.
Однако известное устройство определяет только расстояние между воздушными судами и не обеспечивает возможности для определения векторов скорости воздушных судов, которые позволяют спрогнозировать дальнейшие маршруты полета воздушных судов и более достоверно оценить степень опасного сближения воздушных судов.
Технической задачей изобретения является расширение функциональных возможностей устройства путем определения векторов скорости воздушных судов, которые позволяют спрогнозировать дальнейшие маршруты полета воздушных судов и более достоверно оценить степень опасного сближения воздушных судов.
Поставленная задача решается тем, что устройство для определения расстояния между воздушными судами, содержащее, в соответствии с ближайшим аналогом, два измерителя азимутов, два измерителя высот полета воздушных судов, два измерителя наклонных дальностей, четыре сумматора, семь блоков умножения, блок вычисления косинуса, два блока вычисления корня квадратного и индикатор, при этом к выходу первого измерителя азимута последовательно подключены первый сумматор, второй вход которого соединен с выходом второго измерителя азимута, блок вычисления косинуса, седьмой блок умножения, четвертый сумматор, второй блок вычисления корня квадратного и индикатор, к выходу первого измерителя высоты последовательно подключены первый блок умножения, второй вход которого соединен с выходом первого измерителя высоты, второй сумматор, второй вход которого соединен с выходом второго блока умножения, шестой блок умножения, второй вход которого соединен с выходом третьего сумматора, и первый блок вычисления корня квадратного, выход которого соединен с вторым входом седьмого блока умножения, выход первого измерителя наклонной дальности через второй блок умножения подключен к второму входу четвертого сумматора, выходы первого и второго измерителей высоты через третий блок умножения подключены к третьему входу четвертого сумматора, к выходу второго измерителя высоты последовательно подключены четвертый блок умножения, второй вход которого соединен с выходом второго измерителя высоты, и третий сумматор, второй вход которого соединен с выходом пятого блока умножения, выход второго измерителя наклонной дальности через пятый блок умножения подключен к четвертому входу четвертого сумматора, отличается от ближайшего аналога тем, что оно снабжено двумя измерителями угловых скоростей по азимутам, двумя измерителями угловых скоростей по углам места, двумя измерителями радиальной скорости, восьмым, девятым, десятым, одиннадцатым, двенадцатым, тринадцатым, четырнадцатым, пятнадцатым, шестнадцатым и семнадцатым блоками умножения, пятым, шестым, седьмым, восьмым, девятым, десятым, одиннадцатым и двенадцатым сумматорами, третьим и четвертым блоками вычисления корня квадратного, причем к выходу первого измерителя угловой скорости по азимуту последовательно подключены восьмой блок умножения, второй вход которого соединен с выходом первого измерителя наклонной дальности, девятый блок умножения, второй вход которого соединен с выходом восьмого блока умножения, пятый сумматор, седьмой сумматор и третий блок вычисления корня квадратного, выход которого соединен с вторым входом индикатора, к выходу первого измерителя угловой скорости по углу места последовательно подключены десятый блок умножения, второй вход которого соединен с выходом первого измерителя наклонной дальности, и одиннадцатый блок умножения, второй вход которого соединен с выходом десятого блока умножения, а выход подключен к второму входу пятого сумматора, выход первого измерителя радиальной скорости через двенадцатый блок умножения соединен с вторым входом седьмого сумматора, к выходу восьмого блока умножения последовательно подключены шестой сумматор, второй вход которого соединен с выходом десятого блока умножения, и восьмой сумматор, второй вход которого соединен с выходом первого измерителя радиальной скорости, а выход подключен к третьему входу индикатора, к выходу второго измерителя угловой скорости по азимуту последовательно подключены тринадцатый блок умножения, второй вход которого соединен с выходом второго измерителя наклонной дальности, четырнадцатый блок умножения, второй вход которого соединен с выходом тринадцатого блока умножения, девятый сумматор, десятый сумматор и четвертый блок вычисления корня квадратного, выход которого соединен с четвертым входом индикатора, к выходу второго измерителя угловой скорости по углу места последовательно подключены пятнадцатый блок умножения, второй вход которого соединен с выходом второго измерителя наклонной дальности, и шестнадцатый блок умножения, второй вход которого соединен с выходом пятнадцатого блока умножения, а выход подключен к второму входу девятого сумматора, выход второго измерителя радиальной скорости через семнадцатый блок умножения соединен с вторым входом десятого сумматора, к выходу тринадцатого блока умножения последовательно подключены одиннадцатый сумматор, второй вход которого соединен с выходом пятнадцатого блока умножения, и двенадцатый сумматор, второй вход которого соединен с выходом второго измерителя радиальной скорости, а выход подключен к пятому входу индикатора.
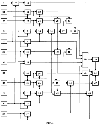
Принцип измерения вектора скорости и расстояния между двумя воздушными судами BC1 и ВС2 проиллюстрирован на фиг.1 и 2. Структурная схема устройства для измерения расстояния между воздушными судами и векторов их скоростей представлена на фиг.3.
Устройство содержит последовательно включенные первый измеритель 1 азимута 1 воздушного судна BC1, первый сумматор 7, второй вход которого соединен с выходом второго измерителя 4 азимута 2 воздушного судна ВС2, блок 13 вычисления косинуса, седьмой блок 18 умножения, четвертый сумматор 19, второй блок 20 вычисления корня квадратного и индикатор 21, последовательно включенные первый измеритель 2 высоты полета h1 воздушного судна BC1, первый блок 8 умножения, второй вход которого соединен с выходом первого измерителя 2 высоты полета, второй сумматор 14, второй вход которого соединен с выходом второго блока 9 умножения, шестой блок 16 умножения, второй вход которого соединен с выходом третьего сумматора 15, и первый блок 17 вычисления корня квадратного, выход которого соединен с вторым входом седьмого блока 18 умножения, последовательно включенные первый измеритель 3 наклонной дальности d1 до воздушного судна BC1 и второй блок 9 умножения, второй вход которого соединен с выходом первого измерителя 3 наклонной дальности, а выход подключен к второму входу четвертого сумматора 19, последовательно включенные второй измеритель 5 высоты полета h2 воздушного судна ВС2 и четвертый блок 11 умножения, второй вход которого соединен с выходом второго измерителя 5 высоты полета, а выход подключен к второму входу третьего сумматора 15, последовательно включенные второй измеритель 6 наклонной дальности d2 до воздушного судна ВС2 и пятый блок 12 умножения, второй вход которого соединен с выходом второго измерителя наклонной дальности, а выход подключен к четвертому входу четвертого сумматора 19, выходы измерителей 2 и 5 высот полета h1 и h2 воздушных судов BC1 и ВС2 соответственно через третий блок 10 умножения подключены к третьему входу четвертого сумматора 19, последовательно включенные первый измеритель 22 угловой скорости 1 по азимуту, восьмой блок 28 умножения, второй вход которого соединен с выходом первого измерителя 3 наклонной дальности d1 до воздушного судна BC1, девятый блок 29 умножения, второй вход которого соединен с выходом восьмого блока 28 умножения, пятый сумматор 38, седьмой сумматор 40 и третий блок 42 вычисления корня квадратного, выход которого подключен к второму входу индикатора 21, последовательно включенные первый измеритель 24 угловой скорости 1 по углу места, десятый блок 30 умножения, второй вход которого соединен с выходом первого измерителя 3 наклонной дальности d1 до воздушного судна BC1, и одиннадцатый блок 31 умножения, второй вход которого соединен с выходом десятого блока 30 умножения, а выход подключен к второму входу пятого сумматора 38, последовательно включенные первый измеритель 26 радиальной скорости d1 и двенадцатый блок 32 умножения, второй вход которого соединен с выходом первого измерителя 26 радиальной скорости, а выход подключен к второму входу седьмого сумматора 40, последовательно включенные второй измеритель 23 угловой скорости 2 по азимуту, тринадцатый блок 33 умножения, второй вход которого соединен с выходом второго измерителя 6 наклонной дальности d2 до воздушного судна ВС2, четырнадцатый блок 34 умножения, второй вход которого соединен с выходом тринадцатого блока 33 умножения, девятый сумматор 43, десятый сумматор 44 и четвертый блок 47 вычисления корня квадратного, выход которого подключен к третьему входу индикатора 21, последовательно включенные второй измеритель 25 угловой скорости 2, пятнадцатый блок 35 умножения, второй вход которого соединен с выходом второго измерителя 6 наклонной дальности d2 до воздушного судна ВС2, и шестнадцатый блок 36 умножения, второй вход которого соединен с выходом пятнадцатого блока 35 умножения, а выход подключен к второму входу девятого сумматора 43, последовательно включенные второй измеритель 27 радиальной скорости d2 и семнадцатый блок 37 умножения, второй вход которого соединен с выходом второго измерителя 27 радиальной скорости, а выход подключен к второму входу десятого сумматора 44. К выходу восьмого блока 28 умножения последовательно подключены шестой сумматор 39, второй вход которого соединен с выходом десятого блока 30 умножения, и восьмой сумматор 41, второй вход которого соединен с выходом первого измерителя 26 радиальной скорости, а выход подключен к четвертому входу индикатора 21.
К выходу тринадцатого блока 33 умножения последовательно подключены одиннадцатый сумматор 45, второй вход которого соединен с выходом пятнадцатого блока 35 умножения, и двенадцатый сумматор 46, второй вход которого соединен с выходом второго измерителя 27 радиальной скорости, а выход подключен к пятому входу индикатора 21.
Устройство работает следующим образом.
Первый 1 и второй 4 измерители азимутов воздушных судов BC1 и ВС2 определяют азимуты 1 и 2 соответственно. Сигнал, пропорциональный азимуту 1 первого BC1, поступает на первый вход первого сумматора 7, на второй вход которого поступает сигнал, пропорциональный азимуту 2 второго ВС2. Сигнал на выходе первого сумматора 7 пропорционален разности азимутов первого BC1 и второго ВС2: 1– 2. Этот сигнал поступает на вход блока 13 вычисления косинуса, на выходе которого сигнал пропорционален cos( 1– 2). Этот сигнал поступает на первый вход седьмого блока 18 умножения.
Первый 2 и второй 5 измерители высот полета воздушных судов BC1 и ВС2 определяют высоты полета h1 и h2 соответственно. Сигнал, пропорциональный высоте полета h1 первого BC1, поступает на первый и второй входы первого блока 8 умножения и на первый вход третьего блока 10 умножения. Сигнал, пропорциональный , с выхода первого блока 8 умножения поступает на первый вход второго сумматора 14.
Сигнал, пропорциональный высоте полета h2 второго ВС2, поступает на первый и второй входы четвертого блока 11 умножения и на второй вход третьего блока 10 умножения.
Сигнал, пропорциональный , с выхода четвертого блока 11 умножения поступает на второй вход третьего сумматора 15.
Первый 3 и второй 6 измерители наклонных дальностей до воздушных судов BC1 и ВС2 определяют наклонные дальности d1 и d2 соответственно.
Сигнал, пропорциональный наклонной дальности d1 до первого BC1, поступает на первый и второй входы второго блока 9 умножения, с выхода которого сигнал, пропорциональный , поступает на второй вход второго сумматора 14 и на второй вход четвертого сумматора 19.
На выходе второго сумматора 14 сигнал пропорционален разности квадратов наклонной дальности d1 до первого воздушного судна BC1 и его высоты h1: Этот сигнал поступает на второй вход шестого блока 16 умножения.
С выхода шестого блока 16 умножения сигнал, пропорциональный поступает на вход первого блока 17 вычисления корня квадратного, с выхода которого сигнал, пропорциональный

поступает на второй вход седьмого блока 18 умножения, на первый вход которого поступает сигнал, пропорциональный cos( 1– 2).
С выхода седьмого блока 18 умножения сигнал, пропорциональный

поступает на первый вход четвертого сумматора 19.
На третий вход четвертого сумматора 19 поступает сигнал с выхода третьего блока 10 умножения, который пропорционален произведению высоты h1 первого воздушного судна BC1 и высоты h2 второго воздушного судна ВС2: h1 h2.
На выходе четвертого сумматора 19 сигнал пропорционален квадрату расстояния между первым BC1 и вторым ВС2 воздушными судами:

Этот сигнал поступает на вход второго блока 20 вычисления корня квадратного, с выхода которого сигнал

пропорциональный расстоянию между первым BC1 и вторым BC2 воздушными судами, поступает на индикатор 21 отображения воздушной обстановки и индицируется в формуляре сопровождения.
Вектор скорости воздушного судна BC1(BC2) полностью задается своими проекциями на три некомпланарных направления. Поэтому для определения вектора скорости необходимо найти три его проекции в выбранной системе координат.
Для определения вектора скорости воздушного судна BC1 необходимо измерить радиальную скорость воздушного судна BC1 относительно точки C1 и разность его радиальных скоростей и относительно концов измерительных баз b1=O2О3 и b2=O4O5 (фиг.2).
Измерение разностей радиальных скоростей равносильно определению угловых скоростей BC1 и относительно измерительных баз b1 и b2. Зная величины и и наклонную дальность d1 до BC1, можно найти компоненты его тангенциальной скорости и после чего можно определить вектор скорости BC1
V1=Vd1+VT1+VT2,
который для ортогональных баз b1 и b2 определяется как геометрическая сумма векторов Vd1, VT1 и VT2.
Модуль вектора скорости BC1

находится как результат измерения шести радионавигационных параметров: трех координат d1, 1, 1, и трех скоростей 
Следовательно, измерение угловых скоростей и в двух плоскостях производится с помощью двух систем разнесенных антенн, измерительные базы b1 и b2 которых ориентированы в пространстве под углом 90°.
Под измеренным значениям угловых скоростей и можно определить тангенциальные составляющие вектора скорости BC1:

Аналогично определяется вектор скорости воздушного судна ВС2.
Первые измерители 22 и 24 измеряют угловые скорости и воздушного судна BC1 по азимуту 1 и углу места 1. Сигналы, пропорциональные и поступают на первые входы блоков 28 и 30 умножения, на вторые входы которых подается сигнал, пропорциональный наклонной дальности d1 с выхода измерителя 3. На выходах блоков 28 и 30 образуются сигналы, пропорциональные и соответственно. Эти сигналы поступают на два входа блоков 29 и 31 умножения и сумматора 39. На выходах блоков 29 и 31 умножения формируются сигналы, пропорциональные и которые поступают на два входа сумматора 38.
На выходе сумматоров 39 и 38 формируются сигналы, пропорциональные
и 
которые поступают на первые входы сумматоров 40 и 41.
Измеритель 26 обеспечивает измерение радиальной скорости Сигнал, пропорциональный поступает на два входа блока 32 умножения и на второй вход сумматора 41.
На выходе сумматора 41 формируется сигнал, пропорциональный вектору скорости воздушного судна BC1

Этот сигнал регистрируется индикатором 21.
На выходе блока 32 умножения формируется сигнал, пропорциональный который поступает на второй вход сумматора 32. На выходе последнего формируется сигнал, пропорциональный

который поступает на вход третьего блока 42 вычисления корня квадратного, с выхода которого сигнал, пропорциональный модулю вектора скорости BC1

поступает на третий вход индикатора 21.
Вторые измерители 23 и 25 измеряют угловые скорости и воздушного судна ВС2 по азимуту и углу места Сигналы, пропорциональные и поступают на первые входы блоков 33 и 35 умножения, на вторые входы которых подается сигнал, пропорциональный наклонной дальности d2 с выхода измерителя 6. На выходах блоков 33 и 35 образуются сигналы, пропорциональные и соответственно. Эти сигналы поступают на два входа блоков 34 и 36 умножения и сумматора 45. На выходах блоков 34 и 36 умножения формируются сигналы, пропорциональные и которые поступают на два входа сумматора 43. На выходах сумматоров 43 и 45 формируются сигналы, пропорциональные и которые поступают на первые входы сумматоров 46 и 44.
Измеритель 27 обеспечивает измерение радиальной скорости Сигнал, пропорциональный поступает на два входа блока 37 умножения и на второй вход сумматора 46.
На выходе сумматора 46 формируется сигнал, пропорциональный вектору скорости воздушного судна ВС2

Этот сигнал регистрируется индикатором 21.
На выходе блока 37 умножения формируется сигнал, пропорциональный который поступает на второй вход сумматора 44. На выходе последнего формируется сигнал, пропорциональный

который поступает на вход четвертого блока 47 вычисления корня квадратного, с выхода которого сигнал, пропорциональный модулю вектора скорости ВС2

поступает на пятый вход индикатора 21.
Таким образом, предлагаемое устройство по сравнению с прототипом обеспечивает определение не только расстояния между воздушными судами, но и векторов скорости воздушных судов. Это обстоятельство позволяет спрогнозировать дальнейшие маршруты полета воздушных судов и более достоверно оценить степень опасного сближения воздушных судов. Тем самым функциональные возможности устройства расширены.
Формула изобретения
Устройство для определения расстояния между воздушными судами, содержащее два измерителя азимутов, два измерителя высот полета воздушных судов, два измерителя наклонных дальностей, четыре сумматора, семь блоков умножения, блок вычисления косинуса, два блока вычисления корня квадратного и индикатор, при этом к выходу первого измерителя азимута последовательно подключены первый сумматор, второй вход которого соединен с выходом второго измерителя азимута, блок вычисления косинуса, седьмой блок умножения, четвертый сумматор, второй блок вычисления корня квадратного и индикатор, к выходу первого измерителя высоты последовательно подключен первый блок умножения, второй вход которого соединен с выходом первого измерителя высоты, второй сумматор, второй вход которого соединен с выходом второго блока умножения, шестой блок умножения, второй вход которого соединен с выходом третьего сумматора, и первый блок вычисления корня квадратного, выход которого соединен с вторым входом седьмого блока умножения, выход первого измерителя наклонной дальности через второй блок умножения подключен к второму входу четвертого сумматора, при этом второй вход второго блока умножения соединен с выходом первого измерителя наклонной дальности, выходы первого и второго измерителей высоты через третий блок умножения подключены к третьему входу четвертого сумматора, к выходу второго измерителя высоты последовательно подключены четвертый блок умножения, второй вход которого соединен с выходом второго измерителя высоты, и третий сумматор, второй вход которого соединен с выходом пятого блока умножения, выход второго измерителя наклонной дальности через пятый блок умножения подключен к четвертому входу четвертого сумматора, при этом второй вход пятого блока умножения соединен с выходом второго измерителя наклонной дальности, отличающееся тем, что оно снабжено двумя измерителями угловых скоростей по азимутам, двумя измерителями угловых скоростей по углам места, двумя измерителями радиальной скорости, восьмым, девятым, десятым, одиннадцатым, двенадцатым, тринадцатым, четырнадцатым, пятнадцатым, шестнадцатым и семнадцатым блоками умножения, пятым, шестым, седьмым, восьмым, девятым, десятым, одиннадцатым и двенадцатым сумматорами, третьем и четвертым блоками вычисления корня квадратного, причем к выходу первого измерителя угловой скорости по азимуту последовательно подключены восьмой блок умножения, второй вход которого соединен с выходом первого измерителя наклонной дальности, девятый блок умножения, второй вход которого соединен с выходом восьмого блока умножения, пятый сумматор, седьмой сумматор и третий блок вычисления корня квадратного, выход которого соединен с вторым входом индикатора, к выходу первого измерителя угловой скорости по углу места последовательно подключены десятый блок умножения, второй вход которого соединен с выходом первого измерителя наклонной дальности, и одиннадцатый блок умножения, второй вход которого соединен с выходом десятого блока умножения, а выход подключен к второму входу пятого сумматора, выход первого измерителя радиальной скорости через двенадцатый блок умножения соединен с вторым входом седьмого сумматора, при этом второй вход двенадцатого блока умножения соединен с выходом первого измерителя радиальной скорости, к выходу восьмого блока умножения последовательно подключены шестой сумматор, второй вход которого соединен с выходом десятого блока умножения, и восьмой сумматор, второй вход которого соединен с выходом первого измерителя радиальной скорости, а выход подключен к третьему входу индикатора, к выходу второго измерителя угловой скорости по азимуту последовательно подключены тринадцатый блок умножения, второй вход которого соединен с выходом второго измерителя наклонной дальности, четырнадцатый блок умножения, второй вход которого соединен с выходом тринадцатого блока умножения, девятый сумматор, десятый сумматор и четвертый блок вычисления корня квадратного, выход которого соединен с четвертым входом индикатора, к выходу второго измерителя угловой скорости по углу места последовательно подключены пятнадцатый блок умножения, второй вход которого соединен с выходом второго измерителя наклонной дальности, и шестнадцатый блок умножения, второй вход которого соединен с выходом пятнадцатого блока умножения, а выход подключен к второму входу девятого сумматора, выход второго измерителя радиальной скорости через семнадцатый блок умножения соединен с вторым входом десятого сумматора, при этом второй вход семнадцатого блока умножения соединен с выходом второго измерителя радиальной скорости, к выходу тринадцатого блока умножения последовательно подключены одиннадцатый сумматор, второй вход которого соединен с выходом пятнадцатого блока умножения, и двенадцатый сумматор, второй вход которого соединен с выходом второго измерителя радиальной скорости, а выход подключен к пятому входу индикатора.
РИСУНКИ
|
|