|
|
(21), (22) Заявка: 2007112178/09, 02.04.2007
(24) Дата начала отсчета срока действия патента:
02.04.2007
(43) Дата публикации заявки: 10.10.2008
(46) Опубликовано: 10.02.2009
(56) Список документов, цитированных в отчете о поиске:
RU 2145093 C1, 27.01.2000. RU 20972 U1, 10.12.2001. RU 2150716 С1, 10.06.2000. RU 2222028 С2, 20.01.2004. US 2005179582 A1, 18.08.2005. CA 2567572 A1, 24.11.2005. GB 2080654 A, 03.02.1982. US 5844519 A, 01.12.1998.
Адрес для переписки:
603950, г.Нижний Новгород, ул. Шапошникова, 5, ФГУП “Нижегородский научно-исследовательский институт радиотехники”
|
(72) Автор(ы):
Поляков Борис Иванович (RU), Бомштейн Александр Давидович (RU), Прядко Александр Николаевич (RU), Розводовский Виталий Сергеевич (RU)
(73) Патентообладатель(и):
Федеральное государственное унитарное предприятие “Нижегородский научно-исследовательский институт радиотехники” (RU)
|
(54) МНОГОДИАПАЗОННЫЙ РАДИОЛОКАЦИОННЫЙ КОМПЛЕКС
(57) Реферат:
Изобретение относится к области радиолокации и может быть использовано в радиолокационных системах управления воздушным движением и контроля воздушно-космического пространства. Достигаемым техническим результатом изобретения является расширение функциональных возможностей радиолокационного комплекса (РЛК) за счет программного комплексирования энергетических ресурсов и повышения коэффициента использования радиолокационных устройств комплекса. Технический результат достигается за счет того, что РЛК содержит n 2 радиолокационных модулей (РЛМ), содержащих антенну, приемопередающее устройство и устройство первичной обработки, причем Д 1 РЛМ выполнены в длинноволновом (метровом) диапазоне волн, а К 1 РЛМ выполнены в коротковолновом (дециметровом и/или сантиметровом) диапазоне волн, РЛК содержит также модуль наземного радиозапросчика и вторичного радиолокатора, модуль обработки информации и управления (МОУ), включающий устройство связи с потребителями, в каждый РЛМ введены устройство вторичной обработки информации и устройство управления параметрами и режимами, в качестве антенны используется двумерная фазированная решетка, в МОУ введены устройство управления комплексом и устройство обработки информации. Все перечисленные средства определенным образом соединены между собой. 2 ил.
Изобретение относится к области радиолокации и может быть использовано в перспективных радиолокационных системах управления воздушным движением и контроля воздушно-космического пространства.
В настоящее время для выполнения этих функций используют, как правило, ряд независимых РЛС различного диапазона волн, обеспечивающих регулярный просмотр зоны ответственности. В качестве аналога может служить радиолокационный комплекс, образованный радиолокационными станциями и комплексом средств автоматизации (КСА) радиотехнической позиции. Полученная РЛС радиолокационная информация с выхода аппаратуры первичной или вторичной обработки передается на КСА для отождествления и вторичной и/или третичной обработки. Начальник расчета анализирует воздушную и помеховую обстановку, отображаемую на выносных индикаторах кругового обзора РЛС, и уточняет задачи дежурным сменам РЛС. Начальники расчетов РЛС, изменяя режимы функционирования РЛС, обеспечивают оптимальное использование возможностей РЛС в интересах выполнения поставленной задачи.
Известно (Справочник по радиолокации. Под ред. М.Сколника. Пер. с англ. (в четырех томах) под общей ред. К.Н.Трофимова. Том 1. Основы радиолокации. Под ред. Я.С.Ицхоки. М., «Сов. радио», 1976, с.21), что РЛС метрового диапазона волн имеют большую по сравнению с РЛС дециметрового и сантиметрового диапазона волн зону обнаружения малоразмерных объектов и особенно объектов, изготовленных по Stealth-технологии. Они меньше подвержены влиянию пассивных помех естественного происхождения, в том числе дискретных метеообразований типа «Ангел», но обладают, как правило, недостаточной точностью измерения углов места целей, особенно под малыми углами места, и худшими характеристиками разрешения целей по угловым координатам.
РЛС дециметрового и сантиметрового диапазонов волн обладают, как правило, высокими точностями измерения угловых координат и характеристиками разрешения воздушных объектов по угловым координатам. К недостаткам этих РЛС можно отнести трудности обеспечения требуемых характеристик обнаружения малоскоростных малоразмерных воздушных объектов в условиях воздействия дискретных метеообразований типа «ангел» и обеспечения требуемой дальности обнаружения объектов, изготовленных по Stealth-технологии.
Главным и в то же время самым слабым звеном в системе управления таким комплексом является человек-оператор, так как эффективность управления определяется возможностями человека-оператора по анализу обстановки и скорости принятия правильного решения. Такие системы управления достаточно эффективны только в простой обстановке при наличии небольшого количества воздушных объектов в зоне ответственности РЛК.
Объединение разнодиапазонных программно управляемых РЛС в единый радиолокационный комплекс позволяет существенно повысить эффективность управления и обеспечить максимальное использование возможностей каждой РЛС. Это особенно необходимо в условиях, когда в зоне видимости РЛК находятся сотни воздушных объектов, а их обнаружение и сопровождение затруднено из-за мешающего действия радиопомех.
Наиболее близким техническим решением, принятым за прототип, является известный радиолокационный комплекс (РЛК) для обнаружения и сопровождения объектов (патент RU 2145093, G01S 13/04), состоящий (фиг.1) из n 2 приемопередающих модулей (ППМ) и модуля обработки и управления (МОУ) (в прототипе – модуль обработки). К 1 ППМ выполнены в коротковолновом диапазоне (ППМК), а остальные Д 1 – в длинноволновом (ППМД).
Каждый ППМ состоит из антенны (А) 1, приемопередающего устройства (ППУ) 2 и устройства первичной обработки радиолокационных сигналов (УПО) 3, где вход-выход А 1 соединен со входом-выходом ППУ 2, а выход ППУ 2 соединен со входом УПО 3.
МОУ состоит из устройства вторичной обработки информации (УВО) 6, устройства связи с потребителем (УСП) 7 и устройства управления (УУ) 8, где 1-й выход УВО 6 соединен со входом УСП 7, а второй – со входом УУ 8, входы УВО 6 соединены с выходами УПО 3 всех ППМ, выходы УУ 8 соединены со входами А 1 и ППУ 2 всех ППМК, а выходы УСП 7 являются выходами РЛК.
С помощью ППМД осуществляют регулярный обзор пространства, обнаруживают сигнал, измеряют его координаты и размер пакета отраженных сигналов. Если следует, что обнаружен новый объект, то вырабатываются команды управления ППМК. По этим данным луч антенны ППМК устанавливается в заданном направлении и обеспечивается излучение и прием сигналов. С помощью ППМK обнаруживают и разрешают групповые объекты, координаты неразрешаемых объектов привязываются к центру пакета отраженных сигналов, принятых ППМД. Далее сопровождение объектов ведут по данным ППМД, сравнивая размер пакета принятых сигналов с размером, хранящимся в памяти. При изменении размера пакета на величину больше допустимой вырабатываются команды управления ППМК, и далее процесс управления ППМК произойдет так же, как и при обнаружении нового объекта, в результате чего будут определены новые параметры привязки угловых координат объектов к центру пакета.
Недостатком известного РЛК является низкая эффективность работы РЛК по назначению, главным образом, из-за недостаточного использования энергетического ресурса ППМК, так как регулярный обзор пространства осуществляют ППМД, а ППМК используется только для уточнения состава обнаруженного объекта и привязки координат разрешенных объектов к центру пакета отраженных сигналов. При этом до обнаружения новой цели и/или появления необходимости уточнения состава обнаруженного/сопровождаемого объекта энергетический ресурс ППМК не используется. В этом случае в результате воздействия активных шумовых помех на ППМД, в зоне видимости ППМД могут появляться сектора эффективного подавления, что приведет к значительному сокращению дальности первичного обнаружения или пропуску воздушных объектов. Кроме того, в силу интерференции прямого и отраженного от земной поверхности «лучей» коэффициент использования радиогоризонта ППМД будет меньше, чем у ППМК, и соответственно ППМД будут иметь меньшие дальности обнаружения воздушных объектов, летящих на малых и предельно малых высотах.
Техническим результатом заявляемого изобретения является расширение функциональных возможностей РЛК в сложной воздушной и помеховой обстановке за счет программного комплексирования энергетических ресурсов и повышения коэффициента использования радиолокационных устройств комплекса.
Технический результат достигается созданием радиолокационного комплекса (РЛК), реализующего адаптивный обзор пространства методом программного управления энергетическими ресурсами радиолокационных устройств комплекса.
Для этого в известный РЛК, содержащий n 2 приемопередающих модулей (ППМ) и модуль обработки и управления (МОУ) и состоящий из К 1 ППМ коротковолнового диапазона (ППМК) и Д 1 ППМ длинноволнового диапазона (ППМД), введены новые функциональные устройства.
В ППМ, содержащий А, ППУ, УПО, дополнительно введены устройство вторичной обработки информации (УВО) и устройство управления параметрами и режимами (УУР).
В качестве антенны применена двумерная фазированная антенная решетка (ФАР).
В заявляемом комплексе вместо ППМ использовано наименование «радиолокационный модуль» (РЛМ) – многофункциональное радиолокационное устройство с программным управлением.
В МОУ, содержащий УСП, вместо устройства вторичной обработки введено устройство обработки информации (УОИ), реализующее алгоритмы вторичной и третичной обработки информации. Вместо УУ введено устройство управления комплексом (УУК), отличающееся от УУ программным обеспечением и организацией связи с элементами комплекса.
Дополнительно в РЛК введены модуль наземного радиозапросчика (НРЗ) и модуль вторичного радиолокатора (ВРЛ).
Входы-выходы УОИ соединены со входами-выходами УВО всех РЛМ и первыми входами-выходами НРЗ и ВРЛ. 1-й выход УОИ соединен со входом УСП, а 2-й – со входом УУК. Выходы УСП являются выходами РЛК. Входы-выходы УУК соединены со вторыми входами-выходами УУР всех РЛМ и вторыми входами-выходами НРЗ и ВРЛ.
Аппаратура УВО всех РЛМ и аппаратура УОИ МОУ образуют единый комплекс обработки радиолокационной информации РЛК, а аппаратура УУР всех РЛМ совместно с аппаратурой УУК МОУ реализует комплекс управления РЛК.
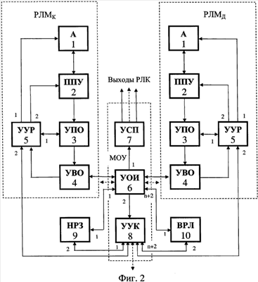
Заявляемый комплекс (фиг.2) состоит из n 2 РЛМ, МОУ, НРЗ и ВРЛ, причем Д 1 РЛМ выполнены в длинноволновом диапазоне волн (РЛМД), К 1 РЛМ выполнены в коротковолновом (дециметровом и/или сантиметровом) диапазоне волн (РЛМК).
РЛМ состоит из двумерной ФАР (А) 1, приемопередающего устройства (ППУ) 2, устройства первичной обработки информации (УПО) 3, устройства вторичной обработки информации (УВО) 4 и устройства управления режимами (УУР) 5, при этом вход-выход А 1 соединен с входом-выходом ППУ 2, выход ППУ 2 соединен со входом УПО 3, выход УПО 3 соединен со входом УВО 4, выход УВО 4 соединен со входом УУР 5, 1-й вход-выход УУР 5 соединен с входом-выходом УПО 3, 1-й выход УУР 5 соединен со входом А 1, 2-й выход УУР 5 соединен со входом ППУ 2.
МОУ состоит из устройства обработки информации (УОИ) 6, устройства связи с потребителям (УСП) 7 и устройства управления комплексом (УУК) 8, при этом n+2 входов-выходов УОИ 6 соединены со входами-выходами всех РЛМ и первыми входами-выходами НРЗ 9 и ВРЛ 10, 1-й выход УОИ 6 соединен со входом УСП 7, выходы УСП 7 являются выходами РЛК, 2-й выход УОИ 6 соединен со входом УУК 8, а n+2 входа-выхода УУК 8 соединены со вторыми входами-выходами УУР 5 всех РЛМ и со вторыми входами-выходами НРЗ 9 и ВРЛ 10.
РЛМ имеют два режима обзора пространства – регулярный обзор назначенной зоны (РО) и режим обнаружения или сопровождения назначенного объекта (PC).
В УУР 5 оцениваются техническое состояние аппаратуры и основные технические параметры РЛМ. По каждому воздушному объекту, находящемуся в зоне ответственности РЛК, рассчитываются характеристики обнаружения. На основании оценок и расчетов вырабатываются команды управления параметрами излучаемых сигналов, уточняются алгоритмы первичной обработки, рассчитываются направление, время начала и конца облучения в режиме обнаружения или сопровождения назначенного объекта, включается аппаратура защиты от помех и т.д.
УУК 8 по информации, получаемой от УУР 5 РЛМ, НРЗ 9 и ВРЛ 10, оценивает техническое состояние модулей, определяет границы назначенной зоны регулярного обзора и уточняет их в соответствии со складывающейся радиолокационной обстановкой, управляет включением модуля НРЗ 9 для опознавания вновь обнаруженных и сопровождаемых воздушных объектов, управляет модулем ВРЛ 10.
РЛК осуществляет адаптивно-программный обзор заданной зоны обзора методом комплексирования зон регулярного обзора всех РЛМ, НРЗ 9, ВРЛ 10. При этом НРЗ 9 обеспечивает РЛК информацией опознавания по всей зоне обзора РЛК, а ВРЛ 10 обеспечивает РЛК как радиолокационной, так и дополнительной информацией (госпринадлежность, компания, количество пассажиров, запас топлива и др.) с борта самолетов, находящихся в зоне действия РЛК.
РЛМ – многофункциональные радиолокационные устройства с активными или пассивными двумерными фазированными антенными решетками, осуществляющие обзор пространства за счет кругового механического вращения антенны и секторного электронного сканирования диаграммы направленности ФАР. При этом часть периода обзора РЛМ расходуется на регулярный обзор назначенной зоны (режим РО), часть периода обзора расходуется на обнаружение или сопровождение назначенного воздушного объекта (режим PC). Время, выделяемое на режим PC, зависит от количества сопровождаемых воздушных объектов.
Управление радиолокационными средствами осуществляется программным способом. Для этого в УУК 8 МОУ задаются несколько программ управления, которые предназначены для решения конкретных задач. Так, например, могут быть заданы программы, реализующие задачи обнаружения на максимальной дальности и беспровального сопровождения в зоне обзора РЛК высокоскоростных высотных объектов, или малоразмерных маловысотных объектов, или объектов, изготовленных по Stealth-технологии, или баллистических объектов и т.д. Учитывая преимущества метрового диапазона волн по обнаружению малозаметных целей, РЛМД в РЛК могут выполнять роль средства дальнего обнаружения, РЛМК, использующий дециметровый диапазон волн, – роль радиолокационного средства средней дальности, а РЛМК, использующий сантиметровый диапазон волн, соответственно, роль средства малой дальности. Уточнение программы обзора РЛМ производится в УУР 5 по командам, получаемым от УУК8 МОУ, или автоматически подпрограммами адаптации по результатам оценки зоны видимости РЛМ в реально складывающихся условиях применения с учетом количества сопровождаемых целей, ЭПР целей, помеховой обстановки, реальных углов закрытия и т.д.
Принятые А 1 РЛМ сигналы усиливаются в ППУ 2 и обрабатываются в устройстве УПО 3. При первичной обработке информации (Справочник по основам радиолокационной техники, под ред. В.В.Дружинина. – М.: Воениздат, 1967, с.527) производится накопление полезного сигнала, его обнаружение на фоне помех, измерение координат и радиальной скорости (там же, с.541). Эта информация с выхода УПО 3 поступает на аппаратуру УВО 4. Кроме того, на вход-выход УВО 4 РЛМ поступает информация обо всех обнаруженных и сопровождаемых целях. Здесь производится вторичная обработка информации (там же, с.542-548). При этом, если координатная информация, полученная с УПО 3, принадлежит сопровождаемому объекту, в УВО 4 производится сглаживание координат и передача их по входу-выходу УВО 4 на УОИ 6 МОУ. Если координатная информация не принадлежит сопровождаемым РЛК объектам и в УВО 4 не поступила информация по этому объекту от других источников (РЛМ, ВРЛ 10), то взятие объекта на автосопровождение и его сопровождение производится по данным этого источника. При этом на 1-й вход-выход УУР 5 с входа-выхода УПО 3 поступает информация о доплеровской скорости нового объекта и, если она превышает установленный порог для высокоскоростного объекта, в УУР 5 вырабатывается команда обращения к этому объекту на текущем обзоре. С 1-го выхода УУР 5 управляющие команды поступают на вход А 1 и в заданное время отклоняют луч диаграммы направленности А 1 в направлении на облучаемый объект. Со 2-го выхода УУР 5 на вход ППУ 2 поступают команды управления параметрами зондирующего сигнала для повторного облучения новых объектов. В этом случае значительно сокращается время завязки трассы и повышается ее достоверность. Если доплеровская скорость нового объекта не превышает установленный порог для высокоскоростного объекта, то команда обращения к этой цели на текущем обзоре не вырабатывается, а повторное облучение и взятие объекта на автосопровождение производится на последующих обзорах. Если координатная информация не принадлежит сопровождаемым РЛК объектам, но в УВО 4 получена информация о нем в виде координатной информации от других источников (РЛМ, ВРЛ 10), то происходит формирование новой трассы и взятие объекта на сопровождение с учетом имеющейся информации на первом обзоре. С входа-выхода УВО 4 координатная информация о новых объектах и сглаженная информация по сопровождаемым трассам поступает на входы-выходы УОИ 6.
Если из информации следует, что трасса сопровождается по данным РЛМД, то есть находится вне зоны регулярного обзора РЛМК, то для получения более точных измерений высоты объекта (угла места цели) УУР 5 уточняет алгоритм обзора пространства РЛМК включением алгоритма обнаружения и сопровождения данного (назначенного) объекта. УУР 5 РЛМК производит расчет времени начала и конца облучения назначенного объекта, уточняет параметры зондирующего сигнала и выдает необходимые управляющие команды на А 1 и ППУ 2. После входа объекта в зону регулярного обзора РЛМК УУР 5 уточняет алгоритм обзора пространства выключением алгоритма обнаружения и сопровождения назначенного объекта.
Информация об уровне воздействующих помех на РЛМ со входа-выхода УПО 3 поступает на 1-й вход-выход УУР 5. В УУР 5 производится расчет параметров зоны видимости РЛМ, которые через 2-й вход-выход УУР 5 поступают на УУК 8. При появлении провалов в зоне видимости РЛМ в УУК 8 вырабатываются команды по уточнению зон регулярного обзора остальных РЛМ с целью ликвидации или минимизации эффекта от воздействия помехи на зону видимости РЛК.
Таким образом, на входы-выходы устройства УОИ 6 от РЛМ поступает трассовая информация по сопровождаемым объектам и координатная информация по несопровождаемым объектам, а также информация от НРЗ 9 и ВРЛ 10. Кроме того, на УОИ 6 может поступать координатная или трассовая информация от внешних источников – сопрягаемых РЛС. В этом случае в УОИ 6 производится вторичная или «межтрассовая» третичная обработка. Если поступившая координатная информация принадлежит сопровождаемому объекту по данным РЛМ или ВРЛ 10, то при наличии информации опознавания от НРЗ 9 производится ее отождествление. С 1-го выхода УОИ 6 трассовая информация поступает на УСП 7 и далее передается потребителям. Со 2-го выхода УОИ 6 координатная и трассовая информация поступает на вход УУК 8.
Если сопровождаемый в режиме регулярного обзора пространства воздушный объект выходит из зоны видимости РЛК, но продолжает находиться в зоне обзора, то по нему в УУР 5 РЛМ вырабатывается команда включения алгоритма сопровождения данного (назначенного) объекта.
Таким образом, введение в известный РЛК программно управляемых разнодиапазонных радиолокационных модулей с УВО, УУР и ФАР А, устройств УОИ и УУК в модули обработки и управления, модулей НРЗ и ВРЛ позволило существенно расширить функциональные возможности РЛК (повысить количество сопровождаемых целей и качество выходной информации) в сложной воздушной и помеховой обстановке за счет программного комплексирования энергетических ресурсов и повышения коэффициента использования радиолокационных устройств комплекса.
Формула изобретения
Радиолокационный комплекс (РЛК), состоящий из n 2 радиолокационных модулей (РЛМ), содержащих антенну, приемопередающее устройство (ППУ) и устройство первичной обработки (УПО), вход которого связан с выходом ППУ, вход-выход которого соединен с входом-выходом антенны, причем Д 1 РЛМ выполнены в длинноволновом (метровом) диапазоне волн (РЛМд), а К 1 РЛМ выполнены в коротковолновом (дециметровом и/или сантиметровом) диапазоне волн (РЛМк), и модуля обработки информации и управления (МОУ), включающего устройство связи с потребителями (УСП), выходы которого являются выходами РЛК, отличающийся тем, что в РЛК введены модули наземного радиозапросчика (НРЗ) и вторичного радиолокатора (ВРЛ), в каждый РЛМ введены устройство вторичной обработки информации (УВО), вход которого соединен с выходом УПО, и устройство управления параметрами и режимами (УУР), вход которого соединен с выходом УВО, первый вход-выход соединен с входом-выходом УПО, первый выход – со входом антенны, второй выход – со входом ППУ, а в качестве антенны используется двумерная фазированная решетка, в МОУ введены устройство управления комплексом (УУК) и устройство обработки информации (УОИ), первый выход которого соединен со входом УСП, второй выход – со входом УУК, n+2 входа-выхода – с входами-выходами УВО всех РЛМ и первыми входами-выходами НРЗ и ВРЛ, а n+2 входа-выхода УУК соединены со вторыми входами-выходами УУР всех РЛМ и вторыми входами-выходами НРЗ и ВРЛ.
РИСУНКИ
Другие изменения, связанные с зарегистрированными изобретениями
Изменения:
Зарегистрирован переход исключительного права без заключения договора Дата и номер государственной регистрации перехода исключительного права: РП0000095 от 30.09.2009 Патентообладатель: Открытое акционерное общество “Федеральный научно-производственный центр “Нижегородский научно-исследовательский институт радиотехники” Прежний патентообладатель: Федеральное государственное унитарное предприятие “Нижегородский научно-исследовательский институт радиотехники”
Номер и год публикации бюллетеня: 4-2009
Извещение опубликовано: 10.11.2009 БИ: 31/2009
|
|