|
|
(21), (22) Заявка: 2007134081/28, 13.09.2007
(24) Дата начала отсчета срока действия патента:
13.09.2007
(46) Опубликовано: 10.02.2009
(56) Список документов, цитированных в отчете о поиске:
RU 2282198 С1, 20.08.2006. SU 1049813 А, 23.10.1983. RU 2124709 С1, 10.01.1999. GB 1308080 А, 28.02.1973.
Адрес для переписки:
140180, Московская обл., г. Жуковский, ул. Жуковского, 1, ФГУП “ЦАГИ”, отдел 80
|
(72) Автор(ы):
Носачев Леонид Васильевич (RU)
(73) Патентообладатель(и):
Федеральное государственное унитарное предприятие “Центральный аэрогидродинамический институт имени профессора Н.Е. Жуковского” (ФГУП “ЦАГИ”) (RU)
|
(54) ПРИЕМНИК ПОЛНОГО ДАВЛЕНИЯ
(57) Реферат:
Изобретение может быть использовано для определения скорости нестационарных газовых потоков. Преобразователь давления приемника установлен в приемной трубке с образованием внутри нее камеры торможения и кольцевого канала на выходе камеры. Приемная трубка выполнена тонкостенной с толщиной стенки 0,1-0,2 мм и имеет заостренную изрезанную переднюю кромку с глубиной впадин 0,1-1,0 диаметра приемной трубки и углом при вершине от 30° до 120°. Изобретение обеспечивает снижение погрешности измерения пульсаций полного давления в частотном диапазоне до 50 кГц в градиентных потоках, высокое локальное разрешение измерений, практически нечувствительно к скосам потока в диапазоне углов ±15°. 1 з.п. ф-лы, 2 ил.
Изобретение относится к измерению полного давления и может быть использовано для определения скорости нестационарных газовых потоков.
Известен насадок для измерения полного давления сверхзвуковых высокотемпературных потоков газа (Авт. св. СССР №1049813А, МПК G01P 5/16, 23.10.1983), содержащий приемную трубку, входное отверстие которой обращено навстречу потоку, и кожух, в котором размещена приемная трубка с образованием полости кольцевого поперечного сечения, заглушенной на срезе торцевой стенкой из пористого материала и сообщенной с источником охлаждающей среды.
Недостатком известного технического решения является значительная погрешность, которую имеет устройство при измерении пульсаций полного давления из-за инерционности пневмометрической трассы, соединяющей насадок с преобразователем давления.
Наиболее близким из известных технических решений заявляемому устройству является приемник полного давления (Патент RU 2282198, МПК G01P 5/16, 20.04.2005), содержащий приемную трубку в охлаждаемом кожухе, входное отверстие которой обращено навстречу потоку, и преобразователь давления, установленный внутри приемной трубки с образованием перед ним камеры торможения потока, заполненной игольчатой насадкой из полых заостренных игл, обращенных навстречу потоку.
Недостатком известного технического решения являются относительно большие размеры приемника с охлаждаемым кожухом, что увеличивает погрешность измерений полного давления в градиентных потоках.
Задачей данного изобретения является снижение погрешности измерения полного давления в градиентных потоках.
Технический результат, получаемый при осуществлении изобретения, заключается в разработке миниатюрного приемника полного давления со встроенным преобразователем давления, обеспечивающего высокое локальное разрешение проводимых измерений и снижение приведенной погрешности до 2%.
Решение задачи и технический результат достигаются тем, что в приемнике полного давления, содержащем приемную трубку, входное отверстие которой обращено навстречу потоку, и преобразователь давления, установленный в приемной трубке с образованием внутри нее камеры торможения набегающего потока, камера торможения на выходе имеет кольцевой канал для протока заторможенного потока. Канал образован наружной поверхностью преобразователя давления и внутренней поверхностью приемной трубки, выполненной тонкостенной с толщиной стенки 0,1-0,2 мм и имеющей заостренную изрезанную переднюю кромку с глубиной впадин 0,1-1,0 диаметра приемной трубки и углом при вершине от 30° до 120°.
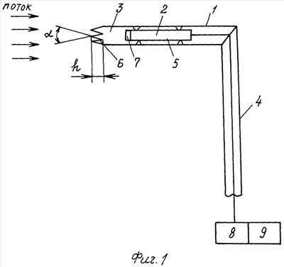
Схема предлагаемого приемника полного давления показана на фигуре 1.
На фиг.2 приведены спектры пульсаций полного давления.
Приемник полного давления содержит приемную трубку 1, входное отверстие которой обращено навстречу потоку, преобразователь давления 2, установленный в приемной трубке 1 с образованием внутри нее камеры торможения 3, и державку 4. Камера торможения 3 на выходе имеет кольцевой канал 5, образованный наружной поверхностью преобразователя давления 2 и внутренней поверхностью приемной трубки 1. Приемная трубка 1 выполнена тонкостенной с толщиной стенки 0,1-0,2 мм, имеет заостренную изрезанную переднюю кромку 6 с глубиной впадин h, равной 0,1-1,0 диаметра приемной трубки 1, и углом при вершине от 30° до 120°.
Преобразователь давления 2 содержит также перфорированную входную решетку 7 и электрически соединен с нормализатором 8 и регистратором выходного сигнала 9.
Приемник полного давления работает следующим образом.
В соответствии с предлагаемой схемой реализован приемник полного давления, в котором приемная трубка 1 диаметром 2,3 мм с толщиной стенки 0,12 мм выполнена из тантала и имеет заточенную изрезанную переднюю кромку 6. Внутри приемной трубки 1 установлен преобразователь давления модели 8534 фирмы Эндевко с образованием камеры торможения 3 и кольцевого канала 5 на выходе камеры торможения 3.
Для динамической градуировки приемника полного давления традиционно использовалась методика градуировки в ударной трубе (Колотаев Н.П. и др. Методика и результаты исследований пьзоэлектрических датчиков давления в ударной трубе и на градуировочном стенде. Труды ЦИАМ, 1982 г.) и установлена его постоянная времени =2·10-5 с. В качестве примера на фиг.2 показаны спектры пульсаций полного давления, полученные с помощью приемника в градиентном потоке воздуха с интенсивными пульсациями для сечений Х=2, 6 и 16 мм. Отсутствие на спектрах резонансных частот, связанных с резонансом чувствительной мембраны преобразователя или измерительных полостей, экспериментально подтверждает установленную постоянную времени приемника полного давления.
В результате выполненных исследований пульсаций полного давления в частотном диапазоне от 0 до 50 кГц установлено, что предложенный приемник полного давления имеет коэффициент восстановления давления, близкий к единице (К=0,99), вплоть до скоростей, соответствующих числу М=2, и стационарный режим течения в камере торможения 3. Кроме того, приемник полного давления практически не чувствителен к скосам потока в диапазоне углов ±15°.
Таким образом положительный эффект данного изобретения заключается в снижении погрешности измерения полного давления и пульсаций полного давления в градиентных потоках газа в частотном диапазоне от 0 до 50 кГц.
Формула изобретения
1. Приемник полного давления, содержащий приемную трубку, входное отверстие которой обращено навстречу потоку, и преобразователь давления, установленный в приемной трубке с образованием внутри нее камеры торможения потока, отличающийся тем, что камера торможения на выходе имеет кольцевой канал, который образован наружной поверхностью преобразователя давления и внутренней поверхностью приемной трубки, выполненной тонкостенной с толщиной стенки 0,1-0,2 мм, причем приемная трубка имеет заостренную изрезанную переднюю кромку.
2. Приемник по п.1, отличающийся тем, что глубина впадин заостренной изрезанной передней кромки составляет 0,1-1,0 диаметра приемной трубки и угол при вершине выступов лежит в диапазоне от 30° до 120°.
РИСУНКИ
|
|