|
|
(21), (22) Заявка: 2007108625/28, 07.03.2007
(24) Дата начала отсчета срока действия патента:
07.03.2007
(43) Дата публикации заявки: 20.09.2008
(46) Опубликовано: 10.02.2009
(56) Список документов, цитированных в отчете о поиске:
RU 2225596 C1, 10.03.2004. SU 139097 A1, 01.01.1961. RU 55970 U1, 27.08.2006. UA 76805, 15.12.2004. US 3342071, 19.09.1967.
Адрес для переписки:
91057, Украина, г. Луганск, кварт. Волкова, 8, кв.20, В.В. Калюжному
|
(72) Автор(ы):
Иваненко Вячеслав Иванович (UA)
(73) Патентообладатель(и):
Иваненко Вячеслав Иванович (UA)
|
(54) ТУПИКОВАЯ ТОПЛИВНАЯ СИСТЕМА ДИЗЕЛЬНОГО ДВИГАТЕЛЯ С УЧАСТКОМ ДЛЯ ИЗМЕРЕНИЯ РАСХОДА ТОПЛИВА
(57) Реферат:
Изобретение может быть использовано для контроля и учета расхода топлива в дизельных двигателях внутреннего сгорания, имеющих замкнутую тупиковую топливную систему. Тупиковая топливная система включает топливный бак, топливную магистраль низкого давления, в которую включены запорный вентиль, фильтр грубой очистки топлива, топливоподкачивающий насос низкого давления (помпа), фильтр тонкой очистки топлива, регистрирующее устройство, коллектор низкого давления, соединенный с топливными насосами высокого давления, подключенными к форсункам цилиндров двигателя, и магистраль возврата неиспользованного топлива, а также теплообменный аппарат (холодильник) с подкачивающим топливным насосом, к входу которого примыкает магистраль возврата неиспользованного топлива. Фильтр тонкой очистки топлива снабжен обратным клапаном повышенного давления слива топлива в топливный бак через обратную магистраль и дроссельным клапаном пониженного давления. По обе стороны от регистрирующего устройства расположены компенсаторы гидравлического удара, которые вместе с ним образуют участок для измерения расхода топлива. Каждый компенсатор гидравлического удара выполнен в виде многопроходных компенсационных камер. Техническим результатом изобретения является повышение точности измерений, увеличение срока службы, упрощение контроля расхода топлива и др. 1 ил.
Изобретение относится к технике измерения расхода жидкости и может быть использовано для контроля и учета расхода топлива в дизельных двигателях внутреннего сгорания, имеющих замкнутую тупиковую топливную систему как при их диагностировании на испытательных стендах, так и в процессе эксплуатации в транспортных средствах.
Известно устройство для измерения расхода жидкости, выполненное в виде расходометра, имеющего корпус с входными и выходными каналами, между которыми во внутреннем объеме корпуса размещены взаимодействующие между собой шестерни. Выходной канал имеет механический измеритель в виде заслонки, тяги и гибкой мембраны. Измеритель расходометра связан со счетным устройством (см. пат. России №2085860, кл. G01F 3/00, опубликованный 27.07.1997 г.).
Основным недостатком известного устройства является инерционность его измерительной части, что снижает чувствительность устройства, в том числе в условиях изменения физико-химического состояния жидкого компонента, например топлива. Кроме того, известное устройство обеспечивает измерение расхода жидкости в условиях однонаправленного потока ее движения.
Топливные системы дизельных двигателей транспортных средств имеют замкнутый контур, который содержит подсоединенную к топливному баку топливоподающую магистраль с фильтрами грубой и тонкой очистки, расположенный на выходе указанной магистрали коллектор низкого давления, который подсоединен к насосам высокого давления форсунок цилиндров. Выход коллектора низкого давления, а также насосы высокого давления и форсунки цилиндров имеют возвратные сливные магистрали, которые подсоединяют к топливному баку. В этих условиях работы дизельного двигателя транспортного средства проблема учета объемного расхода топлива имеет актуальное значение.
Для решения этой проблемы предложено измерение расхода топлива осуществлять посредством двух роликолопастных расходометров. Каждый роликолопастной расходомер содержит лопастной ротор, вал которого связан с крыльчаткой, имеющей первичные элементы датчика, вторичный элемент которого связан со счетчиком регистрации объемного расхода топлива. Корпус расходометра имеет подводящий (входной) и отводящий (выходной) каналы, расположенные во внутренней полости корпуса, и ролики-распределители. Лопастной ротор и ролики-распределители через заданные уплотнительные зазоры между их рабочими поверхностями и поверхностями внутренней поверхности корпуса образуют входную и выходную рабочие полости, которые через входной и выходной каналы соединяются с магистралью движущегося потока топлива. Один из расходометров размещают на выходе потока топлива из фильтра тонкой очистки перед входом в топливный коллектор низкого давления. Другой расходомер размещают на выходе из коллектора низкого давления и перед входом сливного потока топлива в топливоподогреватель, который соединен с топливным баком. Каждый роликолопастной расходомер имеет счетное устройство, которое регистрирует объемный расход топлива с учетом заданного объема рабочих полостей расходомера и фиксируемых электромагнитным датчиком этого расходомера импульсов вращения ротора. По разности показаний счетных устройств (малая разница двух больших величин) обоих расходомеров определяют объемный расход топлива при эксплуатационном режиме работы дизельного двигателя внутреннего сгорания на транспортном средстве (см. журнал: «Локомотив». – 2000. – №4. – С.26-28).
Основным недостатком этого технического решения является то, что при измерении расхода топлива не учитывается объем возврата топлива в топливный бак из ветви топливносливной магистрали, соединенной с насосами высокого давления и форсунками цилиндров, что для эксплуатационного режима транспортного средства имеет существенное значение. Отсутствие полного учета объемного возврата топлива снижает точность определения реального расхода топлива при эксплуатации двигателя. Наличие счетного устройства для каждого расходомера снижает точность определения расхода топлива в эксплуатационном режиме транспортного средства и усложняет процесс счета, в том числе вследствие несопоставимости результатов по рабочим объемам расходомеров.
Этот недостаток устранен в устройстве для измерения расхода топлива в дизельных двигателях внутреннего сгорания с замкнутой топливной системой, содержащем расположенные в названной топливной системе два роликолопастных расходомера. Корпус каждого роликолопастного расходомера имеет соосно выполненные в нем входной и выходной каналы и содержит лопастной ротор и ролики-распределители, образующие через уплотнительные зазоры между их рабочими поверхностями и поверхностями внутренней поверхности корпуса входную и выходную рабочие полости, сообщающиеся с входным и выходным каналами, при этом торцы корпусов расходомеров оснащены электромагнитными датчиками посредством кабельной связи, соединенными с общим счетным устройством. Один из расходомеров расположен в топливоподающей магистрали перед входом подающего потока топлива в нагнетательную систему дизельного двигателя, а другой – в сливной магистрали перед входом возвратного потока топлива в топливный бак (см. журнал: «Тяжелое машиностроение». – 1999. – №7. – С.38-40).
Основным недостатком известного устройства является сложность его конструкции, обусловленная чрезмерной протяженностью кабельных связей между счетным устройством и датчиками расходомеров, что приводит к снижению эксплуатационной надежности и к повышению вероятности несанкционированного доступа к измерительной части устройства.
Наиболее близкой по своей сущности и достигаемому эффекту, принимаемой за прототип, является тупиковая топливная система дизельного двигателя с участком для измерения расхода топлива, которая включает топливный бак, от которого отходит топливная магистраль низкого давления, в которую последовательно включены запорный вентиль, фильтр грубой очистки топлива, топливоподкачивающий насос низкого давления (помпа), фильтр тонкой очистки топлива, регистрирующее устройство, коллектор низкого давления, соединенный с топливными насосами высокого давления, подключенными к форсункам цилиндров двигателя, и магистраль возврата неиспользованного топлива с топливоподогревателем, причем регистрирующее устройство содержит два роликолопастных расходомера, корпуса которых соединены между собой по торцам, оснащенными датчиками, связанными со счетным устройством, расположенным со стороны датчика одного из расходомеров в торцевой крышке корпуса. Кабель датчика другого расходомера расположен в выполненных в боковых стенках корпусов соосных отверстиях, оси которых параллельны осям вращения лопастных роторов. Входной канал корпуса одного расходомера и выходной канал корпуса другого расходомера расположены с одной стороны по отношению к плоскости, проходящей через оси вращения лопастных роторов. Входные и выходные каналы корпусов ориентированы под углом друг к другу, равным 0-90° (см. пат. России №2225596, кл. G01F 3/10, 9/00, опубликованный 10.03.2004 года).
Основным недостатком этой топливной системы является то, что она не позволяет осуществлять точное измерение расхода топлива. Наличие этого недостатка обусловлено следующим. В процессе работы дизельного двигателя топливо в системе постепенно нагревается. Нагреву топлива в системе также способствует наличие топливоподогревателя в магистрали возврата неиспользованного топлива. В результате разогрева топлива в топливной системе его температура, особенно в зоне расположения насосов высокого давления, становится очень высокой, практически достигает точки закипания. Это приводит к резкому возрастанию давления в топливной системе и насыщению топлива газообразной фракцией (парами топлива), что, в свою очередь, приводит к искажению показаний второго расходомера.
Вторым существенным недостатком этой топливной системы является то, что его устройство регистрирует, в сущности, потребление топлива дизельным двигателем, а не топливо, потребляемое из топливного бака. В результате этого появляется возможность несанкционированного изъятия топлива из бака, поскольку истинный его объем, с учетом увеличения вследствие нагрева, не контролируется в данной топливной системе, так как оба расходомера установлены на входе и на выходе дизельного двигателя.
Третьим существенным недостатком этой топливной системы является то, что в ней отсутствуют компенсаторы гидравлического удара, обеспечивающие стабильность работы регистрирующего устройства, установленные на участке между регистрирующим устройством и топливным насосом высокого давления. Общеизвестно, что при работе топливных насосов, особенно насосов высокого давления, в магистралях, особенно нагнетающей, возникает пульсирующий гидравлический удар, при котором давление топлива на этом участке увеличивается до двух раз. Именно гидравлический удар искажает показания регистрирующего устройства (любого типа) и приводит к резкому снижению его ресурса работы.
В основу изобретения поставлена задача повышения точности учета расхода топлива и увеличения срока службы регистрирующего устройства путем исключения динамического колебания давления топлива в нагнетательном трубопроводе и путем снижения и стабилизации температуры топлива в системе за счет включения в магистрали системы гасителей колебаний давления топлива и теплообменника.
Решение поставленной задачи достигается тем, что в тупиковой топливной системе дизельного двигателя с участком для измерения расхода топлива, которая включает топливный бак, от которого отходит топливная магистраль низкого давления, в которую последовательно включены запорный вентиль, фильтр грубой очистки топлива, топливоподкачивающий насос низкого давления (помпа), фильтр тонкой очистки топлива, регистрирующее устройство, коллектор низкого давления, соединенный с топливными насосами высокого давления, подключенными к форсункам цилиндров двигателя, и магистраль возврата неиспользованного топлива, согласно предложению по обе стороны от регистрирующего устройства расположены компенсаторы гидравлического удара, которые вместе с ним образуют участок для измерения расхода топлива, а на участке магистрали между коллектором низкого давления и регистрирующим устройством размещен теплообменный аппарат (холодильник) с подкачивающим топливным насосом, к входу которого примыкает магистраль возврата неиспользованного топлива, а также фильтр тонкой очистки топлива снабжен обратным клапаном повышенного давления слива топлива в топливный бак через обратную магистраль и дроссельным клапаном пониженного давления, установленным в нагнетательной магистрали перед регистрирующим устройством, при этом каждый компенсатор гидравлического удара выполнен в виде многопроходных компенсационных камер, заполненных упругими элементами из маслобензостойкого материала, например резины.
Включение в топливную систему теплообменного аппарата позволяет поддерживать постоянно одинаковой температуру топлива в процессе работы дизельного двигателя, что стабилизирует его объем и давление (физико-химическое состояние) в топливной системе. Дополнительный топливный насос исключает возврат топлива из сливной магистрали на участок измерения его расхода и уменьшает амплитуду гидравлического удара.
Расположение регистрирующего устройства на магистрали низкого давления в сочетании с замыканием сливной магистрали в систему после регистрирующего устройства (а не на топливный бак) позволяет точно регистрировать истинный расход топлива из топливного бака.
Компенсаторы гидравлического удара конструктивно довольно просты и выглядят в виде коаксиальных полостей заполненных упругими элементами, например шариками из маслобензостойкой резины.
Компенсатора гидравлического удара позволяют стабилизировать показания и повысить точность суммарного массового расхода топлива счетчиком и увеличить ресурс его работы за счет снижения локальной нагрузки на механическую часть регистрирующего прибора.
Компенсаторы гидравлического удара установлены на самом вероятном участке магистрали, с точки зрения возникновения волны повышенного давления топлива, между топливными насосами, что является наиболее эффективным местом их использования. К тому же размещение счетчика топлива на нагнетательном тракте магистрали повышает степень защищенности топливной системы от несанкционированного доступа к топливной системе.
Соединение магистрали возврата неиспользованного топлива непосредственно с подкачивающим насосом исключает попадание воздуха в топливные насосы высокого давления, что повышает стабильность подачи топлива в форсунки.
Оснащение фильтра тонкой очистки топлива двумя клапанами позволяет повысить надежность работы топливной системы, а также исключить возможность ее разрушения в случаях резкого повышения давления топлива.
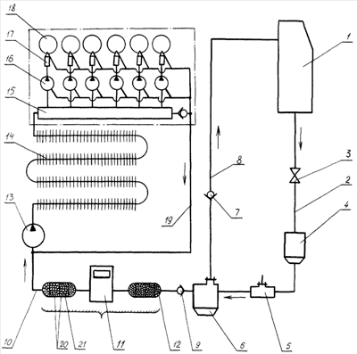
Дальнейшая сущность изобретения поясняется иллюстрирующим материалом, на котором изображена структурная схема предложенной топливной системы. Стрелками на схеме изображено направление движения топлива в системе. Фигурной скобкой обозначен участок измерения расхода топлива.
Топливная система транспортного средства (см. чертеж) содержит топливный бак 1, от которого отходит топливная магистраль 2 низкого давления. В эту топливную магистраль 2 последовательно включены запорный вентиль 3, фильтр грубой очистки топлива 4, топливоподкачивающий насос 5 низкого давления (помпа), фильтр тонкой очистки топлива 6. Фильтр тонкой очистки топлива 6 оснащен обратным клапаном повышенного давления 7 слива топлива в топливный бак 1 через обратную магистраль 8 и дроссельным клапаном пониженного давления 9, установленным на входе в нагнетательную магистраль 10.
За дроссельным клапаном пониженного давления 9 последовательно установлены в нагнетательной магистрали 10 регистрирующее устройство 11, по обе стороны от которого установлены компенсаторы гидравлического удара 12, подкачивающий топливный насос 13, теплообменный аппарат 14 любой известной конструкции, например, выполненный в виде змеевика, коллектор низкого давления 15, соединенный с топливными насосами высокого давления 16, подключенными к форсункам 17 цилиндров 18 дизельного двигателя. Форсунки 17 связаны с магистралью возврата 19 неиспользованного топлива. Указанная магистраль возврата 19 замыкается на входе в подкачивающий топливный насос 13. Так как неиспользованное топливо возвращается в нагнетательную магистраль после участка измерения расхода топлива, а не в топливный бак 1 или в мерное ведро, как это происходит в известных топливных системах, предложенную топливную систему следует считать тупиковой.
В качестве регистрирующего устройства 11 используется обычный счетчик расхода топлива, например счетчик топлива типа BRAUN HZ-5, который позволяет вести непосредственный учет расхода топлива по цифровым показаниям без использования дополнительных устройств для преобразования сигнала.
Компенсаторы гидравлического удара 12 выполнены в виде многопроходных компенсационных камер 20, заполненных упругими элементами 21 из упругого материала, например из маслобензостойкой резины.
Обратный клапан повышенного давления 7 открывается в случае, когда давление топлива в фильтре тонкой очистки топлива 6 превысит 1,5 МПа, что может произойти при засорении топливной системы или указанного фильтра 6. В таких случаях обратный клапан повышенного давления 7 открывается и происходит слив топлива в топливный бак 1 через обратную магистраль 8. Дроссельный клапан пониженного давления 9 открывается в случае, когда давление топлива в нагнетательной магистрали 10 превышает 0,5 МПа, что может произойти при засорении топливной системы на участке измерения расхода топлива или чрезвычайно большого гидравлического удара. В таких случаях дроссельный клапан пониженного давления 9 открывается и происходит поступление топлива в фильтр тонкой очистки топлива 6. Обратный 7 и дроссельный 9 клапаны являются средствами предупреждения выхода из строя топливной системы.
Предложенная тупиковая топливная система дизельного двигателя с участком для измерения расхода топлива работает следующим образом.
При запуске двигателя топливо из топливного бака 1 по топливной магистрали 2 низкого давления через нормально открытый запорный вентиль 3, фильтр грубой очистки топлива 4 и топливоподкачивающий насос 5 низкого давления поступает в фильтр тонкой очистки топлива 6 и далее через дроссельный клапан 9 и компенсатор гидравлического удара 12 в регистрирующее устройство 11 и вновь через компенсатор гидравлического удара 12 к подкачивающему насосу 13. Далее топливо через теплообменный аппарат 14, где стабилизируется и снижается его температура, поступает в коллектор низкого давления 15, а из него в топливный насос высокого давления 16. При работе всех топливных насосов 5, 13 и 16 из-за попеременного открытия-закрытия их клапанов в топливной системе постоянно возникают гидравлические удары в нагнетательной магистрали 10, которые не только искажают показания регистрирующего устройства 11, но приводят к преждевременному выходу его из строя. Это негативное явление предупреждают компенсаторы гидравлического удара 12, которые гасят волну повышенного давления топлива в компенсационной камере 20 своими деформирующимися упругими элементами 21, что исключает воздействие указанной волны на регистрирующее устройство 11.
Топливо от подкачивающего насоса 13, пройдя теплообменный аппарат 14, попадает в коллектор низкого давления 15, а оттуда равномерно к топливным насосам высокого давления 16 и к впрыскивающим форсункам 17. Неиспользованное топливо, насыщенное воздухом и парами топлива, из форсунок 17 попадает в магистраль возврата 19, которая замыкается на вход подкачивающего насоса 13. Именно такая связь магистрали возврата 19 с форсунками 17 и с подкачивающим насосом 13 дает возможность неиспользованному топливу освободиться от воздуха и тем самым стабилизировать работу двигателя. Расход топлива при работе двигателя наблюдается визуально по показаниям регистрирующего устройства 11.
Существенное отличие заявляемого объекта изобретения от раннее известных заключается в том, что в топливной системе, а точнее в нагнетательной магистрали, последовательно установлено регистрирующее устройство в виде счетчика расхода топлива, по обе стороны от которого установлены компенсаторы гидравлического удара, которые вместе с ним создают участок измерения расхода топлива, а также в наличии теплообменного аппарата с подкачивающим насосом в нагнетательной магистрали, а магистраль возврата неиспользованного топлива примыкает к подкачивающему насосу, и, кроме того, фильтр тонкой очистки топлива снабжен двумя клапанами разного давления. Указанные отличия в совокупности позволяют стабилизировать работу дизельного двигателя, вести точный учет расхода топлива, а также гасить колебания давления топлива в системе и тем самым повысить надежность и ресурс работы всех узлов топливной системы. Ни одна из известных топливных систем не может обладать отмеченными свойствами, поскольку не содержат в своих конструкциях совокупность перечисленных устройств и используют иные схемы замыкания топливной системы.
К техническим преимуществам предложенного технического решения по сравнению с прототипом можно отнести следующее:
– повышение точности учета расхода топлива за счет исключения воздействия на регистрирующее устройство гидравлического удара и за счет стабилизации температуры топлива в системе;
– увеличение срока службы регистрирующего устройства по той же причине;
– упрощение контроля расхода топлива за счет использования в качестве регистрирующего устройства обычного счетчика расхода топлива;
– обеспечение стабильности работы двигателя за счет того, что неиспользованное топливо возвращается в нагнетательную магистраль, а температура топлива сохраняется постоянной;
– исключение возможности разрушения топливной системы из-за чрезмерно высокого давления топлива в ней за счет наличия обратного и дроссельного клапанов.
К социальным преимуществам предложенного технического решения по сравнению с прототипом можно отнести простоту и точность контроля расхода топлива и предупреждение доступа для несанкционированного изъятия топлива из топливной системы транспортного средства.
Экономический эффект от внедрения предложенного технического решения по сравнению с использованием прототипа получают за счет увеличения ресурса работы узлов топливной системы и снижения стоимости регистрирующего устройства с компенсаторами гидравлического удара.
Формула изобретения
Тупиковая топливная система дизельного двигателя с участком для измерения расхода топлива, которая включает топливный бак, от которого отходит топливная магистраль низкого давления, в которую последовательно включены запорный вентиль, фильтр грубой очистки топлива, топливоподкачивающий насос низкого давления (помпа), фильтр тонкой очистки топлива, регистрирующее устройство, коллектор низкого давления, соединенный с топливными насосами высокого давления, подключенными к форсункам цилиндров двигателя, и магистраль возврата неиспользованного топлива, отличающаяся тем, что по обе стороны от регистрирующего устройства расположены компенсаторы гидравлического удара, которые вместе с ним образуют участок для измерения расхода топлива, а на участке магистрали между коллектором низкого давления и регистрирующим устройством размещен теплообменный аппарат (холодильник) с подкачивающим топливным насосом, к входу которого примыкает магистраль возврата неиспользованного топлива, а также фильтр тонкой очистки топлива снабжен обратным клапаном повышенного давления слива топлива в топливный бак через обратную магистраль и дроссельным клапаном пониженного давления, установленным в нагнетательной магистрали перед регистрирующим устройством, при этом каждый компенсатор гидравлического удара выполнен в виде многопроходных компенсационных камер, заполненных упругими элементами из маслобензостойкого материала, например, резины.
РИСУНКИ
|
|