|
(21), (22) Заявка: 2007119632/28, 28.05.2007
(24) Дата начала отсчета срока действия патента:
28.05.2007
(46) Опубликовано: 10.02.2009
(56) Список документов, цитированных в отчете о поиске:
Самолетные навигационные системы / Под ред. Поляка Ю.В. Воениздат. 1973. с.281. RU 2085851 С1, 27.07.1997. Боднер В.А. Приборы первичной информации. – М.: Машиностроение, 1981. с.141. RU 2089449 С1, 10.09.1997. RU 2146803 С1, 20.03.2000. WO 97/48969 A, 24.12.1997. US 4821216 A, 11.04.1997.
Адрес для переписки:
125167, Москва, Ленинградский пр-кт, 60а, кв.147, И.И. Лернеру
|
(72) Автор(ы):
Козиоров Лев Михайлович (RU), Лернер Илья Израйлевич (RU)
(73) Патентообладатель(и):
Козиоров Лев Михайлович (RU), Лернер Илья Израйлевич (RU)
|
(54) СПОСОБ И УСТРОЙСТВО ФОРМИРОВАНИЯ АБСОЛЮТНОЙ ВЫСОТЫ ПОЛЕТА ЛЕТАТЕЛЬНОГО АППАРАТА
(57) Реферат:
Изобретение относится к области приборостроения и может быть использовано для формирования абсолютной высоты полета летального аппарата (ЛА). Технический результат – расширение функциональных возможностей. Для достижения данного результата предварительно запоминают базу данных высот рельефа местности. Определяют текущие координаты местоположения летательного аппарата с использованием навигационной системы. Определяют текущую высоту рельефа местности с использованием базы данных высот рельефа местности и текущих координат местоположения летательного аппарата. Измеряют абсолютную барометрическую высоту и высоту относительно земной поверхности. Измеряют спутниковую высоту с использованием спутникового канала навигационной системы. Вычисляют расчетное значение абсолютной геометрической высоты путем суммирования текущей высоты рельефа местности и высоты относительно земной поверхности. 2 н. и 4 з.п. ф-лы, 2 ил.
Предлагаемая группа изобретений относится к средствам измерения для широкого класса самолетов, вертолетов, беспилотных летательных аппаратов и, в частности, для маневренных самолетов и может быть использована при формировании абсолютной высоты полета летательных аппаратов.
Значительное число авиационных происшествий с исправными воздушными судами различного назначения связано со столкновением с землей. Сложность предотвращения столкновения с землей обусловлена различными факторами: ошибками экипажа, погрешностями измерителей, разбросом характеристик летательного аппарата (ЛА). Особенно эта задача сложна для маневренных самолетов, осуществляющих полеты на малых высотах и больших скоростях.
При создании систем предотвращения столкновения маневренного ЛА с землей необходимо осуществлять высокоточное определение абсолютной высоты полета во всем эксплуатационном диапазоне углов крена и тангажа. Трудность решения этой задачи обусловлена недостаточной для решения указанной задачи точностью инерциальных, а также барометрических измерителей, основным недостатком которых является наличие высокого уровня систематических погрешностей определения абсолютной барометрической высоты при отличии распределения атмосферы от стандартной, и кроме того сравнительно узкой рабочей областью радиотехнических средств определения высоты, таких как спутниковые и радиовысотомеры.
Предлагаемые средства измерения предназначены для повышения точности и надежности определения высоты полета ЛА, в том числе и над горным рельефом местности, расширения рабочей зоны и на этой основе повышения безопасности полета.
Известна система формирования абсолютной высоты (Патент RU 2085851 С1), в которой формирование абсолютной высоты полета осуществляется на основе комплексирования информации инерциальных, спутниковых датчиков, радиовысотомера и карты рельефа местности. В этой системе реализуется способ, при котором предварительно запоминают базу данных высот рельефа местности, определяют координаты текущего местоположения летательного аппарата с использованием навигационной системы, определяют текущую высоту рельефа местности с использованием базы данных высот рельефа местности, измеряют высоту ЛА относительно земной поверхности, измеряют спутниковую высоту с использованием спутникового канала навигационной системы, вычисляют расчетное значение абсолютной геометрической высоты путем суммирования текущей высоты рельефа местности и высоты относительно земной поверхности, с использованием которого корректируют спутниковую высоту.
Недостатком этого устройства является узкий диапазон его работы (углы крена и тангажа менее 30 град.), обусловленный узкой рабочей областью радиотехнических средств определения высоты, таких как спутниковые и радиовысотомеры. Кроме того, отечественные технологии реализации навигационных систем и радиовысотомеров позволяют, с учетом массогабаритных и других характеристик этих систем, устанавливать на отечественные маневренные самолеты один радиовысотомер и двухканальную навигационную систему, что недостаточно, с позиций надежности и отказобезопасности систем формирования абсолютной высоты и систем предотвращения столкновения с рельефом местности. Вместе с тем уже существуют отечественные четырехканальные аэрометрические измерители высотноскоростных параметров полета, на основе использования которых могут быть достигнуты необходимые характеристики надежности и отказобезопасности систем формирования абсолютной высоты.
Известно устройство измерения высоты (Самолетные навигационные системы. Под ред. Поляка Ю.В. Воениздат, 1973, с.281), в котором определение высоты осуществляется на основе комплексирования информации радиовысотомера и барометрического измерителя. Это устройство, кроме отмеченного выше недостатка (узкий диапазон работы), может использоваться только над равнинной местностью.
В основу изобретения положено решение задачи формирования абсолютной высоты полета ЛА с высокой точностью и надежностью во всем эксплуатационном диапазоне углов крена и тангажа ЛА и над всеми существующими рельефами местности, что позволяет повысить безопасность полета вблизи земли.
Особое значение предлагаемое изобретение имеет для маневренных самолетов, беспилотных летательных аппаратов, выполняющих полеты вблизи земли.
Поставленная цель достигается тем, что в способе формирования абсолютной высоты, при котором предварительно запоминают базу данных высот рельефа местности, определяют координаты текущего местоположения летательного аппарата с использованием навигационной системы, определяют текущую высоту рельефа местности с использованием базы данных высот рельефа местности и координат текущего местоположения летательного аппарата, измеряют абсолютную барометрическую высоту, измеряют высоту относительно земной поверхности, измеряют спутниковую высоту с использованием спутникового канала навигационной системы, вычисляют расчетное значение абсолютной геометрической высоты путем суммирования текущей высоты рельефа местности и высоты относительно земной поверхности, с использованием которого корректируют спутниковую высоту, формируют оценку абсолютной высоты, согласно изобретению оценку абсолютной высоты формируют путем суммирования абсолютной барометрической высоты с величиной высотной поправки, которую вычисляют путем интегрирования промежуточного по уровню сигнала из взвешенной величины первого рассогласования между расчетным значением абсолютной геометрической высоты и оценкой абсолютной высоты, взвешенной величины второго рассогласования между скорректированной спутниковой высотой и оценкой абсолютной высоты, и нулевого сигнала.
Скорректированную спутниковую высоту формируют путем суммирования спутниковой высоты со спутниковой высотной поправкой, которую вычисляют путем фильтрации рассогласования между расчетным значением абсолютной геометрической высоты и спутниковой высотой.
При выходе из рабочей зоны измерителя высоты относительно земной поверхности запоминают величину спутниковой высотной поправки, а величину высотной поправки формируют путем интегрирования взвешенной величины второго рассогласования, при выходе из рабочей зоны спутникового канала измерения высоты навигационной системы величину высотной поправки формируют путем интегрирования взвешенной величины первого рассогласования, а при выходе из рабочей зоны обоих измерителей запоминают величину высотной поправки.
Поставленная цель достигается также и тем, что вычисляют границы временной базы данных высот рельефа местности с использованием координат текущего местоположения летательного аппарата, измеренных навигационной системой, на основе которых и с использованием базы данных высот рельефа местности запоминают временную базу данных высот рельефа местности в быстродействующем запоминающем устройстве, определяют во временной базе данных высот рельефа местности высоту рельефа местности элемента с координатами, ближайшими к координатам текущего местоположения летательного аппарата, и принимают ее в качестве текущей высоты рельефа местности.
Описанный способ определения высоты полета летательного аппарата реализуется с помощью устройства формирования абсолютной высоты, содержащего радиовысотомер, измеритель абсолютной барометрической высоты и вычислитель, соединенный с радиовысотомером и измерителем абсолютной барометрической высоты, последовательно соединенные навигационную систему со спутниковым каналом и средства для запоминания и обработки данных рельефа местности, соединенные с вычислителем, согласно изобретению средства для запоминания и обработки базы данных высот рельефа местности выполнены с возможностью определения текущей высоты рельефа местности, вычислитель выполнен с возможностью вычисления расчетного значения абсолютной геометрической высоты путем суммирования текущей высоты рельефа местности и высоты радиовысотомера, коррекции спутниковой высоты путем суммирования со спутниковой высотной поправкой, которую вычисляют с использованием расчетного значения абсолютной геометрической высоты, формирования оценки абсолютной высоты путем суммирования абсолютной барометрической высоты с величиной высотной поправки, которую вычисляют путем интегрирования промежуточного по уровню сигнала из взвешенной величины первого рассогласования между расчетным значением абсолютной геометрической высоты и оценкой абсолютной высоты, взвешенной величины второго рассогласования между скорректированной спутниковой высотой и оценкой абсолютной высоты, и нулевого сигнала, причем при выходе радиовысотомера из рабочей зоны запоминают величину спутниковой высотной поправки, а величину высотной поправки формируют путем интегрирования взвешенной величины второго рассогласования, при выходе из рабочей зоны спутникового канала измерения высоты навигационной системы величину высотной поправки формируют путем интегрирования взвешенной величины первого рассогласования, а при выходе из рабочей зоны обоих измерителей запоминают величину высотной поправки.
Заявленное изобретение иллюстрируется приложенными графическими материалами, на которых изображено:
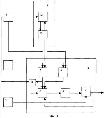
Фиг.1 – блок-схема устройства.
Фиг.2 – фрагмент процесса оценивания высоты, полученный при математическом моделировании устройства.
Согласно предложенному способу формирования абсолютной высоты, при котором предварительно запоминают базу данных высот рельефа местности, определяют координаты текущего местоположения летательного аппарата с использованием навигационной системы, определяют текущую высоту рельефа местности с использованием базы данных высот рельефа местности и координат текущего местоположения летательного аппарата, измеряют абсолютную барометрическую высоту, измеряют высоту относительно земной поверхности, измеряют спутниковую высоту с использованием спутникового канала навигационной системы, вычисляют расчетное значение абсолютной геометрической высоты путем суммирования текущей высоты рельефа местности и высоты относительно земной поверхности, с использованием которого корректируют спутниковую высоту, формируют оценку абсолютной высоты путем суммирования абсолютной барометрической высоты с величиной высотной поправки, которую вычисляют путем интегрирования промежуточного по уровню сигнала из взвешенной величины первого рассогласования между расчетным значением абсолютной геометрической высоты и оценкой абсолютной высоты, взвешенной величины второго рассогласования между скорректированной спутниковой высотой и оценкой абсолютной высоты, и нулевого сигнала.
Скорректированную спутниковую высоту формируют путем суммирования спутниковой высоты со спутниковой высотной поправкой, которую вычисляют путем фильтрации величины рассогласования между расчетным значением абсолютной геометрической высоты и спутниковой высотой.
При выходе из рабочей зоны измерителя высоты относительно земной поверхности запоминают величину спутниковой высотной поправки, а величину высотной поправки формируют путем интегрирования взвешенной величины второго рассогласования, при выходе из рабочей зоны спутникового канала измерения высоты навигационной системы величину высотной поправки формируют путем интегрирования взвешенной величины первого рассогласования, а при выходе из рабочей зоны обоих измерителей запоминают величину высотной поправки.
Вычисляют границы временной базы данных высот рельефа местности с использованием координат текущего местоположения летательного аппарата, измеренных навигационной системой, на основе которых и с использованием базы данных высот рельефа местности запоминают временную базу данных высот рельефа местности в быстродействующем запоминающем устройстве, определяют во временной базе данных высот рельефа местности высоту рельефа местности элемента с координатами, ближайшими к координатам текущего местоположения летательного аппарата, и принимают ее в качестве текущей высоты рельефа местности.
Устройство формирования абсолютной высоты содержит (см. фиг.1) радиовысотомер 1, измеритель абсолютной барометрической высоты 2, вычислитель 3, навигационную систему 4 со спутниковым каналом и средства для запоминания и обработки данных рельефа местности 5.
Выход радиовысотомера 1 и выход измерителя абсолютной барометрической высоты 2 соединены с первым и вторым входами вычислителя 3 соответственно. Первый выход навигационной системы 4 соединен с третьим входом вычислителя 3, второй выход – с первым входом средств для запоминания и обработки данных рельефа местности 5, третий выход – с четвертым входом вычислителя 3. Выход средств для запоминания и обработки данных рельефа местности 5 соединен с пятым входом вычислителя 3, выход которого является выходом устройства.
Вычислитель 3 содержит (см. фиг.1) формирователь признака выхода радиовысотомера из рабочей зоны 6, последовательно соединенные формирователь абсолютной геометрической высоты 7, формирователь рассогласования 8, формирователь высотной поправки 9 и формирователь оценки абсолютной высоты 10 и формирователь скорректированной спутниковой высоты 11. При этом выход формирователя 6 соединен со вторым входом формирователя 8. Выход формирователя 10 является выходом вычислителя 3 и выходом устройства.
Первый вход формирователя 6 соединен с выходом радиовысотомера 1. Второй вход формирователя 6 является третьим входом вычислителя 3, он соединен с первым выходом навигационной системы 4. Первый вход формирователя 7 является первым входом вычислителя 3, он соединен с выходом радиовысотомера 1. Второй вход формирователя 7 является пятым входом вычислителя 3, он соединен с выходом средств для запоминания и обработки данных рельефа местности 5. Третий вход формирователя 8 соединен с выходом формирователя 10. Четвертый вход формирователя 8 соединен с выходом формирователя 11, первый вход которого является четвертым входом вычислителя 3, он соединен с третьим выходом навигационной системы 4. Второй вход формирователя 11 соединен с выходом формирователя 7.
Средства для запоминания и обработки данных рельефа местности 5 содержат последовательно соединенные блок пересчета координат 12 и запоминающее устройство для хранения временной базы данных высот рельефа местности 13. Вход блока 12 является первым входом блока 5, он соединен со вторым выходом навигационной системы 4. Второй вход блока 13 подключается к внешнему средству управления вводом данных (на схеме не показано). Первый выход блока 13 является выходом блока 5, второй выход блока 13 соединен со вторым входом блока 12.
Возможность осуществления изобретения иллюстрируется на примере устройства определения высоты полета ЛА для системы предотвращения столкновения с рельефом местности маневренного самолета. Этот пример не должен рассматриваться ни как ограничивающий объем изобретения, ни как предпочтительная для всех случаев форма его реализации.
В блоке 12 осуществляется пересчет координат местоположения ЛА со второго выхода навигационной системы 4, из земной системы координат (ЗСК) в систему координат цифровой карты местности (СКЦКМ) с использованием земных координат начала отсчета СКЦКМ, которые поступают в блок 12 из блока 13, где они хранятся.
Система координат цифровой карты местности (СКЦКМ) – плоская система координат, ориентированная перпендикулярно местной нормали к поверхности геоида в точке начала координат, ось xк направлена на Север, ось zк направлена на Восток. Значения координат точки в СК ЦКМ меняются дискретно и соответствуют номеру элемента массива.
В блоке 13 хранится временная база данных высот рельефа местности (значения высоты рельефа местности в узлах сетки, шаг которой может составлять, например, 100 м). В плане временная база данных высот рельефа местности представляет собой зону, центром которой является точка с координатами текущего местоположения ЛА, измеренными навигационной системой. Например, квадрат со стороной, равной удвоенному значению ожидаемой максимальной ошибки счисления координат. Временная база данных высот рельефа местности обновляется (например, с частотой 10 Гц) по сигналам от внешнего средства управления вводом данных (на схеме не показано). При поступлении на вход блока 13 с блока 12 координат текущего местоположения ЛА на его первый выход поступает высота рельефа местности в узле сетки карты, ближайшем к текущему местоположению ЛА, измеренному навигационной системой.
В блоке 6 формируется признак выхода радиовысотомера 1 из рабочей зоны: U6=1 при пропадании признака исправности в сигнале с радиовысотомера 1 либо превышении значениями абсолютных величин углов крена или тангажа (с первого выхода навигационной системы 4) порогового значения (30 град.).
В блоке 7 вычисляется расчетное значение абсолютной (относительно уровня моря) геометрической высоты полета ЛА по измерениям радиовысотомера и рельефа местности (текущая высота):

где Нрв – выходной сигнал радиовысотомера 1;
Нр – текущая высота рельефа с блока 5.
В блоке 11 формируется скорректированная спутниковая высота путем суммирования высоты, измеренной спутниковым каналом навигационной системы с третьего выхода блока 4, со спутниковой высотной поправкой, которая вычисляется путем фильтрации (апериодический фильтр) рассогласования между расчетным значением абсолютной геометрической высоты с блока 7 и спутниковой высотой с третьего выхода блока 4:

где Т11 – постоянная времени фильтра (30 сек);
hc=(U7-U43 1)·1/(T11p+1) – спутниковая высотная поправка.
Учитывая, что расчетное значение абсолютной геометрической высоты и сигнал спутникового измерителя содержат полезный сигнал и погрешность получим:
hc=( hрн– hc)·1/(T11p+1),
где hрн – погрешность определения расчетного значения абсолютной геометрической высоты, обусловленная погрешностью радиовысотомера (РВ) и ошибкой счисления текущих координат местоположения самолета (ТКМС),
hc – погрешность измерения спутниковой высоты.
Учитывая, что постоянная времени апериодического фильтра выбирается из условия выделения медленно меняющейся (систематической) погрешности спутниковой высоты и подавления случайных погрешностей, получаем, что на выходе интегратора (апериодического фильтра) выделяется указанная систематическая погрешность, т.е. hc – hcc, где hcc – систематическая погрешность спутниковой высоты и U11 U43 1– hcc,
то есть в выходном сигнале блока 11 систематическая погрешность спутниковой высоты компенсирована.
Это же получим, раскрывая скобки в выражении (2):

Из этого выражения видно, что в блоке 11 осуществляется списывание систематической ошибки в сигнале спутниковой высоты (с постоянной времени Т11) за счет ее пропускания через “изодромный” фильтр и подавление шумовой ошибки в сигнале расчетного значения абсолютной геометрической высоты (обусловленной погрешностью счисления координат и погрешностью радиовысотомера).
При выходе радиовысотомера 1 из рабочей зоны: U6=1 вход интегратора апериодического фильтра обнуляется и на его выходе запоминается систематическая погрешность спутниковой высоты с обратным знаком. Время “старения” указанной погрешности составляет десятки минут, что позволяет использовать скорректированную спутниковую высоту не только при кратковременных выходах РВ из рабочей зоны, но и при его отказе.
В блоке 8 формируется сигнал рассогласования.
При наличии исправности спутникового канала измерения высоты навигационной системы 4 (U43 2=1) и отсутствии выхода радиовысотомера 1 из рабочей зоны (U6=0) сигнал рассогласования формируется путем выбора второго по величине сигнала из: взвешенной величины первого рассогласования между расчетным значением абсолютной геометрической высоты полета с блока 7 и ее оценкой с блока 10, взвешенной величины второго рассогласования между скорректированной высотой спутникового канала с блока 11 и ее оценкой с блока 10, и нулевого сигнала:

где mid – оператор выбора второго по величине сигнала, коэффициенты k1, k2 определяют постоянные времени фильтрации при прохождении на выход блока 8 первого либо второго рассогласования.
При выходе радиовысотомера 1 из рабочей зоны (U6=1) сигнал рассогласования равен взвешенной величине второго рассогласования между скорректированной высотой спутникового канала с блока 11 и ее оценкой с блока 10:

При отсутствии исправности спутникового канала измерения высоты навигационной системы 4 (U432=0) сигнал рассогласования равен взвешенной величине первого рассогласования между первой высотой полета с блока 7 и ее оценкой с блока 10: 
При одновременном отсутствии исправности спутникового канала измерения высоты навигационной системы 4 (U43 2=0) и выходе радиовысотомера 1 из рабочей зоны (U6=1) сигнал рассогласования равен нулю: 
В блоке 9 формируется величина высотной поправки путем интегрирования сигнала рассогласования с блока 8.
Выходной сигнал блока 9 формируется в соответствии со следующим операторным выражением: 
При одновременном отсутствии исправности спутникового канала измерения высоты навигационной системы 4 (U43 2=0) и выходе радиовысотомера 1 из рабочей зоны (U6=1) на вход интегратора 9 поступает нулевой сигнал и на выходе интегратора запоминается значение высотной поправки, соответствующее этому моменту времени.
В формирователе 10 осуществляется формирование оценки высоты. Указанная оценка формируется путем суммирования сигнала измерителя барометрической высоты с блока 2 с сигналом высотной поправки с блока 9: 
где Нб – выходной сигнал измерителя абсолютной барометрической высоты 2.
Раскрывая выражения (1, 6, 8, 9), получим выражение для оценки высоты полета в случае прохождения на выход формирователя 8 первого рассогласования:

Или U10=Нб+(U7-Нб)·1/(Т1р+1),
где hб=(U7-Нб)·1/(Т1р+1) – высотная поправка.
Учитывая, что расчетное значение абсолютной геометрической высоты и сигнал барометрического измерителя содержат полезный сигнал и погрешность, получим:
hc=( hрн– hб)·1/(T1p+1),
где hб – погрешность измерения барометрической высоты.
Учитывая, что постоянная времени Т1 выбирается из условия выделения медленно меняющейся (систематической) погрешности барометрической высоты и подавления случайных погрешностей, получаем, что на выходе интегратора 9 выделяется указанная систематическая погрешность, т.е. hб – бс, где hбс – систематическая погрешность барометрической высоты, и
U10 Нб– hбс,
то есть систематическая погрешность измерителя барометрической высоты списывается с постоянной времени Т1, а погрешность расчетного значения абсолютной геометрической высоты полета, обусловленная ошибкой счисления координат местоположения ЛА навигационной системой и погрешностью радиовысотомера, фильтруется с этой же постоянной времени.
Аналогичное выражение имеет место в случае прохождения на выход формирователя 8 второго рассогласования.
U10=U11/(Т2р+1)+Нб·Т2р/(Т2р+1), где Т2=1/к2.
Осуществляющаяся в формирователе 8 сортировка первого и второго рассогласований с использованием селектора выбора промежуточного по уровню сигнала (mid), к третьему входу которого подключен нулевой сигнал, позволяет существенно снизить уровень погрешностей измерений на его выходе и повысить точность оценивания высоты полета.
При одновременном отсутствии исправности спутникового канала измерения высоты навигационной системы 4 (U43 2=0) и выходе радиовысотомера 1 из рабочей зоны (U6=1) сигнал рассогласования равен нулю и высотная поправка запоминается на выходе интегратора 9. Время “старения” указанной погрешности составляет десятки минут, что позволяет использовать оценку абсолютной высоты не только при кратковременных выходах РВ и спутникового канала навигационной системы (СНС) из рабочей зоны, но и при их отказе.
Таким образом обеспечивается:
– высокая точность формирования абсолютной высоты за счет выделения и компенсации медленно меняющихся (систематических) погрешностей измерителей спутниковой и барометрической высоты и использования селектора выбора промежуточного по уровню (медианного) сигнала при ее формировании;
– работоспособность устройства при выходе РВ и СНС из рабочего диапазона в условиях маневрирования ЛА и при отказах за счет запоминания выделенных систематических погрешностей измерителей спутниковой и барометрической высоты;
– высокая надежность за счет информационной избыточности и возможности использования четырех кратно резервированного измерителя барометрической высоты.
На Фиг.2 представлен фрагмент процесса оценивания высоты (после обнуления систематических погрешностей в скорректированной спутниковой высоте и оценке абсолютной высоты), полученный при математическом моделировании устройства при полете над горным рельефом местности (углы уклона 15-20 град.) с имитацией погрешностей измерителей (погрешность СНС 2 =100 м, систематическая ошибка измерителя барометрической высоты до 300 м), погрешность определения ТКМС навигационной системой (3 =300 м)).
В верхней части графика представлены входные сигналы: абсолютная геометрическая высота полета – U7, скорректированная высота спутниковой навигационной системы – U11, а также оценка высоты – U10.
В средней (по высоте) части графика представлены усиленные сигналы: первого рассогласования – U14, второго рассогласования – U15 и выхода формирователя 8-U81,
где U14=k·(U7-U10);
U15=k·(U11-U10);
U81=k·U8; k – масштабный коэффициент.
В нижней части графика приведены разовые команды, указывающие номер сигнала, проходящего на коррекцию:
Нижний (U16) – прохождение нулевого сигнала, средний (U17) – прохождение первого рассогласования, верхний (U18) – прохождение второго рассогласования.
Количественные данные сведены в таблицу 1.
| Таблица 1 |
| Err |
sr |
ma |
abs |
Yud: |
sr |
та |
mid[0] |
[1=map] |
[2=Sns] |
| -12 |
1 |
6 |
2 |
384 |
1936 |
4096 |
869 |
314 |
447 |
Где:
– Err, sr, ma (м) – минимальные, средние и максимальные значения ошибки оценивания;
– abs (м) – среднее по модулю значение ошибки оценивания;
– количество прохождений на выход формирователя 8 нулевого сигнала (mid[0]), первого ([1=map]) и второго ([2=Sns]) рассогласований;
– Yud, sr, ma – минимальное, среднее и максимальное значения перепада высот в зоне 3500·600 м, характеризующие пересеченность рельефа местности (м).
Проведенное математическое моделирование показало, что в условиях маневрирования над горным рельефом местности во всем эксплуатационном диапазоне углов крена и тангажа ошибка оценивания абсолютной высоты полета самолета в 2-5 раз меньше погрешностей известных измерителей.
Формула изобретения
1. Способ формирования абсолютной высоты, при котором предварительно запоминают базу данных высот рельефа местности, определяют текущие координаты местоположения летательного аппарата с использованием навигационной системы, определяют текущую высоту рельефа местности с использованием базы данных высот рельефа местности и текущих координат местоположения летательного аппарата, измеряют абсолютную барометрическую высоту, измеряют высоту относительно земной поверхности, измеряют спутниковую высоту с использованием спутникового канала навигационной системы, вычисляют расчетное значение абсолютной геометрической высоты путем суммирования текущей высоты рельефа местности и высоты относительно земной поверхности, с использованием которого корректируют спутниковую высоту, формируют оценку абсолютной высоты, отличающийся тем, что оценку абсолютной высоты формируют путем суммирования абсолютной барометрической высоты с величиной высотной поправки, которую вычисляют путем интегрирования промежуточного по уровню сигнала из взвешенной величины первого рассогласования между расчетным значением абсолютной геометрической высоты и оценкой абсолютной высоты, взвешенной величины второго рассогласования между скорректированной спутниковой высотой и оценкой абсолютной высоты, и нулевого сигнала.
2. Способ по п.1, отличающийся тем, что скорректированную спутниковую высоту формируют путем суммирования спутниковой высоты со спутниковой высотной поправкой, которую вычисляют путем фильтрации рассогласования между расчетным значением абсолютной геометрической высоты и спутниковой высотой.
3. Способ по любому из пп.1, 2, отличающийся тем, что при выходе из рабочей зоны измерителя высоты относительно земной поверхности запоминают величину спутниковой высотной поправки, а величину высотной поправки формируют путем интегрирования взвешенной величины второго рассогласования, при выходе из рабочей зоны спутникового канала измерения высоты навигационной системы величину высотной поправки формируют путем интегрирования взвешенной величины первого рассогласования, а при выходе из рабочей зоны обоих измерителей запоминают величину высотной поправки.
4. Способ по любому из пп.1, 2, отличающийся тем, что вычисляют границы временной базы данных высот рельефа местности с использованием текущих координат местоположения летательного аппарата, измеренных навигационной системой, на основе которых и с использованием базы данных высот рельефа местности запоминают временную базу данных высот рельефа местности в быстродействующем запоминающем устройстве, определяют во временной базе данных высот рельефа местности высоту рельефа местности элемента с координатами, ближайшими к текущим координатам местоположения летательного аппарата, и принимают ее в качестве текущей высоты рельефа местности.
5. Способ по п.3, отличающийся тем, что вычисляют границы временной базы данных высот рельефа местности с использованием текущих координат местоположения летательного аппарата, измеренных навигационной системой, на основе которых и с использованием базы данных высот рельефа местности запоминают временную базу данных высот рельефа местности в быстродействующем запоминающем устройстве, определяют во временной базе данных высот рельефа местности высоту рельефа местности элемента с координатами, ближайшими к текущим координатам местоположения летательного аппарата, и принимают ее в качестве текущей высоты рельефа местности.
6. Устройство формирования абсолютной высоты, содержащее измеритель абсолютной барометрической высоты, радиовысотомер и вычислитель, соединенный с измерителем абсолютной барометрической высоты и радиовысотомером, последовательно соединенные навигационную систему со спутниковым каналом и средства для запоминания и обработки базы данных высот рельефа местности, соединенные с вычислителем, отличающееся тем, что средства для запоминания и обработки базы данных высот рельефа местности выполнены с возможностью определения текущей высоты рельефа местности, вычислитель выполнен с возможностью вычисления расчетного значения абсолютной геометрической высоты путем суммирования текущей высоты рельефа местности и высоты радиовысотомера, коррекции спутниковой высоты путем суммирования со спутниковой высотной поправкой, которую вычисляют с использованием расчетного значения абсолютной геометрической высоты, формирования оценки абсолютной высоты путем суммирования абсолютной барометрической высоты с величиной высотной поправки, которую вычисляют путем интегрирования промежуточного по уровню сигнала из взвешенной величины первого рассогласования между расчетным значением абсолютной геометрической высоты и оценкой абсолютной высоты, взвешенной величины второго рассогласования между скорректированной спутниковой высотой и оценкой абсолютной высоты, и нулевого сигнала, причем при выходе радиовысотомера из рабочей зоны запоминают величину спутниковой высотной поправки, а величину высотной поправки формируют путем интегрирования взвешенной величины второго рассогласования, при выходе из рабочей зоны спутникового канала измерения высоты навигационной системы величину высотной поправки формируют путем интегрирования взвешенной величины первого рассогласования, а при выходе из рабочей зоны обоих измерителей запоминают величину высотной поправки.
РИСУНКИ
|