|
| На основании пункта 1 статьи 1366 части четвертой Гражданского кодекса Российской Федерации патентообладатель обязуется заключить договор об отчуждении патента на условиях, соответствующих установившейся практике, с любым гражданином Российской Федерации или российским юридическим лицом, кто первым изъявил такое желание и уведомил об этом патентообладателя и федеральный орган исполнительной власти по интеллектуальной собственности. |
|
(21), (22) Заявка: 2007140498/06, 01.11.2007
(24) Дата начала отсчета срока действия патента:
01.11.2007
(46) Опубликовано: 10.02.2009
(56) Список документов, цитированных в отчете о поиске:
RU 2011127 С1, 15.04.1994. SU 1368579 A1, 23.01.1988. RU 2282796 C2, 27.08.2006. WO 023005 A1, 10.01.2002. БАТУРИН В.В. Основы промышленной вентиляции. Профиздат, 1956, с.264-272.
Адрес для переписки:
123458, Москва, ул. Твардовского, 11, кв.92, О.С. Кочетову
|
(72) Автор(ы):
Сажин Борис Степанович (RU), Кочетов Олег Савельевич (RU), Сажин Виктор Борисович (RU), Чунаев Михаил Викторович (RU), Сажина Марина Борисовна (RU)
(73) Патентообладатель(и):
Кочетов Олег Савельевич (RU)
|
(54) СПОСОБ ТЕПЛОВЛАЖНОСТНОЙ ОБРАБОТКИ ВОЗДУХА С УТИЛИЗАЦИЕЙ ТЕПЛА
(57) Реферат:
Изобретение относится к тепловлажностной обработке воздуха с системой энергосбережения и может применяться, в частности, в области кондиционирования. Технический результат – повышение производительности систем тепловлажностной обработки воздуха путем утилизации тепла на базе аппаратов со встречными закрученными потоками. Это достигается тем, что в способе тепловлажностной обработки воздуха с утилизацией тепла, заключающемся в том, что осуществляют тепловлажностную обработку воздуха в блоках для подогрева, тонкой и грубой очистки воздуха и его увлажнения, из воздухозаборных устройств, расположенных в верхней зоне помещения, воздух подают воздухонагнетающим устройством в аппарат сухой очистки воздуха со встречными закрученными потоками, а затем посредством воздухонагнетающего устройства воздух подают в аппарат увлажнения и мокрой очистки также со встречными закрученными потоками с повторным использованием тепла и влаги сильно запыленного воздуха, причем в климатической установке осуществляют очистку и нагрев наружного воздуха, после чего воздушные потоки аппарата и установки направляют в блок, где осуществляют смешение этих потоков, затем воздух заданных параметров из блока смешения подают через устройства для раздачи воздуха в обслуживаемое помещение. 1 ил.
Изобретение относится к тепловлажностной обработке воздуха с системой энергосбережения и может применяться, в частности, в области кондиционирования.
Наиболее близким техническим решением к заявляемому объекту является способ тепловлажностной обработки воздуха с утилизацией тепла, реализуемый на приточно-вытяжной установке с регенеративным теплоутилизатором по патенту РФ №2011127, F24F 5/00, 1987 г. (прототип), содержащей корпус, каналы для приточного и вытяжного воздуха, вентилятор, камеру с регенеративным теплоутилизатором.
Недостатком известного способа является сравнительно невысокая эффективность утилизации тепла за счет перекрестной организации потоков воздуха.
Технический результат – повышение производительности систем тепловлажностной обработки воздуха путем утилизации тепла на базе аппаратов со встречными закрученными потоками.
Это достигается тем, что в способе тепловлажностной обработки воздуха с утилизацией тепла, заключающемся в том, что осуществляют тепловлажностную обработку воздуха в блоках для подогрева, тонкой и грубой очистки воздуха и его увлажнения, из воздухозаборных устройств, расположенных в верхней зоне помещения, воздух подают воздухонагнетающим устройством в аппарат сухой очистки воздуха со встречными закрученными потоками, а затем посредством воздухонагнетающего устройства воздух подают в аппарат увлажнения и мокрой очистки также со встречными закрученными потоками с повторным использованием тепла и влаги сильно запыленного воздуха, причем в климатической установке осуществляют очистку и нагрев наружного воздуха, после чего воздушные потоки аппарата и установки направляют в блок, где осуществляют смешение этих потоков, затем воздух заданных параметров из блока смешения подают через устройства для раздачи воздуха в обслуживаемое помещение.
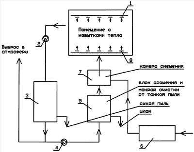
На чертеже изображена блок-схема устройства для реализации предложенного способа.
Устройство для реализации предложенного способа состоит из воздухозаборных устройств 1, расположенных в верхней зоне помещения, воздухонагнетающих устройств 2, и аппарата 3 сухой очистки воздуха. Воздухонагнетающее устройство 4 подает воздух в аппарат 5 увлажнения и мокрой очистки. В климатической установке 6 осуществляются очистка и нагрев наружного воздуха. В блоке 7 происходит смешение потоков от аппарата 5 и установки 6. Воздух заданных параметров из блока 7 поступает через устройство для раздачи воздуха 8 в обслуживаемое помещение.
Предложенный способ осуществляют следующим образом. Из воздухозаборных устройств 1, расположенных в верхней зоне помещения, воздух подают воздухонагнетающим устройством 2, связанным с устройствами 1, в аппарат 3 сухой очистки воздуха, например ВЗП. Далее посредством воздухонагнетающего устройства 4, например центробежного вентилятора, воздух подают в аппарат 5 увлажнения и мокрой очистки от мелкодисперсной пыли, а в то же время в климатической установке 6 осуществляют очистку и нагрев наружного воздуха. После чего воздушные потоки аппарата 5 и установки 6 направляют в блок 7, где осуществляют смешение этих потоков. Воздух заданных параметров из блока 7 подают через устройства для раздачи воздуха 8 в обслуживаемое помещение.
Разработанный способ предлагается использовать для подготовки наружного воздуха малогабаритной климатической установки, а основную массу используемого повторно воздуха (до 90% от общего объема) обрабатывать в аппаратах со встречными закрученными потоками. При этом технологическая компоновка климатической установки существенно упрощается.
Данный способ позволяет достичь заданных параметров приточного воздуха в более широком диапазоне влажности, Таким образом, незначительное понижение температуры приточного воздуха и повышение его влажности позволяют снизить требуемый объем подаваемого в помещение воздуха до 10%.
Разработанный принципиально новый способ тепловлажностной обработки воздуха совместно с использованием аппаратов со встречными закрученными потоками позволяет создать новую энергосберегающую технологию применительно к задачам кондиционирования воздуха производственных помещений, предполагающую повторное использование тепла и влаги сильно запыленного воздуха, не пригодного для утилизации энергоресурсов традиционными методами. Повышение технико-экономических показателей разработанного метода достигается за счет применения для очистки воздуха аппаратов со встречными закрученными потоками, что позволяет снизить стоимость центрального кондиционера, заменив его малогабаритной климатической установкой упрощенной конструкции.
Формула изобретения
Способ тепловлажностной обработки воздуха с утилизацией тепла, заключающийся в том, что осуществляют тепловлажностную обработку воздуха в блоках для подогрева, тонкой и грубой очистки воздуха и его увлажнения, отличающийся тем, что из воздухозаборных устройств, расположенных в верхней зоне помещения, воздух подают воздухонагнетающим устройством в аппарат сухой очистки воздуха со встречными закрученными потоками, а затем посредством воздухонагнетающего устройства воздух подают в аппарат увлажнения и мокрой очистки также со встречными закрученными потоками с повторным использованием тепла и влаги сильно запыленного воздуха, причем в климатической установке осуществляют очистку и нагрев наружного воздуха, после чего воздушные потоки аппарата и установки направляют в блок, где осуществляют смешение этих потоков, затем воздух заданных параметров из блока смешения подают через устройства для раздачи воздуха в обслуживаемое помещение.
РИСУНКИ
|
|