|
|
(21), (22) Заявка: 2007122304/03, 15.06.2007
(24) Дата начала отсчета срока действия патента:
15.06.2007
(46) Опубликовано: 10.02.2009
(56) Список документов, цитированных в отчете о поиске:
SU 354119 A1, 09.10.1972. RU 2017941 C1, 15.08.1994. RU 2220012 C2, 27.12.2003. RU 2272974 C2, 27.03.2006. RU 2245831 C1, 10.02.2005. US 3707157, 26.12.1972.
Адрес для переписки:
123458, Москва, ул. Таллинская, 17, корп.4, кв.362, В.А. Истомину
|
(72) Автор(ы):
Истомин Владимир Александрович (RU), Астафьев Евгений Николаевич (RU), Байдин Игорь Иванович (RU), Максимчук Александр Юрьевич (RU)
(73) Патентообладатель(и):
Истомин Владимир Александрович (RU), Астафьев Евгений Николаевич (RU)
|
(54) СПОСОБ ЭКСПЛУАТАЦИИ СКВАЖИН И СИСТЕМЫ СБОРА ГАЗА В КОМПРЕССОРНЫЙ ПЕРИОД РАЗРАБОТКИ ГАЗОВЫХ И ГАЗОКОНДЕНСАТНЫХ МЕСТОРОЖДЕНИЙ
(57) Реферат:
Изобретение относится к газовой промышленности. Техническим результатом изобретения является повышение эффективности работы малодебитных скважин. Сущность изобретения: способ осуществляют за счет кратковременного прекращения добычи газа на промысле посредством переключения дожимной компрессорной станции на холостой ход. В последующем включают эту станцию в штатный режим работы и подают добываемый газ в магистральный газопровод. Тем самым обеспечивают вынос образованной за период остановки промысла жидкостной пробки в соединительных трубопроводах на пониженных участках трассы. При этом одновременно снижают уровень жидкости на забоях газовых скважин за счет повышения скоростей газовых потоков. Это приводит к повышению производительности обводняющихся скважин и их соединительных трубопроводов, шлейфов и коллекторов за счет удаления жидкой фазы из стволов скважин и трубопроводов. 2 ил.
Изобретение относится к газодобывающей промышленности и может быть использовано при освоении, добыче газа на газовых и газоконденсатных месторождениях в компрессорный период их разработки при подключении дожимной компрессорной станции (ДКС) и эксплуатации газовых скважин.
Из уровня техники известен способ эксплуатации газовых скважин, включающий продувку скважин и соединительных трубопроводов (шлейфов, коллекторов) на факел. Продувка осуществляется с целью выноса скопившейся жидкости, уменьшения гидравлического сопротивления системы сбора газа и обеспечения тем самым стабильной работы промысла в течение некоторого периода времени (Муравьев В.М. Эксплуатация нефтяных и газовых скважин. М.: Недра, 1973, с.275-279).
Недостатком данного способа является то, что продувка скважин и шлейфов производится в атмосферу через факел. На практике этот способ предупреждения вышеуказанных технологических осложнений достаточно часто применяется, при этом безвозвратно теряется значительное количество газа. Следует отметить, что в заключительный период разработки месторождения подобные продувки приходится проводить все чаще и чаще.
Известен способ удаления жидкости из газовых скважин и шлейфов, включающий добычу газа и периодическое удаление жидкости с забоя скважины добываемым газом. Жидкость с забоя скважины удаляют путем продувки шлейфов через газовый эжектор, при этом каждую скважину периодически подключают к камере смешения эжектора, на вход которого подают высоконапорный газ с ДКС. Смешанный поток направляют на вход дожимной компрессорной станции, причем период продувки каждой скважины определяют по стабилизации температуры в ней (RU 2017941, 15.08.1994).
Целью данного способа является повышение эффективности работы малодебитных скважин, однако при этом не перекрываются потери при использовании этого способа, что приводит к снижению общей производительности газового промысла и не восполнению потерь добычи в последующее время.
Наиболее близким аналогом заявленного изобретения является способ периодического удаления жидкости из скважин. При работе скважины в фонтанной колонне скапливается жидкость и блок управления выдает команду на управляемое запорное устройство частично или полностью перекрыть поток газа из фонтанной колонны с целью накопления газа для подъема жидкости с забоя. После выполнения команды на запорном устройстве увеличивается перепад давления, величина которого контролируется. По достижении порога запорное устройство открывается, скорость газа в фонтанной колонне увеличивается и газ, скопившийся в затрубном пространстве, удаляет жидкость из скважины на поверхность (SU 354119, 09.10.1972).
В период падающей добычи и на завершающей стадии разработки месторождения снижение пластового давления приводит к увеличению влагосодержания газа, при этом скорость движения газа и массовый расход со временем уменьшаются до критических значений, при которых поток газа не в состоянии выносить скапливающуюся в трубопроводах жидкость. При этом происходит постепенное накопление жидкой фазы в соединительных трубопроводах и на забоях скважин. Это приводит к росту гидравлического сопротивления системы сбора газа в целом, снижению давления на устьях скважин и к возможности их «самозадавливания».
Задача, на решение которой направлено предложенное изобретение, заключается в создании такого способа периодического удаления жидкости из скважин и соединительных трубопроводов, который исключал бы указанные выше недостатки.
Технический результат, достигаемый при реализации данного изобретения, заключается в повышении эффективности работы скважин и систем сбора газа в компрессорный период эксплуатации месторождения за счет организации периодического выноса (удаления) жидкой фазы с забоев скважин, соединительных трубопроводов, шлейфов и коллекторов при снижении трудозатрат и эксплуатационных затрат, а также в повышении безопасности и экономичности.
Указанный технический результат достигается в способе периодического удаления жидкости из скважин и трубопроводов, в котором осуществляют кратковременное прекращение добычи газа на промысле посредством переключения дожимной компрессорной станции на холостой ход с последующим включением ее в штатный режим работы и подачей добываемого газа в магистральный газопровод и выносом тем самым образованной за период остановки промысла жидкостной пробки в соединительных трубопроводах на пониженных участках трассы и одновременным снижением уровня жидкости на забоях газовых скважин за счет повышения скоростей газовых потоков.
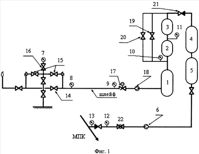
Сущность изобретения поясняется чертежами, где на фиг.1 изображена функциональная схема установки добычи и подготовки к транспорту; на фиг.2 – график результатов использования изобретения за сутки.
Газ со скважин по шлейфам поступает во входной сепаратор 1 или пылеуловитель, компримируется на ДКС 2, охлаждается в аппаратах воздушного охлаждения 3 газа. После направляется на осушку в абсорбер 4, проходит через фильтр для улавливания диэтиленгликоля 5, замеряется по замерной диафрагме в узле замера газа 6 и поступает в межпромысловый коллектор (МПК).
Установка содержит манометры 7-13, межструйную задвижку 14, рабочую 15 и буферную 16 задвижки, входную электроприводную задвижку 17, замерную диафрагму узла входа шлейфов 18, кран 19 диаметром 400 мм, разгрузочный кран 20 диаметром 300 мм, обратный клапан 21 и выходной кран 22.
В способе периодического удаления жидкости из скважин и соединительных трубопроводов, и/или шлейфов, и/или коллекторов осуществляется кратковременное прекращение добычи газа на промысле посредством переключения ДКС 2 на холостой ход («разгрузка на кольцо») с последующим включением ее в штатный режим работы и подачей добываемого газа в магистральный газопровод. За период остановки промысла в соединительных трубопроводах образуются жидкостные пробки на пониженных участках трассы, а жидкость в стволах скважин скапливается на забое, частично поглощаясь в пласт. Последующее достаточно быстрое переключение ДКС 2 на работу в газопровод приводит к выносу (удалению) жидкой фазы из скважин и соединительных трубопроводов и, тем самым, уменьшается гидравлическое сопротивление системы сбора газа. При этом реализуется технологическая возможность поддержания повышенных дебитов скважин (и производительности промысла по газу в целом) примерно в течение одного часа, что дополнительно способствует выносу скопившейся жидкости в «рельефных» трубопроводах. Эффект увеличения дебитов скважин сохраняется более суток.
Таким образом, имеет место повышение добычи газа в целом по промыслу, сохраняющееся определенное время (более суток), после чего процедура кратковременной остановки может быть повторена (периодичность процесса определяется опытным путем).
Что касается длительности кратковременной остановки промысла, то эта величина также определяется экспериментальным путем с тем, чтобы обеспечить максимально возможное в конкретных условиях эксплуатации повышение добычи газа по промыслу в целом, например для систем сбора и подготовки газа месторождения «Медвежье» оптимальное время остановки промысла составляет 10 минут.
При использовании данного способа снижаются эксплуатационные затраты (отсутствуют технологические потери газа), обеспечивается дополнительная добыча газа и соблюдаются экологические требования (исключается экологический ущерб, наносимый технологией удаления жидкости путем продувок скважин и соединительных трубопроводов в атмосферу со сжиганием газа на факеле).
Существенная особенность предлагаемого способа состоит еще в том, что улучшается гидравлическая эффективность скважин и системы сбора газа на всем промысле одновременно, а не на отдельных скважинах и их соединительных трубопроводах (шлейфах). Способ осуществляется в автоматическом режиме с пульта оператора. Таким образом, трудоемкость предлагаемого способа существенно ниже по сравнению с ранее известными способами удаления жидкости.
Способ удаления жидкости со скважин и соединительных трубопроводов (шлейфов, коллекторов) заключается в том, что открывается разгрузочный кран 20, после открывается кран 19 и ДКС 2 тем самым выводится на холостой ход («работа ДКС 2 на кольцо»). Оптимальный период работы ДКС 2 в холостом режиме установлен экспериментальным путем и составляет 10 минут. Указанного временного периода оказывается достаточным, чтобы жидкая фаза накопилась в пониженных участках соединительных трубопроводов (трассы трубопровода), а жидкость из газожидкостного потока в скважине скопилась на забое. Последующее переключение ДКС 2 на штатный режим осуществляется следующим образом. Кран 19 закрывается полностью, тогда, как разгрузочный кран 20 закрывается постепенно с учетом допустимого технологического режима скважин (всех в сумме) газового промысла. Скорость движения газа резко увеличивается, что и приводит к выносу жидкости из пониженных участков соединительных трубопроводов (шлейфов, коллекторов) и забоя скважины при пробковом режиме течения газожидкостной смеси.
Пример. Месторождение «Медвежье».
Исходные данные перед началом испытания предлагаемого способа: расход газа по замерной диафрагме узла замера газа 6 (фиг.2) – 172 тыс.м3/час, давление на устье скважины по манометрам 7, 8 составляет 1,2 МПа, по манометрам 9 и 10 – 1,1 МПа, по манометру 11-1,85 МПа, по манометрам 12 и 13-1,75 МПа.
После 10-ти минут работы на «кольцо» давление по манометрам 7-12 составило 1,41 МПа, по манометру 13 – 1,75 МПа. По манометру 13 давление не изменилось, что говорит о не значительности изменения расхода в целом по месторождению.
При пуске ДКС 2 в трассу после закрытия крана 19 (фиг.2) закрытие разгрузочного крана 20 производилось более 1-го часа, поскольку расход вырос до предельно допустимого технологического режима на квартал, а именно 210 тыс.м3/час. На фиг.2 видно, что потери добычи в течение 10-ти минут, которые составили около 28 тыс.м3, значительно перекрываются в первый же час после пуска промысла в работу при использовании предложенного способа. Прирост добычи при неизменных параметрах работы ДКС и технологического оборудования УКПГ составил 80 тыс.м3 за одни сутки.
Заявленное изобретение позволяет повысить производительность обводняющихся скважин и их соединительных трубопроводов (шлейфов, коллекторов) за счет удаления жидкой фазы из стволов скважин и трубопроводов и снизить эксплуатационные затраты, а также обеспечивает дополнительную добычу газа и соответствует экологическим требованиям (исключается экологический ущерб, наносимый стандартной технологией удаления жидкости путем продувок скважин и соединительных трубопроводов в атмосферу со сжиганием газа на факеле).
Удаление жидкой фазы достигается посредством кратковременного на 10 минут прекращения добычи газа на промысле переключением дожимной компрессорной станции (ДКС) на холостой ход («разгрузка на кольцо») с последующим включением ее на штатный режим работы в магистральный газопровод. За период остановки добычи газа в соединительных трубопроводах образуются жидкостные пробки на пониженных участках трассы, а жидкость в стволах скважин скапливается на забое, частично поглощаясь в пласт. Последующее достаточно быстрое переключение ДКС на работу в газопровод приводит к выносу жидкой фазы из скважин и соединительных трубопроводов и тем самым уменьшается гидравлическое сопротивление системы сбора газа. При этом наблюдается эффект повышения добычи газа в целом по промыслу, который некоторое время сохраняется, после чего процедура кратковременной остановки промысла повторяется (периодичность процесса определяется опытным путем и для газовых скважин месторождения Медвежье составляет один раз в сутки).
Формула изобретения
Способ периодического удаления жидкости из скважин и трубопроводов, характеризующийся тем, что осуществляют кратковременное прекращение добычи газа на промысле посредством переключения дожимной компрессорной станции на холостой ход с последующим включением ее в штатный режим работы и подачей добываемого газа в магистральный газопровод и выносом тем самым образованной за период остановки промысла жидкостной пробки в соединительных трубопроводах на пониженных участках трассы и одновременным снижением уровня жидкости на забоях газовых скважин за счет повышения скоростей газовых потоков.
РИСУНКИ
|
|