|
|
(21), (22) Заявка: 2007105182/11, 13.02.2007
(24) Дата начала отсчета срока действия патента:
13.02.2007
(43) Дата публикации заявки: 27.08.2008
(46) Опубликовано: 10.02.2009
(56) Список документов, цитированных в отчете о поиске:
RU 2253585 C1, 10.06.2005. RU 2253586 C1, 10.06.2005. RU 55720 U1, 27.08.2006. RU 2145734 C1, 20.02.2000.
Адрес для переписки:
428015, Чувашская республика, г.Чебоксары, Московский пр-кт, 40, ОАО “Научно-производственный комплекс “ЭЛАРА”
|
(72) Автор(ы):
Балабанов Игорь Викторович (RU), Кайнов Виталий Михайлович (RU), Кочева Ольга Федоровна (RU), Кочетков Александр Александрович (RU), Нечаев Александр Николаевич (RU), Чуркин Сергей Николаевич (RU), Аранович Анатолий Исаакович (RU), Гуляев Андрей Николаевич (RU), Григорьева Людмила Витальевна (RU), Иванов Андрей Николаевич (RU), Казиев Гурам Дмитриевич (RU)
(73) Патентообладатель(и):
ОТКРЫТОЕ АКЦИОНЕРНОЕ ОБЩЕСТВО “НАУЧНО-ПРОИЗВОДСТВЕННЫЙ КОМПЛЕКС “ЭЛАРА” имени Г.А. Ильенко” (RU), ПРОЕКТНО-КОНСТРУКТОРСКО-ТЕХНОЛОГИЧЕСКОЕ БЮРО ЖЕЛЕЗНОДОРОЖНОЙ АВТОМАТИКИ И ТЕЛЕМЕХАНИКИ (RU)
|
(54) УСТРОЙСТВО ФОРМИРОВАНИЯ НАПРЯЖЕНИЯ ПИТАНИЯ ДЛЯ ВЫХОДНЫХ КАСКАДОВ ОТВЕТСТВЕННЫХ СИГНАЛОВ
(57) Реферат:
Изобретение относится к железнодорожной автоматике и может быть использовано для формирования напряжения питания для выходных каскадов ответственных сигналов с заданной вероятностью перевода выходных сигналов в пассивное состояние при отказе устройств, ответственных за их формирование. Устройство содержит каналы управления, каскады безопасности, каждый из которых управляется сигналом исправности, поступающим от соответствующего канала управления. Каждый из каскадов безопасности содержит дополнительно цепи контроля состояния ключей каскада безопасности, сигналы с которых поступают в каналы обработки, где их временные характеристики сравниваются с заранее заданными значениями или значениями, определяемыми заранее заданным алгоритмом, и, на основании этого сравнения, делается вывод о работоспособности устройств, участвующих в формировании напряжения питания выходных каскадов ответственных сигналов. Техническим результатом изобретения является повышение безопасности формирования ответственных сигналов, уменьшение вероятности формирования активных сигналов при отказах устройств их формирующих и, тем самым, уменьшение вероятности формирования более разрешающих показаний в устройствах сигнализации на железных дорогах. 2 з.п. ф-лы, 5 ил.
Изобретение относится к железнодорожной автоматике и может быть использовано для формирования напряжения питания для выходных каскадов ответственных сигналов с заданной вероятностью перевода выходных сигналов в пассивное состояние при отказе устройств, ответственных за их формирование.
Во многих устройствах железнодорожной автоматики питание устройств формирования ответственных сигналов осуществляется от особых схем, которые управляются сигналами, поступающими от двух и более независимых каналов управления. В качестве формирователей такого питания, называемого в дальнейшем «напряжением безопасности», часто используются каскады безопасности на основе инверторов полярности – устройств, формирующих на выходе постоянное напряжение с полярностью, противоположной полярности входного напряжения питания.
В качестве наиболее близких аналогов, выбранных в качестве прототипа, использованы технические решения, описанные в патентах России №2253585 и 2253586 (B61L 23/16). И в том, и другом источнике информации устройства содержат каналы управления, каскады безопасности, вспомогательный источник. Электропитание каскадов формирования выходных сигналов формируется в результате преобразования напряжения последовательно соединенными каскадами безопасности, что позволяет при обнаружении отказов снимать питание с каскадов формирования выходных сигналов, переводя их тем самым в пассивное состояние.
Недостатком этих технических решений является отсутствие контроля правильности работы каскадов безопасности, что может привести к неконтролируемому формированию напряжения питания выходных каскадов ответственных сигналов и, в свою очередь, к формированию выходных ответственных сигналов с искаженными параметрами. Это может привести к ложному формированию показания в напольных и/или локомотивных устройствах сигнализации, разрешающего движение поезда со скоростью, превышающей скорость, допустимую поездной обстановкой.
Недостатком использования каскадов безопасности в прототипе является также невозможность контроля динамических отказов. Так, отказы в цепях канала управления, приводящие к ложной генерации сигнала исправности (IN+, IN-), отказы элементов каскада безопасности (КБ): выходного транзистора оптопары V1, драйвера полевых транзисторов DA1, приводят к тому, что инвертор полярности продолжает инвертировать напряжение, причем отказы такого вида не обнаруживаются и накапливаются, т.е. одиночные отказы не выявляются и не нарушают работу изделия, а многократные отказы на основе таких одиночных отказов уже не позволяют осуществить прекращение формирования напряжения безопасности. Это приводит к увеличению вероятности формирования напряжения безопасности и выходных ответственных сигналов активного уровня, если каналами управления выявляется несоответствие выходных ответственных сигналов ожидаемым сигналам, и невозможности перевода изделия в неработоспособное состояние, отвечающее требованиям безопасности движения на железных дорогах.
Техническим результатом предлагаемых изменений является повышение безопасности формирования ответственных сигналов, снижение вероятности формирования активных сигналов при отказах устройств их формирующих и, тем самым, уменьшение вероятности формирования в устройствах сигнализации показаний, разрешающих движение со скоростью, превышающей скорость, допустимую поездной обстановкой.
Технический результат достигается тем, что в предлагаемом устройстве для исключения неконтролируемой работы инверторов полярности каскадов безопасности в каждом из инверторов полярности введена дополнительная цепь контроля состояния ключей, состоящая из оптопары V2 и токозадающего резистора R3, которая передает информацию о состоянии транзисторных ключей VT1 и VT2 в каналы управления, контролирующие работу инвертора полярности и узлов, формирующих сигнал управления для этого инвертора полярности.
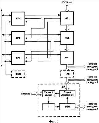
Описанное техническое решение представлено на чертежах:
фиг.1 – структурная схема устройства формирования напряжения питания выходных каскадов ответственных сигналов;
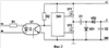
фиг.2 – схема каскада безопасности для инвертирования положительного напряжения;
фиг.3 – схема каскада безопасности для инвертирования отрицательного напряжения;
фиг.4 – схема подключения цепи контроля состояния ключей в каскаде безопасности для инвертирования положительного напряжения;
фиг.5 – схема подключения цепи контроля состояния ключей в каскаде безопасности для инвертирования отрицательного напряжения.
На схемах введены следующие обозначения:
КУ1-КУ3 – канал управления;
КБ1-КБ3 – каскад безопасности;
ФСС – формирователь сигналов синхронизации;
ПУН – преобразователь уровня напряжения;
ВИ – вспомогательный источник;
Т – трансформатор;
ФВН – формирователь выходного напряжения.
Схемы каскадов безопасности на основе инвертора полярности для инвертирования положительного и отрицательного напряжения приведены на фиг.2 и 3.
Каждый из каскадов безопасности содержит цепи сопряжения с сигналами безопасности, формируемыми каналами управления, на основе резистора R1 и оптопары V1, драйвера управления транзисторами инвертора полярности DA1 и собственно инвертора полярности на основе транзисторных ключей VT1 и VT2, конденсаторов С1 и С2, диодов VD1 и VD2. Один из транзисторных ключей может быть заменен резистором (фиг.2-5).
К полезным свойствам инвертора полярности относятся устойчивость к статическим отказам, в том числе и многократным, достаточно высокий КПД, простота реализации, возможность их каскадирования, что позволяет осуществлять формирование напряжения безопасности от сигналов исправности, формируемых двумя и более каналами управления.
Примеры подключения цепи контроля состояния ключей к инверторам полярности положительного и отрицательного напряжения показаны на фиг.4 и 5.
При необходимости передачи информации о состоянии ключей для контроля в два и более канала управления подключаются дополнительные оптопары, излучающие диоды которых соединяются последовательно.
Каналами управления, контролирующими работу инвертора полярности, являются, как правило, все каналы управления, которые не формируют сигнал исправности для данного инвертора полярности. Контроль работы инвертора полярности заключается в сравнении временных характеристик контрольного сигнала (это может быть частота, длительность импульса и/или паузы и т.д.) с заранее определенным диапазоном значений, несоответствие которому означает отказ инвертора полярности и/или узла, формирующего сигнал исправности для этого инвертора полярности. При этом ввиду использования, по крайней мере, двух каналов управления и соответствующего им числа каскадов безопасности, после обнаружения отказа сохраняется возможность выключения исправного инвертора полярности и прекращения формирования напряжения безопасности.
Устройство работает следующим образом.
Каналы управления (количеством не менее двух) (фиг.1) благодаря встроенным средствам осуществляют контроль работоспособности изделия в целом и соответствия выходных сигналов заданному алгоритму работы. Если канал управления признает свою работу и работу контролируемых им узлов правильной, его контроллер формирует сигнал исправности для управления каскадом безопасности. Сигнал исправности представляет собой динамический (не статический) сигнал с заранее определенными параметрами. Сигнал исправности через цепи согласования канала управления поступает на соответствующий каскад безопасности (фиг.1), где он используется для управления драйвером транзисторов инвертора полярности. В случае если драйвер формирует согласованные динамические сигналы для управления транзисторами инвертора полярности, происходит инвертирование входного напряжения, в противном случае инвертирования напряжения не происходит.
Инверторы полярности включаются по каскадной схеме: выход (инвертированное напряжение питания) первого инвертора полярности служит питанием для второго инвертора полярности и т.д., при этом полярность формируемого инверторами полярности напряжения чередуется. На выходе последнего инвертора полярности формируется «напряжение безопасности», которое является напряжением питания выходных каскадов ответственных сигналов (фиг.1).
Сигнал состояния ключей инвертора полярности через цепи контроля состояния ключей поступает в канал управления (фиг.4, 5). Контроль сигналов состояния ключей инвертора полярности каналами управления, не формирующими сигнал исправности для данного каскада безопасности, является обязательным. Сигнал состояния ключей инвертора полярности проходит через цепи согласования канала управления и поступает на контроллер канала управления, где его характеристики сравниваются с диапазоном допустимых значений. В результате такого сравнения контроллер принимает решение об исправности конкретного каскада безопасности и/или узлов канала управления, формирующих сигнал исправности для данного каскада безопасности.
При положительном результате сравнения всех анализируемых сигналов состояния ключей и при положительной оценке результатов работы всех других контролируемых каналом управления узлов контроллер канала управления продолжает формирование сигнала исправности для соответствующего каскада безопасности. В противном случае, формирование сигнала исправности прекращается, что приводит к прекращению работы соответствующего каскада безопасности, обнаружению этого факта всеми каналами управления, участвующими в анализе сигнала состояния ключей этого каскада безопасности, прекращению формирования сигналов исправности всеми каналами управления. Поскольку для прекращения формирования «напряжения безопасности» достаточно выключения хотя бы одного инвертора полярности, «напряжение безопасности» не формируется и формирование активных выходных сигналов невозможно.
В качестве анализируемых характеристик сигналов контроля состояния ключей инвертора полярности в простейших случаях могут использоваться временные параметры, не изменяющиеся во времени (частота формирования сигнала исправности, длительность импульса и/или паузы и т.п.). При необходимости глубину контроля состояния ключей инвертора полярности и соответственно канала управления, формирующего сигнал исправности для инвертора полярности, можно увеличить, вводя дополнительные анализируемые параметры сигнала контроля состояния ключей инвертора полярности. Так, например, частота формирования сигнала исправности может меняться во времени по заранее определенному алгоритму, либо в соответствии с сигналами или командами синхронизации, вырабатываемыми контроллером одного их каналов управления и передаваемыми в другие каналы управления через шину межпроцессорного обмена, либо самостоятельным формирователем сигналов синхронизации.
Допускаются разные варианты использования сформированного «напряжения безопасности». Оно может использоваться напрямую для питания выходных каскадов, формирующих ответственные сигналы, либо через преобразователь уровня напряжения, который согласует напряжение безопасности с требованиями, предъявляемыми к напряжению питания выходных каскадов, но не использует другие источники энергии, кроме поступающего на его вход «напряжения безопасности».
Если мощности, формируемой на выходе последнего каскада безопасности, недостаточно для питания выходных каскадов ответственных сигналов, дополнительно может включаться вспомогательный источник, выполняющий функцию усилителя мощности. Такой источник (фиг.1) представляет собой, как правило, импульсный преобразователь напряжения с гальванической изоляцией. «Напряжение безопасности» служит для питания схемы управления вспомогательного источника, которая не получает энергию от других источников. Напряжение на силовой каскад вспомогательного источника поступает с внешнего источника энергии. Сигнал с трансформатора поступает на формирователь выходных напряжений, где выпрямляется и преобразуется в уровни, необходимые для питания выходных каскадов ответственных сигналов.
Также возможен комбинированный способ, при котором на выходные каскады ответственных сигналов поступает как «напряжение безопасности» (может быть преобразованное преобразователем уровня напряжения), так и напряжение, полученное на вспомогательном источнике.
Указанный технический результат подтвержден расчетом и испытаниями опытных образцов аппаратуры тональных рельсовых цепей с цифровой обработкой сигналов, для которых интенсивность опасных отказов не превышает =1·10-11 1/ч.
Формула изобретения
1. Устройство формирования напряжения питания для выходных каскадов ответственных сигналов, содержащее каналы управления, каскады безопасности, каждый из которых управляется сигналом исправности, поступающим от соответствующего канала управления, отличающееся тем, что каждый из каскадов безопасности содержит дополнительно цепи контроля состояния ключей каскада безопасности, сигналы с которых поступают в каналы обработки, где их временные характеристики сравниваются с заранее заданными значениями или значениями, определяемыми заранее заданным алгоритмом, и, на основании этого сравнения, делается вывод о работоспособности устройств, участвующих в формировании напряжения питания выходных каскадов ответственных сигналов.
2. Устройство по п.1, отличающееся тем, что алгоритм изменения временных характеристик сигналов исправности задается сигналами или командами синхронизации, формируемыми одним из каналов управления и передаваемыми в другие каналы управления по интерфейсу межпроцессорного обмена.
3. Устройство по п.1, отличающееся тем, что алгоритм изменения временных характеристик сигналов исправности в каналах обработки задается независимым формирователем сигналов синхронизации.
РИСУНКИ
|
|