|
|
(21), (22) Заявка: 2007122036/28, 13.06.2007
(24) Дата начала отсчета срока действия патента:
13.06.2007
(46) Опубликовано: 20.01.2009
(56) Список документов, цитированных в отчете о поиске:
SU 1610268 A1, 30.11.1990. SU 1185419 A, 15.10.1985. SU 1523920 A1, 23.11.1989. SU 1585675 A1, 15.08.1990. SU 1203120 A1, 07.01.1986. JP 61070402 A, 11.04.1986.
Адрес для переписки:
248029, г.Калуга, ул. Гурьянова, 12, кв.60, С.В. Карпенко
|
(72) Автор(ы):
Карпенко Сергей Владимирович (RU)
(73) Патентообладатель(и):
Карпенко Сергей Владимирович (RU)
|
(54) УСТРОЙСТВО ИДЕНТИФИКАЦИИ ИЗДЕЛИЙ
(57) Реферат:
Изобретение относится к области измерительной техники и может быть использовано в машиностроении для идентификации (распознавания) нагретых и ненагретых изделий. При перемещении нагретых изделий относительно чувствительного элемента устройства, образованного емкостным чувствительным элементом и двумя инфракрасными фотоприемниками, между которыми установлен емкостный чувствительный элемент, происходит последовательное засвечивание первого инфракрасного фотоприемника, пересечение электрического поля емкостного чувствительного элемента и засвечивание второго инфракрасного фотоприемника. При этом на первом выходе устройства появляется сигнал с уровнем логической “1”, несущий информацию об идентификации нагретого изделия, а на втором – напряжение с уровнем логического “0”. В случае попадания в зону чувствительного элемента устройства ненагретых изделий сигнал с уровнем логической “1”, несущий информацию об идентификации ненагретого изделия, появляется только от емкостного чувствительного элемента, который проходит на второй выход устройства, а на первом выходе присутствует напряжение с уровнем логического “0”. Устройство обеспечивает идентификацию нагретых и ненагретых металлических и неметаллических изделий без контакта с ними. 4 ил.
Изобретение относится к области контрольно-измерительной техники и может быть использовано в машиностроении для идентификации (распознавания) нагретых и ненагретых изделий, а также в качестве датчика положения металлических и неметаллических изделий с учетом их термического состояния.
Известно устройство идентификации изделий, содержащее фотоприемник, формирователь, ко входу которого подключен фотоприемник, чувствительный элемент, генератор электрических колебаний, пороговый элемент, логический элемент 2ИЛИ-НЕ, первый вход которого подключен к выходу формирователя, первую выходную клемму, подключенную ко второму входу логического элемента 2ИЛИ-НЕ и являющуюся первым выходом устройства, вторую выходную клемму, соединенную с выходом логического элемента 2ИЛИ-НЕ и являющуюся вторым выходом (см. авторское свидетельство СССР “Датчик положения и контроля” №1185419, МКИ4 Н01Н 36/00, 1985). Такое устройство не позволяет производить идентификацию (распознавание) нагретых и ненагретых изделий (металлических и неметаллических), так как оно производит идентификацию только ненагретых металлических и неметаллических изделий соответственно по первому и второму его выходу.
Наиболее близким по технической сущности к предлагаемому решению является устройство идентификации изделий, содержащее инфракрасный фотоприемник, формирователь, выполненный по схеме триггера Шмитта, ко входу которого подключен инфракрасный фотоприемник, чувствительный элемент, генератор электрических колебаний, пороговый элемент, выполненный по схеме триггера Шмитта, инвертор, логический элемент 2ИЛИ-НЕ, первый вход которого соединен с выходом инвертора, первую выходную клемму, подключенную к выходу логического элемента 2ИЛИ-НЕ и являющуюся первым выходом устройства, вторую выходную клемму, соединенную со вторым входом логического элемента 2ИЛИ-НЕ и являющуюся вторым выходом устройства (см. авторское свидетельство СССР №1610268, МКИ5 G01B 21/00 “Индуктивно-оптический датчик положения и контроля”, 1990).
Однако такое устройство обладает ограниченными функциональными возможностями, так как производит идентификацию только нагретых изделий – металлических и неметаллических соответственно по одному и второму его выходу и не позволяет производить идентификацию (распознавание) нагретых и ненагретых изделий – металлических и неметаллических с расширением номенклатуры контролируемых изделий по каждому его выходу. Т.е. такое устройство не позволяет производить идентификацию наряду с нагретыми и ненагретых изделий с расширенной номенклатурой контролируемых изделий по каждому выходу, например до двух изделий – металлических и неметаллических.
Техническая задача предлагаемого изобретения – расширение функциональных возможностей устройства путем обеспечения идентификации наряду с нагретыми ненагретых металлических и неметаллических изделий с расширением номенклатуры контролируемых изделий по его каждому выходу.
Для решения поставленной задачи предложено следующее.
Устройство идентификации изделий, содержащее первый инфракрасный фотоприемник, формирователь в виде схемы триггера Шмитта, ко входу которого подключен первый инфракрасный фотоприемник, чувствительный элемент, генератор электрических колебаний, пороговый элемент, инвертор, логический элемент 2ИЛИ-НЕ, первый вход которого соединен с выходом инвертора, а выход его является первым выходом устройства, отличающееся тем, что в него введены второй инфракрасный фотоприемник, выход которого подключен параллельно первому инфракрасному фотоприемнику ко входу формирователя, выход которого подключен ко второму входу логического элемента 2ИЛИ-НЕ и является вторым выходом устройства, детектор, вход которого подключен к выходу генератора электрических колебаний, выход – ко входу порогового элемента, выход которого соединен со входом инвертора, при этом генератор электрических колебаний выполнен в виде мультивибратора, а чувствительный элемент – в виде токопроводящей пластины и является емкостным чувствительным элементом мультивибратора, подключенным к его входу, причем чувствительный элемент, первый и второй инфракрасные фотоприемники, между которыми помещен чувствительный элемент, установлены вдоль прямой линии в одной плоскости и образуют чувствительный элемент устройства, а плоскости оптических окон инфракрасных фотоприемников и одна из плоскостей чувствительного элемента, направленные в одну сторону, установлены параллельно и образуют чувствительную поверхность устройства.
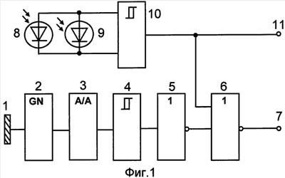
На фиг.1 представлена блок-схема предлагаемого устройства, на фиг.2 – схема взаимного расположения инфракрасных фотоприемников, емкостного чувствительного элемента и контролируемого изделия, на фиг.3 – диаграммы напряжений, поясняющие работу схемы устройства при срабатывании его от нагретых металлических и неметаллических изделий в режиме идентификации нагретых и ненагретых изделий, на фиг.4 – диаграммы напряжений, поясняющие работу схемы устройства при срабатывании его от ненагретых металлических и неметаллических изделий в режиме идентификации нагретых и ненагретых изделий.
Устройство содержит (см. фиг.1) емкостный чувствительный элемент 1 в виде токопроводящей пластины, генератор 2 электрических колебаний, выполненный, например, по схеме симметричного мультивибратора прямоугольных импульсов на основе операционного усилителя (см. Шило В.Л. Линейные интегральные схемы в радиоэлектронной аппаратуре. М.: Сов. радио, 1974, с.175, рис.4.42, а), ко входу которого подключен емкостной чувствительный элемент 1, детектор 3, выполненный, например, по схеме диодного пассивного преобразователя амплитудных значений переменного напряжения в постоянное с последовательным включением выпрямленного диода, выходной нагрузкой которого является параллельная RC-цепь (см. Волгин Л.И. Измерительные преобразователи переменного напряжения в постоянное. М.: Сов. Радио, 1977, с. 174, рис.4.9, б), вход которого подключен к выходу генератора 2, пороговый элемент 4, выполненный, например, по схеме триггера Шмитта, вход которого подключен к выходу детектора 3, инвертор 5, вход которого соединен с выходом порогового элемента 4, логический элемент 2ИЛИ-НЕ 6, первый вход которого соединен с выходом инвертора 5, первую выходную клемму 7, подключенную к выходу логического элемента 6 и являющуюся первым выходом устройства, первый и второй инфракрасные фотоприемники 8, 9, каждый из которых выполнен, например, по схеме, состоящей из усилителя постоянного тока на основе операционного усилителя, инфракрасного фотодиода, включенного в фотодиодном режиме на вход операционного усилителя (см. Аксененко М.Д. и др. Микроэлектронные фотоприемные устройства. / М.Д.Аксененко, М.Л.Бараночников, О.В.Смолин. – М.: Энергоатомиздат, 1984. – 208 с., ил., с. 83, рис.4.11, б), и транзисторного эмиттерного повторителя с открытым эмиттерным выходом, вход которого подключен к выходу усилителя постоянного тока, а его открытый эмиттерный выход является выходом инфракрасного фотоприемника, формирователь 10, выполненный, например, по схеме триггера Шмитта, ко входу которого подключены выходы инфракрасных фотоприемников 8, 9, а выход его соединен со вторым входом логического элемента 2ИЛИ-НЕ 6 и со второй выходной клеммой 11, являющейся вторым выходом устройства.
Емкостный чувствительный элемент 1, подключенный в цепи отрицательной обратной связи к инвертирующему входу операционного усилителя мультивибратора генератора 2, является одной из обкладок частотозадающего “раскрытого электрического конденсатора”. Второй обкладкой этого конденсатора являются электрические цепи общей “земли” мультивибратора и предлагаемого устройства в целом. Емкостный чувствительный элемент 1 служит емкостным чувствительным элементом мультивибратора генератора 2 (см. журнал “Радио”, №10, 2002, с.38, рис.1; с.39, рис.3) и размещен между инфракрасными фотоприемниками 8, 9. При этом инфракрасные фотоприемники и емкостный чувствительный элемент 1 установлены вдоль прямой линии в одной плоскости и образуют чувствительный элемент устройства. Плоскости оптических окон инфракрасных фотоприемников 8, 9 и одна из плоскостей емкостного чувствительного элемента 1 направлены в одну сторону, параллельны между собой и образуют чувствительную поверхность устройства (см. фиг.2).
Такое взаимное расположение в пространстве емкостного чувствительного элемента 1, инфракрасных фотоприемников 8, 9 и контролируемого изделия 12 при прохождении им в направлении стрелки 13 (14) относительно чувствительного элемента устройства параллельно его чувствительной поверхности и в пределах действия электрического поля 15 и расстояния чувствительности инфракрасных фотоприемников 8, 9 всегда обеспечивает:
1) последовательное засвечивание нагретым контролируемым изделием 12 своим инфракрасным излучением 16 сначала одного фотоприемника 8 (9), потом пересечение электрического поля 15 емкостного чувствительного элемента 1, оставляя при этом фотоприемник 8 (9) в засвеченном состоянии, а затем засвечивание другого фотоприемника 9 (8), оставаясь при этом в зоне действия электрического поля 15 и оставляя на некотором промежутке времени оба фотоприемника 8 (9) в засвеченном состоянии, далее затемнение фотоприемника 8 (9), оставаясь при этом в зоне действия электрического поля 15 и оставляя фотоприемник 9 (8) в засвеченном состоянии, затем выход из зоны действия электрического поля 15, оставляя фотоприемник 9 (8) в засвеченном состоянии, и, наконец, затемнение фотоприемника 9 (8) и выход нагретого контролируемого металлического или неметаллического изделия из зоны чувствительной поверхности устройства; таким образом, последовательное засвечивание нагретым контролируемым изделием 12 фотоприемников 8 (9) и 9 (8) происходит без разрыва, т.е. формируется обоими параллельно включенными фотоприемниками 8 и 9 сплошной импульс напряжения с уровнем логической “1” длительностью, равной времени нахождения нагретого контролируемого металлического или неметаллического изделия 12 в зоне чувствительной поверхности устройства, начиная с момента засветки фотоприемника 8 (9) и до момента выхода из засвеченного состояния фотоприемника 9 (8);
2) последовательное прохождение ненагретым контролируемым изделием 12 фотоприемника 8 (9) без его засвечивания вследствие отсутствия у него инфракрасного излучения 16, затем пересечение им электрического поля 15 емкостного чувствительного элемента 1, далее прохождение им фотоприемника 9 (8) без его засвечивания из-за отсутствия у контролируемого изделия 12 инфракрасного излучения 16 и выход его из зоны чувствительной поверхности устройства, таким образом, на выходе порогового элемента 4 формируется импульс напряжения с уровнем логической “1” длительностью, равной времени нахождения ненагретого контролируемого металлического или неметаллического изделия в электрическом поле 15 емкостного чувствительного элемента 1;
3) получение на выходе формирователя 10 импульса напряжения с уровнем логической “1”, длительность которого всегда больше, чем длительность импульса напряжения с уровнем логической “1” на выходе порогового элемента 4;
4) расстановку на временной оси сформированных импульсов на выходах формирователя 10 и порогового элемента 4 таким образом, чтобы выходной импульс формирователя 10 большей длительности всегда “охватывал” по времени выходной импульс порогового элемента 4 меньшей длительности.
Следовательно, такое взаимное расположение в пространстве емкостного чувствительного элемента 1, инфракрасных фотоприемников 8, 9 и взаимодействие их в описанной выше последовательности с контролируемым изделием 12, а также соответствующая обработка схемой предложенного устройства выходных сигналов генератора 2 и фотоприемников 8, 9 позволяют реализовать принцип действия устройства в режиме идентификации нагретых (металлических и неметаллических) и ненагретых (металлических и неметаллических) изделий и расширить функциональные возможности устройства путем обеспечения идентификации наряду с нагретыми ненагретых металлических и неметаллических изделий с расширением номенклатуры контролируемых изделий по его каждому выходу до двух разновидностей.
Устройство работает следующим образом.
При подаче напряжения питания в момент нахождения контролируемого изделия 12 вне зоны чувствительной поверхности устройства (см. фиг.2) фотоприемники 8, 9 находятся в затемненном состоянии. При этом формирователь 10 устанавливается в такое устойчивое состояние, при котором на его выходе, на втором входе логического элемента 2ИЛИ-НЕ 6 и на второй выходной клемме 11 устанавливаются соответственно напряжения U1 и U5 с уровнями логического “0” (см. фиг.3 и 4). При этом мультивибратор генератора 2 находится в заторможенном состоянии, при котором на его выходе и на входе и выходе детектора 3 устанавливаются напряжения с уровнями логического “0”. После чего пороговый элемент 4 устанавливается в такое устойчивое состояние, при котором на его выходе устанавливается напряжение U2 с уровнем логического “0”, которое инвертором 5 инвертируется в напряжение U3 с уровнем логической “1” и подается на первый вход логического элемента 2ИЛИ-НЕ 6. Напряжение U3 инвертируется логическим элементом 2ИЛИ-НЕ 6 и проходит на его выход с уровнем логического “0”, так как на второй вход логического элемента 2ИЛИ-НЕ 6 подано с выхода формирователя 10 разрешающее напряжение U1 с уровнем логического “0”. При этом на первой выходной клемме 7 устройства устанавливается напряжение U4 с уровнем логического “0”.
Таким образом, после подачи напряжения питания устройство устанавливается в исходное состояние, при котором контролируемое изделие 12 находится за пределами его чувствительной поверхности, а на выходных клеммах 7 и 11 устанавливаются соответственно напряжения U4 и U5 с уровнями логического “0”. После чего устройство готово к первому циклу идентификации контролируемых изделий.
Рассмотрим работу предлагаемого устройства в режиме идентификации нагретых и ненагретых изделий, при котором контролируемое изделие 12 (см. фиг.2) перемещается параллельно чувствительной поверхности устройства в пределах зоны действия электрического поля 15 емкостного чувствительного элемента 1 и расстояния чувствительности инфракрасных фотоприемников 8, 9 в одном из направлений по стрелке 13 или 14.
При перемещении в направлении стрелки 13 (14), например, нагретого металлического или неметаллического изделия 12 происходит засвечивание его инфракрасным излучением 16 (см. фиг.2) фотоприемника 8 (9). В результате на его выходе устанавливается напряжение с уровнем логической “1”, которое поступает на вход формирователя 10, который переключается в такое устойчивое состояние, при котором на его выходе и на втором входе логического элемента 2ИЛИ-НЕ 6 устанавливается напряжение U1, а на выходной клемме 11 – напряжение U5 с уровнями логической “1” (см. фиг.3).
Через некоторый промежуток времени перемещающееся в выбранном направлении контролируемое изделие 12, оставляя фотоприемник 8 (9) в засвеченном состоянии, входит в зону действия электрического поля 15 емкостного чувствительного элемента 1 и образует с ним электрический конденсатор. Значение электрической емкости образованного таким образом конденсатора увеличивается до такого уровня, при котором происходит возбуждение мультивибратора генератора 2 и переход его в режим генерации электрических колебаний. Амплитуда выходных импульсов мультивибратора преобразуется детектором 3 в постоянное напряжение с уровнем логической “1”, которое превышает входной пороговый уровень напряжения триггера порогового элемента 4. При этом последний переключается в другое состояние, при котором на его выходе устанавливается напряжение U2 (см. фиг.3) с уровнем логической “1”, которое подается на вход инвертора 5 и инвертируется им в напряжение U3 с уровнем логического “0”. Под действием этого логического уровня переключения логического элемента 2ИЛИ-НЕ не происходит, так как на его втором входе установлено запрещающее напряжение U1 с уровнем логической “1”.
Затем перемещающееся контролируемое изделие 12, по-прежнему оставляя фотоприемники 8, (9) в засвеченном состоянии и оставаясь в зоне действия электрического поля 15, засвечивает фотоприемник 9 (8). После чего уровень напряжения на входе формирователя 10, соответствующий уровню логической “1”, не изменился, так как параллельно включенные фотоприемники 8, 9 реализуют логическую функцию МОНТАЖНОЕ ИЛИ. Поэтому описанные выше состояния схемы устройства и диаграмм напряжений на фиг.3, установившиеся до момента засветки фотоприемника 9 (8), не изменились.
При дальнейшем перемещении в том же направлении контролируемое изделие 12, оставаясь в зоне действия электрического поля 15 и оставляя фотоприемник 9 (8) в засвеченном состоянии, выходит за пределы оптического окна фотоприемника 8 (9). При этом происходит затемнение фотоприемника 8 (9). После чего уровень напряжения на входе формирователя 10, соответствующий уровню логической “1”, также не изменился по причине реализации фотоприемниками 8, 9 логической функции МОНТАЖНОЕ ИЛИ. В связи с этим описанные состояния схемы устройства и диаграмм напряжений на фиг.3, установившиеся до момента затемнения фотоприемника 8 (9), также не изменились.
Далее контролируемое изделие 12, оставляя фотоприемник 8 (9) в затемненном состоянии, а фотоприемник 9 (8) в засвеченном состоянии, выходит из зоны действия электрического поля 15. При этом значение электрической емкости конденсатора, образованного емкостным чувствительным элементом и контролируемым изделием 12, уменьшается до такого уровня, что мультивибратор генератора 2 переходит в заторможенное состояние, т.е. в исходное состояние, при котором на выходе порогового элемента 4 устанавливается напряжение U2 с уровнем логического “0”. В результате на выходе инвертора 5 устанавливается напряжение U3 с уровнем логической “1”, которое подается на первый вход логического элемента 2ИЛИ-НЕ 6, на втором входе которого в этот момент установлено напряжение U1 с уровнем логической “1”. После чего на его выходе и выходной клемме 7 уровень напряжения U4 не изменился и остался на прежнем уровне логического “0”.
И на последнем отрезке своего перемещения контролируемое изделие 12 выходит за пределы оптического окна фотоприемника 9 (8). После чего он затемняется, т.е. устанавливается в исходное состояние, и на выходе формирователя 10 и на втором входе логического элемента 2ИЛИ-НЕ 6 устанавливается напряжение U1, а на выходной клемме 11 – напряжение U5 с уровням логического “0”. В результате схема устройства устанавливается в исходное состояние, и цикл идентификации нагретого металлического или неметаллического изделия на этом заканчивается. При повторном перемещении нагретого металлического или неметаллического изделия относительно чувствительной поверхности устройства цикл его работы в соответствии с диаграммами, приведенными на фиг.3, повторяется.
Следовательно, при прохождении контролируемого нагретого металлического или неметаллического изделия 12 относительно чувствительной поверхности устройства на выходной клемме 11 формируется импульс напряжения U5 с уровнем логической “1”, а на выходе инвертора 5 – импульс напряжения U3 с уровнем логического “0”, который логическим элементом 2ИЛИ-НЕ 6 не инвертируется и на выходную клемму 7 через него не проходит, так как поданный к этому моменту с выхода формирователя 10 на второй вход логического элемента 2ИЛИ-НЕ 6 импульс напряжения U1 с уровнем логической “1” запрещает его инвертирование и прохождение. При этом на выходной клемме 7 продолжает присутствовать напряжение U4 с уровнем логического “0”.
В случае введения в направлении стрелки 13 (14) в зону чувствительной поверхности устройства ненагретого металлического или неметаллического изделия 12 засвечивания фотоприемников 8, 9 из-за отсутствия у него инфракрасного излучения 16 и переключения формирователя 10 в другое устойчивое состояние не происходит. В результате чего на выходе формирователя 10 и на выходной клемме 11 формирования импульсов напряжений U1 и U5 соответственно не происходит (см. фиг.4). В этом случае формируются только импульс напряжения U2 на выходе порогового элемента 4 с уровнем логической “1” и импульс напряжения U3 на выходе инвертора 5 с уровнем логического “0”, который инвертируется логическим элементом 2ИЛИ-НЕ 6 в импульс напряжения U4 с уровнем логической “1”, и проходит через него на выходную клемму 7, так как поданный к этому моменту на второй вход логического элемента 2ИЛИ-НЕ 6 с выхода формирователя 10 нулевой логический уровень напряжения U1 разрешает инвертирование и прохождение.
По окончании формирования на выходной клемме 7 импульса напряжения U4 с уровнем логической “1”, которому соответствует момент выхода контролируемого изделия 12 из зоны действия электрического поля 15 и, следовательно, переход мультивибратора генератора 2 в заторможенное состояние, схема устройства устанавливается в исходное состояние. На этом цикл идентификации ненагретого металлического или неметаллического изделия заканчивается. При повторном перемещении ненагретого металлического или неметаллического изделия относительно чувствительной поверхности устройства цикл его работы в соответствии диаграммами напряжений, приведенными на фиг.4, повторяется.
Следовательно, при прохождении относительно чувствительной поверхности устройства контролируемого ненагретого металлического или неметаллического изделия на выходной клемме 7 формируется импульс напряжения с уровнем логической “1”, а на выходной клемме 11 при этом присутствует напряжение с уровнем логического “0”.
Таким образом, в рассмотренном режиме работы устройства информационный сигнал на его выходной клемме 11 однозначно соответствует прохождению относительно чувствительной поверхности устройства нагретого металлического или неметаллического изделия, а информационный сигнал на выходной клемме 7 – ненагретого металлического или неметаллического изделия, чем и обеспечивается процесс идентификации (распознавания) нагретых и ненагретых изделий (металлических и неметаллических).
В предложенном устройстве реализован потенциальный режим формирования на его выходах информационных сигналов идентификации нагретых и ненагретых изделий, когда нахождению контролируемого изделия в зоне его чувствительной поверхности однозначно соответствует установление на его определенном выходе потенциала с уровнем логической “1”, соответствующего информационному сигналу идентификации изделия. Причем этот сигнал не исчезает и продолжает присутствовать на соответствующем выходе устройства как при перемещении контролируемого изделия в пределах зоны чувствительной поверхности устройства, так и при нахождении его в ней в неподвижном состоянии в течение сколь угодно продолжительного промежутка времени. Таким образом, имеет место однозначное соответствие потенциального информационного сигнала на соответствующем выходе устройства истинному положению контролируемого изделия в определенной точке пространства, где устанавливается предлагаемое устройство. Это, в свою очередь, позволяет обеспечить работу предлагаемого устройства в режимах контроля положения металлических и неметаллических изделий с учетом их термического состояния.
В режиме контроля положения нагретых металлических и неметаллических изделий устройство функционирует как бесконтактный датчик положения фотоэлектрического типа. Работа устройства в этом случае описывается диаграммами, приведенными на фиг.3. При этом информационный сигнал снимается с выходной клеммы 11, а выходная клемма 7 не задействуется.
В режиме контроля положения ненагретых металлических и неметаллических изделий устройство функционирует как бесконтактный датчик положения емкостного типа. Работа устройства в этом случае описывается диаграммами, приведенными на фиг.4. При этом информационный сигнал снимается с выходной клеммы 7, а выходная клемма 11 не задействуется.
Формула изобретения
Устройство идентификации изделий, содержащее первый инфракрасный фотоприемник, формирователь импульсов, выполненный по схеме триггера Шмитта, ко входу которого подключен первый инфракрасный фотоприемник, чувствительный элемент, генератор электрических колебаний, пороговый элемент, инвертор, логический элемент 2ИЛИ-НЕ, первый вход которого соединен с выходом инвертора, а выход его является первым выходом устройства, отличающееся тем, что в него введены второй инфракрасный фотоприемник, выход которого подключен параллельно первому инфракрасному фотоприемнику ко входу формирователя импульсов, выход которого подключен ко второму входу логического элемента 2ИЛИ-НЕ и является вторым выходом устройства, детектор, вход которого подключен к выходу генератора электрических колебаний, выход – ко входу порогового элемента, выход которого соединен со входом инвертора, при этом генератор электрических колебаний выполнен в виде мультивибратора, а чувствительный элемент – в виде токопроводящей пластины и является емкостным чувствительным элементом мультивибратора, подключенным к его входу, причем чувствительный элемент, первый и второй инфракрасные фотоприемники, между которыми размещен чувствительный элемент, установлены вдоль прямой линии в одной плоскости и образуют чувствительный элемент устройства, а плоскости оптических окон инфракрасных фотоприемников и одна из плоскостей чувствительного элемента, направленные в одну сторону, установлены параллельно и образуют чувствительную поверхность устройства.
РИСУНКИ
|
|