|
|
(21), (22) Заявка: 2007134284/09, 17.09.2007
(24) Дата начала отсчета срока действия патента:
17.09.2007
(46) Опубликовано: 10.01.2009
(56) Список документов, цитированных в отчете о поиске:
SU 1254564 А1, 30.08.1986. RU 22140123 C1, 26.04.1997. SU 497671 A1, 30.12.1975. SU 543054 A1, 15.01.1977. GB 2326286 A, 16.12.1998.
Адрес для переписки:
410002, г.Саратов, ул. Московская, 66, ОАО “Центральный научно-исследовательский институт измерительной аппаратуры”, для Н.А.Комаровой
|
(72) Автор(ы):
Кац Борис Маркович (RU), Креницкий Александр Павлович (RU), Мещанов Валерий Петрович (RU), Шикова Людмила Владимировна (RU)
(73) Патентообладатель(и):
Открытое акционерное общество Центральный научно-исследовательский институт измерительной аппаратуры (ЦНИИИА) (RU)
|
(54) ДВУХКАНАЛЬНЫЙ СТУПЕНЧАТЫЙ ДЕЛИТЕЛЬ МОЩНОСТИ
(57) Реферат:
Изобретение относится к области радиотехники, а именно к устройствам деления мощности в трактах СВЧ на два канала и обеспечения развязки между каналами. Технический результат заключается в улучшении частотных характеристик делителя мощности (ДМ) при сохранении или уменьшении длины ступенчатого ДМ. Двухканальный ступенчатый делитель мощности с одинаковыми каналами, содержит отрезки однородной линии передачи с разными волновыми сопротивлениями, включенные каскадно в каждом канале, чередующиеся с сопротивлениями развязки, включенными после каждого отрезка между каналами, в него введены конденсаторы, включенные параллельно перед каждым отрезком линии передачи, при этом длина отрезков линий передачи меньше ср/4, где ср – средняя длина волны рабочего диапазона частот, а величины емкостей конденсаторов, сопротивления развязки и волновые сопротивления отрезков при фиксированной длине линий передачи выбраны из условия обеспечения минимального значения максимального коэффициента стоячей волны КСВ и максимального значения минимума развязки между каналами в рабочей полосе. 1 ил., 4 табл.
Изобретение относится к области радиотехники, а именно к устройствам деления мощности в трактах СВЧ на два канала и обеспечения развязки между каналами. В силу обратимости может быть использовано в качестве сумматора мощности.
Достоинством одноступенчатого ДМ является простота конструкции, недостатком – узкая полоса рабочих частот и большая длина при ср>50 см, где ср – средняя длина волны рабочего диапазона частот.
Улучшение частотных характеристик в таких ДМ приводит к увеличению длины по сравнению с одноступенчатым ДМ и при ср>50 см может достигать слишком больших значений, это является их недостатком..
Наиболее близким к предлагаемому является ступенчатый ДМ, содержащий отрезки однородных ЛП длиной ср/4 с разными волновыми сопротивлениями. Отрезки включены каскадно в каждом канале, при этом каналы разделены сопротивлениями развязки, включенными после каждой ступени (если смотреть со стороны входа делителя) (См.: Cohn S.B. A class of broadband three-port TEM-mode hybrids / IEEE Trans. – 1968. – Vol. MTT-16, No 2, pp.110-116; Справочник по элементам полосковой техники. / О.И.Мазепова, В.П.Мещанов, Н.И.Прохорова и др.; под ред. А.Л.Фельдштейна – М.: Связь, 1979. – 336 с.).
Недостатком данного решения является, то, что с улучшением частотных характеристик растет длина ДМ.
Задачей предлагаемого решения является улучшение частотных характеристик ДМ при сохранении или уменьшении длины ступенчатого ДМ.
Поставленная задача решается тем, что в двухканальный ступенчатый делитель мощности с одинаковыми каналами, содержащий отрезки однородной линии передачи с разными волновыми сопротивлениями, включенные каскадно в каждом канале, чередующиеся с сопротивлениями развязки, включенными после каждого отрезка между каналами, согласно предлагаемому решению в него введены конденсаторы, включенные параллельно перед каждым отрезком линии передачи, при этом длина отрезков линий передач меньше ср/4, а величины емкостей конденсаторов, сопротивления развязки и волновые сопротивления отрезков при фиксированной их длине выбраны из условия обеспечения минимального значения максимального КСВ и максимального значения минимума развязки между каналами в рабочей полосе.
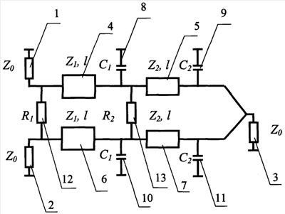
Изобретение поясняется чертежом, на котором приведено схематическое изображение предлагаемого ДМ для варианта, когда он выполнен двухступенчатым, где
1 – первый выход ДМ;
2 – второй выход ДМ;
3 – вход ДМ;
4 – первый отрезок однородной одиночной ЛП;
5 – второй отрезок однородной одиночной ЛП;
6 – третий отрезок однородной одиночной ЛП;
7 – четвертый отрезок однородной одиночной ЛП;
8 – первая сосредоточенная емкость (конденсатор);
9 – второй конденсатор;
10 – третий конденсатор;
11 – четвертый конденсатор;
12 – первое сопротивление развязки;
13 – второе сопротивление развязки.
Делитель мощности состоит из четырех отрезков однородных одиночных линий передачи 4, 5, 6 и 7, имеющих одинаковые длины L< cp/4, конденсаторов 8, 9, 10, 11 и сопротивлений развязки 12, 13. При этом волновые сопротивления отрезков 1 и 3 равны Z1, волновые сопротивления отрезков 2 и 4 равны Z2, емкость конденсаторов 8 и 10 равна C1, емкость конденсаторов 9 и 11 равна С2, сопротивления развязки 12 и 13 равны R1 и R2 соответственно. Величины емкостей, сопротивления развязки и волновые сопротивления отрезков при фиксированной длине одиночных ЛП рассчитаны из условия обеспечения минимального значения максимального КСВ и максимального значения минимума развязки между каналами в рабочей полосе. Вход 3 и выходы 1, 2 нагружены на активное сопротивление Z0. Предлагаемый ДМ работает следующим образом: большая часть мощности сигнала, подводимого к входу 3, делится на две равные части между выходами 1, 2. Часть мощности из-за неидеальности согласования и развязки отражается от входа 3 и выходов 1, 2.
В таблицах 1, 2 приведены результаты расчета значений емкостей конденсаторов и волновых сопротивлений отрезков ЛП для двухступенчатого и четырехступенчатого ДМ соответственно.
| Таблица 1 |
 |
1.5 |
2 |
1.5 |
2 |
1.5 |
2 |
1.5 |
2 |
L/ ср |
0.1667 |
0.1667 |
0.125 |
0.125 |
0.0833 |
0.0833 |
0.0625 |
0.0625 |
| КСВ3макс |
1.0441 |
1.1289 |
1.0490 |
1.1426 |
1.0535 |
1.1551 |
1.0554 |
1.1602 |
| KCB1 = КСВ2макс |
1.1194 |
1.2130 |
1.1619 |
1.3067 |
1.1968 |
1.3922 |
1.2107 |
1.4275 |
| С12мин, дБ |
27.6588 |
22.4295 |
24.7525 |
20.4300 |
22.9736 |
18.8663 |
22.3815 |
18.2803 |
| c1 |
0.0450 |
0.0431 |
0.0746 |
0.0720 |
0.1036 |
0.1002 |
0.1161 |
0.1123 |
| c2 |
0.0289 |
0.0301 |
0.0435 |
0.0449 |
0.0555 |
0.0571 |
0.0601 |
0.0618 |
| z1 |
1.3095 |
1.3347 |
1.4864 |
1.5185 |
1.9039 |
1.9504 |
2.3656 |
2.4268 |
| z2 |
1.9322 |
1.8964 |
2.3802 |
2.3265 |
3.3847 |
3.2918 |
4.4301 |
4.2988 |
| R1 |
6.1657 |
4.3310 |
6.1555 |
3.9902 |
5.7288 |
3.6562 |
5.4781 |
3.5007 |
| R2 |
2.4446 |
2.4622 |
2.9229 |
2.8932 |
3.3919 |
3.4206 |
3.6111 |
3.6945 |
| Таблица 2 |
 |
2 |
3 |
4 |
2 |
3 |
4 |
2 |
3 |
4 |
L/ ср |
0.125 |
0.125 |
0.125 |
0.0833 |
0.0833 |
0.0833 |
0.0625 |
0.0625 |
0.0625 |
| КСВ3макс |
1.0129 |
1.0701 |
1.1554 |
1.0151 |
1.0807 |
1.1759 |
1.0161 |
1.0852 |
1.1846 |
| KCB1 = КСВ2макс |
1.0629 |
1.1678 |
1.2693 |
1.0691 |
1.2141 |
1.3579 |
1.0716 |
1.2302 |
1.3939 |
| С12мин, дБ |
32.2441 |
24.1492 |
21.1716 |
31.5997 |
23.0492 |
19.6045 |
31.3558 |
22.6002 |
19.0474 |
| c1 |
0.0740 |
0.0732 |
0.0716 |
0.1050 |
0.1030 |
0.1000 |
0.1193 |
0.1164 |
0.1127 |
| c2 |
0.1007 |
0.0944 |
0.0897 |
0.1261 |
0.1186 |
0.1131 |
0.1354 |
0.1275 |
0.1217 |
| с3 |
0.0756 |
0.0746 |
0.0758 |
0.0968 |
0.0955 |
0.0946 |
0.1049 |
0.1036 |
0.1027 |
| c4 |
0.0278 |
0.0318 |
0.0355 |
0.0371 |
0.04167 |
0.0458 |
0.0409 |
0.0457 |
0.0500 |
| z1 |
1.2305 |
1.2928 |
1.3553 |
1.4863 |
1.5899 |
1.6888 |
1.7814 |
1.92717 |
2.0631 |
| z2 |
1.9716 |
1.9820 |
1.9932 |
2.8622 |
2.8542 |
2.8533 |
3.7714 |
3.7473 |
3.7362 |
| z3 |
2.5445 |
2.4529 |
2.3833 |
3.6714 |
3.5020 |
3.3775 |
4.8220 |
4.57913 |
4.4027 |
| z4 |
2.6179 |
2.5590 |
2.4873 |
3.6489 |
3.5481 |
3.4308 |
4.7411 |
4.5971 |
4.4333 |
| R1 |
– |
– |
11.6944 |
– |
– |
11.2044 |
– |
– |
10.7264 |
| R2 |
9.3497 |
6.8696 |
6.1365 |
9.5141 |
6.3883 |
6.4545 |
9.5558 |
6.63381 |
6.6477 |
| R3 |
4.4376 |
5.2206 |
7.0676 |
4.5643 |
5.6886 |
9.0518 |
4.6116 |
5.9728 |
10.0225 |
| R4 |
1.9975 |
2.4215 |
1.8365 |
2.0399 |
2.3535 |
1.8358 |
2.0655 |
2.3754 |
1.8408 |
В таблице 3 приведены сравнительные параметры одноступенчатого варианта выполнения прототипа и предлагаемого двухступенчатого ДМ, который имеет такую же, в полтора и в два раза меньшую длину, чем прототип.
| Таблица 3 |
| |
Одноступенчатый ДМ (прототип) |
Предлагаемый двухступенчатый ДМ |
L/ ср |
0.25 |
0.25 |
0.1667 |
0.125 |
 |
1.5 |
2 |
1.5 |
2 |
1.5 |
2 |
1.5 |
2 |
| КСВ3макс |
1.24 |
1.42 |
1.05 |
1.14 |
1.05 |
1.16 |
1.06 |
1.16 |
| KCB1= КСВ2макс |
1.02 |
1.06 |
1.16 |
1.31 |
1.20 |
1.39 |
1.21 |
1.43 |
| С12мин, дБ |
19.12 |
14.70 |
24.75 |
20.43 |
22.97 |
18.87 |
22.38 |
18.28 |
В таблице 4 приведены сравнительные параметры двухступенчатого варианта выполнения прототипа и предлагаемого четырехступенчатого ДМ, который имеет такую же, в полтора и в два раза меньшую длину, чем прототип
| Таблица 4 |
| |
Двухступенчатый ДМ (прототип) |
Предлагаемый четырехступенчатый ДМ |
L/ ср |
0.5 |
0.5 |
0.3333 |
0.25 |
 |
2 |
3 |
2 |
3 |
2 |
3 |
2 |
3 |
| КСВ3макс |
1.11 |
1.27 |
1.01 |
1.07 |
1.02 |
1.08 |
1.02 |
1.09 |
| KCB1 = КСВ2макс |
1.03 |
1.06 |
1.06 |
1.17 |
1.07 |
1.21 |
1.07 |
1.23 |
| С12мин, дБ |
27.41 |
19.60 |
32.24 |
24.15 |
31.60 |
23.05 |
31.36 |
23.60 |
В таблицах использованы следующие обозначения: – отношение граничных частот рабочего диапазона; L/ ср – нормированная длина ДМ; KCB1, КСВ2, КСВ3макс – максимальные значения коэффициента стоячей волны на входах 1, 2, 3 соответственно; С12мин – минимальное значение развязки входов 1, 2.
Из таблиц видно, что предлагаемый ДМ в выбранной полосе частот при такой же, в полтора и в два раза меньшей длине имеет меньшие значения КСВ3макс и большие значения развязки С12мин. При этом значения KCB1макс и КСВ2макс возрастают, но не превышают величины КСВ3макс прототипа.
Формула изобретения
Двухканальный ступенчатый делитель мощности с одинаковыми каналами, содержащий отрезки однородной линии передачи с разными волновыми сопротивлениями, включенные каскадно в каждом канале, чередующиеся с сопротивлениями развязки, включенными после каждого отрезка между каналами, отличающийся тем, что в него введены конденсаторы, включенные параллельно перед каждым отрезком линии передачи, при этом длина отрезков линий передачи меньше ср/4, где ср – средняя длина волны рабочего диапазона частот, а величины емкостей конденсаторов, сопротивления развязки и волновые сопротивления отрезков при фиксированной их длине выбраны из условия обеспечения минимального значения максимального коэффициента стоячей волны КСВ и максимального значения минимума развязки между каналами в рабочей полосе.
РИСУНКИ
|
|