|
|
(21), (22) Заявка: 2007127362/09, 17.07.2007
(24) Дата начала отсчета срока действия патента:
17.07.2007
(46) Опубликовано: 10.01.2009
(56) Список документов, цитированных в отчете о поиске:
IEEE Transaction on Plasma Science. 1994, v.22, №5, c.740-749. RU 2278439 C1, 20.06.2006. RU 2084042 C1, 10.07.1997. US 6094009 A, 25.07.2000. JP 7085804, 31.03.1995. JP 57-067263, 23.04.1982.
Адрес для переписки:
607188, Нижегородская обл., г. Саров, пр. Мира, 37, ФГУП “РФЯЦ-ВНИИЭФ”, начальнику ОПИНТИ
|
(72) Автор(ы):
Степанов Николай Владимирович (RU), Селемир Виктор Дмитриевич (RU), Воронин Вячеслав Вячеславович (RU), Алехин Борис Васильевич (RU)
(73) Патентообладатель(и):
Российская Федерация в лице Федерального агентства по атомной энергии (RU), Федеральное государственное унитарное предприятие “Российский федеральный ядерный центр-Всероссийский научно-исследовательский институт экспериментальной физики” ФГУП “РФЯЦ-ВНИИЭФ” (RU)
|
(54) КЛИСТРОН
(57) Реферат:
Клистрон относится к области мощной высокочастотной электроники и может быть использован для генерации мощных полей СВЧ (сверхвысокочастотного)-излучения при разработке СВЧ-приборов с высоким электронным кпд и высокой выходной мощностью. Клистрон содержит высоковольтный источник питания, окруженные магнитной системой и последовательно расположенные вдоль ее оси взрывоэмиссионный катод, анод, разделенную трубами дрейфа систему, по меньшей мере, из двух модулирующих резонаторов, выходной резонатор и коллектор электронов, а также средство вывода излучения. В клистрон введены, по меньшей мере, один дополнительный выходной резонатор, идентичный выходному резонатору, а также система с доускорением электронного пучка на основе, по меньшей мере, одного дополнительного внешнего источника питания, обеспечивающего компенсацию энергетических потерь электронного пучка после прохождения им предыдущих выходных резонаторов, включенного в электрическую цепь между предыдущим и последующим выходными резонаторами. Техническим результатом является повышение суммарной мощности СВЧ-излучения за счет повышения электронного кпд устройства. 1 ил.
Изобретение относится к области мощной высокочастотной электроники и может быть использовано для генерации мощных полей СВЧ-излучения. Практическое использование СВЧ-генераторов предъявляет требование разработки приборов с высоким электронным кпд и высокой выходной мощностью.
Известно устройство – классический двухрезонаторный пролетный клистрон [Лебедев И.В. Техника и приборы СВЧ. – Высшая школа, 1972, т.2, 375 с.], состоящий из последовательно расположенных термоэмиссионного катода, сеточного анода, модулирующего резонатора, трубы дрейфа, выходного резонатора и коллектора электронов. Все элементы клистрона размещены на оси магнитной системы, формирующей продольное магнитное поле. На катод подается отрицательное напряжение. Анод, резонаторы, труба дрейфа и коллектор находятся под потенциалом земли. Модулирующий резонатор обеспечивает модуляцию электронного пучка по скорости, в трубе дрейфа происходит модуляция электронного пучка по плотности, выходной резонатор служит для отбора высокочастотной энергии от пучка через средство вывода излучения, коллектор собирает прошедшие выходной резонатор электроны пучка. Магнитная система обеспечивает продольное движение электронного пучка.
Недостатками данного устройства являются малая выходная мощность, обусловленная низкими значениями напряжения и тока электронного пучка, причем увеличение напряжения между катодом и анодом приводит к пробою и разрушению термоэмиссионного катода. Теоретический максимальный электронный кпд двухрезонаторного пролетного клистрона составляет величину 58%. Оставшаяся часть энергии электронного пучка поглощается коллектором и выделяется в виде тепла.
Известно также устройство – релятивистский клистрон [Fazio M.V. et al. A 500 MW, 1 s Pulse Length, High Current Relativistic Klystron. IEEE Transaction on Plasma Science. 1994, v.22, №5, pp.740-749]. Устройство состоит из последовательно расположенных взрывоэмиссионного катода, анода, разделенной трубами дрейфа системы из двух модулирующих резонаторов, выходного резонатора, связанного со средством вывода излучения, и коллектора электронов. Все элементы клистрона размещены на оси магнитной системы, формирующей продольное магнитное поле. На катод подается отрицательное напряжение. Анод, резонаторы, трубы дрейфа и коллектор находятся под потенциалом земли. Первый модулирующий резонатор и первая труба дрейфа обеспечивают предварительную модуляцию электронного пучка по скорости и плотности соответственно, второй модулирующий резонатор и вторая труба дрейфа обеспечивают окончательную модуляцию электронного пучка по скорости и плотности соответственно, выходной резонатор служит для отбора высокочастотной энергии от модулированного по плотности электронного пучка через средство вывода излучения, коллектор собирает прошедшие выходной резонатор электроны пучка. Магнитная система обеспечивает продольное движение электронного пучка.
Устройство работает следующим образом. Магнитная система формирует продольное магнитное поле относительно оси устройства. Величина магнитной индукции выбирается из условия обеспечения эффективной транспортировки электронного пучка по оси устройства. На катод подается импульсное высоковольтное напряжение отрицательной полярности с амплитудой 600 кВ. Анод размещается относительно катода таким образом, чтобы получить требуемую величину тока пучка. В электрическом поле между катодом и анодом вследствие взрывной эмиссии формируется электронный пучок амплитудой 6 кА. Электроны пучка, попадая в первый резонатор, взаимодействуют с высокочастотным полем резонатора, что приводит к предварительной модуляции электронного пучка по скорости. В первой трубе дрейфа электронный пучок предварительно (слабо) модулируется по плотности. Для увеличения степени модуляции электронный пучок поступает во второй модулирующий резонатор, где обеспечивается его окончательная модуляция по скорости. Из второго резонатора электронный пучок поступает во вторую трубу дрейфа, где происходит окончательная (сильная) модуляция электронного пучка по плотности. Сильно модулированный по плотности электронный пучок представляет собой цуг электронных сгустков, двигающихся вдоль оси устройства друг за другом с равными промежутками времени. Электронные сгустки поступают в выходной резонатор, отдавая свою кинетическую энергию в энергию СВЧ-излучения. Прошедшие выходной резонатор электроны попадают на коллектор и рассеивают свою оставшуюся энергию в виде тепла. СВЧ-излучение выводится из выходного резонатора через волновод или специальное средство вывода излучения. Уровень генерируемой мощности такого устройства составляет 0,5 ГВт.
Недостатком устройства является низкий электронный кпд. При энергии электронов 600 кэВ и токе электронного пучка 6 кА мощность электронного пучка составляет 3,6 ГВт. Мощность генерируемого СВЧ-излучения не превышает 0,5 ГВт, следовательно, электронный кпд составляет около 14%. Оставшаяся часть энергии электронного пучка поглощается коллектором и выделяется в виде тепла.
Задачей предлагаемого изобретения является повышение электронного кпд.
Указанная задача может быть решена при использовании в схеме клистрона системы из нескольких выходных резонаторов, разделенных промежутками с электростатическим доускорением электронного пучка.
Технический результат – повышение выходной мощности СВЧ-излучения устройства за счет более эффективного использования энергии электронного пучка.
Данный технический результат достигается тем, что в отличие от известного клистрона, содержащего высоковольтный источник питания, окруженные магнитной системой и последовательно расположенные вдоль ее оси взрывоэмиссионный катод, анод, разделенную трубами дрейфа систему из, по меньшей мере, двух модулирующих резонаторов, выходной резонатор и коллектор электронов, а также средство вывода излучения, в предлагаемом клистроне между выходным резонатором и коллектором вдоль оси магнитной системы размещен, по крайней мере, один дополнительный выходной резонатор, идентичный выходному резонатору, а в электрическую цепь между последующим и предыдущим выходными резонаторами включен дополнительный источник питания, обеспечивающий компенсацию энергетических потерь электронного пучка после прохождения им предыдущего выходного резонатора.
Введение в конструкцию так называемого клистрона с доускорением электронного пучка как минимум одного дополнительного идентичного выходного резонатора и размещение между выходным резонатором и дополнительным выходным резонатором (предыдущим и последующим в случае нескольких дополнительных выходных резонаторов) дополнительного внешнего источника питания позволяет создать условия формирования электростатического поля, обеспечивающего компенсацию энергетических потерь электронного пучка после прохождения им предыдущего выходного резонатора и, соответственно, доускорение электронного пучка, что и повысит эффективность использования энергии электронного пучка (электронный кпд).
Качественно оценим изменение электронного кпд предлагаемого устройства по сравнению с прототипом. В прототипе электронные сгустки поступают в выходной резонатор с энергией q·Uд, где q – заряд сгустка, Uд – напряжение, приложенное к катоду. Проходя через выходной резонатор, сгустки теряют часть своей кинетической энергии равной q·Up, где Up – высокочастотное напряжение на резонаторе. Если Up=Uд, то электроны потеряют всю энергию и остановятся. В этом случае электронный кпд составит 100%. Реально такого не происходит, и в прототипе электронные сгустки покидают выходной резонатор с энергией q·(Uд-Up). В предлагаемом устройстве после выходного резонатора размещается система, обеспечивающая доускорение электронов. Система питается от дополнительного внешнего источника и создает электростатическое поле между выходным резонатором и вторым выходным резонатором (рассмотрен случай с одним дополнительным выходным резонатором) с ускоряющим для электронных сгустков напряжением Uвн. Прошедшие систему доускорения электронные сгустки будут обладать энергией q·(Uд-Up+Uвн). Для случая Uвн=Up (оптимальный случай) энергия электронных сгустков будет равна q·Uд, то есть в точности равна энергии электронных сгустков, поступающих в выходной резонатор. Тогда, при условии идентичности выходных резонаторов, во втором выходном резонаторе будет генерироваться СВЧ-излучение, мощность которого в точности равна мощности СВЧ-излучения в первом выходном резонаторе, следовательно, суммарная мощность генерируемого СВЧ-излучения удвоится по сравнению с прототипом. Мощность электронного пучка в прототипе и предлагаемом устройстве Рэл.п=Uд·Iд, где Iд, – величина тока пучка. Мощность внешнего источника питания в предлагаемом устройстве Pвн=Uвн·Iд. Электронный кпд прототипа 1=Pсвч/(Uд·Iд), где Рсвч – мощность СВЧ-излучения в выходном резонаторе. Электронный кпд предлагаемого устройства 2=2·Рсвч/(Uд·Iд+Uвн·Iд). Т.к. Uвнд·, получаем 2> 1, то есть, электронный кпд предлагаемого устройства всегда больше электронного кпд прототипа.
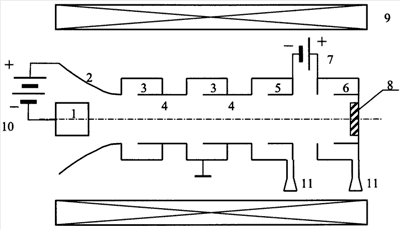
На чертеже схематично изображен заявляемый клистрон.
Устройство, изображенное на чертеже, содержит взрывоэмиссионный катод 1, анод 2; модулирующие резонаторы 3; трубы дрейфа 4; выходной резонатор 5; второй (дополнительный) выходной резонатор 6; дополнительный внешний источник питания 7, включенный в электрическую цепь между выходным резонатором 5 и вторым выходным резонатором 6; коллектор электронов 8, гальванически связанный выходным резонатором 6; магнитную систему 9, высоковольтный источник питания 10 и средство вывода излучения 11. Дополнительный источник питания 7 включен в электрическую цепь таким образом, что положительный электрод дополнительного источника питания приложен ко второму выходному резонатору 6 и коллектору электронов 8, а отрицательный – к заземленному выходному резонатору 5.
Устройство (клистрон с доускорением электронного пучка) работает следующим образом. Магнитная система 9 формирует продольное магнитное поле относительно оси устройства. На катод 1 от высоковольтного источника питания 10 подается импульсное высоковольтное напряжение отрицательной полярности. В электрическом поле между катодом и анодом 2 вследствие взрывной эмиссии формируется электронный пучок. Электроны пучка, пройдя систему из модулирующих резонаторов 3 и труб дрейфа 4, модулируются по плотности. Электронные сгустки поступают в выходной резонатор 5, отдавая свою кинетическую энергию в энергию СВЧ-излучения. Прошедшие выходной резонатор электронные сгустки попадают в электростатическое поле, формируемое внешним источником питания 6, и приобретают дополнительную кинетическую энергию (доускоряются). Доускоренные электронные сгустки поступают во второй выходной резонатор 7, вновь отдавая свою энергию в энергию СВЧ-излучения. Затем электронный пучок попадает на коллектор 8 и рассеивают свою оставшуюся энергию в виде тепла. СВЧ-излучение выводится из выходного резонатора 5 и второго выходного резонатора 6 через волноводы или специальное средство вывода излучения 11.
Оценим количественную величину роста электронного кпд предлагаемого устройства исходя из данных, полученных на устройстве-прототипе. К катоду прикладывается напряжение Uд=600 кВ. В диоде реализуется ток электронного пучка Iд=6 кА. Мощность электронного пучка Рэл.п.=Uд·Iд=3,6 ГВт. При заявленной мощности СВЧ излучения Рсвч1=500 МВт электронный кпд составляет 1=Pcвч1/Рэл.п.=14%. По данным, приведенным в описании работы прототипа, напряжение на выходном резонаторе составило величину Up=370 кВ. Зададим внешнему дополнительному источнику питания в предлагаемом устройстве напряжение Uвн=370 кВ. При токе электронного пучка 6 кА мощность внешнего источника должна составить Pвн=Uвн·Iд=2,2 ГВт. Электронный пучок, пройдя выходной резонатор, потеряет энергию, пропорциональную напряжению 370 кВ, но затем электронный пучок пройдет через систему доускорения и вернет себе энергию в точности равную потерянной и пропорциональную тому же напряжению 370 кВ. Следовательно, на втором выходном резонаторе характеристики электронного пучка ничем не будут отличаться от характеристик на первом выходном резонаторе. Тогда, при условии идентичности выходных резонаторов, второй выходной резонатор обеспечит формирование СВЧ-излучения мощностью Рсвч2=500 МВт. В итоге на формирование суммарной мощности СВЧ-излучения Рсвч=Pсвч1+Рсвч2=1 ГВт требуется суммарная электрическая мощность Р=Рэл.п.+Рвн=5,8 ГВт. В этом случае электронный кпд составляет 2=Рсвч/Р=17%.
Разность между электронными кпд предлагаемого устройства и прототипа составляет 3%. В принципе, положительный результат достигнут. Суммарная мощность генерируемого СВЧ-излучения увеличена в два раза, при этом электронный кпд устройства увеличился по сравнению с прототипом на 3%.
Таким образом, применение в мощном клистроне системы с доускорением электронного пучка и дополнительным выходным резонатором позволяет в два раза повысить суммарную мощность СВЧ-излучения за счет повышения электронного кпд устройства.
Формула изобретения
Клистрон, содержащий подключенные к высоковольтному источнику питания, окруженные магнитной системой и последовательно расположенные вдоль ее оси взрывоэмиссионный катод, анод, разделенную трубами дрейфа систему, по меньшей мере, из двух модулирующих резонаторов, выходной резонатор и коллектор электронов, а также средство вывода излучения, отличающийся тем, что между выходным резонатором и коллектором вдоль оси магнитной системы размещен, по крайней мере, один дополнительный выходной резонатор, идентичный выходному резонатору, а в электрическую цепь между последующим и предыдущим выходными резонаторами включен дополнительный источник питания, обеспечивающий компенсацию энергетических потерь электронного пучка после прохождения им предыдущего выходного резонатора.
РИСУНКИ
|
|