|
|
(21), (22) Заявка: 2007122974/28, 20.06.2007
(24) Дата начала отсчета срока действия патента:
20.06.2007
(46) Опубликовано: 10.01.2009
(56) Список документов, цитированных в отчете о поиске:
RU 2219555 C2, 20.12.2003. SU 1734042 A1, 15.05.1989. SU 514252 A, 17.01.1977. JP 5203687 A, 10.08.1993. JP 61044364 A, 04.03.1986.
Адрес для переписки:
140180, Московская обл., г. Жуковский, ул. Жуковского, 1, ФГУП “ЦАГИ”, отдел 80
|
(72) Автор(ы):
Бодров Владимир Евсеевич (RU), Краячич Александр Валерьевич (RU), Галактионова Алла Анатольевна (RU), Подборонов Борис Петрович (RU), Свирский Юрий Анатольевич (RU)
(73) Патентообладатель(и):
Федеральное государственное унитарное предприятие “Центральный аэрогидродинамический институт имени профессора Н.Е. Жуковского” (ФГУП “ЦАГИ”) (RU)
|
(54) МНОГОКАНАЛЬНЫЙ ПРЕОБРАЗОВАТЕЛЬ СОПРОТИВЛЕНИЯ РЕЗИСТИВНЫХ ДАТЧИКОВ В НАПРЯЖЕНИЕ
(57) Реферат:
Изобретение относится к техническим средствам измерения неэлектрических величин электрическим способом. Многоканальный преобразователь сопротивления резистивных датчиков в напряжение содержит источник опорного напряжения, четыре источника взвешенного напряжения, два источника постоянного тока, модулятор двунаправленного импульсного тока, токовый коммутатор, через который подается питание резистивного датчика и его резистивного эквивалента, потенциальные выходы которых через коммутатор напряжения подключены к дифференциальному входу инструментального операционного усилителя. Выход инструментального усилителя подключен к входу аналого-цифрового преобразователя, связанного с микроконтроллером, где вырабатываются сигналы управления преобразователем, производится обработка измеренных сигналов и формируется цифровой эквивалент результата измерения. Изобретение обеспечивает снижение погрешности за счет уменьшения шума активных элементов и стабилизации их параметров в результате гальванической развязки источников питания и увеличение помехоустойчивости, благодаря применению двунаправленного токового питания резистивного датчика и его резистивного эквивалента, а также использованию алгоритма обработки сигналов измерения, при выполнении которого практически исключаются аддитивные составляющие в измеренном сигнале. 2 ил.
Изобретение относится к измерительной технике, в частности к средствам измерения неэлектрических величин электрическим способом. Оно может быть использовано в устройствах для измерения физических параметров, в котором используются тензорезисторные и терморезисторные датчики, изменяющие свое сопротивление при вариации значения физического параметра. Устройство позволяет работать с различными схемами включения резистивных датчиков, как одиночных, полумостовых, мостовых, «розеточных» и т.д.
Известны устройства для преобразования сопротивлений в напряжения, включающие датчики сопротивления, генератор (источник) тока, подключаемый к тому датчику, сигнал которого обрабатывается в данный момент времени, например,:
А.С. СССР №865011 «Многоканальное измерительное устройство»
МПК G01С 15/00. 1981 г.
А.С. СССР №1394162
«Многоканальный преобразователь для резистивных датчиков»,
МПК Н02J 9/06. 1986 г.
Патент РФ №2031447 « Многоканальное измерительное устройство»,
МПК G08С 15/00. 1981 г.
Патент РФ №2205413
«Преобразователь активного сопротивления в постоянное напряжение»
МПК G01R 27/00. 2003 г.
Патент РФ №2028630
«Преобразователь изменения сопротивления в напряжение»,
МПК G01R 27/00. 2003 г.
Недостатками этих устройств является недостаточная точность и помехоустойчивость устройств.
Наиболее близким к заявляемому решению является устройство, описанное в патенте РФ №2219555 «Многоканальный преобразователь сопротивлений в напряжения», МПК G01R 27/00. 2003 г. Преобразователь содержит генератор тока, состоящий: из источника питания, источника опорного напряжения (ИОН), операционного усилителя ОУ с ограничительным и эталонным резисторами (источник постоянного тока), эталонный резистор (резистивное эквивалентное устройство Rн), датчики сопротивления (резистивный датчик R), соединительные цепи [цепи протекания тока (токовые шины) и измерительные цепи (потенциальные шины)], входные защитные диоды (токовый коммутатор), выходные защитные диоды, фильтры нижних частот, конденсатор, дифференциальный выход i-го канала (потенциальные шины), мультиплексный аналого-цифровой преобразователь МАЦП, состоящий: из дифференциальных каналов мультиплексора (коммутатор напряжения), нормирующего усилителя (инструментальный операционный усилитель ИУ) и аналого-цифрового преобразователя), конденсатор и фильтры нижних частот.
В преобразователе осуществляется поочередное преобразование сигналов большого числа датчиков сопротивления в напряжение. Датчики сопротивления включены по традиционной четырехпроводной схеме.
Недостатком указанного устройства является его низкое быстродействие из-за установки в измерительных цепях помехоподавляющих фильтров нижних частот с узкой полосой пропускания низкочастотных сигналов. Большой недостаток в том, что все датчики сопротивления соединены последовательно по цепи протекания тока. Выход источника тока соединен с входной цепью протекания тока резистивного датчика первого канала, а выходная цепь протекания тока резистивного датчика последнего канала соединена с входом отрицательной обратной связи генератора тока (наиболее подверженная аварийной ситуации цепь). Такое схемотехническое решение требует построение мощного источника тока и его высокого напряжения питания, а также дополнительного количества диодов для исключения аварийных ситуаций во внешних цепях датчиков. Непонятны шумовые характеристики источника тока при значительном количестве подключенных резистивных датчиков. Питание измерительных цепей постоянным током снижает точность преобразования. Также питание датчиков постоянным током не вполне отвечает вопросам борьбы с аддитивными сигналами, возникающими во входных цепях измерительной схемы, например термо ЭДС.
Любая аварийная ситуация (обрыв цепей во внешней схеме соединений датчиков) приводит к потере работоспособности группы датчиков и требует дополнительного количества встроенных диодов (эквивалентно построению коммутатора тока), что допустимо для малой группы датчиков, например для одиночной 4-х компонентной тензорезисторной розетки.
Задачей изобретения является улучшение надежности и работоспособности устройства. Техническим результатом является снижение погрешности устройства за счет увеличения его помехоустойчивости, быстродействия, малого собственного шума и стабильности, полная гальваническая развязка от общих источников питания и «земляных» цепей объекта измерения, а также использование двунаправленного токового питания резистивных датчиков и алгоритма обработки результатов измерения.
Технический результат достигается тем, что в многоканальный преобразователь сопротивления резистивных датчиков в напряжение, содержащий источник общего питания, источник опорного напряжения, источник постоянного тока, резистивные датчики и резистивное эквивалентное устройство, токовый коммутатор, коммутатор напряжения, инструментальный операционный усилитель и аналого-цифровой преобразователь, введены второй источник постоянного тока, четыре источника взвешенного напряжения, входы двух из которых подключены к источнику общего питания, а выходы связаны с шинами питания операционных усилителей двух источников постоянного тока, а входы двух других источников взвешенного напряжения подключены к выходу источника опорного напряжения и их выходы соединены с входами двух источников постоянного тока, выходы последних связаны с входами модулятора импульсного двунаправленного тока, а его выходы подключены к входам токового коммутатора питания резистивных датчиков и резистивного эквивалентного устройства, причем потенциальные шины резистивных датчиков и резистивного эквивалентного устройства подключены к коммутатору напряжения, выход которого связан с дифференциальным входом инструментального операционного усилителя, выход которого соединен с входом аналого-цифрового преобразователя подключенного к микроконтроллеру формирования диаграммы работы устройства, приема и выполнения алгоритма обработки измеренных сигналов, а его цифровые выходы связаны с управляющими входами источников взвешенного напряжения, модулятора импульсного двунаправленного тока, токового коммутатора, коммутатора напряжения и аналого-цифрового преобразователя.
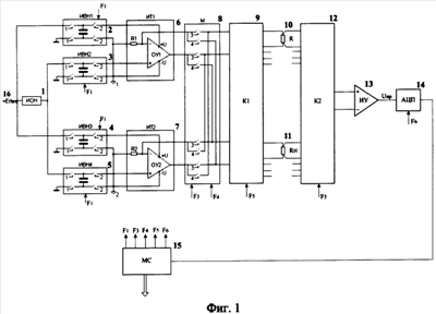
Сущность изобретения поясняется структурной схемой и временной диаграммой на чертежах.
На фиг.1 показана структурная схема, в которой:
1 – источник опорного напряжения (ИОН);
2, 3, 4, 5 – источники взвешенного напряжения (ИВН1, ИВН2, ИВН3, ИВН4);
6, 7 – источники постоянного тока (ИТ1, ИТ2);
8 – модулятор импульсного двунаправленного тока (М);
9 – токовый коммутатор питания резистивных датчиков и резистивных эквивалентных устройств (К1);
10, 11 – резистивный датчик и его резистивное эквивалентное устройство (R и Rн);
12 – коммутатор напряжения (К2);
13 – инструментальный операционный усилитель (ИУ);
14 – аналого-цифровой преобразователь (АЦП);
15 – микроконтроллер формирования диаграммы работы устройства, приема и выполнения алгоритма обработки измеренных сигналов (МС);
16 – источник общего питания (Епит.).
На фиг.2 показана временная диаграмма работы устройства.
Устройство выполнено следующим образом. Источник общего питания 16 (Епит) подает напряжение на источник опорного напряжения (ИОН) 1, четыре источника взвешенного напряжения 2, 3, 4 и 5 (ИВН1) 2, (ИВН2) 3, (ИВН3) 4 и (ИВН4) 5, модулятор импульсного двунаправленного тока (М) 8, токовый коммутатор (К1) 9, коммутатор напряжения (К2) 12, инструментальный операционный усилитель ИУ 13, аналого-цифровой преобразователь (АЦП) 14, микроконтроллер (МС) 15. Причем выход источника опорного напряжения (ИОН)1 подключен к двум входам источников взвешенного напряжения (ИВН2) 3 и (ИВН4) 5, а их выходы связаны с входами двух источников постоянного тока (ИТ1) 6 и (ИТ2) 7 соответственно. Два других источника взвешенного напряжения (ИВН1) 2 и (ИВН3) 4 подключены к положительной шине общего питания, а их выходы соответственно соединены с положительными шинами питания операционных усилителей источников постоянного тока (ИТ1 и ИТ2) 6 и 7. Выходы источников постоянного тока (ИТ1 и ИТ2) 6 и 7 связаны с входами модулятора импульсного двунаправленного тока (М) 8, а его выход подключен к входу токового коммутатора (К1) 9, к выходам которого подключены резистивный датчик R 10 (датчик сопротивления) и его резистивное эквивалентое устройство (Rн) 11. Потенциальные (измерительные) шины резистивного датчика (R) 10 и его резистивного эквивалентного устройства (Rн) 11 связаны потенциальными шинами с входами коммутатора напряжения (К2) 12, выходы которого соединены с дифференциальным входом инструментального операционного усилителя (ИУ) 13. Вход аналого-цифрового преобразователя (АЦП) 14 подключен к выходу инструментального операционного усилителя (ИУ) 13 с усиленным сигналом Uпр., а кодовый эквивалент преобразованного сигнала в АЦП 14 поступает на один из входов микроконтроллера (МС) 15, а один из выходов (регистр) микроконтроллера (МС) 15 связан с управляющими шинами F устройства.
Устройство функционирует следующим образом. От микроконтроллера (МС) 15 на источники взвешенного напряжения (ИВН1…ИВН4) 2, 3, 4 и 5 поступает управляющий сигнал F1 (фиг.2), где с помощью переключаемых конденсаторов достаточно большой емкости ( 100 F) формируется напряжение питания операционных усилителей источников постоянного тока (ИТ1 и ИТ2) 6 и 7, а также их опорный сигнал от источника опорного напряжения (ИОН) 1. При этом исключаются:
а) составляющая шума, связанная с шумом активных элементов питания;
б) составляющая шума, связанная с необходимостью выделения сигнала резистивных датчиков (независимого от сопротивления подключающих проводов и цепей коммутации).
Для повышения стабильности сигнала преобразования используется один (ИОН) 1 для задания значений токов в (ИТ1 и ИТ2) 6 и 7, а на выходах (ИТ1 и ИТ2) 6 и 7 установлен модулятор импульсного двунаправленного тока (М) 8 для переключения токов так, что в 1-й такт коммутации (управляющий сигнал F3) (ИТ1) 6 питает резистивный датчик (с сопротивлением R), (ИТ2) 7 – резистивное эквивалентное устройство (с сопротивлением Rн), а во 2-й такт (управляющий сигнал F4) преобразования (Такт 2) наоборот: (ИТ1) 6 питает резистивное эквивалентное устройство (ИТ2) 7 – резистивный датчик. При этом, с целью одновременного уменьшения помех от наводок промышленных частоты и от величин напряжений, возникающих от температурного дрейфа активных элементов (путем вычисления в кодовом эквиваленте разности сигналов преобразования в Такте 2 и Такте 1), выходы модулятора (М) 8 соединены таким образом, что фаза сигналов питания в Такте 2 противоположна фазе сигнала питания в Такте 1 (фиг.2).
Выходной сигнал преобразования:
Такт 1: 
Такт 2: 
где Iн – номинальное значение токов питания от (ИТ1 и ИТ2) 6 и 7;
I1, I2 – погрешности токов питания соответственно в (ИТ1 и ИТ2) 6 и 7;
RН – номинальное значение сопротивления резистивного датчика (R) 10 и компенсирующего его резистивного эквивалента (Rн) 11;
R – отклонение сопротивления резистивного датчика (R) 10 от номинального значения (Rн) 11 (информативный параметр).
Окончательный результат преобразования в микроконтроллере (МС) 15 в кодовом эквиваленте N:

где N1 и N2 – кодовые эквиваленты, пропорциональные Uпр1 и Uпр2;
[Iн·(± R)] информативный (измеряемый) параметр датчика;
[(± I1± I2)·(± R)] – погрешность 2-го порядка малости, которой можно пренебречь.
Подавление помех аддитивного характера обеспечивается созданием взвешенных источников питания 2, 3, 4 и 5 (ИВН2÷ИВН4), гальванической развязкой источника опорного напряжения 1 (ИОН) от источников тока 6, 7 (ИТ1 и ИТ2), подавлением синфазной помехи при подаче измерительного сигнала на дифференциальный вход инструментального операционного усилителя 13(ИУ) и выбранным алгоритмом обработки сигнала в микроконтроллере 15 (МС) при использовании двунаправленного импульсного питания резистивных датчиков и их резистивных эквивалентов, что обеспечивает построение малошумящего высокостабильного преобразователя сопротивления резистивных датчиков в напряжение.
Следует отметить, что предлагаемая схема построения преобразователя сопротивления резистивного датчика в напряжение позволяет подключать по любой схеме соединения тензорезисторные датчики (одиночные, полумостовые, мостовые, розеточные и т.д.).
Формула изобретения
Многоканальный преобразователь сопротивления резистивных датчиков в напряжение, содержащий источник общего питания, источник опорного напряжения, источник постоянного тока, резистивные датчики и резистивное эквивалентное устройство, токовый коммутатор, коммутатор напряжения, инструментальный операционный усилитель и аналого-цифровой преобразователь, отличающийся тем, что в него введены второй источник постоянного тока, четыре источника взвешенного напряжения, входы двух из которых подключены к источнику общего питания, а выходы связаны с шинами питания операционных усилителей двух источников постоянного тока, а входы двух других источников взвешенного напряжения подключены к выходу источника опорного напряжения и их выходы соединены с входами двух источников постоянного тока, выходы последних связаны с входами модулятора импульсного двунаправленного сигнала, а его выходы подключены к входам токового коммутатора питания резистивных датчиков и резистивного эквивалентного устройства, причем потенциальные шины резистивных датчиков и резистивного эквивалентного устройства подключены к коммутатору напряжения, выход которого связан с дифференциальным входом инструментального операционного усилителя, выход которого соединен с входом аналого-цифрового преобразователя, подключенного к микроконтроллеру формирования диаграммы работы устройства, приема и выполнения алгоритма обработки измеренных сигналов, а его цифровые выходы связаны с управляющими входами источников взвешенного напряжения, модулятора импульсного двунаправленного тока, токового коммутатора, коммутатора напряжения и аналого-цифрового преобразователя.
РИСУНКИ
|
|