|
(21), (22) Заявка: 2006118395/28, 26.05.2006
(24) Дата начала отсчета срока действия патента:
26.05.2006
(43) Дата публикации заявки: 10.12.2007
(46) Опубликовано: 10.01.2009
(56) Список документов, цитированных в отчете о поиске:
RU 2256183 С2, 10.07.2005. RU 2240565 С1, 20.11.2004. SU 1296941 А1, 15.03.1987. ЕР 0341445 В1, 15.11.1989. JP 10073613 А, 17.03.1998.
Адрес для переписки:
141070, Московская обл., г. Королев, ул. Ленина, 4а, ОАО “РКК “Энергия” им. С.П. Королева”, отдел интеллектуальной собственности
|
(72) Автор(ы):
Мурашко Николай Анатольевич (RU), Балакин Станислав Викторович (RU), Мартынов Александр Николаевич (RU), Мурашко Анатолий Михайлович (RU)
(73) Патентообладатель(и):
Открытое акционерное общество “Ракетно-космическая корпорация “Энергия” имени С.П. Королева” (RU)
|
(54) УСТРОЙСТВО ДЛЯ КОНТРОЛЯ ЧАСТОТЫ ВРАЩЕНИЯ
(57) Реферат:
Изобретение относится к измерительной технике и автоматике и может быть использовано в системах автоматического управления и контроля различных объектов повышенного быстродействия. Устройство для контроля частоты вращения содержит датчик частоты вращения, формирователь импульсов с дифференциальным входом, блок измерения, блок анализа информации, источник симметричных напряжений, двухканальный аналоговый ключ, блок начальной установки, семь резисторов и конденсатор, причем первый выход датчика частоты вращения соединен с первым выводом четвертого резистора и через пятый резистор – с первым входом формирователя импульсов с дифференциальным входом, выход которого подключен к входу схемы управления двухканального аналогового ключа и через блок измерения и блок анализа информации – к выходу устройства, второй вход этого формирователя подключен через шестой резистор к второму выводу четвертого резистора, который соединен через первый резистор с вторым выходом датчика частоты вращения и с общей шиной питания, через второй резистор и открытый в исходном состоянии канал двухканального аналогового ключа – с положительной шиной источника симметричных напряжений, через третий резистор и закрытый в исходном состоянии канал двухканального аналогового ключа – с отрицательной шиной источника симметричных напряжений, через седьмой регистр и блок начальной установки – с положительной шиной источника симметричных напряжений, первый и второй входы формирователя импульсов с дифференциальным входом через конденсатор соединены между собой. Предлагаемое решение позволяет повысить надежность контроля частоты вращения. 4 ил.
Предлагаемое изобретение относится к измерительной технике и автоматике и может быть использовано в системах автоматического управления и контроля различных объектов повышенного быстродействия.
Известно устройство [1], которое осуществляет контроль частоты вращения и в состав которого входят по три датчика частоты вращения, счетчика, триггера, мажоритарных элемента, элемента задержки, задатчика предельных значений угловой скорости, а также входит формирователь выходных команд. В устройстве предусмотрено резервирование его схемных элементов.
Первым существенным недостатком этого устройства является его низкая помехоустойчивость, поскольку резервирование элементов не защищает устройство от помех, которые могут возникнуть одновременно в цепях трех датчиков частоты вращения.
Вторым существенным недостатком рассматриваемого устройства является отсутствие возможности установки оптимального значения порога срабатывания, обеспечивающего максимальную помехоустойчивость при работе устройства в заданном диапазоне амплитуды сигналов датчика частоты вращения. В этом устройстве сигналы датчиков частоты вращения подаются непосредственно на входы счетчиков, порог срабатывания которых имеет фиксированное относительно высокое значение.
Оба эти недостатка приводят к понижению надежности устройства при работе в условиях помех, которые могут возникнуть в цепях датчиков частоты вращения.
Наиболее близким по технической сущности – прототипом – является устройство, приведенное в [2], в состав которого входят датчик частоты вращения, формирователь импульсов с дифференциальным входом (далее в тексте для краткости – формирователь импульсов), блок измерения, блок анализа информации, источник симметричных напряжений, пять резисторов и конденсатор.
Первым существенным недостатком рассматриваемого устройства является ограничение по верхнему пределу диапазона настройки порогов переключения формирователя импульсов, что приводит к потере надежности контроля при работе устройства в условиях повышенного уровня полезного сигнала и помех.
В описании рассматриваемого устройства [2] показано, что наибольшей помехоустойчивостью обладает вариант устройства, в котором формирователь импульсов настроен на двухполярные симметричные пороги переключения. Эти пороги образуются с помощью делителей напряжения, состоящих из резисторов R3, R4 и R5, при этом на резисторе R3 формируются пороги, а подбором сопротивлений резисторов R4 и R5 осуществляется настройка этих порогов.
Для повышения порогов переключения необходимо уменьшать величину сопротивления резисторов R4 и R5. Предельным теоретическим значением сопротивления этих резисторов является R3=R4=0. При этом модуль напряжения порогов переключения Uм=Uc=/-Uo/ имеет максимальное значение, равное Uмmax<1/3 Е, что следует из уравнений (7) и (8) описания устройства [2]. Так, например, при Е1=10 В, Е2=-10 В будем иметь Uc<3.3 В, Uo> -3.3 В.
Таким образом, в рассматриваемом устройстве максимальное значение модуля симметричных порогов переключения Uм max меньше 1/3 модуля напряжения питания Е.
Вторым существенным недостатком устройства-прототипа является то, что настройки порогов Uc и Uо переключения формирователя импульсов связаны между собой, причем зависимость между этими порогами такая, что изменение сопротивления резистора R5 (например, на + %) приводит к почти двойному изменению порога Uо (почти на -2· %). Так, например, при временном уходе расчетного значения резистора R5=5,643 кОм (пример 2 описания [2]) на +5%(-5%) порог Uо изменяется на -8,9%(+9,7%).
Такая зависимость между порогами переключения формирователя импульсов приводит не только к некоторому неудобству настройки устройства, но и к понижению надежности устройства в процессе его эксплуатации.
Третьим существенным недостатком устройства-аналога [1] и устройства-прототипа [2] является то, что в них не предусмотрено согласование выхода датчика частоты вращения с его нагрузкой, которая в устройстве [1] представляет собой вход счетчика, а в устройстве [2] – вход формирователя импульсов 2. Так как оба входа высокоомные, то в рассматриваемых устройствах датчиковые цепи являются восприимчивыми к внешним помехам, что понижает надежность этих устройств при работе в условиях воздействия помех.
Задачей предлагаемого изобретения является повышение надежности устройства для контроля частоты вращения путем повышения его помехоустойчивости.
Технический результат достигается тем, что в устройство для контроля частоты вращения, содержащее датчик частоты вращения, формирователь импульсов с дифференциальным входом, блок измерения, блок анализа информации, источник симметричных напряжений, пять резисторов и конденсатор, причем первый выход датчика частоты вращения соединен с первым выводом четвертого резистора и через пятый резистор – с первым входом формирователя импульсов с дифференциальным входом, первый и второй входы которого через конденсатор соединены между собой, а выход этого формирователя соединен через блок измерения и блок анализа информации с выходом устройства, второй выход датчика частоты вращения соединен с общей шиной питания и через первый резистор – с вторым выводом второго резистора и первым выводом третьего резистора, введены двухканальный аналоговый ключ, блок начальной установки, шестой и седьмой резисторы, причем первый вывод второго резистора соединен через открытый в исходном состоянии канал двухканального аналогового ключа с положительной шиной источника симметричных напряжений, второй вывод третьего резистора соединен через закрытый в исходном состоянии канал двухканального аналогового ключа с отрицательной шиной источника симметричных напряжений, первый вывод третьего резистора соединен с вторым выводом четвертого резистора, первым выводом шестого резистора и через седьмой резистор и блок начальной установки – с положительной шиной источника симметричных напряжений, второй вывод шестого резистора соединен с вторым входом формирователя импульсов с дифференциальным входом, выход которого подключен к входу схемы управления двухканального аналогового ключа.
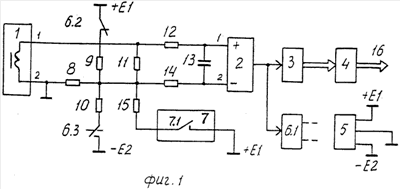
Сущность предлагаемого изобретения поясняется фиг.1-4, на которых представлены:
фиг.1 – блок-схема предлагаемого устройства для контроля частоты вращения;
фиг.2 – временные диаграммы работы формирователя импульсов с дифференциальным входом 2;
фиг.3 – эквивалентные схемы цепей, обеспечивающих порог включения Uc формирователя импульсов с дифференциальным входом 2;
Фиг.4 – принципиальная схема одного из возможных вариантов реализации блока начальной установки 7.
В состав предлагаемого устройства для контроля частоты вращения (фиг.1) входят датчик частоты вращения 1, формирователь импульсов с дифференциальным входом 2, блок измерения 3, блок анализа информации 4, источник симметричных напряжений 5, двухканальный аналоговый ключ, состоящий из схемы уравнения 6.1, открытого в исходном состоянии канала 6.2. и закрытого в исходном состоянии канала 6.3, блок начальной установки 7, первый резистор 8, второй резистор 9, третий резистор 10, четвертый резистор 11, пятый резистор 12, конденсатор 13, шестой резистор 14 и седьмой резистор 15, причем первый выход датчика частоты вращения 1 соединен с первым выводом четверного резистора 11 и через пятый резистор 12 – с первым входом формирователя импульсов с дифференциальным входом 2, выход которого подключен к входу схемы управления 6.1 двухканального аналогового ключа и через блок измерения 3 и блок анализа информации 4 – к выходу устройства 16, второй вход этого формирователя подключен через шестой резистор 14 к второму выводу четвертого резистора 11, который соединен через первый резистор 8 с вторым выходом датчика частоты вращения 1 и с общей шиной питания, через второй резистор 9 и открытый в исходном состоянии канал 6.2 двухканального аналогового ключа – с положительной шиной источника симметричных напряжений 5, через третий резистор 10 и закрытый в исходном состоянии канал 6.3 двухканального аналогового ключа – с отрицательной шиной источника симметричных напряжений 5, через седьмой резистор 15 и блок начальной установки 7 – с положительной шиной источника симметричных напряжений 5, первый и второй входы формирователя импульсов с дифференциальным входом 2 через конденсатор 13 соединены между собой.
В тексте описания и на фиг.1-4 приняты следующие обозначения:
датчик 1 – датчик частоты вращения 1;
формирователь импульсов 2 – формирователь импульсов с дифференциальным входом 2;
источник напряжений 5 – источник симметричных напряжений 5;
ключ 6 – двухканальный аналоговый ключ 6,
+Е1 и -Е2 – напряжения соответственно положительной и отрицательной выходных шин источника напряжений 5, причем полярность напряжений определяется относительно общей шины питания;
Е=Е1=/-Е2/ – модуль напряжения выходных шин источника напряжений 5;
R1-R7 – соответственно первый 8, второй 9, третий 10, четвертый 11, пятый 12, шестой 14, седьмой 15 резисторы;
RД – резистор, эквивалентный сопротивлению обмотки датчика 1;
Rн – сопротивление резистора, при котором в соответствии с техническими условиями на датчик 1 выполняется нормирование параметров этого датчика;
обозначения типа R12 и R14Д – сопротивление цепи, состоящей из соответственно резисторов R1, R2 и резисторов R1, R4 и RД;
С – конденсатор 13;
Uc и Uо – напряжения, равные порогам соответственно включения и выключения формирователя импульсов 2;
Uм=Uс=/-Uo/ – модуль симметричных порогов переключения формирователя импульсов 2;
e(t), e – напряжение сигнала датчика 1;
e4 – напряжение, формируемое на резисторе R4 и обусловленное наличием в схеме фиг.3а только напряжения e(t);
U1 и U4 – напряжения, формируемые на резисторах соответственно R1 и R4 и обусловленные наличием в схеме фиг.3а только напряжения Е1;
Uну – напряжение, формируемое на резисторе R1 цепью начальной установки;
Uфи – напряжение на выходе формирователя импульсов 2.
На блок-схеме фиг.1 для наглядности открытый 6.2 и закрытые 6.3 и 7.1 в исходном состоянии каналы аналоговых ключей показаны в виде соответственно замкнутого и разомкнутых контактов электромагнитных реле.
В предлагаемом устройстве, как и в устройстве-прототипе, осуществляется подавление высокочастотных помех с помощью фильтра низких частот, состоящего из резисторов R5, R6 и конденсатора С, а также сохранена возможность реализации в устройстве как однополярных, так и двухполярных порогов переключения формирователя импульсов 2.
При обрывах датчиковых цепей формирователь импульсов 2 остается в одном из двух устойчивых состояний – в исходном (выключенном) или включенном.
Введение в устройство двухканального аналогового ключа 6 позволило разделить цепи настройки порогов включения Uc и выключения Uo формирователя импульсов 2. При этом упростился процесс настройки порогов переключения, появилась возможность настраивать эти пороги в широком диапазоне напряжения – почти что от 0 до напряжений Е1 и – Е2. Кроме того, несколько улучшилась временная стабильность порога выключения Uo.
Вновь введенные блок начальной установки 7 и резистор R7 при включении питания обеспечивают установку формирователя импульсов 2 в исходное состояние, что необходимо при проверке функционирования всего устройства [3].
Подбором величины сопротивления резистора R4 достигается согласование выхода датчика частоты вращения 1 с его нагрузкой. При этом представляется целесообразным добиваться того, чтобы нагрузка датчика 1 в предлагаемом устройстве была равна сопротивлению Rн, при котором в соответствии с техническими условиями на датчик 1 выполняется нормирование параметров этого датчика. С незначительной погрешностью этому требованию соответствует условие R1+R4=Rн, откуда имеем R4=Rн-R1.
При таком согласовании будет гарантировано, что амплитуда полезного сигнала, вырабатываемого датчиком частоты вращения в предлагаемом устройстве, равна или превышает минимальный уровень, указанный в технических условиях на датчик, а амплитуда неинформативного сигнала (помехи), вырабатываемого датчиком частоты вращения в условиях воздействия вибраций, не превышает установленного техническими условиями предельного максимального значения.
Предлагаемое устройство работает следующим образом. При включении питания устройства на выходных шинах источника напряжений 5 появляются напряжения +Е1 и -Е2 и в блоке начальной установки 7 вырабатывается короткий импульс, который открывает канал 7.1 аналогового ключа, представляющий собой выходы этого блока. При этом образуется цепь начальной установки формирователя импульсов 2, по которой протекает ток начальной установки от положительной шины +Е1 источника напряжений 5, по открытому каналу 7.1, через резисторы R7 и R1 к общей шине питания. На резисторе R1 выделяется напряжение Uну, положительный потенциал которого подается на второй (инвертирующий) вход формирователя импульсов 2, и он устанавливается в исходное состояние. При этом на выходе формирователя импульсов 2 вырабатывается напряжение, которое поступает на вход схемы управления 6-1 и устанавливает в исходное состояние ключ 6: канал 6.2 оказывается открытым, а канал 6.3 – закрытым.
Ток, протекающий от шины +Е1 по открытому каналу 6.2 через резисторы R2 и R1 к общей шине питания, формирует на резисторе R1 напряжение смещения -Uc, определяющее после окончания импульса блока начальной установки 7 порог включения +Uc формирователя импульсов 2.
При появлении на выходе датчика 1 положительного сигнала (фиг.2) с амплитудой, превышающей порог включения +Uc, происходит включение формирователя импульсов 2 и ключа 6: канал 6.2 становится закрытым, а канал 6.3 – открытым.
После включения формирователя импульсов 2 ток, протекающий от общей шины питания через резисторы R1 и R3 и по каналу 6.3 к шине -Е2, формирует на резисторе R1 напряжение смещения +Uo, определяющее порог выключения -Uo формирователя импульсов 2.
При понижении сигнала датчика 1 ниже уровня порога -Uo происходит выключение формирователя импульсов 2 и ключа 6.
С появлением каждого нового двухполярного сигнала датчика 1 происходит повторение цикла переключения формирователя импульсов 2.
В предлагаемом устройстве пороги переключения Uc и Uo формирователя импульсов 2 не зависят друг от друга и настраиваются подбором сопротивлений резисторов соответственно R2 и R3, требуемые значения которых определяются следующим образом.
Учитывая, что входные токи формирователя импульсов 2 имеют незначительную величину, схему фиг.1 в ее исходном состоянии можно представить эквивалентной схемой фиг.3а, где резистор RД – равнозначный сопротивлению обмотки датчика 1.
Схема фиг.3а состоит из двух контуров, каждый из которых имеет свой источник напряжения и общий резистор R1. Напряжение U4, выделяемое на резисторе R4, подается через резисторы R5 и R6 на вход формирователя импульсов 2 (фиг.1) и в момент переключения последнего равно долям милливольта, то есть можно считать его равным 0.
Для определения значения резистора R2, обеспечивающего требуемый порог включения Uc формирователя импульсов 2, используем метод наложения.
При действии в схеме фиг.3а только напряжения+Е1 (фиг.3б) на резисторе R4 выделяется напряжение U4, которое определим последовательным упрощением схемы фиг.3б. На фиг.3в R4Д=R4+RД, на фиг.3г резистор R14Д заменяет параллельно соединенные резисторы R1, R4Д, поэтому .
Из схемы фиг.3г получаем:

Из схем фиг.3б и 3в имеем: ,
где =RД·R1+RД·R2+R1·R2+R1·R4+R2·R4
При действии в схеме фиг.3а только напряжения е, вырабатываемого датчиком 1, на резисторе R4 выделится напряжение e4, которое определим из схем фиг.3д и 3е:
; 
Так как формирователь импульсов 2 имеет высокую чувствительность, то при его включении напряжение е4 будет незначительно превышать напряжение U4, то есть будет выполняться условие е4 U4. Подставляя в последнее уравнение полученные ранее значения U4 и e4 и учитывая, что в данном случае величина e равна порогу включения формирователя импульсов 2, то есть е Uc, получим:

Аналогичным образом определяется значение резистора R3, обеспечивающее требуемый порог выключения Uo формирователя импульсов 2: 
Из уравнений (1) и (2) определяются пороги переключения формирователя импульсов 2:
, 
Из последних двух уравнений следует, что пороги переключения Uc и Uo формирователя импульсов 2 не зависят от величин резисторов RД и R4. Поэтому предлагаемое устройство является инвариантным к величине сопротивления обмотки датчика частоты вращения 1 и резистора R4, с помощью которого выполняется согласование выхода этого датчика с его нагрузкой.
Такая инвариантность предлагаемого устройства позволяет расширить номенклатуру используемых в нем датчиков, частоты вращения без перенастройки устройства, что повышает надежность предлагаемого устройства в процессе его эксплуатации.
В предлагаемом устройстве в качестве датчика 1 может быть использован один из индукционных импульсных датчиков частоты вращения [4], например, преобразователь частоты вращения ОГ 018 Вт 2.780.018;
в качестве формирователя импульсов 2 – компаратор 521 СА3 КО.347.015 ТУ2; в качестве блока измерения 3 – преобразователь периода в код [5]; в качестве блока анализа информации 4 – один из выпускаемых промышленностью микропроцессоров, например 1806ВМ2 KO.347.457ТУ; в качестве источника напряжений 5 – преобразователь переменного напряжения в двухполярное напряжение постоянного тока и стабилизатор напряжения 142ЕН6 КО.347.098ТУ5, в качестве двухканального аналогового ключа 6 – два канала четырехканального аналогового ключа 590КН7 или двухканальный аналоговый ключ 590КН9 КО.347.000ТУ и инвертор 564 ЛН2 KO.347.064 ТУ2.
Таким образом, в предлагаемом устройстве в дополнение к положительним свойствам прототипа обеспечиваются:
– возможность настройки порогов переключения формирователя импульсов 2 в широком диапазоне входных сигналов;
– согласование выхода датчика частоты вращения 1 с его нагрузкой;
– раздельная настройка порогов переключения Uc и Uo формирователя импульсов 2;
– установка формирователя импульсов 2 при обрывах датчиковых цепей в одно из двух устойчивых состояний.
Поэтому предлагаемое устройство обладает повышенной по сравнению с известными устройствами надежностью при работе в условиях воздействия помех.
Предлагаемое устройство предназначено для применения прежде всего в системах аварийной защиты энергонасыщенных объектов, таких, например, как жидкостные ракетные двигатели. При этом одним из источников помех могут быть электрические цепи (кабели) системы управления двигателем, по которым осуществляется подача мощных сигналов, управляющих исполнительными элементами двигателя (пироклапанами, электропневмоклапанами и др.).
Литература
1. Авторское свидетельство СССР №1296941, G01Р 3/489, опубл. 15.03.87 г.
2. Патент RU №2256183, МПК7 G01Р 3/489, опубл. 10.07.2005 г.
3. Патент RU №2240565, МПК7 G01Р 3/489, опубл. 20.11.2004 г.
4. Датчики теплофизических и механических параметров. Справочник. /Под общей редакцией Ю.Н.Коптева. Том 2, М., издательское предприятие журнала «Радиотехника», 2000 г., стр.560.
5. Патент RU №2178908, МПК7 G04F 10/04, опубл. 27.01.2002 г.
Формула изобретения
Устройство для контроля частоты вращения, содержащее датчик частоты вращения, формирователь импульсов с дифференциальным входом, блок измерения, блок анализа информации, источник симметричных напряжений, пять резисторов и конденсатор, причем первый выход датчика частоты вращения соединен с первым выводом четвертого резистора и через пятый резистор – с первым входом формирователя импульсов с дифференциальным входом, первый и второй входы которого через конденсатор соединены между собой, а выход этого формирователя соединен через блок измерения и блок анализа информации с выходом устройства, второй выход датчика частоты вращения соединен с общей шиной питания и через первый резистор – с вторым выводом второго резистора и первым выводом третьего резистора, отличающееся тем, что в него введены двухканальный аналоговый ключ, блок начальной установки, шестой и седьмой резисторы, причем первый вывод второго резистора соединен через открытый в исходном состоянии канал двухканального аналогового ключа с положительной шиной источника симметричных напряжений, второй вывод третьего резистора соединен через закрытый в исходном состоянии канал двухканального аналогового ключа с отрицательной шиной источника симметричных напряжений, первый вывод третьего резистора соединен с вторым выводом четвертого резистора, первым выводом шестого резистора и через седьмой резистор и блок начальной установки – с положительной шиной источника симметричных напряжений, второй вывод шестого резистора соединен с вторым входом формирователя импульсов с дифференциальным входом, выход которого подключен к входу схемы управления двухканального аналогового ключа.
РИСУНКИ
|