|
|
(21), (22) Заявка: 2006129389/15, 14.08.2006
(24) Дата начала отсчета срока действия патента:
14.08.2006
(43) Дата публикации заявки: 20.02.2008
(46) Опубликовано: 10.01.2009
(56) Список документов, цитированных в отчете о поиске:
RU 2129040 C1, 20.04.1999. SU 581971 A, 01.12.1977. SU 800534 A, 30.01.1981. SU 831222 A, 28.05.1981. RU 2066242 C1, 10.09.1996. RU 2078411 C1, 27.04.1997. US 4141702 A, 27.02.1979.
Адрес для переписки:
308015, г.Белгород, ул. Победы, 85, БелГУ, Т.М. Токтаревой
|
(72) Автор(ы):
Гончарова Любовь Николаевна (RU), Гончаров Николай Иванович (RU)
(73) Патентообладатель(и):
Государственное образовательное учреждение высшего профессионального образования “Белгородский государственный университет” (RU)
|
(54) СПОСОБ ФИЗИКО-ХИМИЧЕСКОЙ ОЧИСТКИ ДЫМОВОГО ГАЗА И ЛИНИЯ УТИЛИЗАЦИИ ДВУОКИСИ УГЛЕРОДА, ТЕПЛА И ПЫЛИ ДЫМОВОГО ГАЗА
(57) Реферат:
Изобретение может быть использовано в строительной промышленности. Дымовой газ из вращающейся печи 1 направляют в пылеосадительную установку 2, содержащую корпус, пылеподводящий 4 и пылеотводящий 7 патрубки и экран 5, установленный под углом и с возможностью вибрации напротив пылеподводящего патрубка 4. В верхней части 3 корпуса установлен питатель-разбрасыватель песка 6, а в нижней части – устройство выгрузки полученной известково-песчаной смеси 8. Частично остывший и очищенный дымовой газ выводят через отводящий патрубок 7 и подают в циклон 9 и электростатический очиститель 10. Пыль, отделенную от дымового газа в циклоне 9 и электростатическом очистителе 10, и известково-песчаную смесь из пылеосадительной установки 2 при помощи установки 11 направляют в смеситель 12 для получения сухого строительного раствора. Водозатворенный строительный раствор готовят в устройстве 15 и направляют в установку для производства строительных материалов, например в гранулятор, или установку для изготовления стеновых строительных блоков 23. Полученные строительные материалы сушат в сушильно-карбонизационной установке, снабженной трубопроводом 22 для подвода дымового газа из электростатического очистителя при помощи дымососа 21. Для сушки гранул используют сушильно-карбонизационную колонну. Для сушки стеновых блоков используют щелевую или туннельную установку 24. Очищенный и остывший дымовой газ выпускают в атмосферу через патрубок 20. Повышается экологичность производства извести или цемента, расширяется ассортимент получаемых строительных материалов, значительно уменьшается загрязнение атмосферы двуокисью углерода. 2 н. и 7 з.п. ф-лы, 4 ил.
Изобретения относятся к контактной физико-химической очистке дымовых газов и могут быть использованы в строительной промышленности, например, при очистке дымовых высокотемпературных газов, образующихся при производстве извести или цемента, с утилизацией двуокиси углерода, тепла и пыли в производстве строительных материалов, таких, например, как сухой строительный раствор или водозатворенный строительный раствор, заполнитель для бетона в виде гранул или стеновые строительные блоки, которые в сыром виде могут быть использованы в качестве нейтрализаторов выхлопных газов автотранспорта.
В процессе обжига во вращающихся печах значительная часть обжигаемого материала выносится из печей вместе с дымовыми газами, количество выносимого материала составляет 3-20% сырьевой смеси. Уловленная пыль при производстве цемента, как правило, возвращается в технологический процесс (Справочник по химии цемента под ред. Б.В.Волконского и Л.Г.Судакаса. Ленинград, Стройиздат, Ленинградское отделение, 1980 г., стр.145). Однако обычно в дымовых газах кроме пыли присутствует большое количество двуокиси углерода (например, при обжиге 1 тонны известняка в атмосферу уходит более полутонны CO2 с учетом сгорания топлива), которая при попадании в атмосферу способствует созданию парникового эффекта.
Известно достаточно большое количество способов очистки дымовых газов, однако, как правило, каждый из способов направлен на очистку только от одного из компонентов: либо только от пылевых частиц, либо только от двуокиси углерода.
Например, известен способ очистки высокотемпературных газов от пыли при получении извести или цемента во вращающихся печах, который осуществляют путем электростатического осаждения на электродах, выполненных в виде бесконечных лент (а.с. № 581971, МКИ В01D 35/07, 1977 г.).
Недостатком этого способа является повышенный расход электроэнергии, низкая эффективность при улавливании частиц пыли с малым удельным сопротивлением, потери тепла и невозможность утилизации двуокиси углерода и твердых частиц.
Известен способ конденсаторной очистки газов, включающий операции очистки газа от грубых частиц, насыщения водяным паром путем подачи жидкости на расширительные камеры теплообменника, конденсации и осаждения капель воды с твердыми частицами, подачи и подогрева охлаждающей воды в теплообменнике (Патент США № 4141702, В01D 47/06, 1979 г.).
Недостатком известного способа является то, что часть тепла отходящих газов не используется, оно выбрасывается в отходы вместе с подогретой водой из полой оросительной колонны. Уловленные твердые частицы и конденсат из спирального теплообменника также выбрасываются в отходы, и лишь часть тепла, оставшаяся от орошения колонны горячей водой с температурой 55-65 градусов, может быть использована в качестве теплоносителя.
Кроме указанных недостатков общим недостатком вышеуказанных способов является то, что в них не предусмотрено удаление из дымовых газов двуокиси углерода, которая способствует созданию парникового эффекта.
Известен способ очистки дымовых газов от двуокиси углерода по патенту РФ № 2207185, опубл. 2003.06.27, при помощи установки для извлечения углекислого газа из газовых смесей, которая содержит регенеративные блоки, связанные между собой газопроводами и трубопроводами, и насосы, причем регенеративные блоки включают в себя сборник, насос, аппарат прямоточный скоростной для газожидкостной обработки газа, содержащего углекислый газ. Недостатком этого способа является высокая энергоемкость и металлоемкость установки, а также то, что не предусмотрено использование удаляемых твердых частиц.
Наиболее близким по своим признакам является способ обработки отходящих газов при сухом производстве материалов, включающий абсорбцию вредных газообразных компонентов, пылеулавливание, утилизацию уловленной пыли и теплоты отходящих горячих газов по патенту РФ № 2129040 (опубл. 1999.04.20). В результате использования данного способа получают чистый теплоноситель с температурой, соответствующей требованиям, и пылевой шлам с влажностью, пригодной для возврата в технологический процесс сухого производства материала.
Недостатком данного технического решения является сложность подготовки возвращения пылевого шлама в технологический процесс, которая включает операции сгущения пылевого шлама и его отмывку от продуктов абсорбции, например щелочей, сушку уловленной пыли до влажности, необходимой для дальнейшего использования в технологическом процессе, а также перегрев чистого теплоносителя до температур, определяемых требованиями систем теплоснабжения. А кроме того, – не предусмотрена утилизация двуокиси углерода.
Задачей изобретения является создание способа комплексной очистки горячих дымовых газов с утилизацией двуокиси углерода, тепла, твердых частиц и пыли дымового газа для получения различных строительных материалов с использованием двуокиси углерода, содержащегося в дымовом газе, в качестве отвердителя.
Задача решается за счет того, что в способе, включающем абсорбцию вредных газообразных компонентов, пылеулавливание, утилизацию уловленной пыли и теплоты, в отличие от прототипа, на первом этапе осуществляют пылеосаждение в пылеосадительной камере, в которой очищаемому газу придают тангенциальное движение за счет экрана, установленного с возможностью вибрации на входе в пылеосадительную камеру, а через питатель, расположенный сверху пылеосадительной камеры, распыляют крупнодисперсные частицы песка с естественной влажностью и температурой, которые контактируют с горячим дымовым газом, частично отбирая его тепло, и адсорбируют на своей поверхности известковую пыль и крупные частицы извести. На втором этапе осуществляют пылеулавливание сначала в циклонах и затем в электростатическом очистителе. Известково-песчаную смесь, полученную в пылеосадительной камере, а также пыль, полученную в циклонах и электростатическом очистителе, направляют при помощи транспортеров в смеситель, где перемешивают, получая сухой строительный раствор, который после расфасовки может быть использован в качестве готовой продукции. Кроме того, полученный сухой строительный раствор при необходимости с корректирующими добавками может быть использован в дальнейшем производстве для приготовления водозатворенного строительного раствора с последующим его использованием в качестве связующего для получения заполнителей для бетона в виде гранул или стеновых строительных блоков. Утилизацию остаточного тепла и двуокиси углерода дымового газа, очищенного от пыли и твердых частиц, осуществляют в сушильно-карбонизационных устройствах, направляя туда при помощи дымососа дымовой газ после окончательной очистки от пыли в электростатическом очистителе. При этом одновременно с сушкой изделий происходит их твердение за счет вступления в реакцию карбонизации содержащейся в них извести с двуокисью углерода дымового газа:
Са(ОН)2+CO2+nH2O=СаСО3+(n+1)H2O.
Возможно также образование соединений типа СаСО3, nCa(OH)2, mH2O (Справочник по химии цемента под ред. Б.В.Волконского и Л.Г.Судакаса. Ленинград, Стройиздат, Ленинградское отделение, 1980 г., стр.145). В результате очищенный от пыли, двуокиси углерода и отдавший тепло дымовой газ может быть выпущен в атмосферу без нарушения экологии, а твердые частицы могут быть полностью использованы для получения строительных материалов.
Таким образом, осуществление предлагаемого способа способствует переходу производства извести или цемента на безотходную технологию с утилизацией двуокиси углерода, пыли и тепла дымового газа с возможностью использования их в производстве строительных материалов. Кроме того, сырые стеновые блоки, содержащие известь, благодаря ее способности к связыванию двуокиси углерода за счет реакции карбонизации, при условии герметичной упаковки сразу после изготовления, могут быть использованы в качестве нейтрализаторов выхлопных газов в приставке-глушителе автомобилей.
Признаки, подтверждающие новизну и изобретательский уровень предлагаемого способа:
– осуществление очистки горячих дымовых газов от крупных частиц сначала в пылеосадительной камере, в которой очищаемому газу придают тангенциальное движение за счет экрана, установленного с возможностью вибрации на входе в камеру, а через питатель-разбрасыватель песка, расположенный сверху камеры распыляют песок с естественной влажностью и температурой, в результате чего положительно заряженные известковые частицы дымового газа адсорбируются на отрицательно заряженной поверхности частиц песка, образуя известково-песчаную смесь, которая удаляется через устройство выгрузки полученной известково-песчаной смеси. Одновременно частично понижается температура дымового газа;
– использование сухого строительного раствора, приготовленного в смесителе из известково-песчаной смеси, полученной в пылеосадительной камере, и пыли, полученной после дополнительного обеспыливания дымового газа в циклонах и в электростатическом очистителе, для приготовления водозатворенного строительного раствора;
– использование упомянутого водозатворенного строительного раствора в качестве связующего для изготовления строительных материалов:
а) заполнителей для бетона в виде гранул,
б) стеновых строительных блоков;
– утилизация остаточного тепла и двуокиси углерода дымового газа при сушке изготовленных строительных материалов (гранул или стеновых строительных блоков) в сушильно-карбонизационной установке за счет использования остаточного тепла дымового газа и одновременно упрочнении за счет физико-химических реакций карбонизации, т.е. связывания содержащейся в дымовом газе двуокиси углерода:
Са(ОН)2+CO2+nH2O=СаСО3+(n+1)Н2О.
При этом:
а) гранулы (заполнители для бетона) сушат в сушильно-карбонизационной колонне путем пропускания через заполненную сырыми гранулами сушильно-карбонизационную колонну очищенного от твердых частиц, но содержащего остаточное тепло и двуокись углерода дымового газа, который при помощи дымососа направляют в сушильно-карбонизационную колонну после заключительной очистки в электростатическом очистителе,
б) стеновые строительные блоки сушат в сушильно-карбонизационной туннельной установке или сушильно-карбонизационной щелевой установке с подвижным подом путем пропускания очищенного от твердых частиц, но содержащего остаточное тепло и двуокись углерода дымового газа, который направляют туда при помощи дымососа после заключительной очистки в электростатическом очистителе;
– возможность использования сырых строительных блоков в качестве нейтрализаторов двуокиси углерода выхлопных газов автомобилей за счет способности содержащейся в них извести к вступлению в реакцию карбонизации с двуокисью углерода при условии герметичной упаковки сразу после их изготовления.
– возможность использования сухого строительного материала в качестве готовой продукции при условии расфасовки и упаковки его сразу после изготовления.
В результате использование предлагаемого способа по любому из вышеперечисленных вариантов даст возможность повысить экологичность производства извести или цемента, а также расширить ассортимент выпускаемой продукции, т.к. кроме непосредственно извести или цемента может быть получена продукция в виде гранул (заполнителей бетона), высушенных стеновых строительных блоков и сырых стеновых блоков (нейтрализаторов выхлопных газов автомобилей), а в случае установки упаковочной машины после смесителя может быть получена готовая продукция в виде сухого строительного раствора.
Из уровня техники известны установки для очистки горячего дымового газа от взвешенных в нем твердых частиц размером 5 мкм и более под действием центробежной силы, например, циклоны, которые для повышения КПД часто устанавливают параллельно (БСЭ). Известны электростатические фильтры, принцип действия которых основан на эффекте притяжения заряженных частиц разной полярности, что позволяет удалять частицы величиной до 0,01 мкм. Известны пылеосадительные установки, например установка по патенту РФ № 2008068, опубл. 28.02.1994 г., которая включает корпус, пылеподводящий и пылеотводящий патрубки, ограничитель потока и камеру разряжения. Все эти и подобные им устройства предназначены для очистки газа только от пыли и твердых частиц.
Однако в дымовом газе содержится и значительное количество двуокиси углерода. Известны различные устройства для очистки газов от углекислого газа, в основном для получения углекислоты или непосредственно углекислого газа для производства пищевого льда. При этом используют сорбционные, компрессионные и низкотемпературные способы. (а.с. СССР № 170475).
Однако из уровня техники не выявлены технические решения для осуществления способа очистки дымового газа, позволяющие комплексно извлекать и утилизировать и пылевые составляющие, и тепло, и двуокись углерода дымовых газов производства, например извести или цемента, с использованием их для получения строительных материалов.
Поэтому для осуществления предлагаемого способа очистки дымового газа предлагается линия утилизации двуокиси углерода, тепла и пыли дымового газа, включающая последовательно установленные и снабженные транспортерами пылеосадительную камеру, циклоны и электростатический очиститель, смеситель для приготовления сухого строительного раствора, устройство для приготовления водозатворенного строительного раствора, установку для производства строительных материалов, сушильно-карбонизационную установку, установленный после электростатического очистителя дымосос для подачи в сушильно-карбонизационную установку очищенного от твердых частиц и пыли дымового газа. Причем в качестве установки для производства строительных материалов из водозатворенного строительного раствора может быть использован гранулятор, а для сушки изготовленных гранул в качестве сушильно-карбонизационной установки – сушильно-карбонизационная колонна. Или в качестве установки для производства строительных материалов из водозатворенного строительного раствора может быть использована установка для изготовления стеновых строительных блоков, для сушки которых в линии используют туннельную или щелевую с подвижным подом сушильно-карбонизационную установку.
Предлагаемая линия содержит пылеосадительную установку, в которой, в отличие от известного устройства по патенту РФ № 2008068, опубл. 28.02.1994 г., пылеподводящий патрубок расположен не в верхней боковой части, а в средней боковой части боковой поверхности корпуса пылеосадительной установки, а внутри ее корпуса напротив пылеподводящего патрубка вместо ограничителя потока установлен под углом и с возможностью вибрации экран для придания тангенциального движения потоку горячего дымового газа, выходящему из вращающейся печи. В верхней части корпуса установлен питатель-разбрасыватель песка, через который распыляют песок с естественной влажностью и температурой. При контакте с горячим дымовым газом, содержащим частички извести, характеризующиеся высокой концентрацией положительных поверхностных зарядов, кварцевый песок с отрицательно заряженной поверхностью, абсорбирует на своей поверхности частички извести, и полученная известково-песчаная смесь выводится через устройство выгрузки полученной известково-песчаной смеси. Для полной очистки дымового газа, уже частично обеспыленного и охлажденного в пылеосадительной камере, линия содержит последовательно установленные циклоны и электростатический очиститель. Пылеосадительная камера, циклоны и электростатический очиститель снабжены выходными пылеотводящими патрубками, через которые твердые отходы при помощи подводящих устройств, например транспортеров, подают в смеситель, содержащий дополнительный патрубок для подачи корректирующих добавок, например красителей, и выходной патрубок, через который готовый сухой строительный раствор подают в установку для приготовления водозатворенного строительного раствора, кроме того, смеситель может содержать дополнительный патрубок для вывода сухого строительного раствора в упаковочную машину. Далее приготовленный водозатворенный строительный раствор может направляться для использования в качестве связующего непосредственно на строительную площадку. Кроме того, линия может содержать гранулятор, в котором водозатворенная строительная смесь может быть использована в качестве связующего для приготовления гранул (заполнителей для бетона), сушильно-карбонизационную колонну, в которой готовые гранулы подвергают обработке очищенным от твердых частиц дымовым газом, направляемым в сушильно-карбонизационную колонну при помощи дымососа, установленного после электростатического очистителя. При этом гранулы высыхают, отбирая остаточное тепло дымового газа, и упрочняются за счет физико-химической реакции карбонизации, т.е. связывания содержащейся в дымовом газе двуокиси углерода.
И/или линия может содержать устройство изготовления стеновых строительных блоков, где водозатворенная строительная смесь также может быть использована в качестве связующего, сушильно-карбонизационную установку (например, туннельную или щелевую с подвижным подом, расположенным под наклоном), куда при помощи дымососа, установленного после электростатического очистителя, подают дымовой газ, очищенный от пыли, но содержащий остаточное тепло и двуокись углерода. При этом остаточное тепло используется для сушки стеновых строительных блоков, а двуокись углерода вступает в реакцию карбонизации с содержащейся в блоках известью, что ускоряет процесс твердения.
Признаками, подтверждающими соответствие заявленной линии критериям «новизны» и «изобретательский уровень» являются следующие:
– наличие пылеосадительной установки для получения известково-песчаной смеси, содержащей пылеподводящий патрубок, расположенный в средней части боковой поверхности корпуса, с установленным напротив него внутри корпуса, под углом и с возможностью вибрации экраном (для придания потоку выходящего из вращающейся печи дымового газа тангенциального движения), а в верхней части корпуса пылеосадительной установки установлен питатель-разбрасыватель песка. Кроме того, в нижней части корпуса расположено устройство выгрузки полученной известково-песчаной смеси;
– наличие в линии установок для утилизации полученной пыли и твердых частиц, тепла и двуокиси углерода дымового газа, которые могут содержать, например: смеситель для приготовления сухого строительного раствора из известково-песчаной смеси, полученной в пылеосадительной установке, а также пыли, выделенной из дымового газа в циклонах и электростатическом очистителе, устройство для приготовления из упомянутого сухого строительного раствора – водозатворенного строительного раствора, установку для производства строительных материалов с применением приготовленного водозатворенного раствора, сушильно-карбонизационную установку, снабженную трубопроводом для подвода очищенного дымового газа из электростатического очистителя;
– использование в качестве установки для производства строительных материалов с применением приготовленного водозатворенного раствора – гранулятора для изготовления гранул (заполнителя для бетона) с применением в качестве связующего упомянутого водозатворенного строительного раствора, а для сушки и карбонизации гранул – сушильно-карбонизационной колонну, снабженной трубопроводом для подвода очищенного дымового газа из электростатического очистителя и патрубком для отвода очищенного и остывшего газа, устройством загрузки и выгрузки гранул;
– использование в качестве установки для производства строительных материалов установки для изготовления стеновых строительных блоков с использованием в качестве связующего упомянутого водозатворенного строительного раствора, а для сушки и карбонизации стеновых строительных блоков – туннельной сушильно-карбонизационной камеры или щелевой сушильно-карбонизационной камеры с подвижным подом, снабженную трубопроводом для подвода очищенного дымового газа из электростатического очистителя и патрубком для отвода очищенного и остывшего газа, устройством загрузки сырых стеновых строительных блоков, устройством разгрузки сухих стеновых строительных блоков;
– кроме того, линия может включать упаковочные машины для расфасовки и упаковки сухого строительного раствора и/или упаковочную машину для герметичной упаковки сырых стеновых строительных блоков с последующим использованием их в качестве нейтрализаторов углекислого газа, содержащегося в выхлопных газах автотранспорта, и/или упаковочную машину для гранул, и/или упаковочную машину для стеновых строительных блоков.
Предложенная линия очистки и утилизации двуокиси углерода, тепла и пыли дымового газа, характеризуется следующими изображениями.
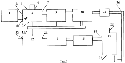
Фиг.1 – схема линии по изготовлению гранул.
Фиг.2 – схема линии по изготовлению сухих стеновых строительных блоков.
Фиг.3 – схема линии по изготовлению сухих и сырых стеновых строительных блоков.
Фиг.4 – фрагмент схемы линии, включающей упаковочную машину для расфасовки и упаковки сухого строительного раствора.
Линия содержит вращающуюся печь 1, пылеосадительную установку 2, выполненную в виде корпуса 3 с пылеподводящим патрубком 4, расположенным в средней части боковой поверхности корпуса 3, с установленным внутри корпуса 3 напротив пылеподводящего патрубка 4 под углом и с возможностью вибрации экраном 5 (для придания тангенциального движения потоку выходящего из вращающейся печи 1 дымового газа), в верхней части корпуса 3 пылеосадительной установки 2 для дозированной подачи песка установлен питатель-разбрасыватель 6 и патрубок 7 для вывода дымового газа, а в нижней части корпуса 3 – устройство 8 для выгрузки получаемой известково-песчаной смеси. Кроме того, линия включает циклоны 9, электростатический очиститель 10, устройства для утилизации углекислого газа, пыли и тепла дымового газа.
Линия для производства строительных материалов в виде гранул (фиг.1) содержит установку 11 для подачи известково-песчаной смеси после пылеосадительной установки 2, а также пыли после циклонов 9 и электромеханического очистителя 10 в смеситель 12, содержащий патрубок 13 для подачи корректирующих добавок и патрубок 14 вывода готового сухого строительного раствора в установку 15 для получения водозатворенного строительного раствора, гранулятор 16, сушильно-карбонизационную колонну 17, снабженную устройством 18 загрузки сырых гранул и устройством 19 выгрузки высушенных и затвердевших гранул, а также патрубком 20 для отвода очищенного и остывшего дымового газа, а для подвода дымового газа в сушильно-карбонизационную колонну 17 при помощи дымососа 21, установленного после электростатического очистителя 10, предназначен трубопровод 22.
Линия для производства строительных материалов в виде сухих стеновых строительных блоков (фиг.2) содержит расположенную после установки 15 для получения водозатворенного строительного раствора установку 23 для изготовления стеновых строительных блоков с использованием в качестве связующего полученного водозатворенного строительного раствора сушильно-карбонизационную туннельную или щелевую с подвижным подом установку 24, снабженную патрубком 20 для отвода очищенного и остывшего дымового газа, трубопроводом 22 подвода дымового газа в сушильно-карбонизационную колонну 17 при помощи дымососа 21, установленного после электростатического очистителя 10, а также устройством 25 загрузки сырых стеновых строительных блоков и устройством 26 разгрузки высушенных и затвердевших стеновых строительных блоков, упаковочную машину 27 для упаковки готовых стеновых блоков.
Линия для производства строительных материалов в виде сухих и сырых стеновых строительных блоков (фиг.3) содержит упаковочную машину 28 для герметичной упаковки сырых стеновых строительных блоков с последующим их использованием в качестве нейтрализаторов двуокиси углерода выхлопных газов автомобилей.
Кроме того, в любой из вышеперечисленных вариантов линии может быть добавлена упаковочная машина 29 для расфасовки и упаковки сухого строительного раствора (фиг.4).
Примеры использования предложенных изобретений.
1. Линия по изготовлению гранул (фиг.1).
Дымовой газ, полученный во вращающейся печи 1 при производстве извести или цемента, направляют в пылеосадительную установку 2, в которой напротив пылеподводящего патрубка 4 установлен под углом и с возможностью вибрации экран 5, предназначенный для придания потоку дымового газа тангенциального движения. Через установленный в верхней части корпуса 3 пылеосадительной установки 2 питатель-разбрасыватель 6 в корпус 3 распыляют песок с естественной влажностью и температурой. При этом песок, поверхность которого имеет отрицательный заряд, притягивает к себе и адсорбирует на своей поверхности заряженные положительно частички извести, содержащиеся в дымовом газе. В результате через выходной патрубок устройство 8 выгрузки получаемой известково-песчаной смеси, расположенный в нижней части пылеосадительной установки 2 выводится известково-песчаная смесь, а через отводящий патрубок 7 выводится частично остывший и очищенный от известковых частиц дымовой газ, который далее направляют для дополнительной очистки в циклоны 9, а затем в электростатический очиститель 10. Известково-песчаную смесь, полученную в пылеосадительной установке 2 и пыль, выделенную из дымового газа в циклонах 9 и электростатическом очистителе 10, при помощи установки 11 направляют в смеситель 12, куда через патрубок 13 вносят корректирующие добавки для получения сухого строительного раствора. Затем готовый сухой строительный раствор через патрубок 14 направляют в установку 15 для приготовления водозатворенного строительного раствора, который далее используют в качестве связующего для изготовления гранул (заполнителя для бетона). Сырые гранулы, сформированные в грануляторе 16, подвергают сушке в сушильно-карбонизационной колонне 17 путем подачи в нее по трубопроводу 22 при помощи дымососа 21, установленного после электростатического очистителя 10, очищенного от твердых частиц и обеспыленного, но содержащего остаточное тепло и двуокись углерода дымового газа. В процессе сушки гранул одновременно происходит их твердение за счет реакции карбонизации – связывания двуокиси углерода известью, входящей в состав гранул. Высушенные гранулы выгружают через устройство 19 выгрузки готовых гранул, а очищенный и остывший дымовой газ выпускают в атмосферу через патрубок 20.
2. Линия по производству стеновых строительных блоков (фиг.2).
Дымовой газ, полученный во вращающейся печи 1 при производстве извести или цемента, направляют в пылеосадительную установку 2, в которой напротив пылеподводящего патрубка 4 установлен с возможностью вибрации и под углом экран 5, предназначенный для придания потоку дымового газа тангенциального движения. Через установленный в верхней части корпуса 3 пылеосадительной установки 2 питатель-разбрасыватель 6 внутрь корпуса 3 распыляют песок с естественной влажностью и температурой. При этом песок, поверхность которого имеет отрицательный заряд, притягивает к себе и адсорбирует на своей поверхности заряженные положительно частички извести, содержащиеся в дымовом газе. В результате через выходной патрубок 8, расположенный в нижней части пылеосадительной установки 2 выводится известково-песчаная смесь, а через отводящий патрубок 7 выводится частично остывший и очищенный от известковых частиц дымовой газ, который далее направляют для дополнительной очистки в циклоны 9, а затем в электростатический очиститель 10. Известково-песчаную смесь, полученную в пылеосадительной установке 2, перемешивают с пылью, выделенной из дымового газа в циклонах 9 и электростатическом устройстве 10, и с корректирующими добавками в смесителе 12, получая сухой строительный раствор. Затем готовый сухой строительный раствор направляют в установку 15 для приготовления водозатворенного строительного раствора, который используют в качестве связующего в установке 23 для изготовления стеновых строительных блоков, сушку которых далее производят в туннельной или щелевой с подвижным подом сушильно-карбонизационной установке 24 путем подачи в нее при помощи дымососа 21, установленного после электростатического очистителя 10, очищенного от твердых частиц и обеспыленного, но содержащего остаточное тепло и двуокись углерода дымового газа. В процессе сушки стеновых строительных блоков одновременно происходит их твердение за счет реакции карбонизации – связывания двуокиси углерода с известью, входящей в состав блоков. Высушенные и затвердевшие блоки выгружают в упаковочную машину 27, а очищенный и остывший газ выпускают в атмосферу через патрубок 20.
3. В состав линии по производству стеновых строительных блоков (фиг.3) может быть включена упаковочная машина 28 для герметичной упаковки сырых стеновых строительных блоков с последующим использованием их в качестве нейтрализаторов углекислого газа, содержащегося в выхлопных газах автотранспорта.
4. В состав линии (фиг.4) может быть включена упаковочная машина 29 для расфасовки и упаковки сухого строительного раствора, приготовленного в смесителе 12.
В зависимости от необходимости может быть выбран любой из рассмотренных вариантов или могут быть использованы все варианты одновременно. В результате использования предложенного способа и линии для его осуществления в любых вариантах можно получить положительный эффект, заключающийся не только в очистке дымового газа, но и в использовании всех загрязняющих его составляющих (которые обычно отправляют в отходы) с получением полезных и необходимых строительных материалов.
Формула изобретения
1. Способ очистки дымовых газов, включающий пылеосаждение, пылеулавливание, утилизацию уловленной пыли и теплоты отходящих горячих газов, отличающийся тем, что отходящие горячие газы на этапе пылеосаждения очищают от крупных частиц и пыли сначала в пылеосадительной установке, в которой очищаемому газу придают тангенциальное движение за счет экрана, установленного на входе с возможностью вибрации, а через питатель-разбрасыватель, расположенный сверху установки, распыляют песок с естественной влажностью и температурой, получая при этом известково-песчаную смесь, на этапе пылеулавливания дымовой газ очищают от пыли в циклонах и в электростатическом очистителе, полученные известково-песчаную смесь и пыль используют для приготовления водозатворенного строительного раствора, который используют в качестве связующего при производстве строительных материалов, а остаточное тепло и двуокись углерода дымового газа утилизируют в сушильно-карбонизационном устройстве при сушке полученных строительных материалов путем подачи в него очищенного дымового газа после электростатического очистителя.
2. Способ по п.1, отличающийся тем, что упомянутый водозатворенный строительный раствор используют в качестве связующего для производства заполнителя бетона в виде гранул.
3. Способ по п.1, отличающийся тем, что упомянутый водозатворенный строительный раствор используют при производстве стеновых строительных блоков.
4. Способ по п.1 или 3, отличающийся тем, что стеновые строительные блоки подвергают герметичной упаковке сразу после изготовления.
5. Линия утилизации двуокиси углерода, тепла и пыли дымовых газов, включающая циклон, пылеосадительную установку, содержащую корпус, пылеподводящий и пылеотводящий патрубки, отличающаяся тем, что пылеподводящий патрубок расположен в средней части боковой поверхности пылеосадительной установки, а внутри ее корпуса напротив пылеподводящего патрубка установлен под углом и с возможностью вибрации экран, в верхней части установки установлен питатель-разбрасыватель песка, а в нижней части – устройство выгрузки полученной известково-песчаной смеси, кроме того, линия содержит смеситель для приготовления сухого строительного раствора из упомянутой известково-песчаной смеси и пыли, выделенной из дымового газа в циклоне и электростатическом очистителе, устройство приготовления водозатворенного строительного раствора из упомянутого сухого строительного раствора, установку для производства строительных материалов с применением приготовленного водозатворенного раствора, сушильно-карбонизационную установку, снабженную трубопроводом для подвода очищенного дымового газа из электростатического очистителя.
6. Линия утилизации двуокиси углерода, тепла и пыли дымовых газов по п.5, отличающаяся тем, что в качестве установки для изготовления строительных материалов она содержит гранулятор, а в качестве сушильно-карбонизационной установки содержит сушильно-карбонизационную колонну.
7. Линия утилизации двуокиси углерода, тепла и пыли дымовых газов по п.5, отличающаяся тем, что в качестве установки для изготовления строительных материалов она содержит установку для изготовления стеновых строительных блоков, а в качестве сушильно-карбонизационной установки содержит туннельную сушильно-карбонизационную установку или щелевую сушильно-карбонизационную установку с подвижным подом.
8. Линия утилизации двуокиси углерода, тепла и пыли дымовых газов по п.7, отличающаяся тем, что содержит упаковочную машину для сырых стеновых блоков.
9. Линия утилизации двуокиси углерода, тепла и пыли дымовых газов по п.5, отличающаяся тем, что содержит установленную после смесителя упаковочную машину для упаковки сухого строительного раствора.
РИСУНКИ
|
|