|
|
(21), (22) Заявка: 2007122058/06, 13.06.2007
(24) Дата начала отсчета срока действия патента:
13.06.2007
(46) Опубликовано: 27.12.2008
(56) Список документов, цитированных в отчете о поиске:
RU 2097662 С1, 27.11.1997. SU 1719798 А1, 15.03.1992. RU 2031323 С1, 20.03.1995. US 4765231 А, 23.08.1988. US 4528898 А, 16.07.1985.
Адрес для переписки:
455002, Челябинская обл., г. Магнитогорск, ул. Кирова, 93, ОАО “ММК”, отдел рационализации, изобретательства и патентной работы
|
(72) Автор(ы):
Гамей Анатолий Илларионович (RU), Гаврилюк Александр Иванович (RU), Антонов Геннадий Леонидович (RU), Журкин Александр Борисович (RU), Тюхтин Сергей Викторович (RU)
(73) Патентообладатель(и):
Открытое акционерное общество “Магнитогорский металлургический комбинат” (RU)
|
(54) СПОСОБ УПРАВЛЕНИЯ РАБОТОЙ АСИНХРОННЫХ ЭЛЕКТРОДВИГАТЕЛЕЙ ВЕНТИЛЯЦИОННО-АСПИРАЦИОННЫХ УСТАНОВОК
(57) Реферат:
Способ предназначен для управления работой асинхронных электродвигателей вентиляционно-аспирационных установок, работающих на несколько потребителей. Способ включает фиксацию положений шиберных заслонок дымососа и на ответвлениях концевыми выключателями, контроль управления работой электродвигателей на ответвлениях воздуховода положением шиберных заслонок, при этом дополнительно контролируют технологические параметры датчиком разрежения в электрофильтре, датчиком запыленности, установленным в воздуховоде на выходе электрофильтра, датчиками запыленности, установленными у мест пылеобразования по числу ответвлений воздуховода, запуск электродвигателя дымососа осуществляют только при закрытом положении шибера заслонки дымососа, открытие шибера дымососа контролируют в зависимости от количества открытых шиберных заслонок на ответвлениях воздуховода и запыленностью в воздуховоде на выходе электрофильтра, работу электродвигателя шибера дымососа контролируют показаниями суммированного сигнала управления работой электродвигателей по числу ответвлений, показаниями датчика контроля и разряжения в электрофильтре, работу электродвигателей шиберных заслонок на ответвлениях воздуховода контролируют как показаниями датчиков запыленности, установленных у мест пылеобразования на ответвлениях воздуховода, так и сигналом от электрического контакта схемы запуска электродвигателей шиберных заслонок на ответвлениях воздуховода или блок-контактом магнитного пускателя электропривода технологического агрегата, приводящего к пылеобразованию, сигналы управления работой электродвигателей на ответвлениях воздуховода суммируют, включение-отключение блоков повысительных преобразователей напряжения по числу полей электрофильтра контролируют показаниями суммированного сигнала управления работой электродвигателей на ответвлениях воздуховода по количеству открытых шиберных заслонок на ответвлениях воздуховода, показаниями датчика запыленности в воздуховоде на выходе электрофильтра, параметрами работающего электродвигателя дымососа. Технический результат – повышение надежности управления. 1 ил.
Изобретение относится к вентиляционно-аспирационной технике, в частности к способам управления и регулирования положением шиберов работой приводных асинхронных электродвигателей вентиляционно-аспирационных установок, работающих на несколько потребителей, и может широко применяться в цементной, строительной, теплоэнергетической, горнорудной и других отраслях промышленности и сельского хозяйства.
Известен способ включения вентиляции воздуха жилых, административных зданий, включающий закрытие шибера в газоходе перед запуском электродвигателя дымососа и его открытие после запуска электродвигателя и выхода на заданный режим, контролирование положения шибера и измерение величины тока, потребляемого электродвигателем дымососа, при этом запуск электродвигателя производят только при полном закрытом шибере, а выход электродвигателя на заданный режим после его запуска контролируют по достижении величины потребляемого им тока заданного значения, а при открытом шибере в газоход пусковое устройство отключают от сети питания (А.с. СССР №1719798, кл. F23N 5/24, опубл. 15.03.1992 г.).
Недостатками данного способа являются постоянная работа электродвигателя с постоянной эксплуатационной нагрузкой, потребление максимального количества электроэнергии, технологическая невозможность регулирования тяги дымососа, снижение эффективность работы системы.
Наиболее близким к изобретению является способ управления электродвигателем вентиляционной установки, работающей на несколько потребителей, подключаемых по случайному закону, включающий подключение каждого потребителя воздуха к магистральному воздуховоду через ответвление с шиберной заслонкой, фиксацию шиберной заслонки концевыми выключателями, формирование управляющего параметра блока управления электродвигателем в зависимости от положения шиберной заслонки, использование в качестве дополнительного управляющего параметра суммарного сопротивления дополнительных резисторов, включенных в цепь управления концевыми выключателями, формирование сопротивления каждого резистора в соответствии с расходом воздуха через соответствующее ответвление и потерей давления в ответвлениях, изменение подачи вентиляционной установки пропорционально суммарному сопротивлению путем изменения угловой скорости вращения электродвигателя, управляемого тиристорными блоками с системой импульсно-фазной системы (Патент РФ № 2097662, кл. F24F 11/00, опубл. 27.11.1997 г.).
Недостатком данного способа является невозможность применения в промышленных условиях образования значительных пылегазовоздушных объемов, требующих повышенной мощности электродвигателя потребления порядка тысяч киловатт- мегаватт электроэнергии.
Технический результат использования изобретения заключается в разработке способа управления работой асинхронных электродвигателей вентиляционно-аспирационной установки, повышении надежности эффективности, качества регулирования работы системы, повышении экономичности работы системы за счет значительного сокращения электропотребления асинхронными двигателями повышенной (порядка тысяч киловатт – мегаватт) мощности в промышленных условиях образования значительных пылевоздушных объемов.
Технический результат достигается тем, что способ управления работой асинхронными электродвигателями аспирационно-вентиляционных установок, включающий подключение мест пылеобразования технологических агрегатов к магистральному воздуховоду через систему ответвлений с шиберными заслонками, фиксацию положений шиберных заслонок дымососа и на ответвлениях концевыми выключателями, контроль управления работой электродвигателей на ответвлениях воздуховода положением шиберных заслонок, подсоединение воздуховода к электрофильтру, дополнительно технологические параметры контролируют датчиком разрежения в электрофильтре, датчиком запыленности, установленным в воздуховоде на выходе электрофильтра, датчиками запыленности, установленными у мест пылеобразования по числу ответвлений воздуховода, запуск электродвигателя дымососа осуществляют только при закрытом положении шибера заслонки дымососа, открытие шибера дымососа контролируют в зависимости от количества открытых шиберных заслонок на ответвлениях воздуховода и запыленностью в воздуховоде на выходе электрофильтра, работу электродвигателя шибера дымососа контролируют показаниями суммированного сигнала управления работой электродвигателей по числу ответвлений, показаниями датчика контроля и разряжения в электрофильтре, работу электродвигателей шиберных заслонок на ответвлениях воздуховода контролируют как показаниями датчиков запыленности, установленных у мест пылеобразования на ответвлениях воздуховода, так и сигналом от электрического контакта схемы запуска электродвигателей шиберных заслонок на ответвлениях воздуховода или блок-контактом магнитного пускателя электропривода технологического агрегата, приводящего к пылеобразованию, сигналы управления работой электродвигателей на ответвлениях воздуховода суммируют, включение-отключение блоков повысительных преобразователей напряжения по числу полей электрофильтра контролируют показаниями суммированного сигнала управления работой электродвигателей на ответвлениях воздуховода по количеству открытых шиберных заслонок на ответвлениях воздуховода, показаниями датчика запыленности в воздуховоде на выходе электрофильтра, параметрами работающего электродвигателя дымососа, причем в электрофильтре всегда включено поле, последнее по ходу пылегазовоздушной смеси.
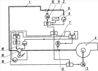
На чертеже изображена структурная схема для реализации данного способа управления работой асинхронного электродвигателя вентиляционно-аспирационной установки.
Система, реализующая способ управления работой асинхронного электродвигателя, включает воздуховод 1 с ответвлениями 2, приводной электродвигатель 3 дымососа с вентилятором 4, вход которого соединен с первым выходом блока 5 управления электродвигателем 3 дымососа с вентилятором 4, шибер дымососа 6, соединенный с электродвигателем 7 шибера дымососа с вентилятором 4, по числу ответвлений воздуховода – датчики запыленности 8, установленные у мест пылеобразования, электрические контакты 9 – схемы запуска электродвигателя, всего технологического агрегата, или блок-контакт магнитного пускателя электропривода этого агрегата, работа которого приводит к пылеобразованию, блоки 10 управления электродвигателями 11 шиберов 12 на ответвлениях 2 воздуховода 1, выход датчика запыленности 8 и электрические контакты 9 схемы запуска электродвигателя соединены с соответствующими им входами блока 10 управления электродвигателем 11 шибера 12 на ответвлениях 2 воздуховода 1. Первый выход блока 10 управления электродвигателем 11 соединен с соответствующим ему входом электродвигателя 11 шибера 12 на ответвлениях 2 воздуховода 1, второй – с соответствующими ему по числу ответвлений входом блока-суммирующего устройства 13. Первый выход блока 13 – суммирующего устройства соединен с соответствующим ему третьим входом блока 14 управления включением-отключением системы из блоков 15 регуляторов повысительных преобразователей напряжения полей электрофильтра 16, второй выход – с соответствующим ему первым входом блока 17 управления электродвигателем шибера 6 дымососа с вентилятором 4, третий выход – с входом блока 5 управления электродвигателем 3 дымососа с вентилятором 4. Первый выход блока 5 управления электродвигателем 3 дымососа с вентилятором 4 соединен с двигателем 3 дымососа с вентилятором 4, второй выход – с соответствующим ему первым входом блока 14 управления включением-отключением системы из блоков 15 регуляторов повысительных преобразователей напряжения полей электрофильтра 16. Первый выход блока 17 управления электродвигателем 7 шибера 6 дымососа с вентилятором 4 соединен с электродвигателем 7 шибера 6 дымососа с вентилятором 4, второй выход – с соответствующим ему четвертым входом блока 14 управления включением-отключением системы из блоков 15 регуляторов повысительных преобразователей напряжения по числу полей электрофильтра 16. Второй вход блока 17 управления электродвигателем 7 шибера 6 дымососа с вентилятором 4 соединен через датчик 18 разряжения в электрофильтре 16 и электрофильтр 16 с соответствующими выходами системы из блоков 15 повысительных преобразователей напряжения по числу полей электрофильтра 16. Выхода системы блоков 15 регуляторов повысительных преобразователей напряжения по числу полей электрофильтра 16 соединены с соответствующими им выходами блока 14 управления включением-отключением блоков 15 регуляторов повысительных преобразователей напряжения по числу полей электрофильтра 16. Датчик 19 запыленности на выходе электрофильтра 16 соединен со вторым входом блока 14 управления включением-отключением системы из блоков 15 регуляторов повысительных преобразователей напряжения полей электрофильтра 16.
Способ осуществляется следующим образом.
Датчики 8 запыленности располагаются непосредственно в местах пылеобразования технологическими агрегатами – у открытых выходов ответвлений 2 воздуховода 1. При запуске технологических агрегатов, управляющий электрический сигнал от датчика 8 запыленности при наличии существенного пылеобразования, либо сигнал от электрического контакта 9 схемы запуска электродвигателя 11, всего технологического агрегата или блок-контакта магнитного пускателя электропривода этого агрегата, работа которого приводит к пылеобразованию, поступают на входы блока 10 управления электродвигателем 11 шибера 12 на ответвлениях 2 воздуховода 1. Выходы блока 10 подключены к электродвигателю 11 шибера 12 на ответвлениях 2 воздуховода 1 (для открывания или закрывания) и к соответствующему ему входу блока 13 – суммирующего устройства, поэтому сигналы от блока 10 одновременно поступают к шиберу 12 электродвигателя 11 на ответвлениях 2 воздуховода 1 и в блок-суммирующее устройство 13. Выходы блока 13 подключены к первому входу блока 17 управления электродвигателем 7 шибера 6 дымососа с вентилятором 4, к входу блока 5 управления приводом электродвигателя 3 дымососа с вентилятором 4 и к блоку 14 управления включением-отключением системы из блоков 15 регуляторов повысительных преобразователей напряжения по числу полей электрофильтра 16. На вход блока 17 поступает также электрический сигнал от датчика 18 контроля и регулирования разряжения в электрофильтре 16, соединенного через электрофильтр 16 с соответствующими им выходами системы из блоков 15 регуляторов повысительных преобразователей напряжения по числу полей электрофильтра 16. Первый выход блока 17 соединен с электродвигателем 7 шибера 6 дымососа с вентилятором 4, для открывания или закрывания шибера 6, второй выход – с блоком 14 управления включением-отключением системы из блоков 15 регуляторов повысительных преобразователей напряжения по числу полей электрофильтра 16. На входы блока 14 управления включением-отключением системы из блоков 15 регуляторов повысительных преобразователей напряжения по числу полей электрофильтра 16, кроме сигналов от блоков 13 и 17, подключены выходные сигналы блока 5 и от датчика 19 запыленности на выходе электрофильтра 16. Выходной сигнал блока 14 подключен к системе из блоков 15 регуляторов повысительных преобразователей напряжения по числу полей электрофильтра 16.
Запуск электродвигателя 3 дымососа с вентилятором 4 происходит только при закрытых положениях шибера 6 дымососа с вентилятором 4 и шибера 12 на ответвлениях 2 воздуховода 1, при наличии сигналов от блоков 13 и 17. При запуске технологических агрегатов, управляющий сигнал от электрического контакта схемы запуска электродвигателя 11, всего технологического агрегата или блок-контакта магнитного пускателя электропривода этого агрегата, работа которого приводит к пылеобразованию, либо от датчиков 8 запыленности у мест пылеобразования, поступает в блок 10 управления электродвигателем 11 шибера 12 на ответвлениях 2 воздуховода 1, происходит открывание шибера 12 на ответвлениях 2 воздуховода 1. Одновременно сигналы от блока 10 поступают в блок-суммирующее устройство 13. Управляющими сигналами для блока 17 управления электродвигателем 7 шибера 6 дымососа с вентилятором 4 служат: сигнал от блока-суммирующего устройства 13, сигнал от датчика 18 разряжения в электрофильтре 16. Открытие шибера 6 дымососа с вентилятором 4 на одно или несколько позиций (положений), в случае ступенчатого изменения положения шибера 6, происходит в зависимости от количества открытых шиберов 12 на ответвлениях 2 воздуховода 1, датчика 18 разряжения в электрофильтре 16. Управляющими сигналами для блока 14 управления включением-отключением системы из блоков 15 регуляторов повысительных преобразователей напряжения по числу полей электрофильтра 16 служат: сигнал из блока 5 управления электродвигателем 3 дымососа с вентилятором 4 при работающем электродвигателе 3, а также сигнал от датчика 19 запыленности на выходе электрофильтра 16, сигнал от блока-суммирующего устройства 13, сигнал от блока 17 управления электродвигателем 7 шибера 6 дымососа с вентилятором 4, причем всегда включено поле многопольного электрофильтра, последнее по ходу пылегазовоздушной смеси, что необходимо для исключения вторичного уноса пыли из электрофильтра 16. Включение в работу одного или нескольких блоков 15 регуляторов повысительных преобразователей напряжения по числу полей электрофильтра 16 происходит в зависимости от количества открытых шиберов 12 на ответвлениях 2 воздуховода 1, от сигнала датчика 19 запыленности на выходе электрофильтра 16.
Способ управления работой асинхронного электродвигателя использованием по числу ответвлений 2 воздуховода 1 – датчиков запыленности 8, установленных у мест пылеобразования, электрических контактов 9 – схемы запуска электродвигателя, всего технологического агрегата, или блок-контакт магнитного пускателя электропривода этого агрегата, работа которого приводит к пылеобразованию, блоков 10 управления электродвигателями 11 шиберов на ответвлениях 2 воздуховода 1 позволяет одновременно управлять работой двигателей 11 шиберов 12, а также режимом работы электродвигателя 3 дымососа с вентилятором 4.
Способ внедрен на дробильно-обжиговом участке ДОЦ ГОП ООО «Управляющая компания ММК» на аспирационной установке, работающей на четырех ответвлениях 2 воздуховода 1, включающей дымосос с вентилятором 4 типа ДН-26×2-0.621, электродвигатель 3 типа ДА304 с-560У-8ДУ1 мощностью 1000 кВт и напряжением питания 10000 вольт, электрофильтр 16 типа ЭГА2-56-12-6-3, при системе из шести блоков 15 регуляторов повысительных преобразователей напряжения трехпольного электрофильтра 16 (по два блока на каждое поле трехпольного электрофильтра 16). Внедрение обеспечило повышение надежности управления, эффективности, качества регулирования работы системы, повышение экономичности работы системы за счет значительного среднесуточного сокращения на 10% электропотребления асинхронными двигателем 3 повышенной (порядка тысяч киловатт – мегаватт) мощности в промышленных условиях образования значительных пылевоздушных объемов.
Формула изобретения
Способ управления работой асинхронными электродвигателями аспирационно-вентиляционных установок, включающий подключение мест пылеобразования технологических агрегатов к магистральному воздуховоду через систему ответвлений с шиберными заслонками, фиксацию положений шиберных заслонок дымососа и на ответвлениях концевыми выключателями, контроль управления работой электродвигателей на ответвлениях воздуховода положением шиберных заслонок, подсоединение воздуховода к электрофильтру, дополнительно технологические параметры контролируют датчиком разрежения в электрофильтре, датчиком запыленности, установленным в воздуховоде на выходе электрофильтра, датчиками запыленности, установленными у мест пылеобразования по числу ответвлений воздуховода, запуск электродвигателя дымососа осуществляют только при закрытом положении шибера заслонки дымососа, открытие шибера дымососа контролируют в зависимости от количества открытых шиберных заслонок на ответвлениях воздуховода и запыленностью в воздуховоде на выходе электрофильтра, работу электродвигателя шибера дымососа контролируют показаниями суммированного сигнала управления работой электродвигателей по числу ответвлений, показаниями датчика контроля и разряжения в электрофильтре, работу электродвигателей шиберных заслонок на ответвлениях воздуховода контролируют как показаниями датчиков запыленности, установленных у мест пылеобразования на ответвлениях воздуховода, так и сигналом от электрического контакта схемы запуска электродвигателей шиберных заслонок на ответвлениях воздуховода или блок-контактом магнитного пускателя электропривода технологического агрегата, приводящего к пылеобразованию, сигналы управления работой электродвигателей на ответвлениях воздуховода суммируют, включение-отключение блоков повысительных преобразователей напряжения по числу полей электрофильтра контролируют показаниями суммированного сигнала управления работой электродвигателей на ответвлениях воздуховода по количеству открытых шиберных заслонок на ответвлениях воздуховода, показаниями датчика запыленности в воздуховоде на выходе электрофильтра, параметрами работающего электродвигателя дымососа, причем в электрофильтре всегда включено поле, последнее по ходу пылегазовоздушной смеси.
РИСУНКИ
|
|