|
|
(21), (22) Заявка: 2007120638/06, 01.06.2007
(24) Дата начала отсчета срока действия патента:
01.06.2007
(46) Опубликовано: 27.12.2008
(56) Список документов, цитированных в отчете о поиске:
RU 2287744 С1, 20.11.2006. RU 42629 U1, 10.12.2004. SU 842347 А, 30.06.1981. US 3936698 А, 03.02.1979. DE 4121874 А1, 07.01.1993.
Адрес для переписки:
420080, г.Казань, ул. Волгоградская, 15, кв.67, В.П. Реуте
|
(72) Автор(ы):
Реута Виктор Павлович (RU), Туктагулов Айдар Фархатович (RU)
(73) Патентообладатель(и):
Реута Виктор Павлович (RU), Туктагулов Айдар Фархатович (RU)
|
(54) БИПОЛЯРНЫЙ ГЕНЕРАТОР ИОНОВ
(57) Реферат:
Генератор предназначен для обработки воздуха в жилых, лечебных, офисных и других обитаемых помещениях. Генератор содержит расположенные в продуваемом корпусе коронирующие и ускоряющие электроды, подключенные к вторичной обмотке высоковольтного трансформатора, низковольтная первичная обмотка которого подключена к одному из выходов мостового переключателя напряжения. Один из входов переключателя подключен к выходу узла управления полярностью высоковольтных импульсов, первый вход которого соединен с выходом низкочастотного генератора импульсов с регулируемой скважностью импульсов. Второй вход подключен к выходу блока управления концентрацией ионов, состоящего мультивибратора и формирователя импульсов. Он снабжен второй группой коронирующих и ускоряющих электродов, аналогичной первой группе таких электродов и расположенной рядом с ней, двумя проводящими перемычками, с помощью которых коронирующие и ускоряющие электроды первой группы электрически соединены с разноименными или одноименными электродами второй группы, а второй вывод первичной обмотки высоковольтного трансформатора непосредственно подключен ко второму выходу мостового переключателя напряжения, второй вход которого соединен с выходом низкочастотного генератора импульсов. Технический результат – упрощение схемы генератора и расширение его функциональных возможностей. 2 ил.
Изобретение относится к технике обработки воздуха в жилых, лечебных, офисных и других обитаемых помещениях, не загазованных вредными примесями, и может быть использовано для обогащения воздуха ионами обоих знаков, снятия электростатических зарядов с различных предметов и одежды людей, очистки воздуха от пыли, бактерий и спор грибков.
Известно много различных по природе физических процессов естественного происхождения, которые участвуют в ионизации окружающего нас воздуха (смотри, например: Н.А.Капцов. Электрические явления в газах и вакууме. Госиздат. Технико-теоретической литературы. М.-Л., 1950 г., стр.222-241, 589-604.) Однако в технике искусственной ионизации воздуха нашли применение, преимущественно, генераторы ионов, в которых ионы создаются либо низко энергетичными -активными изотопами, например, трития, углерода-14 или никеля-63 (смотри, например, SU 106280 А, 1957), либо коронным разрядом между двумя электродами (смотри, например, SU 842347 А, 30.06.1981, В.П.Реута).
Генераторы ионов, в которых используются -активные изотопы, позволяют создавать наиболее близкую по качественному составу к природной искусственно ионизированную атмосферу простыми техническими средствами. Но правила техники безопасности при обращении с радиоактивными материалами, защите их от разрушения, условиям утилизации требуют наличия специальных служб контроля, что делает невозможным широкое применение таких генераторов ионов.
Генераторов ионов, в которых для ионизации воздуха используется коронный разряд между двумя электродами, на которые подается постоянное, пульсирующее или импульсное высоковольтное напряжение, разработано великое множество, но среди них нет ни одного, способного конкурировать по качественному составу создаваемых ионов с радиоактивными генераторами ионов.
В радиоактивных генераторах ионов процесс образования ионов идет непрерывно, причем ионы обоих знаков возникают парами. Одновременно с этим непрерывно идет процесс объемной рекомбинации ионов, при котором ионы разного знака, встречаясь, нейтрализуют заряды друг друга (подробнее об этих процессах смотри, например: Дж. Кэй, Т.Лэ-би. Таблицы физических и химических постоянных. М., Госиздат. физ.-мат. литературы. 1962 г., стр.191-193 – о рекомбинации, и стр.215-216 – об удельной ионизации заряженными частицами).
Наличие объемной рекомбинации ионов не позволяет большей части ионов «состариться» и превратиться в средние и тяжелые ионы, присутствие которых в воздухе нежелательно, если не сказать – вредно, для здоровья, хотя они и участвуют в очистке воздуха от пыли. (О процессах образования и структуре атмосферных ионов подробно написано в статье: Eichmeier J. Beitrag zum Problem der Struktur der atmospharischen Kleinionen. – «Zeitschrift fur Geophysik», 1968, Vol.34, S.297-322).
В конце этой статьи на рис.10 представлена схема процесса образования и структуры легких, средних и тяжелых ионов с указанием величины продолжительности жизни этих ионов.
В известных биполярных генераторах ионов, содержащих расположенные в продуваемом корпусе коронирующие электроды, подключенные к выходным шинам формирователя высоковольтного коронирующего напряжения, ионы создают пачками то одного, то другого знака с длительностью пачек от нескольких минут (смотри, например: US 3936698 А, 03.02.1979) до единиц миллисекунд.
И хотя эти пакеты разнополярных ионов перемещаются потоком воздуха, процесс рекомбинации ионов из этих пакетов начинается с задержкой, что приводит к образованию большого количества средних и тяжелых ионов, поскольку время жизни легких ионов лежит в интервале от 10-4 сек до 100 сек – это время, в течение которого нерекомбинированный легкий ион обязательно столкнется с крупным конгломератом молекул или ядром конденсации и образует средний или тяжелый ион.
С другой стороны, помещения, в которых эксплуатируются генераторы ионов, имеют весьма различные электрические характеристики, что накладывает определенные ограничения на применяемые генераторы ионов. Так в жилых, лечебных и других обитаемых помещениях, где отсутствует работающая оргтехника, синтетическая мебель и синтетические покрытия полов, стен и потолков, желательно использовать генераторы ионов, создающие одинаковое количество ионов обоих знаков в единице объема воздуха. В офисных и других рабочих помещениях, где имеется работающая оргтехника, где имеются синтетические покрытия полов, стен и/или потолков, необходимо применять генераторы ионов с регулируемым соотношением концентраций ионов обоих знаков, способных генерировать заданное избыточное количество ионов такого знака, который противоположен знаку потенциалов паразитных электростатических полей, для нейтрализации которых и предназначено названное избыточное количество тех или иных ионов.
Известен биполярный генератор ионов, содержащий расположенные в продуваемом корпусе коронирующие и ускоряющие электроды, подключенные ко вторичной обмотке высоковольтного трансформатора, низковольтная первичная обмотка которого подключена к одному из выходов мостового переключателя напряжения, соединенного с положительной и общей шинами источника питания, один из входов переключателя подключен к выходу узла управления полярностью высоковольтных импульсов, выполненного, например, на логическом элементе «ИСКЛЮЧАЮЩЕЕ ИЛИ», первый вход которого соединен с выходом низкочастотного генератора импульсов с регулируемой скважностью импульсов, а второй вход подключен к выходу блока управления концентрацией ионов – [смотри: RU 42629 U1, 10.12.2004 (В.П.Реута, А.Ф.Туктагулов)]. У этого генератора ионов простая для реализации схема, но ему присущ ряд недостатков. Это: 1 – в его блоке управления концентрацией ионов применен высокочастотный генератор импульсов с раздельно управляемыми частотой следования выходных импульсов и длительностью этих импульсов, для чего используется один общий времязадающий конденсатор, что накладывает ограничения на ширину диапазона регулируемых концентраций ионов; 2 – наличие вольтодобавочного конденсатора в цепи первичной обмотки трансформатора приводит к появлению на этой обмотке обратных выбросов напряжения при окончании рабочего импульса и переходе конденсатора в режим дозарядки, что приводит к снижению эффективности работы генератора ионов за счет торможения части ионов электрическим полем обратного знака; 3 – генератор ионов способен генерировать ионы только пачками заданной длительности, что приводит к образованию излишнего количества средних и тяжелых ионов.
Наиболее близким по технической сущности является биполярный генератор ионов, содержащий расположенные в продуваемом корпусе коронирующие и ускоряющие электроды, подключенные к вторичной обмотке высоковольтного трансформатора, низковольтная первичная обмотка которого подключена к одному из выходов мостового переключателя напряжения, соединенного с положительной и общей шинами источника питания, один из входов переключателя подключен к выходу узла управления полярностью высоковольтных импульсов, выполненного, например, на логическом элементе «ИСКЛЮЧАЮЩЕЕ ИЛИ», первый вход которого соединен с выходом низкочастотного генератора импульсов с регулируемой скважностью импульсов, а второй вход подключен к выходу блока управления концентрацией ионов, состоящего из последовательно соединенных высокочастотного мультивибратора с регулируемой частотой следования импульсов и формирователя импульсов с регулируемой длительностью по фронту или спаду выходных импульсов мультивибратора [смотри: RU 2287744 С1, 20.11.2006, (В.П.Реута, А.Ф.Туктагулов)]. Этот генератор ионов свободен от первых двух недостатков предыдущего аналога, но ему присущ вышеназванный третий недостаток предыдущего аналога, плюс к этому, устранение второго вышеназванного недостатка предыдущего аналога, связанное с наличием вольтодобавочного конденсатора, произошло за счет заметного усложнения электронной схемы всего генератора ионов. В свою очередь, наличие в обоих вышеназванных аналогах вольтодобавочных конденсаторов объясняется отсутствием на рынке во время разработки этих генераторов ионов высоковольтных трансформаторов с необходимыми параметрами. Единственным приемлемым трансформатором был тогда телевизионный трансформатор ТВС 90П4 (смотри этикетку на этот трансформатор, приложенную к материалам заявки), но его выходное напряжение становилось приемлемым только при его удвоении, для чего и потребовалось вводить вольтодобавочный конденсатор. В настоящее время наши соседи-китайцы заполнили наши рынки специально созданными высоковольтными трансформаторами для ионизаторов воздуха, причем изготовители согласны поставлять трансформаторы с заказанным числом витков в обмотках (смотри этикетку на трансформатор FMB-01, приложенную к материалам заявки), что для нашей промышленности просто немыслимо.
Задачей является упрощение схемы электрической генератора ионов и расширение его функциональных возможностей.
Для этого биполярный генератор ионов, содержащий расположенные в продуваемом корпусе коронирующие и ускоряющие электроды, подключенные к вторичной обмотке высоковольтного трансформатора, низковольтная первичная обмотка которого подключена к одному из выходов мостового переключателя напряжения, соединенного с положительной и общей шинами источника питания, один из входов переключателя подключен к выходу узла управления полярностью высоковольтных импульсов, выполненного, например, на логическом элементе «ИСКЛЮЧАЮЩЕЕ ИЛИ», первый вход которого соединен с выходом низкочастотного генератора импульсов с регулируемой скважностью импульсов, а второй вход подключен к выходу блока управления концентрацией ионов, состоящего из последовательно соединенных высокочастотного мультивибратора с регулируемой частотой следования импульсов и формирователя импульсов с регулируемой длительностью по фронту или спаду выходных импульсов мультивибратора, снабжен второй группой коронирующих и ускоряющих электродов, аналогичной первой группе таких электродов и расположенной рядом с ней, двумя проводящими перемычками, с помощью которых коронирующие и ускоряющие электроды первой группы электрически соединены с разноименными или одноименными электродами второй группы, а второй вывод первичной обмотки высоковольтного трансформатора непосредственно подключен ко второму выходу мостового переключателя напряжения, второй вход которого соединен с выходом низкочастотного генератора импульсов.
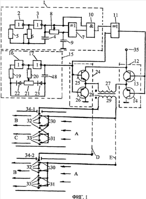
Схема электрическая принципиальная биполярного генератора ионов представлена на фиг.1, где использованы стандартные обозначения элементов. Здесь блок управления концентрацией ионов 1 содержит классический высокочастотный мультивибратор, собранный на инверторах 2 и 3, где выход инвертора 3 через последовательно соединенные времязадающий конденсатор 4 и развязывающий резистор 5 соединен с входом инвертора 2, а общая точка инверторов 2 и 3 подключена к общей точке конденсатора 4 и резистора 5 через потенциометр 6, включенный в реостатном режиме (подробное описание принципов построения и работы такого мультивибратора смотри в книге: Р.Мелен, Г.Гарланд. Интегральные микросхемы на КМОП-структурах. М., «Энергия», 1979 г., стр.105-107, рис.6-1.). Выход инвертора 3, являющийся выходом мультивибратора, соединен со входом формирователя импульсов по фронту выходных импульсов мультивибратора, выполненного на логическом элементе «ИСКЛЮЧАЮЩЕЕ ИЛИ» 7, первый вход которого является входом формирователя, к которому через потенциометр 8 в реостатном включении подсоединен второй вход элемента 7, соединенный дополнительно через времязадающий конденсатор 9 с общей шиной. Выход логического элемента 7 и его первый вход соединены с разными входами логического элемента «2И» 10, выход которого является выходом блока управления концентрацией ионов 1. Если первый вход логического элемента 10 переключить с выхода инвертора 3 на его вход, то на выходе элемента 10 будут появляться импульсы, сформированные не по фронту, а по спаду выходных импульсов мультивибратора [Подробно такой формирователь импульсов описан в SU 1 283 953 А1, 15.01.1987 (В.П.Реута, В.Б.Иванов)]. Выход блока управления концентрацией ионов 1 соединен с первым входом логического элемента «ИСКЛЮЧАЮЩЕЕ ИЛИ» 11, исполняющего роль узла управления полярностью высоковольтных импульсов, выход которого подключен к первому входу мостового переключателя напряжения, в котором роль правого по схеме плеча играет комплементарный эмиттерный повторитель 12,собранный на комплементарной паре транзисторов Дарлингтона 13 и 14. (О транзисторах Дарлингтона смотри: Клод Галле. Полезные советы по разработке и отладке электронных схем. М., «ДМК», 2003 г., стр.63, рис.2-27. 3десь же на стр.106-107 и на рис.2.67 помещена информация о комплементарных эмиттерных повторителях.) Второй вход логического элемента 11 подключен к выходу низкочастотного генератора импульсов 15, собранного на двух последовательно соединенных инверторах 16 и 17, где выход инвертора 17 через последовательно соединенные времязадающий конденсатор 18 и развязывающий резистор 19 подключен ко входу инвертора 16, а общая точка инверторов 16 и 17 через токоограничивающий резистор 20 соединена с движком потенциометра 21, один крайний вывод которого через прямовключенный диод 22, а другой – через обратновключенный диод 23 подключены к общей точке конденсатора 18 и резистора 19 [разные варианты построения генераторов импульсов с регулируемой скважностью импульсов описаны в SU 1 132 340 А, 30.12.1984 (В.П.Реута)]. Выход инвертора 17, являющийся выходом генератора 15, соединен со вторым входом мостового переключателя напряжения, роль левого по схеме плеча которого исполняет комплементарный эмиттерный повторитель 24, собранный на комплементарной паре транзисторов Дарлингтона 25 и 26. Между выходами правого 12 и левого 24 эмиттерных повторителей включена первичная 27 обмотка высоковольтного трансформатора 28, вторичная высоковольтная 29 обмотка которого подключена к первой группе коронирующих 30 и ускоряющих 32 электродов, которые с помощью токопроводящих перемычек соединены с разноименными электродами аналогичной второй группы коронирующих 31 и ускоряющих 33 электродов. Включенные таким образом две группы коронирующих и ускоряющих электродов размещены в продуваемом в направлении стрелок «А» корпусе 34-1, где в направлении стрелок «В» и «С» выходят потоки разнополярно ионизированного воздуха. Альтернативный вариант показан в нижней части фиг.1, где в корпусе 34-2 те же коронирующие 30 и ускоряющие 32 электроды соединены с одноименными электродами второй группы. Здесь в направлении стрелок «В» выходит поток воздуха с ионами то одного, то другого знака. Вариант подключения электродов, показанных в корпусе 34-2, вместо варианта, показанного в корпусе 34-1, может быть осуществлен с помощью условно показанных шин «D» и «Е». Положительное напряжение питания поступает на все элементы схемы генератора ионов через шину питания 35 относительно общей шины.
На фиг.2 представлено стилизованное изображение выходных импульсов в различных точках схемы по фиг.1, где
t – время;
U3, U7, U10, U11, U15, U27 – амплитуда импульсов на выходах элементов и узлов с соответствующим номером.
Работает биполярный генератор ионов следующим образом.
После включения напряжения питания сразу же начинают генерировать непрерывные последовательности импульсов высокочастотный мультивибратор на инверторах 2 и 3 (импульсы U3 на фиг.2) и низкочастотный генератор импульсов 15 (импульсы U15 на фиг.2), причем частота следования выходных импульсов последнего, как правило, на несколько порядков ниже частоты следования выходных импульсов высокочастотного мультивибратора, работающего известным стандартным образом. Выходные импульсы с инвертора 3 поступают непосредственно на первые входы логических элементов 7 и 10, а на второй вход логического элемента 7 эти импульсы проходят через потенциометр 8. Поскольку в начальный момент времени времязадающий конденсатор 9, подключенный к второму входу элемента 7, разряжен, то на выходе логического элемента «ИСКЛЮЧАЮЩЕЕ ИЛИ» 7 появится «единичный» сигнал (U7 по фиг.2), который поступит на второй вход логического элемента «2И» 10, на выходе которого появится также «единичный» сигнал (U10 по фиг.2). Этот сигнал, как выходной сигнал блока управления концентрацией ионов 1, поступит на первый вход логического элемента «ИСКЛЮЧАЮЩЕЕ ИЛИ» 11. После заряда конденсатора 9 через потенциометр 8 до уровня срабатывания логического элемента 7, последний перейдет в «нулевое» состояние на своем выходе. «Нулевыми» станут и выходные сигналы логического элемента 10 и блока 1. После перехода выходного сигнала инвертора 3 в «нулевое» состояние первые входы логических элементов 7 и 10 окажутся под «нулевым» потенциалом, в то время, как второй вход логического элемента 7 продолжает находиться под «единичным» потенциалом заряженного конденсатора 9. В результате этого на выходе логического элемента 7 сформируется «единичный» сигнал, который поступит на второй вход элемента 10, но не пройдет на его выход из-за «нулевого» потенциала на его первом входе. После разряда конденсатора 9 через потенциометр 8 и «нулевой» выход инвертора 3 до уровня срабатывания элемента 7, последний перейдет в «нулевое» состояние на своем выходе. Далее описанный процесс формирования импульсов блоком 1 будет непрерывно продолжаться до тех пор, пока будет включено напряжение питания между шиной 35 и общей шиной. Если первый вход логического элемента 10 переключить с выхода инвертора 3 на его вход, то на выход блока 1 будут передаваться выходные импульсы элемента 7, сформированные по заднему фронту выходных импульсов инвертора 3. Если в это же время внутри генератора 15 на выходе инвертора 17 «единичное» состояние (U15 по фиг.2), то происходит заряд конденсатора 18, через который течет ток заряда с выхода инвертора 17 через диод 23, правую часть потенциометра 21, резистор 20 и через «нулевой» выход инвертора 16 на общую шину. За счет этого тока в общей точке конденсатора 18 и резистора 19 установится в начальный момент «единичное» напряжение, которое через резистор 19 поступит на вход инвертора 16 и будет поддерживать на его выходе «нулевое» состояние. По мере заряда конденсатора 18 зарядный ток и, соответственно, напряжение на входе инвертора 16, будут падать. Как только напряжение на входе инвертора 16 снизится до уровня срабатывания этого инвертора, он опрокинется в «единичное» состояние на своем выходе и переведет инвертор 17 в «нулевое» состояние на его выходе. Так сформируется импульс на выходе инвертора 17 и, соответственно, на выходе генератора 15. Длительность этого импульса определяется постоянной времени заряда конденсатора 18, т.е. сопротивлением в цепи заряда этого конденсатора. Меняя это сопротивление с помощью потенциометра 21, можно менять длительность и, соответственно, скважность выходных импульсов генератора импульсов 15. После перехода инвертора 16 в «единичное» состояние на его выходе, а инвертора 17 – в «нулевое», начнется процесс перезаряда конденсатора 18. Ток перезаряда конденсатора 18 потечет с выхода инвертора 16 через резистор 20, левую часть потенциометра 21, диод 22 и через выход инвертора 17 на общую шину. В процессе перезаряда конденсатора 18 потенциал в общей точке конденсатора 18 и резистора 19 будет расти от начального отрицательного значения в положительную сторону до тех пор, пока не достигнет уровня срабатывания инвертора 16. При достижении этого уровня инвертор 16 опрокинется в «нулевое» состояние на своем выходе и переведет в «единичное» состояние выход инвертора 17, после чего повторится процесс формирования импульса согласно вышеизложенного. Выходные импульсы генератора импульсов 15 поступают на второй вход логического элемента 11 и на вход переключателя 24, а выходные импульсы логического элемента 11 (U11 по фиг.2) поступают на вход переключателя 12. Вид выходных импульсов элемента 11 зависит от комбинации импульсов на его входах, что показано на фиг.2 в виде импульсов U11, поступающих на вход переключателя 12. Примем за положительное направление прохождение тока от начала обмоток 27 и 29 трансформатора 28, обозначенных черными точками, к концам этих обмоток. При «единичном» состоянии выхода генератора импульсов 15 будет поддерживаться «единичное» состояние выхода переключателя 24 и второго входа логического элемента 11, благодаря чему приход «единичных» импульсов на первый вход элемента 11 вызовет появление на его выходе «нулевых» импульсов, которые будут переводить переключатель 12 в «нулевое» состояние на его выходе. При названом состоянии переключателей 12 и 24 от шины питания 35 через открытый транзистор 25, обмотку 27 трансформатора 28 и открытый транзистор 14 на общую шину потечет ток, который сформирует на обмотке 27 положительные импульсы (U27 по фиг.2). Эти импульсы трансформируются в высоковольтную обмотку 29, с которой поступят на первую группу коронирующих 30 и ускоряющих 32 электродов, а также, в зависимости от схемы подключения этих электродов к аналогичным электродам второй группы, в противофазе на аналогичные электроды второй группы коронирующих 31 и ускоряющих 33 электродов для варианта соединения этих электродов, изображенного в корпусе 34-1, или в фазе – для варианта соединения этих электродов, изображенного в корпусе 34-2. При вышеоговоренных условиях в корпусе 34-1 между коронирующими 30 и ускоряющими 32 электродами возникнет отрицательная корона, и воздух, выходящий в направлении стрелок «В», будет ионизирован отрицательными ионами, а между коронирующими 31 и ускоряющими 33 электродами возникнет положительная корона, и воздух, выходящий в направлении стрелок «С», будет ионизирован положительными ионами. А для варианта соединения электродов, изображенного в корпусе 34-2, между коронирующими 30, 31 и ускоряющими 32, 33 электродами возникнет отрицательная корона, и весь воздух, выходящий в направлении стрелок «В», будет ионизирован отрицательными ионами. После окончания «нулевого» импульса на выходе элемента 11 в переключателе 12 откроется транзистор 13, а транзистор 14 закроется, в результате чего обмотка 27 обоими выводами через открытые транзисторы 13 и 25 будет подключена к шине питания 35. Поскольку в течение рабочего импульса в обмотке 27 запасется некоторое количество энергии, то за счет этого через обмотку 27 в том же направлении будет некоторое время течь быстрозатухающий ток разряда обмотки 27, из-за которого задний фронт импульса на обмотке будет «завален» и несколько «растянут» в нижней своей части, что не отразится на качестве работы генератора ионов. В это же время ионизация воздуха прекратится до прихода очередного импульса с выхода элемента 11. Затем процесс ионизации воздуха будет повторяться с приходом каждого очередного импульса с выхода логического элемента 11 до тех пор, пока выходной сигнал генератора импульсов 15 не станет «нулевым». После этого в переключателе 24 закроется транзистор 25 и откроется транзистор 26, а на выходе логического элемента 11 вместо «нулевых» будут формироваться «единичные» импульсы, которые в переключателе 12 будут открывать транзистор 13 и закрывать транзистор 14. В результате этого ток через обмотку 27 во время формирования рабочих импульсов сменит направление на обратное, что приведет к смене полярности импульсов на обмотках 27 и 29 трансформатора 28, а это, в свою очередь, вызовет смену полярности ионов в потоках воздуха, выходящего в направлении стрелок «В» и «С» в обоих вариантах соединения коронирующих и ускоряющих электродов в двух соседних группах. В процессе настройки генератора ионов потенциометром бустанавливают такую частоту следования выходных импульсов мультивибратора в блоке 1, при которой переходные процессы в обмотке 27 занимают меньше половины периода следования названных импульсов, а потенциометром 8 в том же блоке по счетчику ионов выставляют заданную на заданном расстоянии концентрацию ионов в единице объема воздуха. При этом при варианте соединения электродов, изображенном в корпусе 34-1, потенциометром 21 в генераторе импульсов 15 устанавливают скважность выходных импульсов равной двум для равномерного износа коронирующих электродов 30 и 31. А при варианте соединения электродов, изображенном в корпусе 34-2, тем же потенциометром 21 по счетчику ионов устанавливают заданный коэффициент униполярности ионов, т.е. отношение концентрации положительных ионов к концентрации отрицательных ионов в единице объема воздуха, после чего, если есть необходимость, потенциометром 8 корректируют создаваемую генератором ионов концентрацию ионов нужного знака.
Таким образом, в описанном биполярном генераторе ионов электрическая схема значительно проще по сравнению с прототипом, а функциональные возможности шире за счет наличия альтернативных вариантов соединения друг с другом двух групп коронирующих и ускоряющих электродов. При этом вариант соединения электродов, изображенный в корпусе 34-1, предпочтительнее в обитаемых помещениях, где отсутствуют или малы паразитные электростатические поля, т.к. при этом варианте одновременно генерируются ионы обоих знаков, что уменьшает вероятность возникновения средних и тяжелых ионов.
Формула изобретения
Биполярный генератор ионов, содержащий расположенные в продуваемом корпусе коронирующие и ускоряющие электроды, подключенные к вторичной обмотке высоковольтного трансформатора, низковольтная первичная обмотка которого подключена к одному из выходов мостового переключателя напряжения, соединенного с положительной и общей шинами источника питания, один из входов переключателя подключен к выходу узла управления полярностью высоковольтных импульсов, выполненного, например, на логическом элементе «ИСКЛЮЧАЮЩЕЕ ИЛИ», первый вход которого соединен с выходом низкочастотного генератора импульсов с регулируемой скважностью импульсов, а второй вход подключен к выходу блока управления концентрацией ионов, состоящего из последовательно соединенных высокочастотного мультивибратора с регулируемой частотой следования импульсов и формирователя импульсов с регулируемой длительностью по фронту или спаду выходных импульсов мультивибратора, отличающийся тем, что он снабжен второй группой коронирующих и ускоряющих электродов, аналогичной первой группе таких электродов и расположенной рядом с ней, двумя проводящими перемычками, с помощью которых коронирующие и ускоряющие электроды первой группы электрически соединены с разноименными или одноименными электродами второй группы, а второй вывод первичной обмотки высоковольтного трансформатора непосредственно подключен ко второму выходу мостового переключателя напряжения, второй вход которого соединен с выходом низкочастотного генератора импульсов.
РИСУНКИ
|
|