|
|
(21), (22) Заявка: 2007132829/13, 31.08.2007
(24) Дата начала отсчета срока действия патента:
31.08.2007
(46) Опубликовано: 27.12.2008
(56) Список документов, цитированных в отчете о поиске:
RU 2300569 C1, 10.06.2007. Регламент производства спирта из крахмалистого сырья. Часть II. Брагоректификация. Всесоюзный научно-исследовательский институт продуктов брожения. – М., 1978, с.192. RU 2092218 C1, 10.10.1997. RU 2300568 C1, 10.06.2007.
Адрес для переписки:
394000, г.Воронеж, ул. Чапаева, 120, кв.32, С.Ю. Никитиной
|
(72) Автор(ы):
Никитина Светлана Юрьевна (RU)
(73) Патентообладатель(и):
Никитина Светлана Юрьевна (RU)
|
(54) СПОСОБ ПОЛУЧЕНИЯ ЭТАНОЛА
(57) Реферат:
Изобретение относится к производству этанола. Способ предусматривает получение этанола путем вываривания спирта из бражки в бражной колонне с переходом этилового спирта и сопутствующих примесей в бражной дистиллят с паром из этой колонны, очистку бражного дистиллята от головных и промежуточных примесей, включая компоненты сивушного масла, в эпюрационной колонне, работающей по методу гидроселекции. Ректификацию эпюрата осуществляют в спиртовой колонне с отбором фракций сивушного масла, сивушного спирта и непастеризованного спирта. Разгонку фракций головных и промежуточных примесей этилового спирта проводят в разгонной колонне. Дополнительную очистку спирта от головных примесей и метанола осуществляют в колонне концентрирования головных примесей. Этанол дополнительно освобождается от органических кислот и других хвостовых примесей отбором лютерной воды из куба разгонной колонны, а фракция этилового спирта выводится из жидкой фазы тарелок средней зоны выварной части разгонной колонны, и частично направляется в сивушную колонну для дополнительной очистки от промежуточных примесей, и частично возвращается в исходную бражку. Фракции сивушного спирта, сивушного масла спиртовой колонны и подсивушного слоя декантатора разделяются в сивушной колонне. Непастеризованный спирт, фракция из спиртоловушки чистых погонов, фракция из конденсатора сивушной колонны и часть фракции из конденсатора эпюрационной колонны направляются на тарелку питания колонны концентрирования головных примесей. Концентрат головных примесей отбирается из конденсатора указанной колонны, а из ее кубовой части выводится фракция и направляется на тарелку питания спиртовой колонны или в передаточный чан. Изобретение обеспечивает повышение качества спирта и позволяет увеличить его выход. 1 ил., 1 табл.
Изобретение относится к способам получения спирта (этанола).
Известен способ получения этанола, предусматривающий вываривание этилового спирта из бражки в бражной колонне с переходом этилового спирта и сопутствующих примесей в бражной дистиллят с паром из этой колонны и жидкими фракциями из конденсатора сепаратора диоксида углерода и спиртоловушек, выделение примесей из бражного дистиллята в эпюрационной колонне, укрепление и пастеризацию этанола и вывод компонентов сивушного масла из зон их концентрирования в спиртовой колонне, которые ректификуют в сивушной колонне, дополнительное выделение примесей в колонне окончательной очистки (Регламент производства спирта из крахмалистого сырья. Часть II. Брагоректификация. – Всесоюзный научно-исследовательский институт продуктов брожения. – Москва, 1978 г. С.192).
Однако этот способ не обеспечивает возможности повышения качества спирта, так как в процессе эпюрации имеет место неполное выделение метанола, компонентов сивушного масла и других промежуточных примесей. Указанные примеси переходят с эпюратом в спиртовую колонну и частично попадают в конечный продукт, снижая его качество.
Наиболее близким к предлагаемому является способ получения этанола, предусматривающий вываривание спирта из бражки в бражной колонне с переходом этилового спирта и сопутствующих примесей в бражной дистиллят с паром из этой колонны, очистку бражного дистиллята от головных и промежуточных примесей в эпюрационной колонне с подачей горячей воды на ее верхнюю тарелку, ректификацию эпюрата в спиртовой колонне с отбором фракций сивушного масла, сивушного спирта и непастеризованного спирта, разгонку фракций головных и промежуточных примесей этилового спирта в разгонных колоннах. Этиловый спирт дополнительно очищают в отгонных частях эпюрационной и разгонной колонн путем отбора фракций сивушного масла из паровой фазы тарелок их средних зон, а также от органических кислот и других хвостовых примесей, которые отводят с лютерной водой из кубов эпюрационной и разгонной колонн, эпюрат укрепляют, отбирают из жидкой фазы нижних тарелок выварной части эпюрационной колонны и направляют на тарелку питания спиртовой колонны, из жидкой фазы нижних тарелок выварной части разгонной колонны выводят фракцию этилового спирта и подают на питательную тарелку эпюрационной колонны, фракции из конденсаторов спиртовой, метанольной колонн и спиртоловушки чистых погонов направляют на тарелку питания дополнительной колонны, из конденсатора которой отбирают концентрат головных примесей, а кубовую жидкость подают на тарелку питания спиртовой колонны (патент РФ №2300569).
Однако этот способ предусматривает ввод в разгонную колонну фракций, обогащенных головными и промежуточными примесями, которые при высоком их концентрировании могут взаимодействовать между собой, образуя новые соединения, зачастую ухудшающие органолептические показатели готовой продукции. Кроме того, сравнительно малое число тарелок в каждой функциональной зоне этой колонны не обеспечивает глубокой очистки спирта от ряда примесей и требует большого отбора фракции концентрата головных и промежуточных примесей с последующим выводом ее из системы брагоректификации.
Техническим результатом изобретения является повышение выхода и качества ректификованного спирта.
Это достигается тем, что в способе получения этанола, предусматривающем вываривание спирта из бражки в бражной колонне с переходом этилового спирта и сопутствующих примесей в бражной дистиллят с паром из этой колонны, очистку бражного дистиллята от головных и промежуточных примесей в эпюрационной колонне, работающей по методу гидроселекции, ректификацию эпюрата в спиртовой колонне с отбором фракций сивушного масла, сивушного спирта и непастеризованного спирта, разгонку фракций головных и промежуточных примесей этилового спирта в разгонной колонне, дополнительную очистку спирта от головных примесей и метанола в колонне концентрирования головных примесей, производят отбор лютерной воды из куба разгонной колонны для дополнительной очистки от органических кислот и других хвостовых примесей, фракцию этилового спирта выводят из жидкой фазы тарелок средней зоны выварной части этой колонны и 2/3 ее части направляют в сивушную колонну для дополнительной очистки от промежуточных примесей, а 1/3 часть возвращают в исходную бражку, фракции сивушного спирта, сивушного масла спиртовой колонны и подсивушного слоя декантатора разделяют в сивушной колонне, непастеризованный спирт, фракцию из спиртоловушки чистых погонов, фракцию из конденсатора сивушной колонны, часть фракции из конденсатора эпюрационной колонны направляют на тарелку питания колонны концентрирования головных примесей, из конденсатора этой колонны отбирают концентрат головных примесей, а фракцию из ее кубовой части выводят и направляют на тарелку питания спиртовой колонны или в передаточный чан.
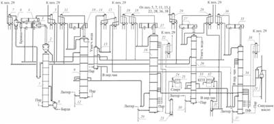
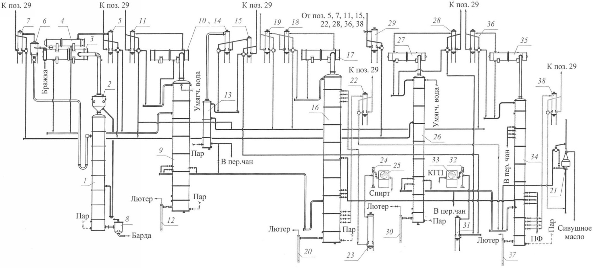
На чертеже представлена технологическая схема брагоректификации, поясняющая предлагаемый способ.
Исходная бражка нагревается в дефлегматоре (3), подается в сепаратор CO2 (6), где из нее выделяется диоксид углерода, содержащий пары летучих веществ бражки. Диоксид углерода очищается конденсацией паров в конденсаторе (7) и выводится из брагоректификационной установки, а образовавшийся конденсат, содержащий значительные количества метанола, сложных эфиров, альдегидов, сивушного масла и других примесей, направляется в среднюю зону разгонной колонны (26).
Отсепарированная бражка подается на питательную тарелку бражной колонны (1), где из нее вываривается этиловый спирт и летучие примеси. Пар с верхней тарелки бражной колонны (1) поступает в пеноловушку (2), откуда направляется в дефлегматор (3), (4), где в процессе его конденсации осуществляется концентрирование головных и промежуточных примесей, которые выводятся с фракцией из конденсатора (5) и направляются в среднюю зону разгонной колонны (26). Барда отводится через бардорегулятор (8) и направляется в бардоприемники.
Бражным дистиллятом из дефлегматоров (3, 4) и конденсатора (5) питается эпюрационная колонна (9), оснащенная дефлегматором (10) и конденсатором (11). На верхние тарелки эпюрационной колонны (9) подается горячая вода, что увеличивает коэффициенты испарения всех примесей этилового спирта. Компоненты сивушного масла и другие промежуточные примеси приобретают головной характер на всех тарелках этой колонны, поэтому здесь осуществляется глубокая очистка этилового спирта от головных примесей, сивушного масла и других промежуточных примесей, которые отбираются с фракцией из конденсаторов и направляются частично в среднюю зону разгонной колонны (3/4) (26) и частично – на питательную тарелку колонны концентрирования головных примесей (1/4) (13). Из кубовой части колонны (9) через гидрозатвор (12) выводится лютер, полностью освобожденный от этилового спирта, из жидкой фазы нижних тарелок укрепляющей части этой колонны выводится эпюрат и направляется в спиртовую колонну (16). Данный технологический прием позволяет дополнительно очистить спирт от хвостовых примесей, а также повысить крепость эпюрата, сокращая нагрузку по жидкой фазе на ректификационную колонну.
В спиртовой колонне (16) с дефлегматором (17) и конденсатором (18) осуществляется концентрирование эпюрата и его очистка от головных, промежуточных и хвостовых примесей. Из паровой фазы тарелок выварной части колонны отбираются фракции сивушного масла и направляются в конденсатор (22), из жидкой фазы нижних тарелок укрепляющей части колонны выводится фракция сивушного спирта и направляется совместно с подсивушным слоем декантатора (21) в сивушную колонну (34). Из конденсатора (18) выводится фракция непастеризованного спирта и подается совместно с фракцией из спиртоловушки чистых погонов (19) и конденсатора эпюрационной колонны (11) на тарелку питания колонны концентрирования головных фракций (13). Из жидкой фазы верхних тарелок укрепляющей части колонны (16) отбирается ректификованный спирт и через холодильник (23), эпруветку (24) и спиртоизмеряющий аппарат (25) направляется в спиртоприемное отделение. Из кубовой части колонны (16) через гидрозатвор (20) выводится лютер.
В разгонной колонне (26) с дефлегматором (27) и конденсатором (28) производится разделение фракций из конденсаторов бражной, эпюрационной колонн, конденсатора сепаратора CO2, спиртоловушки грязных погонов (29). Головные и промежуточные примеси отбираются из конденсатора (28) разгонной колонны в виде концентрата головных примесей (КГП) и через холодильник (31), эпруветку (32) и спиртоизмеряющий аппарат (33) выводятся из системы. Фракция этилового спирта из жидкой фазы тарелок средней зоны выварной части колонны отводится в сивушную колонну (2/3) (34) и в передаточный чан (1/3), а кубовая жидкость колонны (26) через гидрозатвор (30) выходит в канализацию.
Сивушная колонна (34) с дефлегматором (35) и конденсатором (36) предназначена для выделения этилового спирта из фракций, содержащих промежуточные примеси. Фракции сивушного масла и сивушного спирта колонны вводятся на питательную тарелку колонны. Сивушное масло концентрируется в выварной части, откуда отбирается из паровой фазы, поступает в сивушный конденсатор (38), а затем – в декантатор (21), верхний подсивушный слой возвращается в колонну (34). Из жидкой фазы нижних тарелок укрепляющей части колонны выводится промежуточная фракция (ПФ) и удаляется из промышленного цикла. Из жидкой фазы верхних тарелок концентрационной зоны колонны выводится фракция этилового спирта, очищенного от головных и промежуточных примесей, и возвращается в бражку. Из кубовой части через гидрозатвор (37) в канализацию выводится лютер, полностью освобожденный от этилового спирта. Из конденсатора (36) сивушной колонны выводится фракция, обогащенная метанолом и головными примесями, и направляется в колонну концентрирования головных примесей (13).
Колонна концентрирования головных примесей (13) предназначена для дополнительной очистки этилового спирта от метанола и головных примесей, которые концентрируются в укрепляющей части, дефлегматоре (14), отбираются из конденсатора (15) и направляются совместно с фракцией из конденсатора (28) разгонной колонны в спиртоприемное отделение. Из кубовой части колонны (13) выводится фракция этилового спирта и возвращается в передаточный чан либо на питательную тарелку спиртовой колонны.
По известному способу не предусмотрена очистка фракции из жидкой фазы средней зоны выварной части разгонной колонны, что отрицательно влияет на качество ректификованного спирта. Данная фракция содержит значительные количества азотистых, сернистых, непредельных соединений, компонентов сивушного масла и т.д., которые, возвращаясь в эпюрационную колонну, концентрируются, химически взаимодействуют, закольцовываются в промышленном цикле.
По предлагаемому способу часть фракции (1/3), отбираемой из жидкой фазы верхних тарелок отгонной части разгонной колонны, очищенная от органических кислот и других хвостовых примесей, направляется на повторную переработку в передаточный чан, а оставшаяся часть (2/3) поступает в сивушную колонну для дополнительного извлечения промежуточных примесей, что повышает качество конечного продукта по сравнению с известным способом.
По известному способу фракцию из конденсатора сивушной колонны направляют в верхнюю часть эпюрационной колонны или выводят из системы брагоректификации. Первый способ повышает крепость этилового спирта на тарелках эпюрационной колонны, снижая эффективность извлечения промежуточных примесей, второй – снижает выход ректификованного спирта.
По предлагаемому способу фракцию из конденсатора сивушной колонны направляют в колонну концентрирования головных примесей для дополнительной очистки от головных примесей и метанола, что повышает выход и качество готовой продукции по сравнению с известным способом.
По известному способу фракцию, отобранную из конденсатора эпюрационной колонны, направляют на питательную тарелку разгонной колонны, работающей по методу глубокой гидроселекции. Данный технологический прием приводит к закольцовыванию метилового спирта в системе брагоректификации.
По предлагаемому способу данная фракция разделяется на две части. Одна (3/4) направляется в разгонную колонну, а вторая (1/4) – в колонну концентрирования головных примесей, что снижает содержание метанола в готовой продукции.
Сравнительные показатели процесса получения ректификованного спирта согласно прототипу и предлагаемому способу отражены в примерах 1, 2 и представлены в таблице.
Пример 1. Ректификованный спирт получают согласно прототипу.
Пример 2. Ректификованный спирт получают согласно предлагаемому способу.
Как следует из приведенных примеров, предлагаемый способ позволяет выводить из системы брагоректификации больше примесей, получать ректификованный спирт лучшего качества и с меньшими затратами по сравнению с известным способом.
| Таблица |
| Показатели процесса брагоректификации |
Пример 1 |
Пример 2 |
| в расчете на абсолютный спирт |
|
|
| Примеси в конечном продукте, мг/дм3 |
| Сложные эфиры |
следы |
следы |
| Альдегиды |
0.5 |
следы |
| Изоамиловый спирт |
следы |
следы |
| Изобутиловый спирт |
следы |
следы |
| Н.пропиловый спирт |
следы |
следы |
| Изопропиловый спирт |
0.5 |
0.4 |
| Метиловый спирт |
0,005 |
0,002 |
| Органические кислоты |
8.0 |
4.0 |
| Проба Ланга, мин |
| |
24 |
28 |
| Выход ректификованного спирта (из расчета на абсолютный спирт), % |
| |
97 |
99 |
Формула изобретения
Способ получения этанола, предусматривающий вываривание спирта из бражки в бражной колонне с переходом этилового спирта и сопутствующих примесей в бражной дистиллят с паром из этой колонны, очистку бражного дистиллята от головных и промежуточных примесей в эпюрационной колонне, работающей по методу гидроселекции, ректификацию эпюрата в спиртовой колонне с отбором фракций сивушного масла, сивушного спирта и непастеризованного спирта, разгонку фракций головных и промежуточных примесей этилового спирта в разгонной колонне, дополнительную очистку спирта от головных примесей и метанола в колонне концентрирования головных примесей, отличающийся тем, что производят отбор лютерной воды из куба разгонной колонны для дополнительной очистки от органических кислот и других хвостовых примесей, фракцию этилового спирта выводят из жидкой фазы тарелок средней зоны выварной части этой колонны и 2/3 ее части направляют в сивушную колонну для дополнительной очистки от промежуточных примесей, а 1/3 часть возвращают в исходную бражку, фракции сивушного спирта, сивушного масла спиртовой колонны и подсивушного слоя декантатора разделяют в сивушной колонне, непастеризованный спирт, фракцию из спиртоловушки чистых погонов, фракцию из конденсатора сивушной колонны, часть фракции из конденсатора эпюрационной колонны направляют на тарелку питания колонны концентрирования головных примесей, из конденсатора этой колонны отбирают концентрат головных примесей, а фракцию из ее кубовой части выводят и направляют на тарелку питания спиртовой колонны или в передаточный чан.
РИСУНКИ
|
|