|
|
(21), (22) Заявка: 2007112865/06, 06.04.2007
(24) Дата начала отсчета срока действия патента:
06.04.2007
(46) Опубликовано: 20.12.2008
(56) Список документов, цитированных в отчете о поиске:
SU 1807003 А, 07.04.1993. RU 38448 U1, 15.04.2004. RU 58940 U1, 10.12.2006. EP 0677315 A, 18.10.1995. CA 1257019 A, 04.09.1989.
Адрес для переписки:
432027, г.Ульяновск, Северный Венец, 32, ГОУ ВПО “Ульяновский государственный технический университет”, проректору по научной работе
|
(72) Автор(ы):
Шарапов Владимир Иванович (RU), Горбань Татьяна Сергеевна (RU)
(73) Патентообладатель(и):
Государственное образовательное учреждение высшего профессионального образования “Ульяновский государственный технический университет” (RU)
|
(54) СПОСОБ ПОДГОТОВКИ ВОДЫ ДЛЯ ТЕПЛОЭНЕРГЕТИЧЕСКИХ УСТАНОВОК
(57) Реферат:
Изобретение предназначено для подготовки воды и может быть использовано в котельных. Способ подготовки воды для теплоэнергетических установок заключается в том, что исходную воду подогревают перед осветлителем, заданную температуру исходной воды поддерживают с помощью регулирования расхода греющего агента на подогреватель исходной воды и определяют ее исходя из состава исходной воды. Заданную температуру исходной воды поддерживают посредством регулирования расхода греющего агента на подогреватель исходной воды при подаче сигнала от датчика температуры исходной воды перед осветлителем. Исходную воду, поступающую в осветлитель, нагревают в водоподогревателе греющим агентом. Изобретение обеспечивает повышение качества и экономичности подготовки воды. 1 ил.
Изобретение относится к области теплоэнергетики и может быть использовано в котельных и на тепловых электростанциях.
Известны аналоги – способы подготовки воды для теплоэнергетических установок, по которым исходную воду подогревают перед осветлителем (Кострикин Ю.М. Водоподготовка и водный режим энергообъектов низкого и среднего давления: Справочник / Ю.М.Кострикин, Н.А.Мещерский, О.В.Коровина. – М.: Энергоатомиздат, 1990, стр.13).
К причинам, препятствующим достижению указанного ниже технического результата при использовании известного способа, принятого в качестве прототипа, относится пониженное качество работы осветлителя из-за невозможности строгого поддержания оптимального значения температуры. Качество подготовки воды снижается из-за возможных отклонений температур выше и ниже допустимых норм, что ведет к нарушению взвешенного слоя осадка и повышению мутности воды.
Техническим результатом, достигаемым заявленным решением, является повышение качества и экономичности подготовки воды для теплоэнергетической установки.
Для достижения этого результата предложен способ подготовки воды для теплоэнергетических установок, по которому исходную воду подогревают перед осветлителем.
Особенность заявляемого способа заключается в том, что заданную температуру исходной воды поддерживают с помощью регулирования расхода греющего агента на подогреватель исходной воды по температуре воды перед осветлителем, а заданную температуру исходной воды определяют исходя из состава исходной воды и технико-экономических соображений.
Новый способ подготовки исходной воды для осветлителя позволяет повысить качество подготовки подпиточной воды благодаря точному поддержанию заданной температуры исходной воды осветлителя при использовании температуры в качестве управляющего импульса для регулирования расхода греющего агента на подогреватель исходной воды.
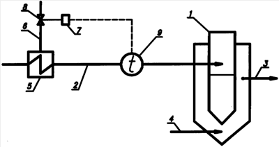
На чертеже представлена принципиальная схема установки, поясняющая способ.
Установка содержит осветлитель 1, подключенные к нему трубопроводы исходной воды 2, осветленной воды 3 и подачи коагулянта 4. На трубопроводе исходной воды 2 установлен подогреватель исходной воды 5, к которому подключен трубопровод 6 греющего агента. Имеется регулятор температуры 7, связанный с регулирующим органом 8, установленным на трубопроводе 6 греющего агента и с датчиком 9 температуры исходной воды, установленным на трубопроводе 2 исходной воды после точки подключения подогревателя исходной воды 5.
Способ состоит из следующих операций. Исходную воду нагревают до заданной температуры с помощью подогревателя исходной воды 5. От датчика 9 температуры исходной воды подают сигнал на регулятор 7 температуры. При отклонении температуры от заданной оптимальной величины от регулятора 7 температуры подают сигнал на регулирующий орган 8. С помощью регулирующего органа 8 изменяется расход греющего агента, подаваемого по трубопроводу 6 греющего агента, и тем самым восстанавливают температуру исходной воды до величины, необходимой и достаточной для поддержания слоя взвешенного осадка в спокойном состоянии. Во всех режимах работы, независимо от расхода воды, с помощью регулятора 7 температуры поддерживают заданную температуру воды, которую определяют исходя из состава исходной воды и технико-экономических соображений: так, в ряде случаев для эффективного и экономичного осветления поддерживают заданную температуру исходной воды 20±1°С, а в других случаях – 35±1°С.
Формула изобретения
Способ подготовки воды для теплоэнергетических установок, по которому исходную воду подогревают перед осветлителем, заданную температуру исходной воды поддерживают с помощью регулирования расхода греющего агента на подогреватель исходной воды и определяют ее исходя из состава исходной воды, отличающийся тем, что заданную температуру исходной воды поддерживают посредством регулирования расхода греющего агента на подогреватель исходной воды при подаче сигнала от датчика температуры исходной воды перед осветлителем.
РИСУНКИ
MM4A – Досрочное прекращение действия патента СССР или патента Российской Федерации на изобретение из-за неуплаты в установленный срок пошлины за поддержание патента в силе
Дата прекращения действия патента: 07.04.2009
Извещение опубликовано: 20.09.2010 БИ: 26/2010
|
|