|
|
(21), (22) Заявка: 2006115701/06, 05.10.2004
(24) Дата начала отсчета срока действия патента:
05.10.2004
(30) Конвенционный приоритет:
07.10.2003 NO 20034489
(43) Дата публикации заявки: 27.11.2007
(46) Опубликовано: 20.12.2008
(56) Список документов, цитированных в отчете о поиске:
SU 1032268 A, 30.07.1983. RU 2156715 C1, 27.09.2000. RU 2242669 C2, 20.12.2004. RU 2241900 C2, 10.12.2004. RU 2191888 C2, 27.10.2002. SU 1808069 A1, 07.04.1993. US 6092603 A, 25.07.2000.
(85) Дата перевода заявки PCT на национальную фазу:
10.05.2006
(86) Заявка PCT:
NO 2004/000294 (05.10.2004)
(87) Публикация PCT:
WO 2005/040670 (06.05.2005)
Адрес для переписки:
103735, Москва, ул. Ильинка, 5/2, ООО “Союзпатент”, пат.пов. Ю.В.Облову, рег.№ 905
|
(72) Автор(ы):
БЁРРЕХЁУГ Арне (NO)
(73) Патентообладатель(и):
АКЕР КВЕРНЕР ТЕКНОЛОДЖИ А.С. (NO)
|
(54) СИСТЕМА ДЛЯ УМЕНЬШЕНИЯ СКОПЛЕНИЯ ЖИДКОСТИ В ТРУБОПРОВОДЕ С МНОГОФАЗНЫМ ПОТОКОМ
(57) Реферат:
Изобретение относится к добыче природного газа из офшорной добывающей установки, подводной или на платформе. Система для уменьшения скопления жидкости в трубопроводе (10) для транспортировки многофазного потока между добывающей газ установкой (4) и обрабатывающей указанный газ установкой (6), содержащая первую ловушку для конденсата и входной сепаратор (14) для отделения жидкости от газа, содержит линию (30; 30′, 12, 22) рециркуляции, первый конец которой выполнен с возможностью избирательного (32; 32′, 33, 33′) соединения с потоком на стороне выхода газа из первой ловушки для конденсата и входного сепаратора (14), и второй конец которой выполнен с возможностью избирательного (24) соединения с трубопроводом (10) у добывающей установки, при этом выбранное количество газа под давлением (28; 40) избирательно (33, 33′) пропускается из обрабатывающей установки (6) в трубопровод (10) у добывающей установки (4) для увеличения скорости газа в трубопроводе (10) и действия вытеснения между жидкостью и газом для уменьшения скопления жидкости в трубопроводе (10). Изобретение также относится к применению упомянутой системы для управления скопившейся жидкостью в системе трубопроводов после остановки добычи и перед новым запуском. Изобретение обеспечивает уменьшение скопления жидкости в системе трубопроводов с высокими скоростями слива. 2 н. и 12 з.п. ф-лы, 10 ил.
Изобретение относится к добыче природного газа из офшорной добывающей установки, подводной или на платформе. В частности, оно относится к системе для уменьшения скопления жидкости в трубопроводе с многофазным потоком, в частности, в соединении с уменьшением добычи. Более точно, изобретение относится к системе для уменьшения скопления жидкости в трубопроводе для транспортировки многофазного потока между добывающей газ установкой и обрабатывающей указанный газ установкой, при этом обрабатывающая установка содержит первую ловушку для конденсата и входной сепаратор для отделения жидкости от газа.
В последние годы найдено много газовых месторождений глубоко под водой, и они предназначены для добычи посредством обеспечения потока газа непосредственно с месторождения под действием давления в пласте. Как правило, газ содержит некоторое количество жидкости, которая может быть конденсированной водой, добываемой водой, ингибитором гидратообразования или газовым конденсатом. Поэтому понятие «двухфазный поток» или «многофазный поток» используется для обозначения условий в офшорных трубопроводах.
Ближайшим аналогом заявленного изобретения является известная из US 4579565 (опубл. 01.04.1986) система для уменьшения скопления жидкости в трубопроводе для транспортировки многофазного потока между добывающей газ установкой и обрабатывающей указанный газ установкой, при этом обрабатывающая установка содержит первую ловушку для конденсата и входной сепаратор для отделения жидкости от газа.
На фиг.1 показана типичная система для газового месторождения этого вида. Устья скважин с фонтанными арматурами и коллекторами расположены в установке 4 на дне моря над пластом 2, при этом трубопроводы 10, 12 проходят по дну моря к терминалу 6 на суше или на платформе в мелкой воде, где газ обрабатывают до желаемого качества для дальнейшей транспортировки и продажи. На фиг.1 показана доставка на сушу газа через, по меньшей мере, два трубопровода.
В двухфазном потоке жидкость вследствие поверхностных явлений между фазами вытесняется газом (вытеснение жидкости). Чем больше скорость газа, тем больше эффект вытеснения. Жидкая фаза в двухфазном потоке течет с меньшей скоростью, чем газовая фаза, и в результате происходит скопление жидкости в трубопроводе до наступления равновесия между действием вытеснения и инерцией жидкости. Эта точка равновесия также сильно зависит от профиля трубопровода. В случае трубопроводов, которые возвышаются между месторождением и береговым терминалом, скорость жидкости уменьшается, поскольку жидкость имеет тенденцию к стеканию назад. Однако в этом случае также присутствует действие вытеснения, хотя точка равновесия достигается при большем скоплении жидкости.
При данной скорости газа количество жидкости, скапливающейся в трубопроводе, напрямую зависит от состава жидкости, скорости жидкости и градиента трубопровода. На фиг.1 показан пример большого градиента в первой части трубопровода, за которой следует более плавный путь в направлении берегового терминала.
На фиг.2 показан пример вычисления условий в системе трубопроводов, показанной на фиг.1, при этом показана зависимость скопления жидкости от скорости газа. Пример представляет трубопровод диаметром 24 дюйма (610 мм) со скоростью жидкости (вода и моноэтиленгликоль (MEG)) около 75 Sm3/миллион Sm3 газа. На первых 15 км трубопровод поднимается из глубины океана около 650 м до 100 м (линия средней глубины воды). На следующих 30 км трубопровод поднимается из глубины 100 м до +10 м над уровнем моря (линия магистрали). Трубопровод рассчитан на пропускную способность 20 миллионов Sm3 в сутки (расчетный поток).
Как показано на фиг.2, расчеты показывают количество скапливающейся жидкости около 100 м3 в обоих отрезках трубы, когда трубопровод осуществляет подачу с полной производительностью. Если скорость потока уменьшить на 50%, то количество скопившейся жидкости увеличивается почти вдвое в обоих отрезках трубопровода. Уменьшение до 30% приводит к количеству жидкости 800 м3 в крутой части и около 400 м3 в менее крутой части, в целом 1200 м3. Соответствующие цифры для уменьшения до 20% скорости потока составляют 800 м3 и 1550 м3, в целом 2350 м3. Следует отметить, что для практических целей используемый для вычислений инструмент моделирования является неточным для небольших скоростей потока, и поэтому величины, вычисленные в этом диапазоне, необходимо значительно увеличивать перед использованием при конструировании оборудования.
Когда пропускную способность трубопровода, который работает с небольшой скоростью потока, необходимо увеличить за счет более высокой скорости, то разница объемов скопившейся жидкости между двумя рабочими режимами эвакуируется из системы трубопровода. Например, увеличение с 30% потока до полной пропускной способности приводит к сливу около 1000 м3 дополнительно к количеству добываемой жидкости. Скорость слива является максимальной в начале увеличения потока; уже при 50% потоке 800 м3 жидкости из общего количества 1000 м3 будет удалено из системы.
В точке, где трубы входят в береговой терминал, должны быть предусмотрены накопители жидкости для приема таких дополнительных объемов слива, так называемые «ловушки для конденсата». Их размеры обычно определяют на основе ожидаемого объема слива и желаемого времени для увеличения пропускной способности, и могут быть блоками с большими размерами.
На размеры ловушек для конденсата может оказывать влияние производительность обработки береговой установки по потоку за ловушкой для конденсата. Однако желательно ограничивать эту производительность до минимума сверх расчетной нагрузки установки.
Желательно уменьшать скопление жидкости в системе трубопроводов с соответствующими высокими скоростями слива, что уменьшает необходимые размеры ловушек для конденсата системы и ограничивает требуемую чрезмерную пропускную способность системы для обработки жидкости по потоку ниже ловушки для конденсата. Уменьшенное скопление жидкости означает уменьшение размеров ловушек для конденсата и уменьшение пропускной способности сепаратора жидкости (для отделения конденсата от смеси воды и MEG), уменьшение баков для хранения смеси воды и MEG и регенерированного MEG, и уменьшение потребности в мощности для регенерации MEG.
Поэтому желательно, чтобы система трубопровода работала с высокой пропускной способностью, так чтобы сохранялось хорошее вытеснение жидкости.
Однако не всегда возможно обеспечивать работу системы с желаемой высокой производительностью. Экспортные возможности (обрабатывающей установки) могут быть ограничены, или же другие обстоятельства могут вызывать перекрытие части или всей системы добычи.
В транспортировочных системах с двойным трубопроводом скорости потока ниже 50% полной пропускной способности обычно означают, что весь газ проходит через один из трубопроводов для сохранения хорошего вытеснения жидкости и минимального скопления жидкости в используемом трубопроводе. Поэтому, когда скорость добычи является низкой, то один трубопровод «простаивает».
Как показано на фиг.2, имеется явная точка, в которой скорость скопления жидкости резко увеличивается при уменьшении скорости потока; в показанном примере – при около 50% пропускной способности трубопровода.
Поэтому желательно сохранять поток газа через трубопровод над этой точкой, например, по меньшей мере, при 60-70% пропускной способности трубопровода.
Данное изобретение решает указанную выше проблему и обеспечивает достижение желаемых целей посредством системы для уменьшения скопления жидкости в трубопроводе для транспортировки многофазного потока между добывающей газ установкой и обрабатывающей указанный газ установкой, при этом обрабатывающая установка содержит первую ловушку для конденсата и входной сепаратор для отделения жидкости от газа. Система согласно изобретению характеризуется тем, что имеет линию рециркуляции, которую на ее первом конце можно избирательно соединять с потоком на стороне выхода газа из первой ловушки для конденсата и входного сепаратора, и которую на ее втором конце можно избирательно соединять с трубопроводом у добывающей установки, причем выбранное количество газа под давлением можно избирательно пропускать из обрабатывающей установки в трубопровод у добывающей установки для увеличения скорости газа в трубопроводе и действия вытеснения между жидкостью и газом для уменьшения скопления жидкости в трубопроводе.
Предпочтительные варианты выполнения системы согласно изобретению следуют из зависимых пунктов прилагаемой формулы изобретения.
Изобретение обеспечивает уменьшенное скопление жидкости в системе трубопроводов с соответствующими высокими скоростями слива, что приводит к уменьшению требуемых размеров для различных указанных выше систем. Цель изобретения достигается посредством эксплуатации системы трубопроводов с высокой пропускной способностью, так что сохраняется действие хорошего вытеснения.
За счет рециркуляции газа из берегового терминала обратно к исходной точке трубопровода в месторождении через «простаивающий» трубопровод можно сохранять поток газа через трубопровод выше 50% пропускной способности линии, например на уровне 60-70% пропускной способности линии. Рециркуляцию начинают, когда количество добываемого газа уменьшается до желаемого потока. Добычу уменьшают далее до желаемого экспортного объема, в то время как скорость рециркуляции увеличивают для сохранения объемного потока в первом трубопроводе.
Такая рециркуляция газа обратно к исходной точке офшорных трубопроводов требует в системах, где поток из пласта приводится в движение к берегу лишь давлением пласта, чтобы газ рециркуляции входил в линию рециркуляции с давлением, незначительно превышающим давление прихода, посредством сжатия газа рециркуляции в отдельном компрессоре рециркуляции, или же, не обязательно, за счет использования экспортного компрессора. Однако потребность в мощности ограничена, поскольку необходимо компенсировать лишь потери на трение в двух трубопроводах, а не потерю давления вследствие изменения угла возвышения. Кроме того, потери на трение меньше, чем при полной скорости потока, особенно в линии рециркуляции.
Один вариант выполнения системы можно использовать, когда компрессорная станция установлена в качестве части офшорной системы трубопроводов. Достаточное для рециркуляции давление создается в компрессорной станции, а в береговом терминале поток разделяют на газ добывающего трубопровода и газ рециркуляции.
Ниже приводится подробное описание варианта выполнения изобретения со ссылками на прилагаемые чертежи, на которых аналогичные части обозначены одинаковыми позициями, и на которых изображено:
фиг.1 – контур подводного месторождения газа, трубопроводы от месторождения к берегу и береговые установки;
фиг.2 – пример вычисления скопления жидкости в зависимости от скорости газа;
фиг.3 – блок-схема первого варианта выполнения системы согласно изобретению;
фиг.4 – система, согласно фиг.3, в состоянии, когда оба трубопровода транспортируют газ из пласта;
фиг.5 – система, согласно фиг.3, при осуществлении способа согласно изобретению;
фиг.6 – блок-схема второго предпочтительного варианта выполнения системы, согласно изобретению;
фиг.7 – система, согласно фиг.6, в состоянии, когда оба трубопровода транспортируют газ из пласта;
фиг.8 – система, согласно фиг.6, при осуществлении способа согласно изобретению;
фиг.9 – блок-схема третьего предпочтительного варианта выполнения системы согласно изобретению;
фиг.10 – пример добывающей системы, в которой используются система и способ, согласно изобретению.
Как указывалось выше, на фиг.1 показаны типичная система для газового месторождения и обрабатывающая установка, где можно использовать изобретение. Как указывалось выше, для изобретения требуются, по меньшей мере, два трубопровода 10, 12 между обрабатывающей установкой 6 и добывающей установкой 4. В частном варианте выполнения изобретения предполагается, что газ из отдельных скважин проходит в коллекторы на дне моря, которые в свою очередь соединены с двумя трубопроводами, идущими от месторождения к берегу. Это показано на фиг.10, описание которой будет приведено ниже.
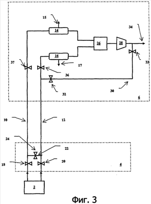
На фиг.3 показана блок-схема первого варианта выполнения системы согласно изобретению. На фиг.3 показан подземный пласт 2 и добывающая установка 4, которая на фиг.1 и 10 показана в виде подводной установки, но которая может также базироваться на платформе. Два трубопровода 10, 12 от месторождения к берегу соединены соответственно с первой ловушкой для конденсата и входным сепаратором 14, со второй ловушкой для конденсата и входным сепаратором 16 в обрабатывающей установке 6. Обрабатывающая установка 6 расположена на берегу или на платформе над поверхностью моря.
Как указывалось выше, газ добывается из пласта 2 и пропускается через добывающую установку 4 в один или оба трубопровода 10, 12 для транспортировки в обрабатывающую установку 6. В обрабатывающей установке жидкость отделяется от газа в первой ловушке для конденсата и входном сепараторе 14, во второй ловушке для конденсата и входном сепараторе 16, которые сами по себе известны, и отделенная жидкость выпускается известным образом через соответствующие выходы 15, 17. Затем газ обрабатывается далее в обрабатывающем оборудовании 26 перед прохождением в экспортный компрессор 28 для дальнейшей транспортировки через экспортный трубопровод 34. Обработка в первой ловушке для конденсата и входном сепараторе 14, во второй ловушке для конденсата и входном сепараторе 16 и обрабатывающем блоке 28 соответствует уровню техники и не включается в изобретение. На фиг.3 показаны также несколько клапанов, описание функций которых будет приведено ниже. Следует также отметить, что показаны лишь компоненты, которые необходимы или целесообразны для описания изобретения.
Два добывающих трубопровода 10, 12 соединены друг с другом в добывающей установке 4 через соединительную линию 22. Это соединение (между трубопроводами 10 и 12) можно избирательно открывать или закрывать с помощью клапана 24.
В обрабатывающей установке 6 линия 30 рециркуляции включена между выходной стороной экспортного компрессора 28 и одним из трубопроводов 10, 12 перед соответствующей первой ловушкой для конденсата и входным сепаратором 14 и второй ловушкой для конденсата и входным сепаратором 16 соответственно. На фиг.3 показана линия 30 рециркуляции, соединенная со вторым трубопроводом 12, однако изобретение включает также случай, в котором линия 30 рециркуляции соединена с первым трубопроводом 10. Таким образом, фиг.3 иллюстрирует идею изобретения.
Фиг.4 в отличие от фиг.3, дополнительно показывает состояние, в котором оба трубопровода 10, 12 добывают газ из пласта 2. Клапаны 18, 20 в добывающей установке 4 оба открыты, и многофазный поток протекает, таким образом, через трубопроводы 10, 12 к обрабатывающей установке 6. Клапаны 36, 37 также открыты, так что многофазный поток проходит соответственно в первую ловушку для конденсата и входной сепаратор 14, во вторую ловушку для конденсата и входной сепаратор 16 перед дальнейшей обработкой газа в обрабатывающем оборудовании 26 и сжатием в экспортном компрессоре 28 для экспорта через трубопровод 34. Линия 30 рециркуляции отключена с помощью клапанов 32, 33. Аналогичным образом, клапан 24 в соединительной линии 22 закрыт для предотвращения потока между трубопроводами 10, 12.
На фиг.5 показано устройство согласно фиг.3 для иллюстрации способа согласно изобретению, в котором часть трубопровода 12 используется в качестве линии рециркуляции. На фиг.5 показано, что клапан 20 закрыт, так что газ не добывается из пласта в трубопровод 12. Добыча из пласта 2 осуществляется только через трубопровод 10, и поток проходит через открытые клапаны 18, 37 и в первую ловушку для конденсата и входной сепаратор 14 и обрабатывающее оборудование 26, прежде чем газ дополнительно сжимают в экспортном компрессоре 28. Как указывалось выше, клапаны 20 и 36 в трубопроводе 12 закрыты. Клапан 33 в линии 30 рециркуляции открыт для обеспечения прохождения выбранного количества газа с выходной стороны экспортного компрессора через линию 30 рециркуляции, через открытый клапан 32 и затем через часть трубопровода 12 к офшорной добывающей установке 4. Поскольку клапан 20 закрыт, а клапан 24 открыт, то газ рециркуляции проходит под давлением через соединительную линию 22 и в трубопровод 10. Таким образом, скорость газа в трубопроводе 10 увеличивается, и вместе с ней увеличивается действие вытеснения между жидкостью и газом, так что уменьшается скопление газа в трубопроводе 10.
На фиг.6 показан второй предпочтительный вариант выполнения системы согласно изобретению. В отличие от фиг.3, линия 30′ рециркуляции в этом варианте выполнения включена перед обрабатывающим оборудованием 26 и экспортным компрессором 28. Как показано на фиг.6, линия 30′ рециркуляции включена после первой ловушки для конденсата и входного сепаратора 14, однако, как указывалось выше, перед обрабатывающим оборудованием и экспортным компрессором, а затем соединена со вторым трубопроводом по существу в той же точке, что и на фиг.3. Однако этот вариант выполнения требует отдельного компрессора 40 рециркуляции, как показано на фиг.6. В других отношениях установка соответствует фиг.3.
На фиг.7 показано (так же, как на фиг.4) рабочее состояние, в котором оба трубопровода добывают газ из пласта. На фиг.7 клапаны 24, 32′, 33′ закрыты, в то время как другие клапаны на фигурах открыты. Таким образом, многофазный поток добывается из пласта через оба трубопровода 10, 12.
На фиг.8, так же, как на фиг.5, показан способ согласно изобретению для этого второго предпочтительного варианта выполнения. Клапаны 20 и 36 закрыты, в то время как клапаны 22, 32′ и 33′ открыты, за счет чего предотвращается добыча многофазного потока через трубопровод 12, но обеспечивается прохождение выбранного количества газа (рециркуляции) через линию 30′ рециркуляции, сжатого компрессором 40 рециркуляции, и прохождение обратно в добывающую установку 4 через линии 30′, 12 и 22.
На фиг.9 показана блок-схема третьего предпочтительного варианта выполнения системы согласно изобретению с компрессором 40′ в добывающем трубопроводе 10. Конфигурация этого вида может быть необходима, если давление пласта является недостаточным. Предпочтительный вариант выполнения, показанный на фиг.9, можно комбинировать с вариантом выполнения, показанным на фиг.6, 7 и 8.
Как указывалось выше, изобретение требует, по меньшей мере, два трубопровода 10, 12 между обрабатывающей установкой 6 и добывающей установкой 4.
Что касается офшорных установок, то предполагается, что газ из отдельных скважин проходит в коллекторы, которые в свою очередь соединены с двумя трубопроводами, ведущими от месторождения к берегу, и что можно соединять два трубопровода друг с другом. При низких скоростях добычи предполагается добыча из небольшого числа скважин, как показано на фиг.10.
На фиг.10 показана береговая установка с двумя трубопроводами, которые заканчиваются в соответствующем отключающем клапане и ловушке для конденсата. Системы ниже по потоку, такие как сепаратор, дегидратор, не обязательно система управления точкой росы углеводородов и экспортный компрессор, показаны лишь для одного трубопровода, но на практике оба трубопровода соединены с этими системами.
Компрессор рециркуляции показан отсасывающим из расположенного ниже по потоку входного сепаратора и подающим в линии рециркуляции на «внешней стороне» отключающего клапана. Показан также поток рециркуляции на основе использования экспортного компрессора. В этом случае газ рециркуляции проходит через всю береговую установку, что не является действительно необходимым, хотя тогда не требуется ингибирование гидратообразования газа рециркуляции.
На фиг.10 показан процесс добычи 10% производительности пласта. Степень рециркуляции составляет 20% производительности пласта, т.е. скорость в добывающем трубопроводе составляет 60% пропускной способности линии. Согласно фиг.2 скопление жидкости уменьшается с 2350 м3 до 350 м3.
Если месторождение отключается и жидкость скапливается в низких точках системы трубопроводов, то способ рециркуляции можно использовать для отвода посредством рециркуляции скопившейся перед новьм запуском добычи. Если система в этом случае имеет газ под давлением, то рециркуляцию можно начинать с запуска компрессора с рециркуляцией всего газа. Если система имеет пониженное давление, то систему трубопроводов необходимо заполнить газом из пласта до желаемого давления перед запуском.
Хотя в данной заявке изобретение иллюстрировано со ссылками на подводную добывающую установку 4, для специалистов в данной области техники очевидно, что изобретение также применимо в случае добывающей установки, расположенной над поверхностью моря или в других местах. Хотя изобретение также иллюстрировано со ссылками на наземную обрабатывающую установку 6, для специалистов в данной области техники очевидно, что изобретение не ограничивается такими установками.
Формула изобретения
1. Система для уменьшения скопления жидкости в трубопроводе (10) для транспортировки многофазного потока между добывающей газ установкой (4) и обрабатывающей указанный газ установкой (6), при этом обрабатывающая установка содержит первую ловушку для конденсата и входной сепаратор (14) для отделения жидкости от газа, отличающаяся тем, что содержит линию (30; 30′, 12, 22) рециркуляции, первый конец которой выполнен с возможностью избирательного (32; 32′, 33, 33′) соединения с потоком на стороне выхода газа из первой ловушки для конденсата и входного сепаратора (14), и второй конец которой выполнен с возможностью избирательного (24) соединения с трубопроводом (10) у добывающей установки, при этом выбранное количество газа под давлением (28; 40) избирательно (33, 33′) пропускается из обрабатывающей установки (6) в трубопровод (10) у добывающей установки (4) для увеличения скорости газа в трубопроводе (10) и действия вытеснения между жидкостью и газом для уменьшения скопления жидкости в трубопроводе (10).
2. Система по п.1, отличающаяся тем, что первый конец линии (30, 12, 22) рециркуляции соединен с потоком после экспортного компрессора (28) обрабатывающей установки, после полной обработки газа в обрабатывающем оборудовании (26) и подготовки к экспорту.
3. Система по п.1, отличающаяся тем, что содержит компрессор (40′), соединенный с трубопроводом (10), предназначенный для сжатия многофазного потока.
4. Система по п.1, отличающаяся тем, что линия (30′, 12, 22) рециркуляции содержит компрессор (40).
5. Система по п.3, отличающаяся тем, что линия (30′, 12, 22) рециркуляции содержит компрессор (40) в обрабатывающей установке.
6. Система по п.1, отличающаяся тем, что трубопровод (10) является первым трубопроводом, а часть линии рециркуляции является частью второго трубопровода (12), при этом первый и второй трубопроводы (10, 12) предназначены для транспортировки соответствующих многофазных потоков между указанными добывающей установкой (4) и обрабатывающей установкой (6).
7. Система по п.1, отличающаяся тем, что добывающая установка (4) выполнена в виде оффшорной установки для добычи газа из одного или нескольких подземных пластов (2).
8. Система по п.7, отличающаяся тем, что добывающая установка (4) выполнена в виде подводной установки.
9. Система по любому из пп.1-8, отличающаяся тем, что указанное выбранное количество газа содержит газ, который полностью обработан и готов для экспорта.
10. Система по любому из пп.1-8, отличающаяся тем, что указанное выбранное количество газа содержит газ, который отводится после отделения жидкости, но перед другими расположенными ниже по потоку системами (26) в обрабатывающей установке.
11. Система по любому из пп.1-8, отличающаяся тем, что указанное выбранное количество газа содержит, в основном, весь отделяемый газ.
12. Система по любому из пп.1-8, отличающаяся тем, что она расположена между оффшорной добывающей установкой (4) и обрабатывающей установкой (6) над поверхностью моря.
13. Система по любому из пп.1-8, отличающаяся тем, что она расположена между подводной добывающей установкой (4) и береговой обрабатывающей установкой (6).
14. Применение системы по любому из пп.1-13 для управления скопившейся жидкостью в системе трубопроводов для многофазной транспортировки после остановки добычи и перед новым запуском.
РИСУНКИ
|
|