|
|
(21), (22) Заявка: 2007136268/06, 02.10.2007
(24) Дата начала отсчета срока действия патента:
02.10.2007
(46) Опубликовано: 20.12.2008
(56) Список документов, цитированных в отчете о поиске:
КОЧУРОВ В.И. и др. Агрегатная система противопомпажного регулирования и защиты нагнетателей ГПА. Турбины и компрессоры. №2, 1997, с.36-40. Автоматизация процессов газовой промышленности, под общей ред. ШАЙХУТДИНОВА А.З. и др. – СПб.: Наука, 2003, с.15. RU 2263233 С1, 27.10.2005. RU 2210007 С2, 10.08.2003. SU 1539356 A1, 30.01.1990. RU 2170358 С2, 10.07.2001. ЕР 0500195 А, 26.08.1992. DE 4202226 A, 08.04.1993.
Адрес для переписки:
194021, Санкт-Петербург, ул. Политехническая, 24, корп.5Л, ЗАО “Система Комплекс”, генеральному директору Л.Р. Капитанскому
|
(72) Автор(ы):
Кочуров Виталий Иванович (RU), Чернышев Роман Владимирович (RU)
(73) Патентообладатель(и):
Закрытое Акционерное Общество “Система Комплекс” (RU)
|
(54) СПОСОБ РЕГУЛИРОВАНИЯ ТЕХНОЛОГИЧЕСКИХ ПАРАМЕТРОВ ЭНЕРГОУСТАНОВКИ
(57) Реферат:
Способ регулирования технологических параметров энергоустановки относится к области управления энергоустановками, в частности к области управления газотурбинными установками. Сущность изобретения заключается в том, что в способе регулирования технологических параметров энергоустановки, включающем формирование управляющих воздействий контурами регулирования основного и ограничивающих технологических параметров, выбор минимального или максимального воздействия для управления регулирующим клапаном, определения предельно допустимых скоростей изменения ограничивающих параметров, определяют фактические скорости изменения ограничивающих параметров и сравнивают их с предельно допустимыми значениями и при достижении фактическими скоростями предельно допустимых значений вводят запрет не увеличение или уменьшение управляющего воздействия, который снимается после того, как скорость увеличения или уменьшения ограничивающего параметра достигает значения, меньшего предельно допустимого. Технический результат заключается в повышении точности, эффективности и надежности регулирования технологических параметров энергоустановки. 3 ил.
Изобретение относится к области регулирования энергоустановок, в частности газотурбинных установок.
Известен способ регулирования технологических параметров газотурбинной установки, включающей регулятор основного технологического параметра и регуляторы ограничивающих параметров, в соответствии с которым для снижения перерегулирования ограничивающих параметров при быстрых возмущениях со стороны регулятора основного параметра в число составляющих регулирование регулятора ограничивающего параметра включается дифференциальная составляющая регулирования. Этот способ описан, например, в книге “Автоматизация процессов газовой промышленности”, под общей ред. А.З.Шайхутдинова и др. СПб., Наука, 2003 г., где имеются описания систем регулирования фирм “Compressor Controls Corporation” и “Система-Сервис”. Наличие дифференциальной составляющей регулирования позволяет начинать осуществлять регулирование ограничивающего параметра до достижения значения задания. Это дает возможность снизить перерегулирование этого параметра при быстром воздействии регулятора основного параметра. Недостатком такого способа являются ограничения, связанные с величиной коэффициента усиления этого канала регулирования. Известно, что значительное увеличение этого коэффициента усиления ведет к усилению шумовой составляющей регулятора и ухудшению процесса регулирования. А недостаточно большой коэффициент усиления не позволяет компенсировать перерегулирование ограничивающего параметра.
Известен также более близкий по технической сущности к заявляемому способу способ использования в регуляторе ограничиваемого параметра в качестве задающего элемента так называемого автоматического задатчика (Патент РФ №2263233, F04D 27/02, опубл. 27.10.2005 г.), который изменяет исходное задание до уровня, близкого к текущему значению параметра, и при изменении последнего в направлении к исходному заданию начинает также изменяться с заданной предельной скоростью в этом направлении. В том случае, если параметр изменяется быстрее изменяющегося задания, то в какой-то момент времени он его достигает и задание фиксируется на этом уровне, а регулятор ограничивающего параметра начинает стабилизировать параметр на этом значении. После стабилизации параметра процесс повторяется до тех пор, пока не будет достигнуто исходное задание ограничиваемого параметра. В этом способе регулирования также используется упреждающее срабатывание ограничивающего регулятора за счет смещения задания в сторону текущего значения ограничивающего параметра с последующим обратным его изменением с заданной скоростью. Недостатком такого способа регулирования является неопределенность значения параметра, при котором ограничивающий регулятор вступает в работу, а также неопределенный уровень промежуточного значения задания, который регулятор какое-то время использует для стабилизации параметра. Это не позволяет достигнуть максимального быстродействия регулятора основного параметра в сочетании с безударным включением в работу ограничивающих регуляторов.
Известен также наиболее близкий по технической сущности к заявляемому и выбранный в качестве прототипа способ регулирования (“Агрегатная система противопомпажного регулирования и защиты нагнетателей ГПА”, авторы Кочуров В.И. и др., журнал “Турбины и компрессоры”, №2 1997 г., стр.36-40), который для выработки сигнала задания регулятору ограничивающего параметра также использует автоматический задатчик, в функции которого входит обеспечение слежения выхода регулятора ограничивающего параметра за выходом селектора, который управляет положением регулирующего клапана в том случае, если рабочая точка компрессора находится в устойчивой зоне и регулятор находится в стерегущем режиме и не управляет положением противопомпажного клапана. Поскольку в качестве регулятора ограничивающего параметра используется противопомпажный ПИ-регулятор, то одновременно на статических режимах осуществляется слежение сигнала задания автоматического задатчика за сигналом регулирующего параметра противопомпажного регулятора. При изменении значения регулируемого параметра в направлении смещения к границе помпажа автоматический задатчик, осуществляя слежение сигнала регулятора за выходом селектора, также изменяет свое задание. При этом скорость изменения этого задания зависит от удаленности рабочей точки компрессора от исходного задания. Чем больше разница между значением регулируемого параметра и значением исходного задания, подаваемого на автоматический задатчик, тем больше допускаемая скорость изменения задания. Если в переходном процессе рабочая точка перемещается быстрее, чем изменяется задание, то управление выходом селектора переводится на противопомпажный регулятор, который, удерживая регулируемый параметр на изменяющемся с предельной скоростью задании, производит опережающее открытие противопомпажного клапана. Тем самым, воздействуя на задание противопомпажного регулятора, формируется траектория движения рабочей точки компрессора с изменяющейся заданной предельно допустимой скоростью по направлению к линии настройки регулятора и создаются благоприятные условия для его безударной работы с соответствующим улучшением качества работы. Аналогично, при подаче на селектор сигнала пускового устройства на закрытие противопомпажного клапана также происходит изменение задания регулятора. В результате противопомпажный регулятор плавно переводится на регулирование ограничивающего параметра с автоматическим задатчиком, установленным на значение исходного задания.
Недостатком такого способа регулирования является то, что для организации требуемого переходного процесса регулирования управление регулирующим органом переводится на ограничивающий регулятор, который по заданной траектории изменения ограничивающего параметра плавно выводит агрегат на исходное значение задания ограничивающего параметра. Для этого необходимо обеспечить качественную работу ограничивающего регулятора в широком диапазоне работы агрегата, в то время как ограничивающий регулятор обычно предусматривается для нормальной работы с жесткой настройкой в достаточно узком диапазоне работы (в зоне установленного исходного задания регулятора ограничивающего параметра).
Кроме того, функционирование регулятора связано с выполнением достаточно сложного алгоритма определения управляющего сигнала, по которому вначале производится расчет управляющих сигналов пускового устройства и противопомпажного регулятора с целью выявления ведущего регулятора, а затем, если выявляется, что не требуется вмешательство в работу противопомпажного регулятора путем изменения задания автоматического задатчика, осуществляется слежение выхода ограничивающего регулятора за выходом пускового устройства. Если же ведущим регулятором становится антипомпажный регулятор, то его задание начинает изменяться по зависимости, обеспечивающей изменение регулируемого параметра с заданной скоростью.
Задача, решаемая изобретением, состоит в обеспечении качественной работы системы регулирования за счет ограничения выхода ведущего регулятора таким образом, чтобы с максимальным быстродействием и точно, без перерегулирования выйти на значение задания любого ограничивающего регулятора, для чего необходимо обеспечить условие, при котором при работе регулятора основного технологического параметра не допускается превышение предельной скоростной траектории изменения любого ограничивающего параметра. Решение этой задачи позволяет достичь технического результата, заключающегося в увеличении точности, эффективности и надежности системы регулирования энергоустановки.
Для решения этой задачи в заявляемом способе регулирования технологических параметров энергоустановки производят определение фактических скоростей изменения ограничивающих параметров и сравнивают их с предельно допустимыми значениями. Если в процессе работы фактическая скорость увеличения любого ограничивающего параметра достигает своего предельного значения, то на изменение управляющего воздействия, ведущего к изменению положения регулирующего клапана, приводящего к увеличению ограничивающего параметра, налагается запрет, который снимается после того, как скорость увеличения этого параметра достигает значения, меньшего предельно допустимого. Если фактическая скорость уменьшения любого ограничивающего параметра достигает своего предельного значения, то на изменение управляющего воздействия, ведущего к изменению положения регулирующего клапана, приводящего к уменьшению ограничивающего параметра, налагается запрет, который снимается после того, как скорость уменьшения этого параметра достигает значения, меньшего предельно допустимого.
В заявленном способе в отличие от способа-прототипа результат сравнения скорости изменения ограничивающего параметра с предельным значением не используется для изменения задания регулятора ограничивающего параметра, которое в данном случае может иметь фиксированное значение, а применяется непосредственно для изменения функционирования источника возмущения – регулятора основного технологического параметра. Тем самым практически весь переходной процесс изменения режима работы агрегата реализуется одним регулятором основного технологического параметра. Это избавляет регуляторы ограничивающих параметров от необходимости работать в широком диапазоне изменения своих параметров, а работать при постоянном значении ограничивающего параметра, что упрощает настройку этих регуляторов. Кроме того, безударный вывод ограничивающего параметра на значение своего задания всегда гарантирует качественный переходный процесс без перерегулирования.
Указанные существенные признаки, характеризующие сущность заявляемого технического решения, не известны в подобной совокупности и взаимосвязи в настоящее время для способов регулирования технологических параметров энергоустановки. Аналог, характеризующийся идентичностью всем существенным признакам изобретения, в ходе проведения патентных исследований не обнаружен. Это позволяет сделать вывод о соответствии заявляемого технического решения критерию “Новизна”.
Существенные признаки не могут быть представлены как комбинация, выявленная из известных решений с реализацией в виде отличительных признаков для достижения технического результата. Из этого следует вывод о соответствии заявляемого технического решения критерию “Изобретательский уровень”.
Сущность заявляемого изобретения поясняется следующими чертежами:
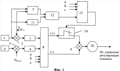
Фиг.1 – система регулирования газотурбинной установки, обеспечивающая максимальное быстродействие регулятора основного технологического параметра в сочетании с безударным включением в работу регуляторов ограничивающих параметров, которые ограничивают открытие регулирующего клапана.
Фиг.2 – система регулирования газотурбинной установки, обеспечивающая максимальное быстродействие регулятора основного технологического параметра в сочетании с безударным включением в работу регуляторов ограничивающих параметров, которые ограничивают закрытие регулирующего клапана.
Фиг.3 – переходный процесс изменения температуры продуктов сгорания, сигнала датчика температуры и управляющего сигнала системы регулирования газотурбинной установки при быстром изменении задания регулятора частоты вращения ротора силовой турбины.
На фиг.1 представлена упрощенная схема системы регулирования газотурбинной установки, показывающая возможную реализацию заявляемого способа регулирования технологических параметров энергоустановки с регуляторами ограничивающих параметров, ограничивающих открытие регулирующего клапана при достижении предельно допустимых значений скоростей изменения этих параметров.
Система включает ряд регуляторов, включающих ограничивающий ПИ (ПИД)-регулятор температуры (1), подключенный к сумматору (2), куда поступают сигналы датчика температуры (3) и его задания Тзд, ПИ (ПИД)-регулятор частоты вращения ротора силовой турбины (4) (регулятор основного технологического параметра), подключенный к сумматору (5), куда поступают сигналы датчика частоты вращения ротора силовой турбины (6) и его задания Nзд.ст, а также другие необходимые ограничивающие регуляторы контуров регулирования (а, b, с). Выход датчика (3) также поступает на блок определения предельно допустимой скорости изменения температуры (7), куда также подается сигнал задания Тзд. Выходы всех регуляторов подключены к селектору минимального сигнала (8), выход которого, условно разделенный на два канала, сигналы которых суммируются сумматором (9), подключен к интегратору (10), суммирующему на каждом шаге сканирования приращение управляющего воздействия с приращением, полученным на предшествующем шаге сканирования. Полученный результирующий управляющий сигнал подается на управление регулирующим клапаном. При этом канал (+) выхода селектора пропускает только плюсовые сигналы управления, приводящие к открытию регулирующего клапана и росту параметров агрегата, а канал (-) пропускает только минусовые сигналы, приводящие к закрытию клапана и уменьшению параметров агрегата.
Сущность заявляемого способа заключается в том, что в известном способе регулирования технологических параметров энергоустановки, включающем формирование управляющих воздействий контурами пропорционального, интегрального, дифференциального регулирования основного и ограничивающих технологических параметров, выбор минимального или максимального воздействия для управления регулирующим клапаном, определение предельно допустимых скоростей изменения ограничивающих параметров, определяют фактические скорости изменения ограничивающих параметров и сравнивают их с предельно допустимыми значениями и при достижении фактическими скоростями предельно допустимых значений вводят запрет на увеличение или уменьшение управляющего воздействия, который снимается после того, как скорость увеличения или уменьшения ограничивающего параметра достигает значения, меньшего предельно допустимого. На представленной схеме определение фактической скорости изменения температуры производится в блоке (11), выход которого вместе с выходом блока определения предельно допустимой скорости изменения температуры (7), подается на компаратор (12), где осуществляется сравнение этих скоростей. Выход компаратора (12) подается на логический элемент И, куда также поступают дискретные выходы компараторов других контуров ограничивающего регулирования (а, b, с), технологические параметры которых также имеют верхнее ограничение. Выход логического элемента И поступает на блок запрета увеличения управляющего сигнала (14), который в данном случае представлен в виде контакта, установленного в канале (+) выхода селектора. Размыкание контакта приводит к запрету подачи приращения плюсового сигнала управления и невозможности соответствующего открытия клапана в этот момент времени.
Заявленный способ может быть осуществлен на базе программно-технических средств. Вычислительная часть заявленного способа может быть реализована на любом промышленном контроллере, имеющем быстродействие не менее, чем существующие контроллеры, обеспечивающие реализацию известных способов регулирования параметров энергоустановок. Существующие контроллеры позволяют реализовать функционирование компаратора, обеспечивающего требуемую точность поддержания предельно допустимой скорости изменения ограничивающих параметров. При помощи контроллера реализуется также алгоритм функционирования системы регулирования энергоустановки. Кроме контроллера для осуществления системы регулирования используют датчики контролируемых параметров, сигналы которых являются входными сигналами контроллера. Выходной сигнал контроллера используют для управления регулирующим клапаном.
Необходимо отметить, что заявленный способ регулирования позволяет получить самые разнообразные переходные процессы, связанные с увеличением или уменьшением технологических параметров при изменении режима работы газотурбинного агрегата. Например, можно получить переходный процесс при набросе нагрузки с максимальным быстродействием, характеризуемым практически неограниченно быстрым изменением температуры с текущего уровня до значения задания ограничивающего регулятора температуры и поддерживать эту температуру с помощью регулятора частоты вращения силовой турбины на всем протяжении переходного процесса с последующим безударным включением регулятора температуры. Это позволяет получить максимальную приемистость агрегата, что является важным преимуществом заявляемого способа регулирования.
Такой процесс реализуется следующим образом.
Известно, что динамические свойства датчика температуры можно охарактеризовать инерционным звеном первого порядка с постоянной времени Тд. По сравнению с датчиком температуры процесс, происходящий в камере сгорания агрегата можно считать практически безинерционным. Тогда при быстром открытии регулирующего клапана процесс изменения сигнала датчика температуры может быть описан экспонентой с постоянной времени Тд. Поэтому, поддерживая в переходном процессе экспоненциальный закон изменения сигнала датчика температуры, можно получить скачкообразное изменение температуры в камере сгорания (не выходя за рамки допустимого значения температуры, определенного заданием регулятора температуры) и обеспечить максимальную приемистость агрегата. Известно, что в каждой точке экспоненты скорость изменения параметра можно определить по формуле:

где:
T – сигнал датчика температуры,
Тзд. – задание регулятора температуры,
Тд – постоянная времени датчика температуры,
t – время.
Поэтому значения скоростей изменения сигнала датчика температуры, полученные на каждом шаге сканирования по формуле (1), могут быть использованы в качестве предельно допустимых значений.
Значения фактических скоростей изменения сигнала датчика температуры могут быть вычислены с применением известных методов по данным измерений сигналов датчика с использованием различного количества точек замеров. В простейшем случае может быть использована разность сигналов в двух соседних точках сканирования сигнала датчика температуры.
Заявленный способ регулирования позволяет организовать и более медленный переходный процесс при наборе нагрузки, например, процесс, при котором температура увеличивается во времени с постоянной скоростью. Все зависит от задаваемой траектории предельной скорости изменения сигнала датчика температуры.
На фиг.2 представлена упрощенная схема системы регулирования газотурбинной установки, показывающая возможную реализацию заявляемого способа регулирования технологических параметров энергоустановки с регуляторами ограничивающих параметров, ограничивающих закрытие регулирующего клапана при достижении предельно допустимых значений скоростей уменьшения этих параметров.
На схеме все элементы имеют нумерацию элементов схемы 1 за исключением элемента 8. Здесь он представляет собой селектор максимального сигнала. Кроме того, в качестве ограничивающих регуляторов контуров регулирования а, b, с на схеме показаны выходы регуляторов других контуров регулирования (d, с, f), т.е. тех регуляторов, которые обеспечивают нижнее ограничение технологических параметров. Поэтому система отличается от аналогичной, представленной на фиг.1, тем, что выходы ограничивающих регуляторов, минимальные значения регулируемых параметров которых следует ограничить (нижнее ограничение параметра), подключены к селектору максимального сигнала, а выходы компараторов, подключенные к логическому элементу И, подаются не на блок запрета увеличения управляющего сигнала, установленного в канале (+), а на блок запрета уменьшения управляющего сигнала, установленный в канале (-) выхода селектора.
Эти отличия позволяют осуществить ограничение минимальных значений ограничивающих параметров при условии недопущения перерегулирования значений их заданий.
Здесь следует отметить, что в случае, если в системе регулирования используются регуляторы ограничивающих параметров, которые ограничивают как открытие, так и закрытие регулирующего клапана, то тогда системы, показанные на фиг.1 и 2, преобразуются следующим образом при условии, что приоритет имеют воздействия регуляторов, ограничивающих открытие регулирующего клапана.
Система содержит регулятор основного технологического параметра (регулятор частоты вращения силовой турбины) и соответствующие регуляторы ограничивающих параметров, имеющие нижние ограничения и подключенные к селектору максимального сигнала, который в свою очередь подключен к сумматору (9), выход которого подключается в этом случае не к интегратору (10) (см. фиг.2), а к селектору минимального сигнала (8) (см. фиг.1) вместо выхода регулятора силовой турбины. Сконфигурированная таким образом система регулирования обеспечивает безударное вступление в работу ограничивающих регуляторов, обеспечивающих как нижнее, так и верхнее ограничение ограничивающих параметров.
На фиг.3 показана осциллограмма переходного процесса модели газотурбинной установки при быстром увеличении задания регулятора частоты вращения ротора силовой турбины. Как следует из чертежа, после нанесения возмущения происходит быстрое увеличение сигнала управления (2), которое приводит к открытию регулирующего клапана, что ведет к увеличению температуры продуктов сгорания в камере сгорания (1) и увеличению сигнала датчика температуры (3). После достижения предельной скорости увеличения сигнала датчика температуры следует некоторая пауза в увеличении управляющего сигнала, за которой следует ступенчатое увеличение управляющего сигнала, что приводит к увеличению сигнала датчика температуры по заданной экспоненте. В результате температура продуктов сгорания быстро и, вместе с тем, без перерегулирования выходит на предельный заданный уровень и удерживается там воздействием регулятора частоты вращения силовой турбины без вмешательства ограничивающего регулятора температуры. После достижения сигналом датчика температуры уровня, установленного задатчиком ограничивающего регулятора температуры, управление переводится на этот регулятор, который поддерживает это значение температуры, компенсируя возможные внешние возмущения такие, как изменение наружной температуры воздуха и др.
Таким образом, показано, что заявленный способ регулирования позволяет обеспечить сочетания максимального быстродействия регулятора основного параметра с безударным включением в работу ограничивающих регуляторов, исключающим перерегулирование их контролируемых параметров, что повышает точность, эффективность и надежность регулирования и, тем самым, подтверждает достижение технического результата.
Заявленное техническое решение представляет собой разработанный с целью обеспечения технического результата перечень конкретных действий, являющихся неотъемлемой частью алгоритма функционирования системы регулирования энергоустановки.
Описанный способ реализован с использованием программно-технических средств и испытан на модели. Система регулирования, выполненная с использованием заявленного технического решения, включена в проект системы управления газоперекачивающего агрегата компрессорной станции. Изложенное позволяет сделать вывод о соответствии изобретения критерию “промышленная применимость”.
Формула изобретения
Способ регулирования технологических параметров энергоустановки, включающий формирование управляющих воздействий контурами регулирования основного и ограничивающих технологических параметров, выбор минимального или максимального воздействия для управления регулирующим клапаном, определение предельно допустимых скоростей изменения ограничивающих параметров, отличающийся тем, что определяют фактические скорости изменения ограничивающих параметров и сравнивают их с предельно допустимыми значениями и при достижении фактическими скоростями предельно допустимых значений вводят запрет на увеличение или уменьшение управляющего воздействия, который снимается после того, как скорость увеличения или уменьшения ограничивающего параметра достигает значения, меньшего предельно допустимого.
РИСУНКИ
|
|