|
|
(21), (22) Заявка: 2006138783/15, 03.11.2006
(24) Дата начала отсчета срока действия патента:
03.11.2006
(43) Дата публикации заявки: 10.05.2008
(46) Опубликовано: 20.12.2008
(56) Список документов, цитированных в отчете о поиске:
RU 2038422 С1, 27.06.1995. SU 1084340 А1, 07.04.1984. RU 2102535 С1, 20.01.1998. JP 3097879 А, 23.04.1991. US 4451347 А, 29.05.1984. US 2004084302 А, 06.05.2004.
Адрес для переписки:
111250, Москва, ул. Авиамоторная, 53, ЗАО “Патентный Поверенный”, пат.пов. Г.Н.Андрущак, рег. № 189
|
(72) Автор(ы):
Усенков Олег Артурович (RU), Парсегов Сергей Генрихович (RU)
(73) Патентообладатель(и):
Федеральное государственное унитарное предприятие “Московский завод электромеханической аппаратуры” (RU)
|
(54) УСТАНОВКА ДЛЯ ПРОИЗВОДСТВА ВОДОРОДА
(57) Реферат:
Изобретение относится к электрохимической технологии, в частности к устройствам для получения водорода и кислорода электролизом воды. Установка содержит фильтропрессный электролизер, соединенный коллектором питания с устройством заправки водой и газожидкостными трубопроводами с фазоразделителями водорода и кислорода, имеющими трубопроводы вывода водорода и кислорода, регулятор давления кислорода, датчик давления, датчик уровня и трубопроводы подачи водорода и кислорода потребителю. Она снабжена подключенными последовательно, по ходу потока к трубопроводам вывода водорода и кислорода соответственно, фильтрами для отделения влаги и остатков электролита из водорода и кислорода и блоками фильтров для уменьшения влажности водорода и кислорода. Также установка снабжена датчиком температуры, подключенным к электролизеру, для отключения блока электропитания при превышении температуры электролизера 80°С. При этом датчик давления выполнен в виде датчика дисбаланса давления, подключенного к трубопроводам подачи водорода и кислорода потребителю, причем регулятор давления кислорода установлен на трубопроводе подачи кислорода потребителю. Изобретение позволяет повысить чистоту полученных газов, а также снизить эксплуатационные затраты. 1 ил.
Изобретение относится к электрохимической технологии, в частности к устройствам для получения водорода и кислорода электролизом воды, и может быть использовано в химической и других областях промышленности, а также для получения водорода и кислорода для бытовых и других целей.
Известно устройство для получения газов методом электролиза, например водорода и кислорода, включающее биполярный электролизер, соединенный с емкостью питательной воды, водородные и кислородные разделительные колонки, снабженные трубопроводами вывода соответственно водорода и кислорода, с размещенными на них средствами поддержания давления и клапаны аварийного сброса (патент RU 2046841, кл. С25В 1/12, 1995).
Недостатком известного устройства является его низкая надежность, большие эксплуатационные затраты, а также в известном устройстве не обеспечена безопасность эксплуатации.
Электролитическая жидкость, подаваемая в электролизер, содержит воду, но может содержать любые вещества, способствующие работе используемого электролизера, такие как кислоты или основания. Термин «вода» относится к любой такой электролитической жидкости.
Наиболее близкой по своей технической сущности к описываемому изобретению является установка для производства водорода, содержащая фильтропрессный электролизер, соединенный коллектором питания с устройством заправки водой, и газожидкостными трубопроводами с фазоразделителями водорода и кислорода, имеющими трубопроводы вывода водорода и кислорода, регулятор давления кислорода, датчик давления, датчик уровня и трубопроводы подачи водорода и кислорода потребителю (патент RU 2038422, кл. С25В 1/02, 1995).
Недостатком известного устройства является то, что полученные газы имеют невысокую чистоту и повышенную влажность, другим недостатком является отсутствие контроля температуры поверхности электролизера.
Технической задачей изобретения является обеспечение безопасности эксплуатации, повышение надежности и чистоты полученных газов, а также снижение эксплуатационных затрат.
Поставленная техническая задача решается тем, что установка для производства водорода содержит фильтропрессный электролизер, соединенный коллектором питания с устройством заправки водой, и газожидкостными трубопроводами с фазоразделителями водорода и кислорода, имеющими трубопроводы вывода водорода и кислорода, регулятор давления кислорода, датчик давления, датчик уровня и трубопроводы подачи водорода и кислорода потребителю, при этом новым является то, что установка снабжена, подключенными последовательно, по ходу потока, к трубопроводам вывода водорода и кислорода соответственно фильтрами для отделения влаги и остатков электролита из водорода и кислорода и блоками фильтров для уменьшения влажности водорода и кислорода, а также установка снабжена датчиком температуры, подключенным к электролизеру, для отключения блока электропитания при превышении температуры электролизера 80°С, при этом датчик давления выполнен в виде датчика дисбаланса давления, подключенного к трубопроводам подачи водорода и кислорода потребителю, причем регулятор давления кислорода установлен на трубопроводе подачи кислорода потребителю.
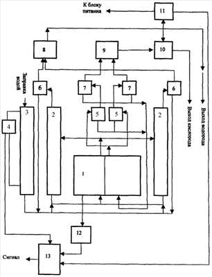
На чертеже показана функциональная схема установки для производства водорода.
Установка для производства водорода содержит:
1 – Фильтропрессный электролизер.
2 – Фазоразделитель водорода.
3 – Устройство заправки водой.
4 – Датчик уровня.
5 – Фазоразделитель кислорода.
6 – Фильтр для отделения влаги и остатков электролита из водорода.
7 – Фильтр для отделения влаги и остатков электролита из кислорода.
8 – Блок фильтров для уменьшения влажности водорода.
9 – Блок фильтров для уменьшения влажности кислорода.
10 – Регулятор давления кислорода.
11 – Датчик давления.
12 – Датчик температуры.
13 – Блок автоматики.
В состав блока автоматики входят:
– плата управления;
– датчик давления для отключения блока электропитания при превышении давления выше допустимого;
– датчик температуры для отключения блока электропитания при превышении температуры электролизера 80°С;
– датчик уровня для отключения блока электропитания при понижении уровня щелочи ниже определенного уровня.
Блок электропитания выполнен на базе источника сварочного тока инверторного типа.
Установка для производства водорода работает следующим образом.
При пропускании постоянного электрического тока через электролит (20% раствор едкого кали КОН) в электролизере 1 вода разлагается на водород и кислород. Из электролизера 1 газы подают в фазоразделители 2 и 5. Фазоразделитель водорода и кислорода предназначены для циркуляции и охлаждения электролита, отделения водорода и кислорода от газожидкостной эмульсии и очистки водорода и кислорода от остатков электролита. После этого для отделения от влаги и остатков электролита газы проходят через фильтры 6 и 7, повышая свою чистоту, и блоки 8, 9 фильтров испарителей водорода и кислорода, уменьшая при этом влажность газов, и далее поступают к потребителю. Уровни давлений водорода/кислорода поддерживают регулятором 10 давления кислорода и датчиком 11 дисбаланса давления, подключенными к блоку автоматики 13. При неодновременном использовании наработанных газов срабатывает датчик 11 дисбаланса давления газов, подключенный к блоку автоматики 13, который принимает меры по восстановлению баланса давлений.
Уровень электролита контролируется датчиком уровня 4, подключенным также к блоку автоматики 13. Заправка водой устройства 3 производится через горловину, а отвод газов и слив электролита через соответствующие отводы. При прекращении работы источник электропитания должен быть выключен.
Установка фильтров 6 и 7 водорода и кислорода соответственно обеспечивает улавливание капельной влаги, содержащейся в водороде и кислороде, и таким образом повышает чистоту генерируемых газов.
При превышении температуры электролизера 80°С датчик температуры 12 подает сигнал на блок автоматики 13 для отключения блока электропитания, что приводит к восстановлению теплового баланса электролизера 1. В состав установки для охлаждения также входят вентиляторы, на схеме не показаны.
Формула изобретения
Установка для производства водорода, содержащая фильтропрессный электролизер, соединенный коллектором питания с устройством заправки водой и газожидкостными трубопроводами с фазоразделителями водорода и кислорода, имеющими трубопроводы вывода водорода и кислорода, регулятор давления кислорода, датчик давления, датчик уровня и трубопроводы подачи водорода и кислорода потребителю, отличающаяся тем, что она снабжена подключенными последовательно по ходу потока к трубопроводам вывода водорода и кислорода соответственно фильтрами для отделения влаги и остатков электролита из водорода и кислорода и блоками фильтров для уменьшения влажности водорода и кислорода, а также установка снабжена датчиком температуры, подключенным к электролизеру, для отключения блока электропитания при превышении температуры электролизера 80°С, при этом датчик давления выполнен в виде датчика дисбаланса давления, подключенного к трубопроводам подачи водорода и кислорода потребителю, причем регулятор давления кислорода установлен на трубопроводе подачи кислорода потребителю.
РИСУНКИ
|
|