|
|
(21), (22) Заявка: 2007130614/04, 10.08.2007
(24) Дата начала отсчета срока действия патента:
10.08.2007
(46) Опубликовано: 20.12.2008
(56) Список документов, цитированных в отчете о поиске:
RU 2176239 C1, 27.11.2001. US 5457228 A, 10.10.1995. RU 2264379 С1, 20.11.2005. RU 2199521 А, 27.02.2003. RU 2102374 C1, 20.01.1998. RU 2275351 C1, 27.04.2006.
Адрес для переписки:
150000, г.Ярославль, Волжская наб., 43, кв.15, О.С. Павлову
|
(72) Автор(ы):
Павлов Олег Станиславович (RU), Павлов Станислав Юрьевич (RU)
(73) Патентообладатель(и):
Общество с ограниченной ответственностью “Научно-технологический центр по химическим технологиям” (RU)
|
(54) СПОСОБ ПОЛУЧЕНИЯ АЛКИЛАЦЕТАТА
(57) Реферат:
Изобретение относится к области получения сложных эфиров карбоновых кислот, нашедших свое применение в лакокрасочной и других отраслях промышленности. Способ получения алкилацетата из уксусной кислоты и алкена(ов) С3-С5 или его(их) смесей с насыщенными углеводородами осуществляют путем контактирования при повышенной температуре с твердым сильнокислотным катализатором в одной или нескольких последовательных реакционных зонах с последующим разделением реакционной смеси и выделением концентрированного алкилацетата с помощью ректификации, в котором путем регулирования подачи реагентов, температуры и охлаждения потока(ов) поддерживают в каждой точке реакционной(ых) зоны(зон) и на выходе из нее(них) мольное отношение уксусная кислота : алкен(ы) не менее 1,2:1 и температуру не более 120°С, причем ограничение температуры обеспечивают путем распределенной подачи холодного алкенсодержащего потока с температурой от минус 30 до плюс 60°С, в промежуточные точки реакционной(ых) зоны(зон) и/или между реакционными зонами возможно в комбинации с приемом(ами) охлаждения реакционных потоков, выбираемым(и) из группы, включающей охлаждение реакционной(ых) зоны(зон), охлаждение потоков между реакционными зонами, охлаждение и рециркуляция части выходящего потока реакционной смеси на вход как минимум в первую реакционную зону. Технический результат – эффективная длительная работа катализатора и получение чистого продукта. 9 з.п. ф-лы, 2 ил.
Изобретение относится к области получения сложных эфиров карбоновых кислот (эстеров). Более конкретно изобретение относится к области получения алкилацетатов, обладающих высокими растворяющими свойствами и находящих применение в лакокрасочной и других отраслях промышленности.
Известны способы получения алкилацетатов, например этил-, н-пропил- и н-бутилацетатов путем взаимодействия уксусной кислоты (УК) и соответствующего спирта в присутствии в качестве катализатора серной кислоты или бензолсульфокислоты, или пара-толуолсульфокислоты [Справочник нефтехимика. – Л.: Химия, 1978, т.2, с.238-241].
Недостатком указанных способов является высокая коррозионная агрессивность применяемых катализаторов и их растворов, выделение большого количества воды, образующей азеотропы со спиртами и получаемыми эстерами, а также – при получении н-пропил- и н-бутилацетатов – дефицитность и высокая стоимость спиртов С3-С4. В процессе образуется большое количество экологически вредных стоков.
Известны способы получения сложных эфиров уксусной кислоты путем алкилирования УК алкенами в присутствии фторида бора и этилэфирата фтористого бора [А.В.Топчиев. Избранные труды. – М.: Наука, 1965, с.320-322]. Недостатком этих способов является высокая летучесть и сильная коррозионная агрессивность катализаторов.
Известен способ получения алкилацетатов, в частности втор-бутилацетата (ВБА), алкилированием УК н-алкенами, в частности н-бутенами, при повышенной температуре и давлении в присутствии кислых катионитов при значительном мольном отношении н-алкены : УК, а именно 1-3:1 [авт. свид. СССР №560875, 05.06.77, Бюл. №21; Ж. прикл. химии. – 1977, №3, с.640-644]. При этом допускается использование в реакционной зоне температуры от 70 до 110°С.
В примерах используется значительный мольный избыток н-алкенов (н-бутенов) по отношению к УК, а именно 2:1. При этом, как показала экспериментальная проверка, даже при наименьшей (из указанного интервала) температуре в значительной степени протекают побочные реакции ди- и олигомеризации н-алкенов, что ведет к быстрой потере активности катализатора – катионита.
Образующиеся в большом количестве димеры и/или тримеры алкенов имеют азеотропы с целевыми алкилацетатами. Способа отделения алкилацетата (ВБА) от указанных димеров и тримеров в авт. свид. №560875 не предлагается. В сущности, в указанном авторском свидетельстве описан способ получения смесей, содержащих эстер, но не дается решений, позволяющих получить концентрированный эстер и обеспечить длительный срок службы катализатора.
В пат. US-5457228, 10.10.1995, предложен способ получения низших алкилацетатов, согласно которому проводят химическое взаимодействие УК и пропена или н-бутена(ов), возможно в смеси с алканами, в прямоточном реакторе в присутствии сульфокатионита при мольном отношении УК и н-алкена(ов) в питании от 1:1 до 2:1, поддерживают температуру на входе в реактор при синтезе изопропилацетата от 70 до 120°С, при синтезе втор-бутилацетата от 80 до 120°С, выходящую из реактора смесь охлаждают до температуры не ниже 70-80°С и часть ее рециркулируют на вход в реактор, причем количество необходимого рецикла определяют по формулам
– при синтезе изопропилацетата:

– при синтезе втор-бутилацетата:

где Х – массовое отношение рециркулируемого потока к количеству питания (сырья),
А – мольное отношение УК к алкену(ам) в питании.
В пат. RU-2176239, 21.06.2000, Бюл. изобр. №33, 27.11.2001, предложен способ получения ВБА путем химического взаимодействия УК и н-бутенов в присутствии сульфокатионита в каскаде из нескольких реакторов, причем при использовании трех реакторов поддерживают температуру на входе в первый реактор 90-110°С, во второй 70-100°С, в третий 70-75°С или при наличии двух реакторов на входе в первый реактор 90-110°С и на входе во второй 70-75°С.
При этом осуществляют рецикл части охлажденной реакционной смеси, выходящей из каждого реактора, на вход в этот реактор. Массовое количество рециклового потока по отношению к количеству сырья определяют по формуле:

где Х и А – понятия, аналогичные вышеуказанным в пат. US-5457228, а В – мольное отношение бутана к н-бутенам в подаваемой бутан-бутеновой смеси, n – номер реактора.
Весьма существенным недостатком способов по пат. US-5457228 и по пат. RU-2176239 является то, что в них даны условия не для реакционных зон, а лишь на входе в них, которые не гарантируют отсутствия чрезмерного завышения температуры в самих реакционных зонах. При этом в них допускается работа без мольного избытка УК по отношению к алкенам: в US-5457228 допускается мольное отношение УК : алкены МО=1:1, а в формуле изобретения RU-2176239 МО УК : алкены вообще не лимитируется, т.е. допускается избыток н-бутенов. При мольном избытке н-бутенов на входе в реактор(ы), при указанной обязательности рециркуляции и отсутствии верхнего предела для X, в реакторе(ах) будет происходить накопление н-бутенов и их олигомеризация. При допускаемых высоких температурах на входе в реакционную зону (соответственно 120 и 110°С) и значительном тепловыделении при проведении сильно экзотермичных реакций УК + алкены, температура внутри реактора может достигать 150°С и выше, когда большое образование ди- и олигомеров алкенов и дезактивация катализатора неизбежны.
Указанная в US-5457228 селективность превращения в алкилацетат 89,5-94,3% является низкой, если учесть, что дальнейшее отделение димеров и тримеров алкенов от алкилацетата и УК весьма затруднительно, а их значительное присутствие мешает отделению ректификацией алкилацетата от УК.
Пат. US-5457228 и пат. RU-2176239 требуют охлаждения всего потока выходящей реакционной смеси, а не только ее рециркулируемой части, что ведет к излишним энергозатратам. Пат. RU-2176239 требует индивидуальной рециркуляции реакционной смеси для каждого из последовательных реакторов, что неоправданно усложняет процесс. В формуле пат. RU-2176239 фигурируют мольные отношения УК : н-бутены и бутан : н-бутены в сырье (бутан-бутеновой фракции), а не на входе в соответствующий реактор. При этом не учитывается уменьшение массы реагентов в результате конверсии в предшествующем(их) реакторе(ах). В результате этого в допускаемых патентом условиях возможно получение отрицательных значений X. Например, при А=1 и В=3 (25% н-бутенов и 75% бутана в углеводородном сырье) вычисляемое для третьего реактора значение Х составляет минус 0,127, чего не может быть при определении отношения двух положительных величин.
Таким образом, указанные патенты не дают способов, гарантирующих необходимое для промышленного использования длительное сохранение активности катализатора и получение чистого алкилацетата.
Нами найден способ получения алкилацетат(ов) из УК и алкена(ов), обеспечивающий эффективную длительную работу катализатора и получение чистого продукта за счет поддержания умеренной температуры и мольного избытка УК непосредственно в реакционных зонах и подавления образования ди- и олигомеров алкенов.
Мы заявляем:
Способ получения алкилацетата из уксусной кислоты и алкена(ов) С3-С5 или его(их) смесей с насыщенными углеводородами путем контактирования при повышенной температуре с твердым сильнокислотным катализатором в одной или нескольких последовательных реакционных зонах с последующим разделением реакционной смеси и выделением концентрированного алкилацетата с помощью ректификации, отличающийся тем, что путем регулирования подачи реагентов, температуры и охлаждения потока(ов) поддерживают в каждой точке реакционной(ых) зоны(зон) и на выходе из нее(них) мольное отношение уксусная кислота : алкен(ы) не менее 1,2:1 и температуру не более 120°С, причем ограничение температуры обеспечивают путем распределенной подачи холодного алкенсодержащего потока с температурой от минус 30 до плюс 60°С, в промежуточные точки реакционной(ых) зоны(зон) и/или между реакционными зонами возможно в комбинации с приемом(ами) охлаждения реакционных потоков, выбираемым(и) из группы, включающей охлаждение реакционной(ых) зоны(зон), охлаждение потоков между реакционными зонами, охлаждение и рециркуляция части выходящего потока реакционной смеси на вход как минимум в первую реакционную зону.
В качестве вариантов, способствующих эффективному использованию способа по п.1, мы также заявляем дополнительные способы, отличающиеся тем, что
– в каждой точке реакционной(ых) зоны(зон) на выходе из нее(них) поддерживают температуру не более 100°С;
– температуру алкенсодержащих потоков, подаваемых в промежуточные точки реакционной(ых) зоны(зон) и/или между реакционными зонами, поддерживают не выше 20°С;
– в качестве твердого сильнокислотного катализатора используют сульфокатионитный катализатор;
– из выходящей из реакционной(ых) зоны(зон) смеси или ее нерециркулируемой части первоначально отгоняют непрореагировавшие углеводороды, возможно последовательно при высоком и при умеренном давлении, часть которых возможно рециркулируют в реакционную(ые) зону(ы), затем алкилацетат отделяют от уксусной кислоты с помощью ректификации и предпочтительно подвергают осушке гетероазеотропной ректификацией;
– в качестве исходного углеводородного потока используют пропен или его смесь с пропаном и в качестве продукта получают изопропилацетат;
– при получении изопропилацетата из реакционной смеси отгоняют пропан-пропеновую фракцию, подвергают ее дополнительной ректификации, при которой выводят и рециркулируют в реакционную(ые) зону(ы) дистиллят с повышенной концентрацией пропена, и выводят кубовый остаток, содержащий преимущественно пропан;
– в качестве исходного углеводородного потока используют н-бутен(ы) или его(их) смесь с насыщенными углеводородами и в качестве продукта получают втор-бутилацетат;
– при получении втор-бутилацетата его отделяют от уксусной кислоты ректификацией, проводимой в присутствии воды;
– в качестве исходного углеводородного потока используют изопентен(ы) и/или н-пентен(ы), либо их смесь с насыщенными углеводородами и в качестве продукта(ов) получают трет-пентилацетат и/или втор-пентилацетат.
При использовании нескольких реакционных зон в качестве таковых понимаются зоны, между которыми осуществляется охлаждение потока(ов) и/или введение дополнительных потоков. При этом реакционные зоны могут располагаться как в отдельных аппаратах, так и в одном общем вертикальном аппарате с межзонным охлаждением и/или введением дополнительных потоков.
Существенный положительный эффект достигается благодаря поддержанию во всех точках реакционных зон мольного избытка уксусной кислоты (УК) по отношению к алкенам и умеренной температуры, чему способствует дискретная подача части холодного алкенсодержащего потока в промежуточные сечения реакционных зон и/или между реакционными зонами. При этом уменьшается необходимая циркуляция УК, поскольку в первую реакционную зону поступает лишь часть алкенов, а другая(ие) часть(и) алкенов поступает(ют) в поток(и), где большая часть алкенов уже исчерпана при образовании алкилацетата. Подаваемые холодные алкенсодержащие потоки одновременно выполняют функцию хладоагента смешения. Указанное позволяет практически подавить образование ди- и олигомеров алкенов, что благоприятно для работы катализатора вследствие отсутствия блокирования его активных центров олигомерами и для получения концентрированного алкилацетата, в котором практически отсутствуют трудно отделимые от него ди- и тримеры алкенов.
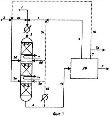
Применение изобретения иллюстрируется фиг.1 и 2 и примерами. Указанные чертежи и примеры не исключают возможности использования иных технологических вариантов при соблюдении признаков, указанных в п.1 формулы изобретения.
Согласно фиг.1 синтез эстера осуществляют в вертикальном аппарате Р, имеющем три последовательные реакционные зоны Р-1, Р-2 и Р-3.
УК поступает в систему по линии 1, а алкенсодержащий поток по линии 2. Поток 2 (возможно после соединения с рециркулируемым алкенсодержащим потоком) разделяют на три потока 2а, 2б и 2в, которые соответственно подают в реакционные зоны Р-1 (по линии 3), Р-2 и Р-3, причем потоки 2б и 2в подают без нагревания.
Поток 1 соединяют с рециркулируемым потоком УК, поступающим по линиям 9 и 6, и подают в зону Р-1 по линии 2а (далее по линии 3). Возможно между реакционными зонами осуществляют охлаждение жидкости с помощью хладоагента ХА.
Из Р-3 выводят по линии 4 реакционную смесь, как минимум часть которой подают по линии 4а в узел разделения (УР). Возможно часть потока 4 охлаждают и по линии 4б (далее 5а, 6 и 3) подают в Р-1. Часть потока 4б возможно подают в Р-2 и/или Р-3 по линиям 5б и 5в.
В УР реакционную смесь (поток 4а) разделяют как минимум на поток непрореагировавших углеводородов (линия 7), поток целевого алкилацетата (линия 8) и поток УК (линия 9). Поток 7 выводят из системы по линии 7а; возможно часть его по линии 6б рециркулируют в реакционный аппарат Р, смешивая с потоком 2. Поток 9 рециркулируют (линии 6 и 3) в Р-1.
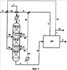
На фиг.2 показано проведение синтеза эстера в трех отдельных последовательных реакционных зонах Р-1, Р-2 и Р-3 с межзонным охлаждением потоков и система разделения реакционной смеси. Распределение и нумерация потоков, подаваемых в реакционные зоны, и потока, выводимого из нее, аналогичны показанным на фиг.1.
Поток реакционной смеси 4а поступает в аппарат К-1 для отгонки непрореагировавших углеводородов. Сверху по линии 7 выводят отогнанные углеводороды, которые далее удаляют из системы по линии 7а и/или частично рециркулируют в реакционный узел по линии 7б, и/или (при получении изопропилацетата) подают в ректификационную колонну К-4. Сверху К-4 по линии 9 выводят пропен-пропановый поток с повышенной концентрацией пропена (его рециркулируют в реакционный узел), а снизу по линии 10 выводят пропановый поток.
Снизу К-1 по линии 8 выводят поток, содержащий преимущественно смесь алкилацетата и УК, который направляют в ректификационную колонну К-2.
Из нижней части К-2 выводят УК (потоки 12 и/или 12а), которую рециркулируют в реакционный узел. Сверху К-2 выводят алкилацетат по линии 13 и далее 13а. Возможно поток алкилацетата по линии 13б подают в колонну азеотропной осушки К-3. Снизу К-3 по линии 14 выводят сухой алкилацетат, а сверху (из отстойника О) выводят поток 15, содержащий преимущественно воду.
При отделении втор-бутилацетата (ВБА) от УК ректификацию в К-2 проводят в присутствии воды, которую отслаивают от ВБА в отстойнике О и по линии 12 возвращают в К-2.
Примеры
В примерах концентрации указаны в мас.%. Используются сокращенные обозначения: УК – уксусная кислота, ППФ – пропен-пропановая фракция, ББФ – бутан-н-бутеновая фракция, ИПА – изопропилацетат, ВБА – втор-бутилацетат, димеры (тримеры) – соответственно димеры (тримеры) алкена(ов), СОЕ – статическая обменная емкость катализатора в мг-экв/г·кат, МО – мольное отношение УК : реагирующий(е) алкен(ы).
Сопоставительный пример (согласно прототипу).
Синтез ВБА проводили из УК и ББФ (н-бутены и бутаны в пропорции 1:1) в соответствии с пат. RU-2176239 в системе с тремя последовательными реакторами с сульфокатионитом (СОЕ=4). МО УК : н-бутены составляло 1:1, температуры на входе в реакторы – соответственно 110°С, 100°С и 75°С. Вычисленный коэффициент рециркуляции (для n=1) Х=3,5. Конверсия н-бутенов составила 82%, селективность их превращения в ВБА 90-92% (остальное – димеры и олигомеры).
Через 150 часов отмечено отложение полимеров на поверхности катализатора и снижение его активности (СОЕ) на 10-15%.
Остальные примеры иллюстрируют предлагаемое нами изобретение.
Пример 1.
Получение ИПА проводят из УК и ППФ, содержащей 75% пропена, в соответствии с фиг.1.
В реакционные зоны загружен мелкозернистый (0,3-1,3 мм) сульфокатионит на основе сополимера стирола и дивинилбензола, имеющий СОЕ=5,0.
УК в количестве 96,0 кг/ч подают в процесс по линии 1, далее по линии 3 в Р-1. Холодную ППФ (минус 20°С) в количестве 100 кг/ч подают в процесс по линии 2. Поток 2 распределяют на потоки 2а, 2б, 2в в пропорции 45:35:20. К потоку 1 присоединяют поток 9 рециркулируемой УК (19,2 кг/ч).
На входах и выходах реакционных зон (РЗ) потоки имеют следующие температуры и МО УК : пропен:
| |
|
Температура, °С |
МО |
| Зона Р-1 |
вход |
70 |
2,4 |
| |
выход |
86 |
14,9 |
| Зона Р-2 |
вход |
70 |
1,7 |
| |
выход |
85 |
4,6 |
| Зона Р-3 |
вход |
72 |
1,3 |
| |
выход |
81 |
1,9 |
Суммарная конверсия пропена в аппарате Р составляет 90%. Из Р по линии 4 выводят 216,4 кг/ч потока, содержащего 11,6% пропана, 3,3% пропена, 8,9% УК, 76,0% ИПА, 0,3% ди- и тримеров.
Поток 4 подают в узел разделения УР и из него выводят по линии 7а 32,3 кг/ч пропан-пропеновой смеси (22,4% пропена), по линии 8 выводят 164,3 кг/ч потока ИПА (его концентрация 99,7%, остальное ди- и тримеры) и по линии 9 выводят 19,8 кг/ч УК (ее возвращают в Р-1).
Через 1400 часов работы не обнаружено снижения активности катализатора и полимерных отложений в оборудовании.
Пример 2.
Получение ИПА проводят согласно фиг.2 в основном при поддержании температур, пропорций потоков и МО, указанных в примере 1, с тем же катализатором.
В отличие от примера 1 ППФ (потоки 2б и 2в) подают с температурой 20°С и в схеме используется колонна К-4. Конверсия пропена суммарно в Р-1, Р-2, Р-3 за проход 75%, общая конверсия пропена в процессе (с учетом рецикла) 99%. Отогнанный из реакционной смеси поток 7 подают в ректификационную колонну К-4, где сверху выводят и возвращают в поток ППФ (поток 2) пропен-пропановую смесь с концентрацией 65% пропена, и снизу выводят в основном пропан (25,0 кг/ч).
После отделения от УК в К-2 по линии 13 выводят 180,2 кг/ч ИПА с концентрацией 99,6% (остальное ди-, тримеры пропена и примесь воды).
Как вариант ИПА подвергают азеотропной осушке в К-3 и снизу ее выводят сухой ИПА.
Через 1000 часов не обнаружено снижения активности катализатора и полимерных отложений.
Пример 3.
Получение ВБА проводят согласно фиг.1 из УК и ББФ, содержащей 50% н-бутенов и 50% бутанов. Используют сульфокатионитный катализатор, имеющий СОЕ=4,1.
УК в количестве 5,1 кг/ч подают в процесс по линии 1 (далее после смешивания с рециклом УК и с частью ППФ по линии 3). Холодную (10°С) ББФ в количестве 100 кг/ч подают в процесс по лини 2. Поток 2 распределяют на потоки 2а, 2б и 2в в пропорции 50:35:15.
На входах и выходах реакционных зон потоки имеют следующие температуры и МО УК/н-бутены:
| |
|
Температура, °С |
МО |
| Зона Р-1 |
вход |
80 |
2,30 |
| |
выход |
93 |
8,10 |
| Зона Р-2 |
вход |
79 |
1,65 |
| |
выход |
92 |
3,80 |
| Зона Р-3 |
вход |
77 |
1,55 |
| |
выход |
86 |
3,10 |
Суммарная конверсия н-бутенов в Р составляет 92-93%. Из Р по линии 4 выводят и подают в УР 161,4 кг/ч потока, содержащего 31,0% бутанов, 2,0% н-бутенов, 6,7% УК, 60,0% ВБА, 0,3% димеров.
Из УР выводят по линиям 7 и 7а 53,2 кг/ч бутан-бутеновой смеси (94,0% бутанов и 6,0% н-бутенов), по линии 8 выводят 96,9 кг/ч ВБА с концентрацией 99,5% (остальное ди-, тримеры) и по линии 9 выводят 11,3 кг/ч УК (с 4% ВБА), которую возвращают в Р-1.
Через 1440 часов работы не обнаружено снижения активности катализатора и полимерных отложений.
Пример 4.
Получение ВБА проводят согласно фиг.2 в основном при поддержании температуры, пропорции потоков, указанных в примере 3, с тем же катализатором.
В отличие от примера 3 половину потока 4 охлаждают до 80-85°С и рециркулируют по линии 46 (далее 5а, 6 и 3) в Р-1. От остальной части потока 4 в К-1 отгоняют бутан-бутеновую смесь (3% бутенов), половину которой (51,5 кг/ч) выводят по линии 7а, а другую половину рециркулируют по линии 7б, далее 11, на смешивание с потоком 2.
Конверсия н-бутенов в процессе (с учетом рецикла) составляет 96%.
Оставшуюся в кубе К-1 смесь (поток 8) подают в ректификационную колонну К-2, где ВБА отделяют от УК в присутствии воды. По линии 13 выводят 100,9 кг/ч ВБА с концентрацией 99,5% (остальное димеры). По линии 12 выводят 10,7 кг/ч УК с 3% ВБА, которую рециркулируют в Р-1.
Как вариант, ВБА подвергают азеотропной осушке в К-3 и снизу по линии 14 выводят сухой ВБА.
Через 1000 часов работы не обнаружено снижения активности катализатора и образования полимерных отложений.
Пример 5.
Получение трет-пентилацетата (ТПА) проводят согласно фиг.1 из УК и пентан-пентеновой фракции, содержащей суммарно 30% пентенов (2-метил-1-бутена и 2-метил-2-бутена в пропорции 1:1,7). Используют сульфокатионитный катализатор, имеющий СОЕ=4,3. УК в количестве 24,2 кг/ч подают в процесс по линии 1 (далее после смешивания с рециркулируемой УК и частью пентан-пентеновой фракции – по линии 3).
Холодную (25°С) пентан-пентеновую фракцию подают в процесс по линии 2 в количестве 100 кг/ч. Поток 2 распределяют на потоки 2, 2б и 2в в пропорции 50:35:15.
На входах и выходах реакционных зон потоки имеют следующие температуры и МО УК/трет-пентены:
| Зона |
Вход, °С |
Выход, °С |
МО (вход) |
МО (выход) |
| P-1 |
45 |
65 |
2,8 |
7,5 |
| Р-2 |
45 |
64 |
2,1 |
4,4 |
| Р-3 |
43 |
52 |
2,0 |
7,8 |
Конверсия трет-пентенов в процессе 90-92%.
В узле УР, после отгонки непрореагировавших углеводородов C5, УК отгоняют от ТПА в составе дистиллята при ректификации в присутствии относительно высококипящих (100-125°С) насыщенных углеводородов и возвращают в P-1.
Из УР выводят 91,8 кг/ч потока 7 (углеводородов C5 с содержанием 2,5% трет-пентенов), 53,8 кг/ч потока 8 (в нем 97,4% ТПА, 0,7% димеров, 1,9% высококипящих насыщенных углеводородов) и 17 кг/ч потока 9 (в нем 70,7% УК, 5,8% ТПА, 23,5% высококипящих насыщенных углеводородов). Поток 9 рециркулируют в Р-1.
Через 900 часов работы не обнаружено снижения активности катализатора и образования полимерных отложений.
Пример 6.
Получение ИПА проводят согласно фиг.1 из УК и концентрированного пропена (99,9% пропена, остальное – примесь пропана). Используют формованный сульфокатионитный катализатор КУ-2ФПП (гранулы диаметром 4-5 мм, длиной 5-7 мм, СОЕ-3,5).
УК в количестве 90 кг/ч подают в процесс по линии 1, холодный пропен (минус 20°С) в количестве 63 кг/ч подают в процесс по линии 2. Поток 2 распределяют на потоки 2а, 2б и 2в в пропорции 40:35:25. К потоку 1 присоединяют поток 9 рециркулируемой УК, к потоку 2 присоединяют 7б рециркулируемого потока пропена.
В реакторе поддерживают конверсию пропена 75%, после отгонки от продукта в УР в реакционные зоны (первоначально в линию 2) возвращают 15,75 кг/ч пропена. Из УР на вход в P-1 (линии 9, 6) возвращают 135 кг/ч УК.
На входах и выходах реакционных зон поддерживают температуру (°С): зона P-1 – вход 60, выход 75; зона Р-2 – вход 63, выход 78; зона Р-3 – вход 63, выход 77. Во всех точках реакционных зон МО УК : пропен существенно выше чем 1,2:1.
По линии 4 из Р-3 выводят поток 307 кг/ч, в котором преобладают УК, ИПС и пропен. Из узла разделения УР по линии 8 выводят 153 кг/ч потока, содержащего преимущественно ИПА (99,6%), остальное – ди- и тримеры пропена.
Через 1000 часов работы не обнаружено полимерных отложений в оборудовании. СОЕ сульфоионитного катализатора снизилось на незначительную величину и составило 3,4.
Формула изобретения
1. Способ получения алкилацетата из уксусной кислоты и алкена(ов) С3-С5 или его(их) смесей с насыщенными углеводородами путем контактирования при повышенной температуре с твердым сильнокислотным катализатором в одной или нескольких последовательных реакционных зонах с последующим разделением реакционной смеси и выделением концентрированного алкилацетата с помощью ректификации, отличающийся тем, что путем регулирования подачи реагентов, температуры и охлаждения потока(ов) поддерживают в каждой точке реакционной(ых) зоны(зон) и на выходе из нее(них) мольное соотношение уксусная кислота : алкен(ы) не менее 1,2:1 и температуру не более 120°С, причем ограничение температуры обеспечивают путем распределенной подачи холодного алкенсодержащего потока с температурой от минус 30 до плюс 60°С в промежуточные точки реакционной(ых) зоны(зон) и/или между реакционными зонами возможно в комбинации с приемом(ами) охлаждения реакционных потоков, выбираемым(и) из группы, включающей охлаждение реакционной(ых) зоны(зон), охлаждение потоков между реакционными зонами, охлаждение и рециркуляцию части выходящего потока реакционной смеси на вход как минимум в первую реакционную зону.
2. Способ по п.1, отличающийся тем, что в каждой точке реакционной(ых) зоны(зон) на выходе из нее(них) поддерживают температуру не более 100°С.
3. Способ по п.1, отличающийся тем, что температуру алкенсодержащих потоков, подаваемых в промежуточные точки реакционной(ых) зоны(зон) и/или между реакционными зонами, поддерживают не выше 20°С.
4. Способ по п.1, отличающийся тем, что в качестве указанного твердого сильнокислотного катализатора используют сульфокатионитный катализатор.
5. Способ по п.1, отличающийся тем, что из выходящей из реакционной(ых) зоны(зон) смеси или ее нерециркулируемой части первоначально отгоняют непрореагировавшие углеводороды, возможно последовательно при высоком и при умеренном давлении, часть которых возможно рециркулируют в реакционную(ые) зону(ы), затем алкилацетат отделяют от уксусной кислоты с помощью ректификации и предпочтительно подвергают осушке гетероазеотропной ректификацией.
6. Способ по п.1, отличающийся тем, что в качестве исходного углеводородного потока используют пропен или его смесь с пропаном и в качестве продукта получают изопропилацетат.
7. Способ по п.1, отличающийся тем, что при получении изопропилацетата из реакционной смеси отгоняют пропан-пропеновую фракцию, подвергают ее дополнительной ректификации, при которой выводят и рециркулируют в реакционную(ые) зону(ы) дистиллят с повышенной концентрацией пропена и выводят кубовый остаток, содержащий преимущественно пропан.
8. Способ по п.1, отличающийся тем, что в качестве исходного углеводородного потока используют н-бутен(ы) или его(их) смесь с насыщенными углеводородами и в качестве продукта получают втор-бутилацетат.
9. Способ по п.1, отличающийся тем, что при получении втор-бутилацетата его отделяют от уксусной кислоты ректификацией, проводимой в присутствии воды.
10. Способ по п.1, отличающийся тем, что в качестве исходного углеводородного потока используют изопентен(ы), и/или н-пентен(ы), либо их смесь с насыщенными углеводородами и в качестве продукта(ов) получают трет-пентилацетат и/или втор-пентилацетат.
РИСУНКИ
|
|