|
|
(21), (22) Заявка: 2004116200/11, 28.05.2004
(24) Дата начала отсчета срока действия патента:
28.05.2004
(43) Дата публикации заявки: 10.11.2005
(46) Опубликовано: 20.12.2008
(56) Список документов, цитированных в отчете о поиске:
Системы железнодорожной автоматики и телемеханики. /Под ред. Ю.А. Кравцова. – М.: Транспорт, 1996, с.95-97, рис.4.11. RU 2116923 С1, 10.08.1998. RU 2115580 С1, 20.07.1998. RU 2090418 С1, 20.09.1997.
Адрес для переписки:
117342, Москва, ул. Миклухо-Маклая, 44, кв.181, П.Ф. Бестемьянову
|
(72) Автор(ы):
Бестемьянов Петр Филимонович (RU), Лисенков Виктор Михайлович (RU)
(73) Патентообладатель(и):
Бестемьянов Петр Филимонович (RU), Лисенков Виктор Михайлович (RU)
|
(54) УСТРОЙСТВО АВТОМАТИЧЕСКОЙ БЛОКИРОВКИ
(57) Реферат:
Изобретение относится к области железнодорожного транспорта. Устройство содержит два управляющих микропроцессорных контроллера (К), каждый из которых включает в себя два порта последовательной передачи данных, порт адреса, порт параллельного ввода информации и порт ввода-вывода информации. Имеются схема выбора кодовых сигналов, демультиплексор и мультиплексор. Выход второго порта последовательной передачи данных первого К через генератор, включающий в себя модем с угловой модуляцией и путевой усилитель, подключен к информационному входу демультиплексора. Адресные входы демультиплексора подключены к порту адреса первого К, а выходы – к соответствующей кабельной линии и через согласующий элемент – к питающему концу рельсовой цепи. Приемный конец рельсовой цепи через соответствующее согласующее устройство и кабельную линию подключен к соответствующему информационному входу мультиплексора. Выход мультиплексора подключен к входу приемника, включающего в себя фильтр, демодулятор угловой модуляции и аналого-цифровой преобразователь. Выход фильтра подключен к входам демодулятора и аналого-цифрового преобразователя. Выход демодулятора подключен ко второму порту последовательной передачи данных второго К. Выходы аналого-цифрового преобразователя подключены к порту параллельного ввода информации того же К. Адресные входы мультиплексора подключены к порту адреса второго К. Выходы схемы выбора кодовых сигналов подключены к кабельной линии, а ее первые и вторые входы соединены соответственно с путевыми устройствами автоматической локомотивной сигнализации и портом ввода-вывода информации первого К. Линейные цепи, соединяющие аппаратуру двух станций, подключены к порту ввода-вывода информации второго К. Входы порта параллельного ввода информации первого К подключены к цепям электрической централизации. Первый и второй К соединены между собой через первые порты последовательной передачи данных. Устройство позволяет повысить безопасность движения поездов и характеризуется расширенными функциональными возможностями, пониженными энергопотреблением и габаритами. 2 з.п. ф-лы, 1 ил., 1 табл.
Изобретение относится к области железнодорожного транспорта, в частности к устройствам обеспечения безопасности движения поездов.
Известны устройства, обеспечивающие пространственное разграничение поездов на линии с помощью блок-участков, каждый из которых огражден оповестительными табличками или светофором. Основу автоблокировки составляют рельсовые цепи без изолирующих стыков [Системы железнодорожной автоматики и телемеханики: Под ред. Ю.А.Кравцова. М.: Транспорт, 1996, стр.95-97, рис.4.11]. На каждые две рельсовые цепи устанавливается один передающий генератор. Генераторы чередуются в пределах перегона, и каждый из них запитывает две смежные рельсовые цепи, расположенные по обе стороны от точки его подключения к рельсовой линии. Смежные рельсовые цепи получают питание от генераторов с разными несущими частотами. Состояние рельсовых цепей контролируется двумя путевыми приемниками, каждый из которых настроен на прием сигналов первой и второй несущих частот. Влияние частоты генератора на приемник, расположенный через две рельсовые цепи, исключается за счет затухания сигнала в трех рельсовых цепях. Каждый генератор включает в себя амплитудный модулятор и путевой усилитель, путевой приемник содержит фильтр, амплитудный демодулятор и решающее устройство. Вся аппаратура, за исключением согласующих элементов (трансформатор или дроссель-трансформатор), размещается на станциях, ограничивающих перегон, и соединяется с согласующими элементами кабельными линиями. Путевые приемники и путевые усилители подключаются к рельсовой линии через кабельные линии и согласующие элементы. К кабельной линии через схему выбора кодовых сообщений подключаются также путевые устройства автоматической локомотивной сигнализации (АЛС) и через схему выбора кодовых сообщений обеспечивается согласование показания входного светофора на станцию с установленными маршрутами электрической централизацией (ЭЦ). Передача кодовых сигналов АЛС в рельсовую линию начинается с момента занятия поездом данного участка пути. Кодовый сигнал, подаваемый в рельсовую цепь, определяется состоянием путевых участков, расположенных перед данным участком по ходу движения поезда. Перед входными светофорами кодовые сигналы, подаваемые в рельсовую цепь, определяются также состоянием управляющих и сигнальных реле входных светофоров. Для обеспечения работы системы на заданном перегоне необходимо передать с одной станции информацию о состоянии участков перегона на другую станцию. Эти функции решаются в зависимости от установленного направления движения с помощью линейных цепей.
Недостаток устройства заключается в необходимости больших затрат на аппаратуру, высокое энергопотребление, поскольку сигналы несущих частот передаются во все рельсовые цепи одновременно, и возможность возникновения опасной ситуации, поскольку при высоком сопротивлении балласта, при занятой данной рельсовой цепи, возможна ложная подпитка приемника через три рельсовые цепи от генератора, работающего на той же частоте.
Целью данного изобретения является повышение безопасности, снижение энергопотребления, габаритов аппаратуры и расширение функциональных возможностей.
Сущность изобретения выражается в совокупности следующих существенных признаков.
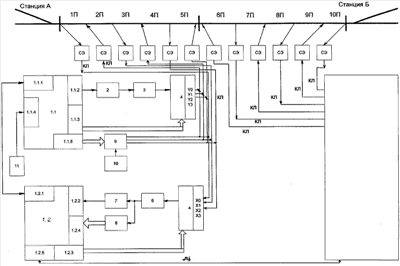
Устройство содержит (чертеж) первый 1.1 и второй 1.2 управляющие микропроцессорные контроллеры, каждый из которых включает в себя первый порт последовательной передачи данных, 1.1.1 и 1.2.1 соответственно; второй порт последовательной передачи данных, 1.1.2 и 1.2.2 соответственно; порт адреса, 1.1.3 и 1.2.3 соответственно; порт параллельного ввода информации, 1.1.4 и 1.2.4 соответственно; порт ввода-вывода информации, 1.1.5 и 1.2.5 соответственно.
В устройство введен демультиплексор 4 и мультиплексор 5. Выход второго порта последовательной передачи данных 1.1.2 через модем с угловой модуляцией 2 и путевой усилитель 3 подключен к информационному входу демультиплексора 4, выходы которого Y0, Y1, Y2, …, Yk подключаются к соответствующей кабельной линии (КЛ), и через согласующий элемент (СЭ) к питающему концу рельсовой цепи. Адресные входы демультиплексора 4 подключены к порту адреса 1.1.3 первого 1.1 управляющего микропроцессорного контроллера. Приемный конец рельсовой цепи через соответствующее согласующее устройство и кабельную линию подключается к соответствующему информационному входу Х0, X1, Х2, …, Xk мультиплексора 5, выход которого подключен к входу приемника, включающего в себя фильтр 6, демодулятор угловой модуляции 7 и аналого-цифровой преобразователь 8. Выход фильтра 6 подключен к входам демодулятора 7 и аналого-цифрового преобразователя 8. Выход демодулятора 7 подключается ко второму порту последовательной передачи данных 1.2.2 второго 1.2 управляющего микропроцессорного контроллера, а выходы аналого-цифрового преобразователя 8 к порту параллельного ввода информации 1.2.4 того же контроллера. Адресные входы мультиплексора 5 подключены к порту адреса 1.2.3 второго 1.2 управляющего микропроцессорного контроллера. Выходы схемы выбора кодовых сигналов 9 подключаются к кабельной линии, ее первые входы соответственно соединены с путевыми устройствами автоматической локомотивной сигнализации 10, а вторые входы подключаются к порту вывода 1.1.5 первого 1.1 управляющего микропроцессорного контроллера. Линейные цепи (ЛЦ), соединяющие аппаратуру двух станций, подключаются к порту 1.2.5 ввода-вывода информации второго 1.2 управляющего микропроцессорного контроллера, а входы порта 1.1.4 ввода-вывода информации подключаются к цепям электрической централизации 11. Первый 1.1 и второй 1.2 управляющие микропроцессорные контроллеры соединены между собой через первые 1.1.1 и 1.2.1 порты последовательной передачи данных.
Устройство работает следующим образом.
Каждому выходу демультиплексора 4 и каждому входу мультиплексора 5 присвоен свой цифровой код – адрес. Выход демультиплексора 4 Y0 будет подключен к выходу усилителя 3, если на адресном входе будет код 00. Соответственно информационный вход Х0 мультиплексора 5 подключается к входу фильтра 6 при комбинации 00 на адресных входах мультиплексора 5. Выход демультиплексора 4 Y1 будет подключен к выходу усилителя 3, если на адресном входе будет код 01. Соответственно информационный вход X1 мультиплексора 5 подключается к входу фильтра 6 при комбинации 01 на адресных входах мультиплексора 5. Выход демультиплексора 4 Y2 будет подключен к выходу усилителя 3, если на адресном входе будет код 10. Соответственно информационный вход Х2 мультиплексора 5 подключается к входу фильтра 6 при комбинации 10 на адресных входах мультиплексора 5. Выход демультиплексора 4 Y2 будет подключен к выходу усилителя 3, если на адресном входе будет код 11. Соответственно информационный вход Х3 мультиплексора 5 подключается к входу фильтра 6 при комбинации 11 на адресных входах мультиплексора 5.
Поэтому первый 1.1 управляющий микропроцессорный контроллер на выходе порта адреса 1.1.3 устанавливает адрес 00, в это время второй 1.2 управляющий микропроцессорный контроллер устанавливает на своем адресном порту 1.2.3 адрес 00, и поэтому образуется рельсовая цепь 1П. Кодовая комбинация кода Бауэра через порт 1.1.2 последовательной передачи данных выдается на модем 2 с угловой модуляцией, усиливается в усилителе 3 и через демультиплексор 4, кабельную линию и согласующие устройства поступает на вход Х0 демультиплексора 5. С выхода демультиплексора сигнал из рельсовой цепи 1П поступает на вход фильтра 6, в котором фильтруется от помех, и затем производится его демодуляция в блоке 7, на выходе которого будет принятая кодовая комбинация кода Бауэра, которая поступает во второй 1.2 управляющий микропроцессорный контроллер через порт 1.2.2 последовательной передачи данных. Время опроса рельсовой цепи 1П равно времени передачи семи кодовых комбинаций. За время опроса аналого-цифровой преобразователь определяет уровень сигнала на приемном конце рельсовой цепи 1П, который считывается вторым 1.2 управляющим микропроцессорным контроллером. Решение о свободности рельсовой цепи 1П принимается на основе совпадения двух событий: уровень сигнала на приемном конце рельсовой цепи выше порогового значения, и принято правильно по крайней мере пять кодовых комбинаций из семи переданных. Если одно из этих событий не выполняется, то принимается решение о занятости рельсовой цепи 1П.
По окончании времени опроса рельсовой цепи 1П первый 1.1 управляющий микропроцессорный контроллер на выходе порта адреса 1.1.3 устанавливает адрес 00, в это время второй 1.2 управляющий микропроцессорный контроллер устанавливает на своем адресном порту 1.2.3 адрес 01, и поэтому образуется рельсовая цепь 2П. Кодовая комбинация кода Бауэра через порт 1.1.2 последовательной передачи данных выдается на модем 2 с угловой модуляцией, усиливается в усилителе 3 и через демультиплексор 4, кабельную линию и согласующие устройства поступает на вход X1 демультиплексора 5. С выхода демультиплексора сигнал из рельсовой цепи 2П поступает на вход фильтра 6, в котором фильтруется от помех, и затем производится его демодуляция в блоке 7, на выходе которого будет принятая кодовая комбинация кода Бауэра, которая поступает во второй 1.2 управляющий микропроцессорный контроллер через порт 1.2.2 последовательной передачи данных. Время опроса рельсовой цепи 2П равно времени передачи семи кодовых комбинаций. За время опроса аналого-цифровой преобразователь определяет уровень сигнала на приемном конце рельсовой цепи 2П, который считывается вторым 1.2 управляющим микропроцессорным контроллером. Решение о свободности рельсовой цепи 2П принимается на основе совпадения двух событий: уровень сигнала на приемном конце рельсовой цепи выше порогового значения, и принято правильно по крайней мере пять кодовых комбинаций из семи переданных. Если одно из этих событий не выполняется, то принимается решение о занятости рельсовой цепи 2П.
По окончании времени опроса рельсовой цепи 2П первый 1.1 управляющий микропроцессорный контроллер на выходе порта адреса 1.1.3 устанавливает адрес 01, в это время второй 1.2 управляющий микропроцессорный контроллер устанавливает на своем адресном порту 1.2.3 адрес 01, и поэтому образуется рельсовая цепь 3П. Кодовая комбинация кода Бауэра через порт 1.1.2 последовательной передачи данных выдается на модем 2 с угловой модуляцией, усиливается в усилителе 3 и через демультиплексор 4, кабельную линию и согласующие устройства поступает на вход X1 демультиплексора 5. С выхода демультиплексора сигнал из рельсовой цепи 3П поступает на вход фильтра 6, в котором фильтруется от помех, и затем производится его демодуляция в блоке 7, на выходе которого будет принятая кодовая комбинация кода Бауэра, которая поступает во второй 1.2 управляющий микропроцессорный контроллер через порт 1.2.2 последовательной передачи данных. Время опроса рельсовой цепи 3П равно времени передачи семи кодовых комбинаций. За время опроса аналого-цифровой преобразователь определяет уровень сигнала на приемном конце рельсовой цепи 3П, который считывается вторым 1.2 управляющим микропроцессорным контроллером. Решение о свободности рельсовой цепи 3П принимается на основе совпадения двух событий: уровень сигнала на приемном конце рельсовой цепи выше порогового значения, и принято правильно по крайней мере пять кодовых комбинаций из семи переданных. Если одно из этих событий не выполняется, то принимается решение о занятости рельсовой цепи 3П.
По окончании времени опроса рельсовой цепи 3П первый 1.1 управляющий микропроцессорный контроллер на выходе порта адреса 1.1.3 устанавливает адрес 01, в это время второй 1.2 управляющий микропроцессорный контроллер устанавливает на своем адресном порту 1.2.3 адрес 10, и поэтому образуется рельсовая цепь 4П. Кодовая комбинация кода Бауэра через порт 1.1.2 последовательной передачи данных выдается на модем 2 с угловой модуляцией, усиливается в усилителе 3 и через демультиплексор 4, кабельную линию и согласующие устройства поступает на вход Х2 демультиплексора 5. С выхода демультиплексора сигнал из рельсовой цепи 4П поступает на вход фильтра 6, в котором фильтруется от помех, и затем производится его демодуляция в блоке 7, на выходе которого будет принятая кодовая комбинация кода Бауэра, которая поступает во второй 1.2 управляющий микропроцессорный контроллер через порт 1.2.2 последовательной передачи данных. Время опроса рельсовой цепи 4П равно времени передачи семи кодовых комбинаций. За время опроса аналого-цифровой преобразователь определяет уровень сигнала на приемном конце рельсовой цепи 4П, который считывается вторым 1.2 управляющим микропроцессорным контроллером. Решение о свободности рельсовой цепи 4П принимается на основе совпадения двух событий: уровень сигнала на приемном конце рельсовой цепи выше порогового значения, и принято правильно по крайней мере пять кодовых комбинаций из семи переданных. Если одно из этих событий не выполняется, то принимается решение о занятости рельсовой цепи 4П.
По окончании времени опроса рельсовой цепи 4П первый 1.1 управляющий микропроцессорный контроллер на выходе порта адреса 1.1.3 устанавливает адрес 10, в это время второй 1.2 управляющий микропроцессорный контроллер устанавливает на своем адресном порту 1.2.3 адрес 10, и поэтому образуется рельсовая цепь 5П. Кодовая комбинация кода Бауэра через порт 1.1.2 последовательной передачи данных выдается на модем 2 с угловой модуляцией, усиливается в усилителе 3 и через демультиплексор 4, кабельную линию и согласующие устройства поступает на вход Х2 демультиплексора 5. С выхода демультиплексора сигнал из рельсовой цепи 5П поступает на вход фильтра 6, в котором фильтруется от помех, и затем производится его демодуляция в блоке 7, на выходе которого будет принятая кодовая комбинация кода Бауэра, которая поступает во второй 1.2 управляющий микропроцессорный контроллер через порт 1.2.2 последовательной передачи данных. Время опроса рельсовой цепи 5П равно времени передачи семи кодовых комбинаций. За время опроса аналого-цифровой преобразователь определяет уровень сигнала на приемном конце рельсовой цепи 5П, который считывается вторым 1.2 управляющим микропроцессорным контроллером. Решение о свободности рельсовой цепи 5П принимается на основе совпадения двух событий: уровень сигнала на приемном конце рельсовой цепи выше порогового значения, и принято правильно по крайней мере пять кодовых комбинаций из семи переданных. Если одно из этих событий не выполняется, то принимается решение о занятости рельсовой цепи 5П.
Информация о состоянии рельсовых цепей 1П-5П через порт 1.2.5 ввода-вывода информации по линейным цепям передается в соответствующий порт управляющего контроллера соседней станции. Аппаратура соседней станции работает аналогично, и по линейным цепям в порт 1.2.5 поступает информация о состоянии рельсовых цепей 6П-10П. Для исключения влияния сигналов рельсовых цепей 5П и 6П друг на друга между ними должен быть установлен изолирующий стык.
Для синхронизации работы демультиплексора 4 и мультиплексора 5 первый и второй управляющие контроллеры обмениваются информацией через первые 1.1.1 и 1.2.1 порты последовательной передачи данных.
К кабельной линии через схему выбора кодовых сообщений подключаются также путевые устройства автоматической локомотивной сигнализации (АЛС) 10, и через схему 9 выбора кодовых сообщений обеспечивается согласование показания входного светофора на станцию с установленными маршрутами электрической централизацией через блок согласования 11, информация об этом поступает в первый 1.1 управляющий микропроцессорный контроллер через порт 1.1.4 параллельного ввода информации. Передача кодовых сигналов АЛС в рельсовую линию начинается с момента занятия поездом данного участка пути. Кодовый сигнал АЛС, подаваемый в рельсовую цепь, определяется состоянием путевых участков, расположенных перед данным участком по ходу движения поезда. Перед входными светофорами кодовые сигналы, подаваемые в рельсовую цепь, определяются также состоянием управляющих и сигнальных реле (блок 11) входных светофоров.
Разрешенные комбинации восьмиразрядного кода Бауэра приведены в таблице.
| Тетрада исходного кода |
Код Бауэра |
| Двоичный код |
16-ричный код |
Двоичный код |
16-ричный код |
| 0000 |
0 |
00000001 |
01 |
| 0001 |
1 |
00011111 |
1f |
| 0010 |
2 |
00101100 |
2 с |
| 0011 |
3 |
00110010 |
32 |
| 0100 |
4 |
01001010 |
4а |
| 0101 |
5 |
01010100 |
54 |
| 0110 |
6 |
01100111 |
67 |
| 0111 |
7 |
01111001 |
79 |
| 1000 |
8 |
10000110 |
86 |
| 1001 |
9 |
10011000 |
98 |
| 1010 |
а |
10101011 |
ab |
| 1011 |
b |
10110101 |
b5 |
| 1100 |
с |
11001101 |
cd |
| 1101 |
d |
11010011 |
d3 |
| 1110 |
e |
11100000 |
e0 |
| 1111 |
f |
11111110 |
fe |
В каждую рельсовую цепь 1П-10П посылается своя разрешенная комбинация кода Бауэра.
Таким образом, введение в устройство демультиплексора 4 и мультиплексора 5 позволяет значительно сократить габариты аппаратуры, поскольку на все рельсовые цепи используется только один путевой усилитель и один приемник, одновременно снижается энергопотребление, которое определяется мощностью, отдаваемой в одну рельсовую цепь, а не одновременно во все рельсовые цепи, как в известных устройствах. Повышается безопасность движения, поскольку исключается ложная подпитка приемника от передатчика через три рельсовые цепи при повышении сопротивления балласта.
Формула изобретения
1. Устройство автоматической блокировки, содержащее рельсовые линии, согласующие элементы, кабельные линии, линейные цепи, генератор, приемник, блок согласования с электрической централизацией, путевые устройства автоматической локомотивной сигнализации, схему выбора кодовых сигналов, первые входы схемы выбора кодовых сигналов соединены с путевыми устройствами автоматической локомотивной сигнализации, выходы схемы выбора кодовых сигналов подключены к соответствующей кабельной линии, а кабельные линии подключены к передающим и приемным концам рельсовой линии через согласующие устройства, отличающееся тем, что в него введены первый и второй управляющие микропроцессорные контроллеры, каждый из которых включает в себя первый порт последовательной передачи данных, второй порт последовательной передачи данных, порт адреса, порт параллельного ввода информации и порт ввода-вывода информации, демультиплексор и мультиплексор, при этом выход второго порта последовательной передачи данных первого управляющего микропроцессорного контроллера через генератор подключен к информационному входу демультиплексора, выходы которого подключены к соответствующей передающей кабельной линии, адресные входы демультиплексора подключены к порту адреса первого управляющего микропроцессорного контроллера, а приемная кабельная линия подключена к соответствующему информационному входу мультиплексора, выход которого подключен ко входу приемника, выход приемника подключен ко второму порту последовательной передачи данных второго управляющего микропроцессорного контроллера, а дополнительный выход приемника подключен к порту параллельного ввода информации второго управляющего микропроцессорного контроллера, адресные входы мультиплексора подключены к порту адреса второго управляющего микропроцессорного контроллера, вторые входы схемы выбора кодовых сигналов подключены к порту ввода-вывода информации первого управляющего микропроцессорного контроллера, линейные цепи подключены к порту ввода-вывода информации второго управляющего микропроцессорного контроллера, входы порта параллельного ввода информации первого управляющего микропроцессорного контроллера подключены к блоку согласования с электрической централизацией, первый и второй управляющие микропроцессорные контроллеры соединены между собой через первые порты последовательной передачи данных.
2. Устройство по п.1, отличающееся тем, что генератор содержит модем с угловой модуляцией и путевой усилитель, соединенные последовательно, причем вход модема является управляющим входом генератора, а выход путевого усилителя является выходом генератора.
3. Устройство по п.2, отличающееся тем, что приемник содержит фильтр, демодулятор угловой модуляции и аналого-цифровой преобразователь, выход фильтра подключен к входам демодулятора угловой модуляции и аналого-цифрового преобразователя, выход демодулятора угловой модуляции является выходом приемника, выход аналого-цифрового преобразователя является дополнительным выходом приемника, а вход фильтра является входом приемника.
РИСУНКИ
MM4A – Досрочное прекращение действия патента СССР или патента Российской Федерации на изобретение из-за неуплаты в установленный срок пошлины за поддержание патента в силе
Дата прекращения действия патента: 29.05.2008
Извещение опубликовано: 10.06.2010 БИ: 16/2010
|
|