|
|
(21), (22) Заявка: 2007126390/15, 12.07.2007
(24) Дата начала отсчета срока действия патента:
12.07.2007
(46) Опубликовано: 20.12.2008
(56) Список документов, цитированных в отчете о поиске:
SU 1006896 А, 08.10.1981. RU 22063 U1, 10.03.2002. ХОДОРОВ Е.И. Современная технология производства цементного клинкера. – Л.-М.: ГСИ, 1960, с.71-79. US 4731101 А, 15.03.1988.
Адрес для переписки:
400087, г.Волгоград, ул. Новороссийская, 10, ООО “ПТБ ПСО Волгоградгражданстрой”
|
(72) Автор(ы):
Крючков Геннадий Павлович (RU), Тетерев Максим Владимирович (RU), Азаров Валерий Николаевич (RU), Теличенко Владимир Иванович (RU), Ажгиревич Артем Иванович (RU), Гутенев Владимир Владимирович (RU), Азаров Денис Валерьевич (RU), Недре Андрей Юрьевич (RU)
(73) Патентообладатель(и):
ООО “ПТБ ПСО Волгоградгражданстрой” (RU)
|
(54) АСПИРАЦИОННАЯ УСТАНОВКА
(57) Реферат:
Изобретение относится к области очистки воздуха и аспирации технологических объектов. Аспирационная установка включает колосниковый охладитель с патрубком ввода охлаждающего воздуха, пылеуловитель, сообщенный с трубопроводом вывода очищенного воздуха в атмосферу, и вентилятор. Новым является то, что в качестве пылеуловителя установка содержит вихревой инерционный пылеуловитель с верхним и нижним входными патрубками и с верхним осевым выходным патрубком, соединенным с всасывающим патрубком вытяжного вентилятора, при этом верхний входной патрубок пылеуловителя соединен с патрубком вывода воздуха из колосникового охладителя посредством трубопровода, снабженного первым дроссельным клапаном, а трубопровод подачи воздуха в установку соединен с патрубком ввода охлаждающего воздуха в колосниковый охладитель, с нижним входным патрубком пылеуловителя посредством трубопровода, снабженного вторым дроссельным клапаном, и с всасывающим патрубком вытяжного вентилятора посредством трубопровода, снабженного третьим дроссельным клапаном. Изобретение позволяет обеспечить эффективную очистку охлаждающего воздуха, выходящего из колосникового охладителя. 1 ил.
Изобретение относится к области очистки воздуха от пыли и может быть использовано в химической промышленности или в производстве строительных материалов, а именно в системах аспирации колосниковых охладителей глиноземного спека, доломитов и цемента.
Известна аспирационная установка, содержащая пылеулавливающее устройство, выполненное в виде двух вихревых инерционных пылеуловителей, имеющих общий пылевой бункер, соединенный через тканевый фильтр с всасывающим патрубком вентилятора, при этом к верхнему и нижнему входам пылеуловителей подсоединены местные аспирационные отсосы от технологического оборудования, а выходы очищенного газа соединены с всасывающим патрубком вентилятора, нагнетательный патрубок которого через аппарат мокрой очистки соединен с дымовой трубой (см. свидетельство на полезную модель RU №22063 U1, опубликовано 10.03.2002 г.). Данная установка предназначена, главным образом, для очистки газов, отсасываемых от сушильных барабанов и грохотов, используемых в химической и горнодобывающей промышленности, и недостаточно эффективна для очистки имеющего достаточно высокую температуру, содержащего большое количество мелкодисперсных частиц и влаги охлаждающего газа, прошедшего через колосниковый охладитель, используемый в производстве глиноземного спека, доломитов и цемента.
Наиболее близким аналогом предложенного изобретения является аспирационная установка, содержащая патрубок ввода охлаждающего воздуха в колосниковый охладитель, включающий размещенные непосредственно в его холодной и горячей зонах игольчатые электроды, соединенные с источником тока. Наличие многочисленных точечных зарядов на игольчатых электродах приводит к возникновению продольного электрического поля между этими электродами и слоем охлаждаемого материала, воздействующего на пылевые частицы и способствующего интенсивному их осаждению непосредственно в месте образования. Таким образом, значительная часть пыли осаждается непосредственно в охладителе, но выходящий из колосникового охладителя газ содержит высокодисперсную пыль, в связи с этим перед выбросом в атмосферу его направляют в пылеуловитель для доочистки (см. авторское свидетельство SU №1006896, опубликовано 08.10.1981 г.). Однако известное решение, которое подробно описывает очистку аспирационного воздуха непосредственно в колосниковом охладителе, не раскрывает, каким образом можно оптимально провести его доочистку в пылеуловителе.
Задачей заявленного изобретения является разработка аспирационной установки, позволяющей обеспечить эффективную очистку охлаждающего воздуха, выходящего из колосникового охладителя.
Поставленная задача решена тем, что аспирационная установка, включающая колосниковый охладитель с патрубком ввода охлаждающего воздуха, пылеуловитель, сообщенный с трубопроводом вывода очищенного воздуха в атмосферу, и вентилятор, отличается тем, что в качестве пылеуловителя она содержит вихревой инерционный пылеуловитель с верхним и нижним входными патрубками и с верхним осевым выходным патрубком, соединенным с всасывающим патрубком вытяжного вентилятора, при этом верхний входной патрубок пылеуловителя соединен с патрубком вывода воздуха из колосникового охладителя через первый дроссельный клапан, а трубопровод подачи воздуха в установку соединен с патрубком ввода охлаждающего воздуха в колосниковый охладитель, с нижним входным патрубком пылеуловителя посредством трубопровода, снабженного вторым дроссельным клапаном, и с всасывающим патрубком вытяжного вентилятора посредством трубопровода, снабженного третьим дроссельным клапаном.
Предложенная совокупность признаков позволяет получить предусмотренный технический результат – обеспечить эффективную очистку аспирационного воздуха колосникового охладителя перед его выбросом в атмосферу. При этом предложенная установка может включать колосниковый холодильник практически любой конструкции.
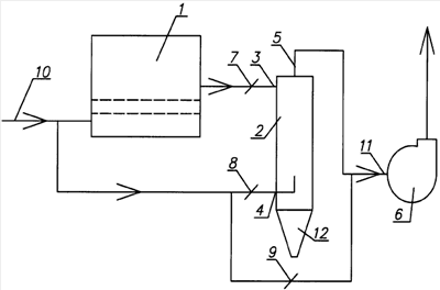
Сущность изобретения поясняется чертежом, где схематично показана преложенная аспирационная установка.
Аспирационная установка содержит колосниковый охладитель 1, вихревой инерционный пылеуловитель 2 с верхним 3 и нижним 4 входными патрубками и с верхним осевым выходным патрубком 5, соединенным с всасывающим патрубком 11 вытяжного вентилятора 6. Верхний входной патрубок 3 пылеуловителя через первый дроссельный клапан 7 соединен с патрубком вывода воздуха из колосникового охладителя 1, а общий трубопровод подачи воздуха 10 в установку соединен с патрубком ввода охлаждающего воздуха в колосниковый охладитель 1, с нижним входным патрубком 4 пылеуловителя посредством трубопровода, снабженного вторым дроссельным клапаном 8, и с всасывающим патрубком 11 вытяжного вентилятора 6 посредством трубопровода, снабженного третьим дроссельным клапаном 9.
Преимущественно пылеуловитель 2 выполнен с конусным бункером 12 для сбора уловленной пыли, а также с тангенциальным верхним входным патрубком 3, снабженным улиточным завихрителем, и с внутренним закручивателем тангенциального типа на нижнем входном патрубке.
Аспирационная установка работает следующим образом.
Из общего трубопровода подачи воздуха 10 наружный воздух подают на охлаждение продукта, находящегося в колосниковом охладителе 1, например глиноземного спека или цементного клинкера. Частично пыль, содержащаяся в охлаждающем воздухе, оседает в охладителе 1, для окончательной очистки воздух подают через открытый дроссельный клапан 7 в верхний входной патрубок 3 вихревого инерционного пылеуловителя 2. В нижний входной патрубок 4 подают через открытый дроссельный клапан 8 поток воздуха из общего трубопровода подачи воздуха 10 в установку. Отделенная в пылеуловителе 2 пыль поступает в конусный бункер 12. Очищенный воздух из осевого выходного патрубка 5 поступает во всасывающий патрубок 11 вытяжного вентилятора 6 и далее сбрасывается в атмосферу.
Благоприятные условия для отделения газа в пылеуловителе 2 создаются за счет подачи чистого воздуха в нижний входной патрубок 4, а запыленного – в верхний входной патрубок 3. Дроссельные клапаны 7 и 8 позволяют изменять соотношение расхода воздуха, подаваемого в патрубки 4 и 5, пылеуловителя 2 в зависимости от температуры окружающей среды и температуры продукта, находящегося в колосниковом охладителе 1. Например, при максимальном расходе воздуха, проходящего через охладитель 1 (например, при увеличении температуры наружного воздуха в летний период), через верхний патрубок 3 пылеуловителя 2 проходит 90% воздуха, а через нижний входной патрубок 10%. При снижении расхода воздуха, проходящего через охладитель 1 (при уменьшении температуры наружного воздуха), расход воздуха, проходящего через верхний входной патрубок 3 пылеуловителя 2, также уменьшается, а расход чистого воздуха, поступающего в патрубок 4 – увеличивается, при этом общий расход воздуха не изменяется. Соотношение расходов воздуха, подаваемого в верхний 3 и нижний 4 входные патрубки пылеуловителя 2, регулируется дроссельными клапанами 7 и 8. При этом в случае необходимости излишек воздуха через дроссельный клапан 9 подается на всасывающий патрубок 11 вытяжного вентилятора 6.
Подача незагрязненного воздуха в нижний входной патрубок приводит к тому, что устраняется существенный недостаток обычного вихревого пылеуловителя на встречных закрученных потоках, в котором в оба входных патрубка вводят запыленный воздух, за счет чего в его приосевой области отделение пыли затруднено по сравнению с пристеночной областью. При подаче чистого воздуха в нижний входной патрубок эта проблема решается и пыль одинаково хорошо отделяется во всем объеме пылеуловителя.
Предложенная аспирационная установка показала высокую эффективность очистки охлаждающего воздуха, выходящего из колосникового охладителя, в условиях, когда загрязненный воздух имеет повышенную температуру и содержит высокодисперсную пыль и влагу, способствующую слипанию частиц пыли. Так, данная установка позволяет очистить аспирационный воздух колосникового охладителя глиноземного спека до остаточного содержания частиц пыли не более 5 мас.%.
Формула изобретения
Аспирационная установка, включающая колосниковый охладитель с патрубком ввода охлаждающего воздуха, пылеуловитель, сообщенный с трубопроводом вывода очищенного воздуха в атмосферу, и вентилятор, отличающаяся тем, что в качестве пылеуловителя она содержит вихревой инерционный пылеуловитель с верхним и нижним входными патрубками и с верхним осевым выходным патрубком, соединенным с всасывающим патрубком вытяжного вентилятора, при этом верхний входной патрубок пылеуловителя соединен с патрубком вывода воздуха из колосникового охладителя посредством трубопровода, снабженного первым дроссельным клапаном, а трубопровод подачи воздуха в установку соединен с патрубком ввода охлаждающего воздуха в колосниковый охладитель, с нижним входным патрубком пылеуловителя посредством трубопровода, снабженного вторым дроссельным клапаном, и с всасывающим патрубком вытяжного вентилятора посредством трубопровода, снабженного третьим дроссельным клапаном.
РИСУНКИ
|
|