|
|
(21), (22) Заявка: 2007128458/15, 25.07.2007
(24) Дата начала отсчета срока действия патента:
25.07.2007
(46) Опубликовано: 20.12.2008
(56) Список документов, цитированных в отчете о поиске:
RU 2203087 С2, 27.04.2003. RU 2132687 C1, 10.07.1999. RU 2162707 С2, 10.02.2001. RU 2072853 C1, 10.02.1997. US 4826811 A, 20.06.1986. US 5194590 A, 21.11.1990. EP 361720 A1, 04.04.1990. WO 8505035 A1, 21.11.1985. US 4053590 A, 12.10.1976.
Адрес для переписки:
249039, Калужская обл., г. Обнинск, а/я 9004, Ю.Б. Базанову
|
(72) Автор(ы):
Брускова Ольга Борисовна (RU), Гончарова Анна Яковлевна (RU), Гудкин Лев Романович (RU), Кузнецова Нина Петровна (RU), Мишаева Римма Никодимовна (RU), Молоковская Ирина Евгеньевна (RU), Панарин Евгений Федорович (RU), Подгородниченко Владимир Константинович (RU), Розиев Рахимджан Ахметджанович (RU), Селиванов Евгений Алексеевич (RU), Сивакова Нина Петровна (RU), Софронова Ольга Владимировна (RU), Хомиченок Виктор Владимирович (RU), Цыб Анатолий Федорович (RU)
(73) Патентообладатель(и):
Общество с ограниченной ответственностью “ГЕЛЕНПОЛ” (RU)
|
(54) СПОСОБ ПОЛУЧЕНИЯ КРОВЕЗАМЕНИТЕЛЯ И УСТАНОВКА ДЛЯ ОСУЩЕСТВЛЕНИЯ СПОСОБА
(57) Реферат:
Изобретение относится к медицине, в частности, к гематологии. Предложен способ получения кровезаменителя и установка для осуществления способа. Способ получения кровезаменителя включает получение дезоксигенированного гемоглобина, его полимеризацию и очистку. Получение дезоксигенированного гемоглобина включает гемолиз добавлением воды к эритроцитарной массе, отделение стромы, осаждение негемовых белков и их удаление из полученного раствора гемоглобина. Полимеризация включает обработку полученного дезоксигенированного гемоглобина модифицированным глутаровым альдегидом и восстановление боргидридом натрия, а очистка включает ультрафильтрацию. Для получения дезоксигенированного гемоглобина используют свободную от лейкоцитов эритроцитарную массу, осаждение негемовых белков ведут путем добавления к раствору гемоглобина концентрированного раствора хлорида натрия, после удаления негемовых белков осуществляют концентрированно раствора гемоглобина ультрафильтрацией, процесс получения гемоглобина ведут в полимерных одноразовых контейнерах, а дезоксигенацию и полимеризацию проводят в газовихревом реакторе в атмосфере азота, причем дезоксигенацию осуществляют в течение 1-6 часов, полимеризацию – в течение 1-6 часов, очистку диафильтацией ведут в полимерных одноразовых контейнерах на отсекающих мембранах с получением готового продукта в диапазоне по молекулярной массе не более 450 кДа и не менее 100 кДа. Способ позволяет упростить процесс получения полигемоглобина, снизить его стоимость, повысить производительность. Установка для осуществления способа включает в себя последовательно соединенные участок получения гемоглобина, реактор для полимеризации гемоглобина и систему очистки конечного продукта. Участок получения гемоглобина содержит последовательно соединенные емкость для гемолиза с фильтрационным устройством для удаления стромы, емкость для осаждения негемовых белков с фильтрационным устройством для удаления осажденных негемовых белков. Система очистки готового продукта содержит емкости и устройства для ультрафильтрации с отсекающими мембранами. Все емкости участка для получения гемоглобина представляют собой полимерные одноразовые контейнеры. Емкость для осаждения негемовых белков соединена с емкостью, предназначенной для концентрированного раствора хлорида натрия. Реактор для полимеризации выполнен в виде устройства газовихревого типа, емкости системы очистки готового продукта представляют собой полимерные одноразовые контейнеры, а участок получения гемоглобина, реактор для полимеризации гемоглобина и система очистки конечного продукта, а также все емкости и устройства установки связаны между собой при помощи стерильных быстроразъемных соединений. Предложенная конструкция позволяет сократить материалоемкость установки, повысить ее производительность, обеспечить стерильность условий проведения технологического процесса. 2 н. и 4 з.п. ф-лы, 1 ил.
Группа изобретений относится к получению полигемоглобина, который может представить основу кровезамещающих растворов с функцией переноса кислорода. Изобретение может быть использовано для производства кровезамещающих растворов, сопоставимых по эффективности газового транспорта (по переносу кислорода) с эритроцитами крови человека.
Известен способ получения кровезаменителя-переносчика кислорода «Геленпол» /RU 2132687, 1999, А61К 35/18, RU 2162707, 2001, A61K 38/42/. Для его приготовления в качестве сырья предложено использовать эритроцитарную массу со сроком хранения не более 36 суток, а это может негативно сказаться на запасах клинической крови.
В технологии получения препарата «Геленпол» отсутствуют операции удаления высокомолекулярной фракции и несшитого тетрамера, что может негативно сказаться на качестве лечения больных.
Наиболее близким к заявляемому является способ получения кровезаменителя – «бесклеточного заменителя эритроцитов» /RU 2203087, 2003, А61К 38/42/, в соответствии с которым удаляют лейкоциты и тромбоциты из крови, отмывают и лизируют эритроциты, переводят гемоглобин эритроцитов в СО-форму, удаляют примеси стромы с помощью фильтрации и тепловой обработки. Затем получают дезоксиформу гемоглобина, которую пиридоксилируют и полимеризуют. Проводят дальнейшую очистку, концентрирование и дезоксигенацию. В результате получают кровезаменитель «нетоксичный для людей».
Недостатком известного способа является его сложность, высокая стоимость и низкая производительность. Указанный недостаток связан с тем, что для защиты гемоглобина от окисления используют окись углерода, для удаления которой необходима оксигенация раствора гемоглобина с последующей дезоксигенацией, что значительно (на 16 часов) удлиняет технологический процесс. Удаление негемовых белков в прототипе осуществляют путем нагрева раствора гемоглобина до 60°С, что также удлиняет технологический процесс на 10 часов. Кроме того, проведение модификации гемоглобина, а также тепловая обработка и гемолиз в атмосфере окиси углерода могут привести к денатурации гемоглобина, что снижает надежность технологии.
Известна установка для получения кровезаменителя – «бесклеточного заменителя эритроцитов» /RU 2203087, 2003, А61К 38/42/, содержащая последовательно соединенные участок получения гемоглобина, реактор для полимеризации гемоглобина и систему очистки конечного продукта. Участок получения гемоглобина содержит последовательно соединенные: емкость для гемолиза с фильтрационным устройством для удаления стромы; емкость для осаждения негемовых белков с фильтрационным устройством для удаления осажденных негемовых белков; система очистки готового продукта включает емкости и устройства для ультрафильтрации с отсекающими мембранами.
Недостатком известной установки является ее сложность, низкая производительность. Указанные недостатки обусловлены следующим. В известной установке применено стандартное емкостное оборудование, недостатком которого является необходимость его отмывки и стерилизации после каждого технологического цикла, что существенно удлиняет время производственного процесса. Кроме того, обработка гемоглобина окисью углерода с последующим ее удалением барботированием кислорода и дальнейшим дезоксигенированием азотом требует дополнительного устройства для отстоя пены и возврата раствора в емкость для барботирования.
Задачей изобретения является создание способа получения кровезаменителя и установки для осуществления способа, лишенных указанных недостатков.
Для решения поставленной задачи предлагается способ получения кровезаменителя – полигемоглобина с кислородтранспортной функцией, включающий получение дезоксигенированного гемоглобина, его полимеризацию и очистку. Получение дезоксигенированного гемоглобина включает гемолиз добавлением воды для инъекций к эритроцитарной массе, отделение стромы, осаждение балластных негемовых белков и их удаление из полученного раствора гемоглобина. Полимеризация включает обработку полученного дезоксигенированного гемоглобина модифицированным глутаровым альдегидом с последующим восстановлением боргидридом натрия. Очистку целевого продукта осуществляют диафильтрацией.
Отличительной особенностью заявляемого способа является то, что для получения дезоксигенированного гемоглобина используют свободную от лейкоцитов эритроцитарную массу, осаждение негемовых белков ведут путем добавления к раствору гемоглобина концентрированного раствора хлорида натрия, после удаления негемовых белков концентрируют раствор гемоглобина и проводят диафильтрацию. Процесс получения гемоглобина ведут в полимерных одноразовых контейнерах, а дезоксигенацию и полимеризацию проводят в газовихревом реакторе в атмосфере азота, причем дезоксигенацию осуществляют в течение 1-6 часов, полимеризацию – в течение 1-6 часов, диафильтацию проводят в полимерных одноразовых контейнерах на двух отсекающих мембранах с получением готового целевого продукта в диапазоне по молекулярной массе не более 450 кДа и не менее 100 кДа.
Дополнительно предлагается концентрировать раствор гемоглобина перед полимеризацией до величины 5-18%.
Дополнительно предлагается полученный раствор полигемоглобина сушить на распылительной, вакуумной или лиофильной установке.
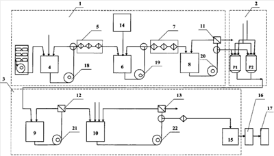
Для решения поставленной задачи предлагается установка для осуществления способа, включающая в себя последовательно соединенные участок получения гемоглобина 1 (чертеж), реактор для полимеризации гемоглобина 2 и систему очистки конечного продукта 3. Участок получения гемоглобина содержит последовательно соединенные: емкость для гемолиза с фильтрационным устройством для удаления стромы; емкость для осаждения негемовых белков с фильтрационным устройством для удаления осажденных негемовых белков; систему очистки готового продукта, включающую емкости и устройства для ультрафильтрации с отсекающими мембранами.
Отличительной особенностью заявляемой установки является то, что все емкости участка для получения гемоглобина представляют собой полимерные одноразовые контейнеры, емкость для осаждения негемовых белков соединена с емкостью, предназначенной для концентрированного раствора хлорида натрия, для полимеризации применен реактор газовихревого типа. Емкости системы очистки готового продукта представляют собой полимерные одноразовые контейнеры, а участок получения гемоглобина, реактор для полимеризации гемоглобина и система очистки конечного продукта, а также все емкости и устройства установки связаны между собой при помощи стерильных быстроразъемных соединений.
Дополнительно предлагается установку оснастить накопительной емкостью, вход которой соединить с выходом из системы очистки конечного продукта, а выход соединить с входом в распылительную, вакуумную или лиофильную сушилку.
Дополнительно предлагается установку дополнить фасовочно-упаковочным оборудованием, вход которого соединен с выходом из сушилки.
Отличительной особенностью заявляемого способа получения кровезаменителя является: использование для получения гемоглобина свободной от лейкоцитов эритроцитарной массы, что позволяет сократить операции отмывки эритроцитов от белков плазмы и исключить операцию фильтрации эритроцитарной массы на лейкоцитарных фильтрах, что значительно сокращает время процесса.
Осаждение негемовых белков путем добавления к раствору гемоглобина концентрированного раствора хлорида натрия позволяет значительно сократить время осаждения с 10 до 1 часа и избежать тепловой обработки раствора гемоглобина, и соответственно снижения его качества.
То, что процесс получения гемоглобина ведут в полимерных одноразовых контейнерах, а его дезоксигенирование – в газовихревом реакторе, исключает операции карбоксилирования гемоглобина, последующего его оксигенирования и дезоксигенирования и позволяет сократить время получения дезоксигенированного гемоглобина дополнительно на 16 часов.
Все емкости участка для получения гемоглобина представляют собой полимерные одноразовые контейнеры, емкость для осаждения негемовых белков соединена с емкостью, предназначенной для концентрированного раствора хлорида натрия; полимеризацию проводят в реакторе газовихревого типа; емкости системы очистки готового продукта (полигемоглобина) представляют собой полимерные одноразовые контейнеры. Диафильтрацию полигемоглобина ведут в полимерных одноразовых контейнерах на двух отсекающих мембранах с получением готового продукта в диапазоне по молекулярной массе не более 450 кДа и не менее 100 кДа, что позволяет повысить качество готового продукта. При этом участок получения гемоглобина, реактор для полимеризации гемоглобина и система очистки конечного продукта, а также все емкости и устройства установки связаны между собой при помощи стерильных быстроразъемных соединений. Все вышеперечисленное позволяет существенно сократить материалоемкость установки, повысить ее производительность, обеспечить стерильность условий проведения технологического процесса.
Таким образом, достигается технический результат.
Способ осуществляют следующим образом. Гемоглобин получают осмотическим гемолизом отмытых эритроцитов донорской крови. Для этого эритроцитарную массу, выделенную из донорской крови со сроками хранения до 60 дней, подвергают гемолизу водой для инъекций. Строму (эритроцитарную оболочку) отделяют микрофильтрацией. Фильтрат обрабатывают концентрированным раствором хлористого натрия для высаживания негемовых белков. Раствор вторично фильтруют через фильтры с диаметром пор 5 мкм и 0,65 мкм. Концентрацию нативного гемоглобина и продуктов его химической модификации определяют спектрофотометрически по цианметгемоглобиновому производному при длине волны 540 нм /М.С.Кушаковский / Клинические формы повреждения гемоглобина, – Л.: Медицина, 1968. – С.23/. Используют хлористый натрий марки ХЧ (“Химически чистый”, ГОСТ 42-2572-88), глюкозу (ФС 42-2419-86), аскорбиновую кислоту (ГФ X, С. – 6), изотонический раствор (ГФ XI, вып.1, стр.175).
Проводят модификацию глутарового альдегида действием модификатора в водном буферном растворе при рН 6,8-7,4 и при концентрациях глутарового альдегида и модификатора 0,1-5,0 мас.%, мольное соотношение глутаровый альдегид: модификатор = 1:(0,2÷1,2).
В качестве модификатора берут вещество из ряда, включающего дикарбоновые аминокислоты (например, аспарагиновую, глутаминовую кислоты, глутамат натрия, трипептид глутатион) и бисульфит натрия.
Полимеризация. 1-10 мас.% водный раствор гемоглобина дезоксигенируют и при 4°-8°С, добавляют 1-5 мас.% водный раствор модифицированного глутарового альдегида при молярном отношении модифицированный глутаровый альдегид: гемоглобин (10:1)÷(20:1).
Реакцию завершают добавлением водного раствора боргидрида натрия (рН 8-9).
Раствор полигемоглобина подвергают ультрафильтрации на отсекающих мембранах 450 кДа, а затем для проведения концентрирования и промывки диафильтрацией подают на мембраны, отсекающие полимеры менее 100 кДа. Раствор полигемоглобина промывают диафильтрацией для удаления тетрамера и низкомолекулярных соединений, концентрируют до 10% полигемоглобина и подают на сушку. Качество препарата на предмет соответствия фракционному составу полигемоглобина контролируют электрофорезом и гельпроникающей хроматографией.
На чертеже приведена функциональная схема установки, где 1 – участок получения гемоглобина, 2 – реактор для полимеризации гемоглобина, 3 – система очистки конечного продукта, 4 – емкость для гемолиза, 5 – фильтрационное устройство для удаления стромы, 6 – емкость для осаждения негемовых белков, 7 – фильтрационное устройство для удаления осажденных негемовых белков, 8, 9, 10 – емкости и 11, 12, 13 – устройства для ультрафильтрации 14 – емкость, предназначенная для концентрированного раствора хлорида натрия, 15 – накопительная емкость, 16 – сушилка, 17 – фасовочно-упаковочное оборудование, 18, 19, 20, 21 и 22 – перистальтические насосы.
Установка работает следующим образом. После загрузки 120 л эритроцитарной массы в емкость для гемолиза 4 объемом 500 л (все емкости снабжены охлаждающей рубашкой), включают перистальтический насос 16, который из сборной емкости (на фиг.1 не показана) перекачивает 360 л воды для инъекций в емкость 4 при температуре +6-+8°С. Гемолиз проводят в течение 40 минут при щадящем перемешивании.
Полученный гемолизат перекачивают насосом 18 на патронные фильтры 5 с размером пор 50, 5 и 1 мкм, расположенные последовательно, и далее в емкость для осаждения негемовых белков 6 объемом 500 л. После перекачки насосом всего объема в емкость 6 подают 8 л 35% раствора NaCl из емкости, предназначенной для концентрированного раствора хлорида натрия 14. Процесс осаждения длится 30 мин.
После осаждения негемовых белков раствор перекачивают насосом (19) на патронные фильтры 7 с размером пор 5; 1 и 0,65 мкм, расположенные последовательно и далее в емкость 8 для концентрирования раствора гемоглобина.
Концентрирование раствора гемоглобина проводят на ультрафильтрационной установке с мембранами, отсекающими вещества с ММ свыше 70 кДа.
В газовихревой реактор для полимеризации гемоглобина 2 подают поток стерильного азота, для перемешивания и дезоксигенации. Дезоксигенацию проводят до достижения концентрации кислорода в равновесной газовой среде 1,0-2,0 об.%.
Раствор модифицированного глутарового альдегида количественно переносят в газовихревой реактор для полимеризации гемоглобина 2, содержащий дезоксигемоглобин. Реакцию проводят при перемешивании в течение 1 часа, при температуре +6-+8°С в токе азота. После чего прибавляют в реактор 2 с раствором полигемоглобина раствор боргидрида натрия для остановки реакции. Реакцию проводят 30 мин при перемешивании. Затем реакционная смесь перелавливают азотом в емкость для диафильтрации 9 объемом 500 л. Далее раствор полигемоглобина подвергают ультрафильтрации (устройство 12) на мембранах, отсекающих 450 кДа для удаления высокомолекулярных соединений. После ультрафильтрации раствор подают в емкость 10 объемом 200 л для концентрирования и промывной диафильтрации 13 на мембранах, отсекающих 100 кДа. Раствор промывают 1500 л воды для инъекций для удаления модифицированного гемоглобина (внутримолекулярносшитого тетрамера) и низкомолекулярных соединений, и концентрируют до 200 л.
В емкость 10 с раствором полигемоглобина при необходимости добавляют 48,3 л 40% стерильного раствора глюкозы или сорбита соответствующей концентрации, 2,0 л 13,6% стерильного раствора аскорбиновой кислоты, перемешивают. Далее раствор перистальтическим насосом 22 подают на установку стерилизующей фильтрации с размером пор 0,22 мкм. Фильтрат поступает в накопительную емкость 15 для подачи на сушку 16.
Для сушки препарата используется распылительная, лиофильная или вакуумная сушилка, обеспечивающая получение стерильного порошка.
Формула изобретения
1. Способ получения кровезаменителя, включающий получение дезоксигенированного гемоглобина, его полимеризацию и очистку, причем получение дезоксигенированного гемоглобина включает гемолиз добавлением воды к эритроцитарной массе, отделение стромы, осаждение негемовых белков и их удаление из полученного раствора гемоглобина, полимеризация включает обработку полученного дезоксигенированного гемоглобина модифицированным глутаровым альдегидом и восстановление боргидридом натрия, а очистка включает диафильтрацию, отличающийся тем, что для получения дезоксигенированного гемоглобина используют свободную от лейкоцитов эритроцитарную массу, осаждение негемовых белков ведут путем добавления к раствору гемоглобина концентрированного раствора хлорида натрия, после удаления негемовых белков осуществляют концентрирование раствора гемоглобина ультрафильтрацией, процесс получения гемоглобина ведут в полимерных одноразовых контейнерах, а дезоксигенацию и полимеризацию проводят в газовихревом реакторе в атмосфере азота, причем дезоксигенацию осуществляют в течение 1-6 ч, полимеризацию – в течение 1-6 ч, очистку диафильтацией ведут в полимерных одноразовых контейнерах на отсекающих мембранах с получением готового продукта в диапазоне по молекулярной массе не более 450 кДа и не менее 100 кДа.
2. Способ по п.1, отличающийся тем, что концентрированно раствора гемоглобина ультрафильтрацией ведут до концентрации гемоглобина 5-18%.
3. Способ по п.1 или 2, отличающийся тем, что полученный раствор полигемоглобина сушат на распылительной, вакуумной или лиофильной установке.
4. Установка для осуществления способа по п.1, включающая в себя последовательно соединенные участок получения гемоглобина, реактор для полимеризации гемоглобина и систему очистки конечного продукта, причем участок получения гемоглобина содержит последовательно соединенные емкость для гемолиза с фильтрационным устройством для удаления стромы, емкость для осаждения негемовых белков с фильтрационным устройством для удаления осажденных негемовых белков, система очистки готового продукта содержит емкости и устройства для ультрафильтрации с отсекающими мембранами, отличающаяся тем, что все емкости участка для получения гемоглобина представляют собой полимерные одноразовые контейнеры, емкость для осаждения негемовых белков соединена с емкостью, предназначенной для концентрированного раствора хлорида натрия, реактор для полимеризации выполнен в виде устройства газовихревого типа, емкости системы очистки готового продукта представляют собой полимерные одноразовые контейнеры, а участок получения гемоглобина, реактор для полимеризации гемоглобина и система очистки конечного продукта, а также все емкости и устройства установки связаны между собой при помощи стерильных быстроразъемных соединений.
5. Установка по п.4, отличающаяся тем, что она оснащена накопительной емкостью, вход которой соединен с выходом из системы очистки конечного продукта, а выход соединен с входом в распылительную, вакуумную или лиофильную сушилку.
6. Установка по п.4, отличающаяся тем, что она снабжена фасовочно-упаковочным оборудованием, вход которого соединен с выходом из сушилки.
РИСУНКИ
PC4A – Регистрация договора об уступке патента СССР или патента Российской Федерации на изобретение
Прежний патентообладатель:
Общество с ограниченной ответственностью “ГЕЛЕНПОЛ”
(73) Патентообладатель:
Общество с ограниченной ответственностью “Паритет”
Договор № РД0054671 зарегистрирован 18.09.2009
Извещение опубликовано: 27.10.2009 БИ: 30/2009
QB4A – Регистрация лицензионного договора на использование изобретения
Лицензиар(ы): Общество с ограниченной ответственностью “Паритет”
Вид лицензии*: НИЛ
Лицензиат(ы): Общество с ограниченной ответственностью “Научно-производственная компания “Медбиофарм”
Договор № РД0065435 зарегистрирован 07.06.2010
Извещение опубликовано: 20.07.2010 БИ: 20/2010
* ИЛ – исключительная лицензия НИЛ – неисключительная лицензия
|
|