|
(21), (22) Заявка: 2006146915/06, 28.12.2006
(24) Дата начала отсчета срока действия патента:
28.12.2006
(43) Дата публикации заявки: 10.07.2008
(46) Опубликовано: 27.11.2008
(56) Список документов, цитированных в отчете о поиске:
RU 2003111937 А, 20.11.2004. RU 2019727 С1, 15.09.1994. US 4433669 А, 28.02.1984. DE 3137239 A1, 27.05.1982. RU 2171909 C1, 07.09.1993.
Адрес для переписки:
125371, Москва, 1-й Тушинский пр., 15, кв.55, В.А. Винокурову
|
(72) Автор(ы):
Винокуров Валерий Афанасьевич (RU), Жиганов Иван Тихонович (RU), Книжников Юрий Николаевич (RU), Антипов Валерий Константинович (RU)
(73) Патентообладатель(и):
Винокуров Валерий Афанасьевич (RU), Жиганов Иван Тихонович (RU), Книжников Юрий Николаевич (RU), Антипов Валерий Константинович (RU)
|
(54) СПОСОБ ИСКРОВОГО ЗАЖИГАНИЯ ГОРЮЧЕЙ СМЕСИ
(57) Реферат:
Изобретение относится к двигателям внутреннего сгорания, в частности к способам искрового зажигания горючей смеси в двигателях внутреннего сгорания. Целью изобретения является обеспечение полного сгорания топлива в двигателе внутреннего сгорания, значительное снижение содержания вредных веществ в выхлопных газах, снижение потребления топлива и повышение мощности двигателя. Горючую смесь зажигают искрой с выбранным необходимым значением силы тока разряда, причем необходимое значение силы тока искры предварительно выбирают из условия снижения содержания вредных веществ в составе выхлопных газов, снижения расхода топлива и повышения мощности двигателя внутреннего сгорания, а именно, выбранную необходимую силу тока электрического разряда в свече зажигания обеспечивают путем соответствующего подбора искрового промежутка разрядника и электрического сопротивления электрической цепи, по которой проходит ток во время электрического разряда в искровом промежутке свечи зажигания. Техническим результатом является существенное уменьшение ядовитых выбросов, значительная экономия топлива и увеличение мощности двигателя. 3 ил.
Изобретение относится к двигателям внутреннего сгорания, в частности к системам зажигания горючей смеси в двигателях внутреннего сгорания.
Изобретение может быть использовано в двигателях внутреннего сгорания с искровым зажиганием.
Известны способы зажигания горючей смеси в двигателях внутреннего сгорания путем создания в искровом промежутке свечи зажигания искры, продолжительной искры с повышенной энергией, последовательности искр, высокочастотной искры и др.
В патенте РФ №2171909 Тарасов П.А. предлагает увеличить длительность искры до нескольких миллисекунд путем введения последовательного “LC” контура и включить его параллельно свече зажигания. Автор считает, что при этом увеличится объем плазмы. В авторском свидетельстве СССР №1746048 Шпади А.Л. и др. предлагают формировать плазму путем подачи на свечу зажигания двух импульсов.
Основной недостаток всех известных способов и систем зажигания, включая изобретения Тарасова П.А. и Шпади А.Л., заключается в том, что создаваемый ими электрический разряд в искровом промежутке свечи зажигания является слаботочным. Вследствие этого создают тоненький, слабо светящийся искровой разряд между электродами свечи зажигания. В [1] на стр.38 написано: “Искра нагревает некоторое небольшое по объему количество смеси до температуры воспламенения”. Даже лучшие электронные блоки зажигания ([1] рис.15) обеспечивают ток искры не более 0,2 А. Такая искра не обеспечивает эффективного зажигания горючей смеси, и смесь в двигателе сгорает не полностью. Из-за неполного сгорания топлива в выхлопных газах появляется угарный газ (СО), который как раз и является продуктом неполного сгорания топлива в двигателе.
Наиболее близким к предлагаемому способу зажигания является заявка на изобретение РФ №2003111937 от 24 апреля 2003 г. «Способ зажигания горючей смеси» искровым разрядом в искровом промежутке свечи зажигания (прототип способа).
В прототипе горючую смесь зажигают искрой с выбранным необходимым значением силы тока разряда, причем необходимое значение силы тока искры предварительно выбирают из условия снижения содержания вредных веществ в составе выхлопных газов, снижения расхода топлива и повышения мощности двигателя внутреннего сгорания.
Недостатком прототипа является «несоответствие заявленного изобретения условию патентоспособности» (Решение «Палаты по патентным спорам», принятое на заседании 18 декабря 2006 г.).
Целью предлагаемого изобретения является обеспечение полного сгорания топлива в двигателе внутреннего сгорания, значительное снижение содержания вредных веществ в выхлопных газах, снижение потребления топлива и повышение мощности двигателя.
Поставленная цель достигается тем, что при выборе необходимого тока искрового разряда выбирают разрядник с самым маленьким расстоянием между электродами и высоковольтные провода с самыми большими сопротивлениями и устанавливают их в двигатель автомобиля, затем проверяют характеристики двигателя, а именно уровень вредных выбросов двигателя, его мощность и экономичность, и, если полученные характеристики двигателя не удовлетворяют поставленным требованиям, то устанавливают в системе зажигания разрядник с большим искровым промежутком, провода с меньшими сопротивлениями и повторяют измерения характеристик двигателя, при этом, если характеристики двигателя не удовлетворительны, то продолжают процедуру выбора искрового промежутка разрядника и высоковольтных проводов, пока не будут получены необходимые требуемые характеристики двигателя.
Выбранная таким способом сила тока искрового разряда значительно более эффективно поджигает горючую смесь.
Выбранное для реализации предлагаемого способа устройство зажигания построено на основе патентов РФ №2107184 и №2151321.
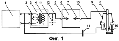
Чертежи устройства для реализации предлагаемого способа приведены на Фиг.1, Фиг.2 и Фиг.3. На чертежах приняты следующие обозначения элементов устройства:
1. Блок электронного зажигания.
2. Первичная обмотка.
3. Катушка зажигания.
4. Вторичная обмотка.
5. Первый электрод.
6. Разрядник.
7. Второй электрод.
8. Центральный электрод.
9. Свеча зажигания.
10. Боковой электрод.
11. Конденсатор.
12. Высоковольтный провод.
13. Высоковольтный провод.
14. Паразитная емкость.
15. Конденсатор.
Блок электронного зажигания 1 (Фиг.1) соединен с первичной обмоткой 2 катушки зажигания 3, которая содержит также вторичную обмотку 4. Высоковольтный выход вторичной обмотки 4 соединен с первым электродом 5 разрядника 6. Второй электрод 7 разрядника 6 соединен с центральным электродом 8 свечи зажигания 9. Боковой электрод 10 свечи зажигания 9 соединен через конденсатор 11 с низковольтным выходом вторичной обмотки 4 катушки зажигания 3. Высоковольтные провода 12 и 13 соединяют, соответственно, высоковольтный выход вторичной обмотки 4 с первым электродом 5 разрядника 6, и второй электрод 7 с центральным электродом 8 свечи зажигания 9. Паразитная емкость 14 вторичной обмотки 4 подсоединена параллельно вторичной обмотке 4.
На Фиг.2 боковой электрод 10 соединен с низковольтным выходом вторичной обмотки 4 катушки зажигания 3 непосредственно.
На Фиг.3 введен конденсатор 15, включенный между выводами вторичной обмотки 4 катушки зажигания 3.
Предлагаемый способ может быть реализован с применением описанного выше устройства следующим образом.
С выхода блока электронного зажигания 1 (Фиг.1) подают на первичную обмотку 2 катушки зажигания 3 перепад напряжения, который индуктирует на вторичной обмотке 4 высоковольтный импульс напряжения. С высоковольтного выхода вторичной обмотки 4 высоковольтный импульс напряжения подают на первый электрод 5 разрядника 6. Между первым 5 и вторым 7 электродами разрядника 6 возникает электрический разряд. Ток разряда с высоким напряжением подают на центральный электрод 8 свечи зажигания 9. В искровом промежутке свечи зажигания 9, образованном между центральным 8 и боковым 10 электродами, также возникает электрический разряд. Импульсный ток разряда с бокового электрода 10 возвращают на вторичную обмотку 4 через конденсатор 11.
Цепь, по которой проходит ток разряда, состоит из высоковольтного провода 12, разрядника 6, высоковольтного провода 13, свечи зажигания 9, конденсатора 11 и паразитной емкости 14 вторичной обмотки 4 катушки зажигания 3.
Дело в том, что по проводам вторичной обмотки 4, которая имеет значительное электрическое сопротивление и большую индуктивность, ток разряда не может проходить, так как длительность импульса разряда не превышает нескольких микросекунд. Ток разряда может проходить только через «паразитную» емкость 14 выхода вторичной обмотки 4.
В некоторых случаях, в зависимости от электрической схемы выходного каскада блока зажигания 1, ток импульсного разряда от бокового электрода 10 возвращают на вторичную обмотку 4 не через конденсатор 11, а по проводу (Фиг.2).
Путем установки высоковольтного конденсатора 15 небольшой емкости между выходами вторичной обмотки 4 катушки зажигания 3 (Фиг.3), можно еще увеличить ток электрического разряда за счет накопления дополнительного заряда на конденсаторе 15.
В описываемом устройстве зажигания, вследствие наличия последовательно включенного разрядника 6, напряжение искрового разряда значительно выше, чем в обычных системах зажигания. Происходит это потому, что, для зажигания горючей смеси напряжение на выходе вторичной обмотки катушки зажигания должно одновременно «пробить» искровой промежуток свечи зажигания и большой искровой промежуток разрядника. В известных системах зажигания, не имеющих разрядника, пробой искрового промежутка свечи зажигания происходит при напряжении на вторичной обмотке около 8 киловольт. При наличии разрядника с его большим искровым промежутком, пробой искрового промежутка свечи зажигания происходит при напряжениях 20-25 киловольт.
В связи с этим, а также благодаря специально выбранному значению электрического сопротивления цепи разряда, создают необходимый большой ток разряда в свече зажигания для обеспечения более эффективного зажигания горючей смеси.
По закону Ома ток разряда в цепи равен напряжению разряда, поделенному на электрическое сопротивление цепи разряда.
Средства, необходимые для осуществления выбора силы тока разряда следующие:
1. Для изменения напряжения разряда и выбора необходимой величины напряжения разряда, должны быть изготовлены разрядники с различными искровыми промежутками. Изготовить разрядники с различными искровыми промежутками можно в соответствии с патентами РФ №2107184 и №2151321.
«Наши красные высоковольтные провода имеют распределенное сопротивление 2 кОм на метр длины…. Для систем зажигания высокой энергии … применяют провода синего цвета… с распределенным сопротивлением 2,55 кОм…. Зарубежные высоковольтные провода… величина распределенного сопротивления может быть в пределах 9-25 кОм…». В действительности, в продаже имеется значительно больше проводов с различными сопротивлениями. Таким образом, для выбора величины тока разряда также имеется набор высоковольтных проводов с различными сопротивлениями.
Метод, процедура, алгоритм выбора необходимого тока искрового разряда в свече зажигания следующий:
1. Выбирают разрядник с самым маленьким расстоянием между электродами и высоковольтные провода с самыми большими сопротивлениями и устанавливают их в двигатель автомобиля. Разрядник устанавливают на выходе вторичной обмотки катушки зажигания. Если имеется распределитель зажигания, то разрядник включают между вторичной обмоткой и распределителем. Затем проверяют характеристики двигателя, т.е. уровень вредных выбросов двигателя, его мощность и экономичность.
2. Если полученные характеристики двигателя не удовлетворяют поставленным требованиям, то устанавливают в системе зажигания разрядник с большим искровым промежутком, провода с меньшими сопротивлениями и повторяют измерения характеристик двигателя.
3. Если характеристики двигателя опять не удовлетворительны, то продолжают, аналогично описанной выше процедуре, выбор искрового промежутка разрядника и высоковольтных проводов, пока не будут получены необходимые характеристики двигателя.
Выбор оптимальных, необходимых параметров цепи, по которой проходит ток искры, в данном случае параметров разрядника и кабелей, производят на специализированном стенде, предназначенном для измерений уровня вредных выбросов, расхода топлива и мощности двигателя автомобиля. Например, в НАМИ или МАДИ.
Измерения выбранных напряжения разряда и необходимого значения тока искры производят на другом специализированном стенде, предназначенном для проведения таких измерений, куда устанавливают систему зажигания с выбранными разрядником и кабелями. Подобные стенды имеются в лабораториях электротехнических КБ и институтов, а также в НАМИ и МАДИ.
В результате описанной выше процедуры выбора находят необходимое значение силы тока искрового разряда, которое обеспечивает наиболее эффективное зажигание горючей смеси для данного двигателя и данного автомобиля. Например, для двигателя ВА3-2109.
Найдено более 600 патентов, выданных в России за 1996-2006 гг., с формулой вида «выбирают из условия». В этих патентах свои средства, а методы, алгоритмы, в принципе аналогичны описанному выше методу выбора. Таким образом, принятый в нашем изобретении метод выбора, также хорошо «известен из достигнутого уровня развития техники».
Выбранное значение тока искрового разряда может быть использовано для создания эффективной системы зажигания, обеспечивающей значительное снижение уровня вредных выбросов, снижение расхода топлива и повышение мощности двигателя автомобиля.
Использование изобретения в двигателях внутреннего сгорания с искровым зажиганием позволит существенно уменьшить ядовитые выбросы, значительно экономить топливо и увеличить мощность двигателя.
Источники информации
Формула изобретения
Способ искрового зажигания горючей смеси электрическим разрядом в свече зажигания, при котором горючую смесь зажигают искрой с выбранным необходимым значением силы тока разряда, причем необходимое значение силы тока искры предварительно выбирают из условия снижения содержания вредных веществ в составе выхлопных газов, снижения расхода топлива и повышения мощности двигателя внутреннего сгорания, отличающийся тем, что при выборе необходимого тока искрового разряда выбирают разрядник с самым маленьким расстоянием между электродами и высоковольтные провода с самыми большими сопротивлениями и устанавливают их в двигатель автомобиля, затем проверяют характеристики двигателя, а именно уровень вредных выбросов двигателя, его мощность и экономичность, и, если полученные характеристики двигателя не удовлетворяют поставленным требованиям, то устанавливают в системе зажигания разрядник с большим искровым промежутком, провода с меньшими сопротивлениями и повторяют измерения характеристик двигателя, при этом, если характеристики двигателя не удовлетворительны, то продолжают процедуру выбора искрового промежутка разрядника и высоковольтных проводов, пока не будут получены необходимые требуемые характеристики двигателя.
РИСУНКИ
|