|
(21), (22) Заявка: 2007116925/15, 04.05.2007
(24) Дата начала отсчета срока действия патента:
04.05.2007
(46) Опубликовано: 27.11.2008
(56) Список документов, цитированных в отчете о поиске:
RU 2270809 C2, 10.06.2005. RU 2136624 C1, 10.09.1999. RU 22774613 C2, 20.04.2006. WO 01/55033 A2, 02.08.2001. US 2005/0000906 A1, 06.01.2005. US 7156999 B2, 02.01.2007. KR 100381298 B, 09.04.2003.
Адрес для переписки:
354002, Краснодарский край, г. Сочи, ул. Яна Фабрициуса, 8А, кв.32, Н.И. Куликову
|
(72) Автор(ы):
Куликов Николай Иванович (RU), Куликова Елена Николаевна (RU), Приходько Людмила Николаевна (RU), Куликов Дмитрий Николаевич (RU)
(73) Патентообладатель(и):
Куликов Николай Иванович (RU)
|
(54) СПОСОБ ГЛУБОКОЙ ОЧИСТКИ СТОЧНЫХ ВОД
(57) Реферат:
Изобретение относится к способам комбинированной очистки бытовых и производственных сточных вод и может быть использовано в коммунальном хозяйстве сел, туристских комплексов, баз отдыха, пансионатов, а также для предприятий пищевой и кожевенной промышленности и т.д. Способ глубокой очистки сточных вод включает процеживание стоков в фильтрующих, самоочищающихся устройствах, усреднение расходов, реагентную коагуляцию и флокуляцию примесей сточных вод. После отделения основной массы примесей сточных вод с помощью осветлителя, доочистку сточных вод ведут в биореакторе прикрепленными на ершовой насадке микроорганизмами. Проводят также рециркуляцию очищаемых стоков, обеззараживание очищенной воды, переработку, обезвреживание и сгущение осадков сточных вод, аэробную биологическую очистку сточных вод и обработку осадков. Для отделения основной массы примесей сточных вод при осветлении используют денитрификационную флотацию. Биологическую переработку и обезвреживание флотопены выполняют аэробной минерализацией совместно с регенерационной иловой водой биореактора доочистки сточных вод. Доочистку сточных вод от фосфора осуществляют фильтрованием воды через ершовую насадку, расположенную в верхней части, и пуролат в нижней части биореактора. Обеззараживание очищенной воды проводят облучением ультрафиолетовыми лучами. Способ обеспечивает снижение стоимости очистной станции, упрощение ее эксплуатации и уменьшение эксплуатационных затрат. 1 з.п. ф-лы, 1 ил.
Изобретение относится к способам комбинированной: физико-химической и биологической очистки бытовых и производственных сточных вод и может быть использовано в коммунальном хозяйстве сел, туристских комплексов, баз отдыха, особенно при наличии столовых, ресторанов с посудомоечными машинами, а также для предприятий пищевой промышленности при очистке стоков кожевенного производства и т.д.
Известно использование очистных станций [1], в которых после отделения механических примесей процеживанием и усреднения расхода сточных вод производят коагулирование загрязнений, отделение от воды ее отстаиванием, последующую биологическую очистку в погружном биофильтре, загруженном гранулами «биолита» – специального материала из обожженной глины, имеющей развитую открытую макропористость, гнездилище разнообразных микроорганизмов, участвующих в очистке сточных вод, а затем обеззараживание очищенной воды.
В известной установке слабо используется объем погружного биофильтра и не гарантируется высокая степень очистки сточных вод от соединений азота.
Наиболее близкой по набору применяемых приемов и устройств для очистки сточных вод комбинацией биологических и физико-химических методов является установка комбинированной очистки сточных вод [2].
В известной установке после отделения механических примесей от сточных вод их процеживанием в устройствах фильтрующих самоочищающихся устройствах, усреднения расходов сточных вод, воздействия на сточную воду коагулянтов и флокулянтов производят осветление стоков в осветлителе-адгезаторе с ершовой насадкой и последующую биологическую доочистку в биореакторе с ершовой насадкой и обеззараживание в фильтрах с каталитической загрузкой.
К сожалению, коагулянты, как правило, оказывают ингибирующее воздействие на протекание последующих биологических процессов, а каталитическая загрузка со временем нуждается в достаточно сложной химической регенерации и имеет высокую стоимость.
Задача изобретения – снижение стоимости очистной станции, упрощение ее эксплуатации и уменьшении эксплуатационных затрат.
Поставленная задача решается за счет того, что в известной очистной станции и реализованном в ней способе очистки стоков внесены отличия: после процеживания и усреднения расходов сточной воды отделение основной массы органических и минеральных примесей сточных вод осуществляют денитрификационной флотацией с использованием для получения микропузырьков газа азота нитратов очищенной воды или внесение их в рециркулирующую очищаемую воду в виде реагента и прикрепление на ершовую насадку, зафиксированную в нижней части флотореактора, микроорганизмов – денитрификаторов, последующую обработку флотопены и регенерационной воды биореакторов доочистки стоков производят в аэробном минерализаторе, а очистку осветленной сточной воды в, по меньшей мере, двухступенчатом биореакторе – нитрификаторе, оснащенном ершовой насадкой для удерживания микроорганизмов – нитрификаторов. Рециркуляцию очищаемой воды, источника нитратов для денитрификационного флотатора, производят с выхода сточной воды из последней ступени нитрификатора. Доочистку сточных вод от скоагулированного реагентами фосфора осуществляют в комбинированном биореакторе, загруженном ершовой насадкой в верхней части и пуролатом в нижней части. Обеззараживание доочищенной сточной воды выполняют облучением ультрафиолетовыми лучами. В случае низкой концентрации соединений азота в исходной сточной воде в поток рециркуляционной очищаемой сточной воды вводят добавку концентрированного раствора реагента – нитрата.
Анализ известных технических решений, относящихся к способам глубокой очистки сточных вод показал, что технических решений, содержащих ту же совокупность операций, что и в заявленном способе, не обнаружено. Это позволяет сделать вывод о том, что заявляемый способ соответствует критерию «новизна».
Анализ выявленных отличительных от прототипа существенных признаков показал, что такие или сходные с ними признаки в известных технических решениях с проявлением тех же свойств не обнаружены, что позволяет сделать вывод о том, что заявляемый способ соответствует критерию «существенные отличия».
Заявляемая совокупность существенных признаков позволяет получить новый, более высокий результат, выражающийся в обеспечении глубокой очистки сточных вод, особенно в удалении биогенных элементов без ингибированных процессов очистки по ее стадиям и добавления дополнительных объемов сооружений.
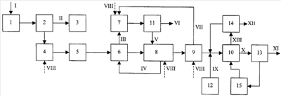
Предлагаемый способ «Станция глубокой очистки сточных вод» в виде технологической схемы очистки сточных вод и обработки осадков приведен на чертеже и содержит следующие обозначения:
1. Канализационная насосная станция (КНС).
2. Устройство фильтрующее самоочищающееся (УФС).
3. Накопитель отбросов с УФС.
4. Усреднитель расходов сточных вод.
5. Погружной насос.
6. Денитрификационный флотореактор.
7. Аэробный минерализатор.
8. Нитрификатор.
9. Биореактор доочистки сточных вод.
10. Фильтр доочистки.
11. Илоуплотнитель.
12. Установка приготовления и дозирования реагентов.
13. Установка ультрафиолетового обеззараживания воды.
14. Сгуститель промывной воды.
15. Резервуар чистой воды.
I. Поток исходной сточной воды.
II. Поток отбросов от УФС.
III. Поток флотопены.
IV. Поток рециркуляционной сточной воды.
V. Поток надиловой воды.
VI. Уплотненный ил.
VII. Регенерационная вода из биореактора доочистки стоков.
VIII. Сжатый воздух.
IX. Раствор реагентов.
X. Очищенная сточная вода.
XI. Очищенная и обеззараженная сточная вода.
XII. Обезвоженный осадок.
XIII. Промывная вода.
Предлагаемая технологическая схема очистки сточных вод и обработки осадков работает следующим образом.
Поток I исходной сточной воды посредством канализационной насосной станции 1 подают на фильтрующее самоочищающееся устройство 2, в котором процеживанием из сточной воды выделяют потоком II отбросы крупнее 2 мм в специальный накопитель отбросов 3. Далее отбросы затаривают в мешки и вывозят их с бытовым мусором на полигон твердых бытовых отходов. Процеженный сток направляют в усреднитель 4 расходов сточных вод и затем постоянным расходом с помощью погружного насоса 5 направляют в денитрификационный флотореактор 6. Впуск исходного стока во флотореактор 6 производят в среднюю его часть тангенциально для закручивания объема воды внутри флотореактора 6. Внутри флотореактора 6 имеется ершовая насадка, зафиксированная на кассетах из нержавеющей стали. На ершовую насадку предварительно засеяна и закреплена биомасса микроорганизмов – денитрификаторов. При движении вниз к ершовой насадке с денитрификаторами исходной сточной воды и рециркуляционного потока IV очищенной сточной воды, имеющего нитраты или в которую искусственно добавяют раствор нитратов, также вводят в среднюю часть флотореактора 6 тангенциальным впуском, одинаково направленным с потоком исходной сточной воды, смешанный поток пронизывается потоком микропузырьков газа азота, полученного из нитратов при биологической денитрификации в ершовой насадке.
Микропузырьки газа азота флотируют гидрофобные или гидрофобизированные синтетическими поверхностно-активными веществами (СПАВ) гидрофильные примеси стоков и в виде флотопены концентрируются на поверхности воды в флотореакторе 6.
Периодически (один или два раза в сутки) флотопену потоком III отводят в аэробный минерализатор 7, где она вместе с потоком VII регенерационной воды из биореактора 9 доочистки сточных вод при непрерывной аэрации воздухом VIII минерализуется микроорганизмами, привнесенными в аэробный минерализатор 7 как с потоком III флотопены, так и с регенерационной водой.
Один или два раза в сутки из аэробного минерализатора 7 часть иловой смеси выводят в илоуплотнитель 11, из которого надиловую воду потоком V направляют вместе с осветленной сточной водой из денитрификационного флотореактора 6 в, по меньшей мере, двухступенчатый нитрификатор 8.
В нитрификатор 8 непрерывно подают сжатый воздух VIII и в нем работают прикрепленные на ершовой насадке микроорганизмы – нитрификаторы.
Уплотненный ил VI выводят на биокомпостирование или на утилизацию в качестве кормовой добавки после его стерилизации, например, кавитационной обработкой. Из нитрификатора 8 очищенная сточная вода самотеком поступает в биореактор 9 доочистки сточных вод, где ее освобождают от основной массы частиц свободноплавающего активного ила задерживанием ершовой насадкой из специальных волокон. После накопления взвесей на ершах их регенерируют, а регенерационную воду потоком VII подают в аэробный минерализатор 7.
Очищенная сточная вода из биореактора 9 доочистки сточных вод еще содержит избыточное количество фосфатов, поэтому в нее дозируют из установки 12 приготовления и дозирования реагентов IX, например, «Аква-Аурат», связывающий фосфаты в нерастворимое вещество (фосфат алюминия). Смесь очищенной воды и реагентов IX направляют в скорый фильтр доочистки 10, заполненный в верхней части ершовой насадкой, а в нижней части пуролатом (зернистым антрацитом). В ершовой насадке протекают процессы взаимодействия фосфатов с реагентом и коалесценция взвесей, а в пуролатовой загрузке эти взвеси задерживают. По мере заиления фильтра 10 доочистки его промывают чистой водой, накопленной в резервуаре 15 чистой воды. Промывную воду XIII удаляют в сгуститель 14 промывной воды, где расслаивают, и обезвоженный осадок XII выводится на утилизацию в бетон, а осветленная вода возвращается в фильтр 10 доочистки стоков. Очищенную сточную воду Х выводят в установку 13 ультрафиолетового обеззараживания воды и затем потоком XI очищенной и обеззараженной воды сбрасывают в поверхностный водоем или направляют на технические нужды предприятий.
Для пояснения параметров процесса очистки сточных вод и доказательства решения поставленных задач приводим пример реализации заявленного способа очистки сточных вод на станции глубокой очистки сточных вод пансионата вертолетного завода в пос. Якорная щель г.Сочи.
На очистную станцию пансионата отдыха принимаются расходом 200 м3/сут сточные воды от жилых домиков для отдыхающих и столовой группы близлежащих баз отдыха и самого пансионата отдыха. Доля сточных вод от столовой превышает 40% от суточного объема стоков, поступающих на очистную станцию.
В часы работы столовой, оснащенной посудомоечной машиной, на очистную станцию поступает поток сточных вод, содержащий СПАВ, жиры и фекалии от туалетов. Вследствие наличия эмульгированных органических веществ активный ил аэротенков, адсорбируя жировые частицы и СПАВ, приобретает плотность, близкую к единице, и не задерживается во вторичном отстойнике, а идет на вынос в биореактор доочистки сточных вод с ершовой насадкой. За время работы столовой (дневное время) почти весь активный ил аэротенка выносился на ершовую насадку биореакторов доочистки сточных вод. После монтажа флотореактора потребность в аэротенке и вторичном тонкослойном отстойнике, встроенном в аэротенк, отпала, так как во флотореакторе за счет рециркуляции доочищенной в биореакторе с ершовой насадкой сточной воды процесс денитрификации на ершах флотореактора обеспечил устойчивый эффект флотации жировых частиц и СПАВ, а также взвесей с понижением величины БПКполн исходного стока на 78% до уровня значений не более 40 мгО2/л, что позволило в биореакторе доочистки стоков с временем пребывания до трех часов получить снижение БПКполн до требуемого уровня (6-8 мгО2/л) и нитрификацию аммонийного азота. Отбор рециркуляционного нитратсодержащего потока доочищенной воды во флотореактор производился эрлифтами из пирамидальных днищ вторичных отстойников, переоборудованных в биореакторы доочистки стоков с ершовой насадкой.
Из флотореактора флотопена удаляется в аэробный минерализатор суточным количеством до 300 литров. За 4 месяца работы пансионата из аэробного минерализатора ни разу не производилась выгрузка избыточного минерализованного осадка. Осадок был выгружен на иловую площадку после уплотнения только в октябре, когда пансионат был закрыт на зимний период.
Поскольку в очищенной воде из биореактора доочистки выходила концентрация азота нитратов до 8 г [N-NO– 3]/м3, то при рециркуляции до 10 м3/ч доочищенной сточной воды во флотореактор обеспечивалось разбавление исходного стока вдвое со снижением концентрации азота аммонийного до уровня 10 г [N-NH+ 4]/м3 и доведение ее величины до уровня не более 0,1 мг [N-NH+ 4]/л в очищенной воде после биореакторов доочистки сточных вод. Образующегося во флотореакторе газа азота хватало для флотации жировых примесей сточных вод, СПАВ и взвесей. Объем флотореакторов составил 25 м3 (диаметр – 3 м, высота – 4 м) и позволил выключить из работы аэротенк объемом 100 м3 со встроенным тонкослойным вторичным отстойником.
Снижение стоимости очистной станции в сравнении с прототипом достигнуто за счет исключения использования дорогостоящих катализаторов. При одинаковом объеме ершовой насадки во флотаторе и катализаторов в каталитических фильтрах стоимость ершей в 50 раз меньше, чем катализаторов.
Снижение эксплуатационных затрат достигнуто за счет снижения расхода реагентов на коагуляцию взвешенных веществ и фосфора (в 3 раза).
Упрощение эксплуатации достигнуто за счет исключения операций регенерации катализаторов ввиду отсутствия каталитических фильтров.
Несколько увеличилось расходование электроэнергии на лампы ультрафиолетового обеззараживания очищенной воды, но оно дает затраты меньше, чем экономия на реагентах и обработке выделяемых осадков сточных вод, количество которых снизилось вдвое.
Источники информации
1. Г.Н.Луценко, А.И.Цветкова, И.Ш.Свердлов. Физико-химическая очистка городских сточных вод. – М.: Стройиздат, 1984. – С.66.
2. Патент России. RU 2270809. Опубл. 27.02.2006. Бюл. №6. Установка комбинированной очистки сточных вод. Патентообладатель: Куликов Николай Иванович.
Формула изобретения
1. Способ глубокой очистки сточных вод, включающий процеживание стоков в фильтрующих, самоочищающихся устройствах, усреднение расходов, реагентную коагуляцию и флокуляцию примесей сточных вод, отделение основной массы примесей сточных вод с помощью осветлителя, доочистку сточных вод в биореакторе прикрепленными на ершовой насадке микроорганизмами, рециркуляцию очищаемых стоков, обеззараживание очищенной воды, переработку, обезвреживание и сгущение осадков сточных вод, аэробную биологическую очистку сточных вод и обработку осадков, отличающийся тем, что для отделения основной массы примесей сточных вод при осветлении используют денитрификационную флотацию, биологическую переработку и обезвреживание флотопены выполняют аэробной минерализацией совместно с регенерационной иловой водой биореактора доочистки сточных вод, доочистку сточных вод от фосфора осуществляют фильтрованием воды через ершовую насадку, расположенную в верхней части, и пуролат в нижней части биореактора, а обеззараживание очищенной воды проводят облучением ультрафиолетовыми лучами.
2. Способ по п.1, отличающийся тем, что при нехватке нитратов в рециркуляционном потоке очищаемых стоков их вводят в виде раствора реагента.
РИСУНКИ
|