|
|
(21), (22) Заявка: 2007127949/11, 20.07.2007
(24) Дата начала отсчета срока действия патента:
20.07.2007
(46) Опубликовано: 27.11.2008
(56) Список документов, цитированных в отчете о поиске:
RU 2216457 C2, 20.11.2003. RU 2238858 C2, 10.05.2004. DE 3316280 C1, 26.01.1984. DE 3833372 C1, 21.12.1989.
Адрес для переписки:
190031, Санкт-Петербург, Московский пр., 9, ПГУПС, патентный отдел
|
(72) Автор(ы):
Мазнев Александр Сергеевич (RU), Евстафьев Андрей Михайлович (RU)
(73) Патентообладатель(и):
Государственное образовательное учреждение высшего профессионального образования “Петербургский государственный университет путей сообщения” (RU)
|
(54) УСТРОЙСТВО ДЛЯ РЕГУЛИРОВАНИЯ СКОРОСТИ ЭЛЕКТРОПОДВИЖНОГО СОСТАВА
(57) Реферат:
Изобретение относится к области железнодорожного транспорта и может быть применено на транспортных средствах с тяговыми двигателями постоянного тока. В режиме электрического торможения тяговый двигатель постоянного тока вырабатывает электроэнергию, которая аккумулируется в накопителе на первом и втором конденсаторах. Тормозной резистор ограничивает ток в цепи заряда конденсаторов. Во время заряда напряжение на первом и втором конденсаторах, включенных последовательно, будет увеличиваться обратно пропорционально их действительной емкости. Для выравнивания напряжений на первом и втором конденсаторах в процессе заряда параллельно им включены первый и второй биполярные транзисторы с изолированными затворами, а в диагональ образованного моста – третий резистор. Отпираясь, соответствующий биполярный транзистор с изолированным затвором шунтирует конденсатор, на котором оказалось большее напряжение, третьим резистором. Конденсатор, на котором оказалось меньшее напряжение, будет заряжаться большим током до тех пор, пока напряжение на первом и втором конденсаторах не выровняется. Таким образом, в течение всего цикла заряда будет поддерживаться равенство напряжений на конденсаторах и их емкость будет использоваться полностью. Технический результат заключается в повышении надежности и улучшении энергетических и массогабаритных показателей устройства. 1 ил.
Изобретение относится к области железнодорожного транспорта и может быть применено на транспортных средствах с тяговыми двигателями постоянного тока.
Известно устройство для регулирования скорости электроподвижного состава, которое содержит источник питания, индуктивно-емкостной фильтр, четыре тяговых двигателя постоянного тока, четыре тиристорных регулятора, десять тиристоров, восемь диодов, шесть контакторов, два накопителя энергии, два дросселя (RU №2216457, B60L 7/10, 2003).
Недостаток устройства для регулирования скорости электроподвижного состава: повышенный расход электроэнергии, так как конденсаторные накопители заряжаются при пуске, требуется большое количество контакторов для многоступенчатого заряда конденсаторных накопителей, что снижает надежность устройства для регулирования скорости электроподвижного состава.
Известно устройство для регулирования скорости электроподвижного состава, которое содержит источник питания, четыре тяговых двигателя постоянного тока, три тиристора, конденсаторные накопители энергии, зарядное устройство (RU №2238858, B60L 15/00, 2004 – прототип).
Недостатки устройства для регулирования скорости электроподвижного состава: неполное использование энергии конденсаторных накопителей, большое количество контакторов для многоступенчатого пуска от конденсаторных накопителей ухудшают массогабаритные показатели и снижают надежность устройства для регулирования скорости электроподвижного состава.
Задача изобретения – повысить надежность устройства для регулирования скорости электроподвижного состава и улучшить его энергетические и массогабаритные показатели.
Технический результат достигается тем, что в устройство для регулирования скорости электроподвижного состава, содержащее последовательно соединенные тяговый двигатель постоянного тока, контактор, первый и второй конденсаторы, первый и второй резисторы, в него дополнительно введены третий и четвертый резисторы, первый и второй биполярные транзисторы с изолированными затворами, первый и второй компараторы, к свободному выводу контактора через последовательно соединенные первый резистор, первый и второй конденсаторы подключен свободный вывод тягового двигателя постоянного тока, к общему выводу первого резистора и первого конденсатора подключен второй резистор и коллектор первого биполярного транзистора с изолированным затвором, эммитер которого соединен с коллектором второго биполярного транзистора с изолированным затвором и третьим резистором, свободный вывод которого соединен с общим выводом первого и второго конденсаторов и инверсным входом первого и прямым входом второго компараторов, эммитер второго биполярного транзистора с изолированным затвором соединен с общим выводом второго конденсатора, тягового двигателя постоянного тока и четвертого резистора, свободный вывод которого соединен со свободным выводом второго резистора и прямым входом первого и инверсным входом второго компараторов, выходы которых через первый и второй согласующие блоки соединены с затворами первого и второго биполярных транзисторов с изолированными затворами соответственно.
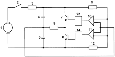
На чертеже изображена принципиальная электрическая схема предлагаемого устройства.
В соответствии с чертежом устройство для регулирования скорости электроподвижного состава, содержащее последовательно соединенные тяговый двигатель постоянного тока 1, контактор 2, к свободному выводу контактора 2 через последовательно соединенные первый резистор 3, первый 4 и второй 5 конденсаторы подключен свободный вывод тягового двигателя постоянного тока 1, к общему выводу первого резистора 2 и первого конденсатора 3 подключен второй резистор 6 и коллектор 7 первого биполярного транзистора с изолированным затвором, эммитер которого соединен с коллектором 8 второго биполярного транзистора с изолированным затвором и третьим резистором 9, свободный вывод которого соединен с общим выводом первого 4 и второго 5 конденсаторов и инверсным входом первого 10 и прямым входом второго 11 компараторов, эммитер 8 второго биполярного транзистора с изолированным затвором соединен с общим выводом второго конденсатора 5, тягового двигателя постоянного тока 1 и четвертого резистора 12, свободный вывод которого соединен со свободным выводом второго резистора 6 и прямым входом первого 10 и инверсным входом второго 11 компараторов, выходы которых через первый 13 и второй 14 согласующие блоки (например, схема драйвера M57160L-01, Каталог Симметрон Электронные компоненты 2004-2005, с.84) соединены с затворами первого 7 и второго 8 биполярных транзисторов с изолированными затворами соответственно.
Устройство для регулирования скорости электроподвижного состава работает следующим образом. В режиме электрического торможения тяговый двигатель постоянного тока 1 вырабатывает электроэнергию, которая аккумулируется в накопителе на первом 4 и втором 5 конденсаторах большой емкости (ионисторах). Тормозной резистор 3 ограничивает ток в цепи заряда конденсаторов. Во время заряда напряжение на первом 4 и втором 5 конденсаторах, включенных последовательно, будет увеличиваться обратно пропорционально их действительной емкости, поэтому конденсатор с большей емкостью зарядится до меньшего напряжения, его энергетические характеристики окажутся недоиспользованы, а конденсатор с меньшей емкостью зарядится до большего напряжения, что снизит его надежность. Для выравнивания напряжений на первом 4 и втором 5 конденсаторах в процессе заряда параллельно им включены первый 7 и второй 8 биполярные транзисторы с изолированными затворами, а в диагональ образованного моста – резистор 9. Для управления первым 7 и вторым 8 биполярными транзисторами с изолированными затворами используются первый 10 и второй 11 компараторы, инверсный вход первого 10 и прямой вход второго 11 компараторов соединены с общим выводом первого 4 и второго 5 конденсаторов, а прямой вход первого 10 и инверсный вход второго 11 компараторов соединены с делителем напряжения на втором 6 и четвертом 12 резисторах. При возникновении разбаланса между напряжением на среднем выводе делителя напряжения, образованного вторым 6 и четвертым 12 резисторами, и среднем выводе делителя напряжения, образованного первым 4 и вторым 5 конденсаторами, на входе одного из компараторов: первого 10 или второго 11 появляется разность напряжений, которая переключает его в состояние «включен». Этот сигнал с помощью согласующего блока: первого 13 или второго 14 усиливается и преобразуется в сигнал необходимого уровня для отпирания соответствующего первого 7 или второго 8 биполярного транзистора с изолированным затвором. Отпираясь, соответствующий биполярный транзистор с изолированным затвором шунтирует конденсатор, на котором оказалось большее напряжение, третьим резистором 9. Конденсатор, на котором оказалось меньшее напряжение, будет заряжаться большим током до тех пор, пока напряжение на первом 4 и втором 5 конденсаторах не выровняется. Таким образом, в течение всего цикла заряда будет поддерживаться равенство напряжений на конденсаторах и их емкость будет использоваться полностью.
Предлагаемое схемное решение реализует поставленную задачу – повышает надежность устройства для регулирования скорости электроподвижного состава и улучшает его энергетические и массогабаритные показатели за счет более полного использования емкости конденсаторного накопителя и уменьшения количества силовых ключевых элементов.
Формула изобретения
Устройство для регулирования скорости электроподвижного состава, содержащее последовательно соединенные тяговый двигатель постоянного тока, контактор, первый и второй конденсаторы, первый и второй резисторы, отличающееся тем, что в него дополнительно введены третий и четвертый резисторы, первый и второй биполярные транзисторы с изолированными затворами, первый и второй компараторы, к свободному выводу контактора через последовательно соединенные первый резистор, первый и второй конденсаторы подключен свободный вывод тягового двигателя постоянного тока, к общему выводу первого резистора и первого конденсатора подключен второй резистор и коллектор первого биполярного транзистора с изолированным затвором, эмиттер которого соединен с коллектором второго биполярного транзистора с изолированным затвором и третьим резистором, свободный вывод которого соединен с общим выводом первого и второго конденсаторов и инверсным входом первого и прямым входом второго компараторов, эмиттер второго биполярного транзистора с изолированным затвором соединен с общим выводом второго конденсатора, тягового двигателя постоянного тока и четвертого резистора, свободный вывод которого соединен со свободным выводом второго резистора и прямым входом первого и инверсным входом второго компараторов, выходы которых через первый и второй согласующие блоки соединены с затворами первого и второго биполярных транзисторов с изолированными затворами соответственно.
РИСУНКИ
|
|