|
|
(21), (22) Заявка: 2007118869/13, 21.05.2007
(24) Дата начала отсчета срока действия патента:
21.05.2007
(46) Опубликовано: 27.11.2008
(56) Список документов, цитированных в отчете о поиске:
RU 2216258 C1, 20.11.2003. RU 2111687 С1, 27.05.1998. RU 2140757 C1, 10.11.1999.
Адрес для переписки:
660049, г.Красноярск, пр. Мира, 82, ГОУ ВПО “Сибирский государственный технологический университет”, зав. Сектором Интеллектуальной собственности И.П. Куличковой
|
(72) Автор(ы):
Куриленко Николай Иванович (RU), Невзоров Виктор Николаевич (RU), Голубев Игорь Владимирович (RU)
(73) Патентообладатель(и):
Государственное образовательное учреждение высшего профессионального образования “Сибирский государственный технологический университет” (RU)
|
(54) УСТРОЙСТВО ДЛЯ РАЗРУШЕНИЯ СКОРЛУПЫ КЕДРОВОГО ОРЕХА
(57) Реферат:
Изобретение относится к области лесохозяйственной промышленности и предназначено для получения неразрушенного ядра кедрового ореха, очищенного от скорлупы. Устройство имеет корпус, в котором под углом к его внутренней поверхности установлен барабан с закрепленным в нем шнеком, вращающиеся в противоположных направлениях. Барабан выполнен с посадочными карманами овальной формы для ореха, расположенными в ряд по всей его окружности, наружный диаметр которых больше, чем их внутренний диаметр. Глубина посадочных карманов составляет среднестатистическую ширину ореха, и посадочные карманы с внутренней стороны имеют выходные отверстия для выхода обрезанной нижней части ореха. В корпусе выполнено технологическое отверстие, в котором с наружной стороны корпуса установлен толкатель. Корпус имеет выходной кожух, соединенный с ящиком для сбора технологических отходов. С внутренней стороны корпуса установлены режущие ножи для срезания верхней части ореха и выполнены расположенные по длине выходного кожуха отверстия, предназначенные для выхода технологических отходов. В основании шнека имеется упорный подшипник и режущие ножи, соединенные со шнеком при помощи упругих пластин, установленных на его гребне. Корпус посредством технологического отверстия и приемного бункера сообщен с центрифугой, имеющей выходное отверстие, напротив которого установлена снабженная регулировочной тягой металлическая плита, под которой размещена приемная емкость для сбора разрушенного ореха. Металлическая плита установлена под углом , зависящим от влажности ореха. Использование изобретения позволит повысить качество очистки орехов. 1 з.п. ф-лы, 3 ил.
Изобретение относится к области лесохозяйственной промышленности и предназначено для получения неразрушенного ядра кедрового ореха, очищенного от скорлупы.
Известно устройства для механической очистки кедрового ореха от скорлупы (А.с. RU 2140757 С1, 6 A23N 5/00). Оно включает бункер загрузки, дозатор, питатель, механизм разрушения, решето с отверстиями под очищенное от скорлупы неразрушенное ядро ореха. Разрушение ореха осуществляется в зазоре между валом и станиной.
Недостатком данного устройства является низкая производительность и высокие затраты на получение чистого зерна за счет использования ручного труда.
Известное устройство для разрушения скорлупы кедрового ореха (А.с. RU 2216258 С1, МПК А23N 5/00), выбранное в качестве прототипа, содержащее корпус, загрузочное устройство, ротор с радиальными каналами, а также конусный абразивный диск и диск с центральным отверстием, эжектор со смесительной камерой, расположенной по касательной к внутренней образующей цилиндра, выполненного с отверстиями. На конусной поверхности второго диска расположены спиралеобразные каналы для размещения орехов в один ряд, направленные в сторону вращения диска.
Недостатком известного устройства является попадание частиц абразивных частиц в очищенное зерно, что снижает качество продукции, что не допустимо при дальнейшем использовании очищенного ядра ореха.
Изобретение решает задачу процесса механизации разрушения скорлупы с сохранением ядер орехов, повышение качества очистки кедровых орехов, повышение производительности и увеличение выхода конечного продукта.
Технический эффект заключается в ослаблении целостности скорлупы орехов путем разрушения верхней и нижней части скорлупы орехов; разрушение верхней части скорлупы ореха за счет многократного прохождения через режущие ножи, установленные в корпусе, а разрушение нижней части скорлупы ореха – режущими ножами шнека, которые для смягчения удара во время процесса резания закреплены на гребне шнека с помощью упругих пластин.
Указанный технический результат при осуществлении изобретения достигается тем, что в устройстве для разрушения скорлупы кедрового ореха, содержащем корпус, в котором под углом к его внутренней поверхности установлен барабан с закрепленным в нем шнеком, вращающиеся в противоположных направлениях, при этом барабан выполнен с посадочными карманами овальной формы для ореха, расположенными в ряд по всей его окружности, наружный диаметр которых больше, чем их внутренний диаметр, глубина посадочных карманов составляет среднестатистическую ширину ореха и посадочные карманы с внутренней стороны имеют выходные отверстия для выхода обрезанной нижней части ореха, а в корпусе выполнено технологическое отверстие, в котором с наружной стороны корпуса установлен толкатель, корпус имеет выходной кожух, соединенный с ящиком для сбора технологических отходов, с внутренней стороны корпуса установлены режущие ножи для срезания верхней части ореха и выполнены расположенные по длине выходного кожуха отверстия, предназначенные для выхода технологических отходов, кроме того, в основании шнека имеется упорный подшипник и режущие ножи, соединенные со шнеком при помощи упругих пластин, установленных на его гребне, а корпус посредством технологического отверстия и приемного бункера сообщен с центрифугой, имеющей выходное отверстие, напротив которого установлена снабженная регулировочной тягой металлическая плита, под которой размещена приемная емкость для сбора разрушенного ореха.
Металлическая плита установлена под углом , зависящим от влажности ореха.
Барабан с посадочными карманами установлен под углом к внутренней поверхности корпуса, что обеспечивает прижимание орехов к внутренней поверхности корпуса и при подходе к режущим ножам происходит постепенное срезание верхней части ореха.
Для полного раскалывания скорлупы ореха установлена металлическая плита (орех вылетает из центрифуги с определенной скоростью и ударяется о металлическую плиту, при этом и происходит полное разрушение скорлупы). А для более эффективного раскалывания ореха, в зависимости от его влажности, плита устанавливается под определенным углом , который регулируется при помощи регулировочной тяги.
Овальная форма посадочных карманов позволяет ореху правильно занимать рабочее положение и обеспечивает устойчивость при срезании верхней и нижней части скорлупы, для чего посадочные карманы имеют выходные отверстия разного диаметра – для верхней части ореха и для нижней части ореха.
Для извлечения, обрезанных с двух сторон, орехов из посадочных карманов в технологическом отверстии корпуса установлен толкатель.
Выполнение барабана с посадочными карманами обеспечивает правильное попадание и удерживание в рабочем положении ореха и проведения его по режущим ножам корпуса.
Шнек выполнен с режущими ножами с целью срезания нижней части скорлупы ореха и для смягчения удара во время процесса резания, режущие ножи подпружинены на упругих пластинах.
Для обеспечения вертикальной устойчивости ореха в кармане шнек выполнен с возможностью вращения в противоположном направлении относительно барабана.
Движение орехов осуществляется в посадочных карманах барабана, размещенных в один ряд, по всей окружности барабана и далее через выходное отверстие, расположенное в нижней части корпуса. Глубина посадочных карманов составляет среднестатистическую ширину ореха. Далее орех, с уже поврежденной скорлупой, под действием собственной силы тяжести попадает в центрифугу, где он разгоняется, вылетая из отверстия центрифуги, ударяется о поверхность металлической плиты и полностью разрушается.
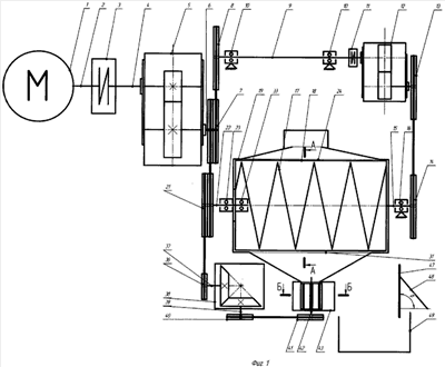
На фиг.1 показана кинематическая схема устройства для разрушения кедрового ореха; на фиг.2 показан поперечный разрез по линии А-А основного рабочего устройства в процессе частичного разрушения скорлупы кедрового ореха; на фиг.3 показан разрез по линии Б-Б, показывающий центрифугу для разгона поврежденного ореха с последующим направлением на разрушающий удар.
Устройство для разрушения скорлупы кедрового ореха состоит из электродвигателя 1, вала 2 для передачи крутящего момента на упругую муфту 3, входного вала 4, понижающего редуктора 5. На выходном валу 6 редуктора 5 установлен двухлучевой шкив 7, который клиноременной передачей связан со шкивом 8, установленным на валу 9 и опорных подшипниках 10. Кроме того, вал 9 соединен с упругой муфтой 11 и промежуточным редуктором 12. На выходном валу промежуточного редуктора 12 выполнен однолучевой шкив 13, соединенный клиноременной передачей со шкивом 14, размещенным на шлицевом валу 15, установленном в опорном подшипнике 16. На шлицевом валу 15 установлен шнек 17, который закреплен в барабане 18, который, в свою очередь, установлен в корпусе 19. Барабан 18 установлен под углом к внутренней поверхности корпуса 19 для обеспечения постепенного срезания верхней части скорлупы ореха.
Корпус 19 имеет загрузочный бункер для кедрового ореха 20. Двухлучевой шкив 21 закреплен на полуоси 22 и подшипнике 23, который, в свою очередь, установлен в корпусе 19, кроме того, шкив 21 соединен клиноременной передачей со шкивом 7. В корпусе 19 с внутренней стороны установлены режущие ножи 24 для срезания верхней части ореха и выполнены отверстия 25 для выхода технологических отходов, которые расположены по длине выходного кожуха 26, соединенного с ящиком 27 для сбора технологических отходов. Барабан 18 выполнен с посадочными карманами овальной формы для ореха 28, которые расположены в ряд по все окружности барабана 18, причем наружный диаметр посадочного кармана больше, чем внутренний диаметр. Глубина посадочных карманов 28 составляет среднестатистическую ширину ореха. Для обеспечения вертикальной устойчивости ореха в карманах 28 шнек 17 и барабан 18 установлены с возможностью вращения в противоположных направлениях. Посадочные карманы 28 с внутренней стороны имеют выходные отверстия 29 для выхода обрезанного с двух сторон ореха. С наружной стороны 30 в технологическом отверстии 31 корпуса 19 установлен толкатель 32. В основание шнека 17 имеется упорный подшипник 33 и режущие ножи 34, которые соединены со шнеком при помощи упругих пластин 35, установленных на гребне шнека 17.
Двухлучевой шкив 21 соединен через клиноременную передачу со шкивом 36, закрепленным на входном валу 37 конического редуктора 38. Последний имеет выходной вал 39, на котором закреплен однолучевой шкив 40, соединенный клиноременной передачей со шкивом 41, установленным на валу 42. Вал 42 закреплен в центрифуге 43, имеющей расположенные внутри лопасти 44. Центрифуга 43 соединена приемным бункером 45 с корпусом 19 с технологическим отверстием 31. Кроме того, центрифуга 43 имеет выходное отверстие 46, напротив которого установлена металлическая плита 47 с регулировочной тягой 48. Металлическая плита 47 установлена под определенным углом для более эффективного раскалывания ореха в зависимости от его влажности. Под плитой 47 размещена приемная емкость 49 для сбора разрушенного ореха.
Устройство для разрушения скорлупы кедрового ореха работает следующим образом. Кедровые орехи из загрузочного бункера 20 поступают в посадочные карманы 28. Вращаясь вместе с барабаном, орехи перемещаются в направлении режущих ножей 24. При этом за счет установки барабана 18 под углом к внутренней поверхности корпуса 19 орехи прижимаются к внутренней поверхности корпуса 19, и при подходе к режущим ножам 24 происходит постепенное срезание верхней части ореха. Через отверстия 25 по выходному кожуху 26 обрезанные частицы скорлупы падают в ящик 27 для сбора технологических отходов. Одновременно происходит срезание и нижней части ореха режущими ножами 34, подпружиненными упругими пластинами 35. Для обеспечения вертикальной устойчивости ореха в кармане шнек 17 вращается в противоположном направлении относительно барабана 18. После того как орех с двух сторон был срезан за период не полного оборота барабана 18, он достигает толкателя 32. Толкатель 32 извлекает кедровые орехи из посадочных карманов 28.
Далее орех, с уже поврежденной скорлупой, под действием собственной силы тяжести попадает в выходное отверстие 46 центрифуги 43, где он разгоняется и с определенным усилием ударяется о поверхность металлической плиты 47, и полностью разрушается. И после удара уже расколотый орех падает в приемную емкость 49.
Регулировочная тяга 48 устанавливается под определенным углом в зависимости от степени влажности раскалываемого ореха.
Технико-экономические преимущества заявляемого устройства влияют на повышение качества разрушения орехов и повышение производительности установки.
Формула изобретения
1. Устройство для разрушения скорлупы кедрового ореха, характеризующееся тем, что оно имеет корпус, в котором под углом к его внутренней поверхности установлен барабан с закрепленным в нем шнеком, вращающийся в противоположных направлениях, при этом барабан выполнен с посадочными карманами овальной формы для ореха, расположенными в ряд по всей его окружности, наружный диаметр которых больше, чем их внутренний диаметр, глубина посадочных карманов составляет среднестатистическую ширину ореха, и посадочные карманы с внутренней стороны имеют выходные отверстия для выхода обрезанной нижней части ореха, а в корпусе выполнено технологическое отверстие, в котором с наружной стороны корпуса установлен толкатель, корпус имеет выходной кожух, соединенный с ящиком для сбора технологических отходов, с внутренней стороны корпуса установлены режущие ножи для срезания верхней части ореха и выполнены расположенные по длине выходного кожуха отверстия, предназначенные для выхода технологических отходов, кроме того, в основании шнека имеется упорный подшипник и режущие ножи, соединенные со шнеком при помощи упругих пластин, установленных на его гребне, а корпус посредством технологического отверстия и приемного бункера сообщен с центрифугой, имеющей выходное отверстие, напротив которого установлена снабженная регулировочной тягой металлическая плита, под которой размещена приемная емкость для сбора разрушенного ореха.
2. Устройство по п.1, отличающееся тем, что металлическая плита установлена под углом , зависящим от влажности ореха.
РИСУНКИ
|
|