|
|
(21), (22) Заявка: 2007117785/09, 14.05.2007
(24) Дата начала отсчета срока действия патента:
14.05.2007
(46) Опубликовано: 20.11.2008
(56) Список документов, цитированных в отчете о поиске:
RU 2052898, C1, 20.01.1996. SU 1262737, A1, 07.10.1986. RU 2151406, C1, 20.06.2000. RU 38509, U1, 20.06.2004. EP 1139585, A2, 04.10.2001.
Адрес для переписки:
125009, Москва, а/я 184, ППФ “ЮС”, В.В. Курьянову (для В.Л. Воронцова)
|
(72) Автор(ы):
Воронцов Валерий Леонидович (RU)
(73) Патентообладатель(и):
Воронцов Валерий Леонидович (RU)
|
(54) СПОСОБ ОПРЕДЕЛЕНИЯ ВЕСОВЫХ ХАРАКТЕРИСТИК ДОСТОВЕРНОСТИ ДЛЯ ОБРАБОТКИ ПРИНЯТЫХ МНОГОПОЗИЦИОННЫХ СИГНАЛОВ
(57) Реферат:
Изобретение относится к радиосвязи и может быть использовано при приеме разнесенных цифровых сигналов телеметрическими средствами. Технический результат – повышение скорости обработки данных и помехоустойчивости в условиях действия произвольных помех. Для этого по n каналам разнесения принимают m-позиционные сигналы, включающие информационные и тестовые сигналы, которые преобразуют в блоки элементарных данных, каждый из которых представляет собой импульсные r-разрядные сигналы в параллельном двоичном коде, сопровождаемые тактовыми импульсами и разделенные маркерами, причем m=2r, m 1. Определяют в каждом канале количество совпадений r-разрядных тестовых сигналов Nтест_дост_i, i=1, 2,…, n, где Nтест_дост_i – количество совпадений в i-м канале. Блоки элементарных данных каждого канала распределяют в порядке уменьшения количества совпадений Nтест_дост_n Nтест_дост_n-1 …Nтест_дост_i…Nтест_дост_2 Nтест_дост_1. Вычисляют комбинации {Wki} весовых характеристик достоверности (ВХД) {Wki}n_опт, k=1,…, q, причем Wk1k2<…Wk,i…k,n-1Wk,n, где k – номер комбинации, i – номер канала, а q – количество комбинаций. Соответствующие импульсные r-разрядные тестовые сигналы сравнивают на их идентичность и для них вычисляют суммарные оценки достоверности по формуле

e=1, 2,…, m,
где Wki – ВХД k-й комбинации для i-го канала разнесения, е – значение позиции в m-позиционном тестовом сигнале. Среди вычисленных суммарных оценок достоверности Wke определяют максимальную суммарную оценку достоверности и соответствующее ей значение позиции еоб_тест_k. Вычисляют суммарные оценки достоверности для последующих r-разрядных тестовых сигналов и определяют максимальную суммарную оценку достоверности и соответствующее ей значение позиции eоб_тест_k (k=1, 2, …, q). Сравнивают значения позиций eоб_тест_k (k=1, 2,…, q) тестовых сигналов с их эталонными значениями. Определяют количество совпадений. Все указанные выше операции для определения количества совпадений повторяют для каждой k-й комбинации и из них выбирают комбинацию k=h с максимальным количеством совпадений и соответствующее ей еоб_тест_h и используют соответствующие h-й комбинации ВХД для обработки принятых m-позиционных сигналов. Способ позволяет повысить скорость обработки данных и помехоустойчивость в условиях действия произвольных помех. 10 ил., 3 табл.
Изобретение относится к радиосвязи, может использоваться, например, при приеме разнесенных цифровых сигналов телеметрическими средствами.
Разнесение осуществляется:
в пространстве (при приеме на различные антенны);
по частоте;
во времени;
по поляризации (на основе подключения каналов с различной поляризацией радиосигнала к аппаратуре автовыбора).
Однако разнесенный прием не только создает преимущества, обусловленные расширением возможностей выбора, но и обостряет проблемы, связанные с обработкой больших объемов данных. Задача при этом состоит, прежде всего, в выборе способа обработки, обеспечивающего высокую достоверность данных в обобщенном массиве.
Известен способ разнесенного приема, заключающийся в приеме неоднократно повторенного данного телеизмерения и регистрации данного, принятого большее число раз, чем другие данные (мажорирование). [Мановцев А.П. Введение в цифровую радиотелеметрию. – М.: Сов. радио, 1967, с.295]
Ограничением этого способа является низкая помехоустойчивость при искажении помехами данных значительного числа каналов разнесения.
Известен способ разнесенного приема пакетов цифровой информации, заключающийся в оценивании достоверности данных каждого принятого пакета, соответствующего одному и тому же переданному пакету, и выборе в обобщенный массив пакета с наиболее достоверными данными (автовыбор). [Способ автовыбора пакетной цифровой информации. Авторское свидетельство СССР №1262737, БИ №37, 1986.]
Основное ограничение этого способа состоит в исключении возможности взаимодополнения данных пакетов, соответствующих одному и тому же переданному пакету и в разной мере искаженных помехами.
Таким образом, автовыбор, мажорирование и их некоторые модификации не обеспечивают высокой достоверности.
Наиболее близким является способ разнесенного приема многопозиционных сигналов, включающих в себя информационные и тестовые сигналы. [Патент РФ №2052898, Н04В 7/04, G08C 19/28, опубл. 20.01.1996].
В этом способе предложено повышать достоверность данных, выделенных из аналоговых реализаций многопозиционных сигналов, путем адаптации к помеховой обстановке на основе управления функциональным соответствием между обобщенными данными и данными, поступившими из каналов разнесения. Реализованный таким образом способ разнесенного приема данных обеспечивает преимущества как мажорирования, так и автовыбора. Он базируется на оценках достоверности, полученных с использованием тестовых данных, выделенных из принятых по каналам разнесения блоков данных:
Wkij=Ak-Bij,
Wkij=0 при Akij,

где Ak – устанавливаемое максимальное значение оценки достоверности принятых данных после k-й его коррекции;
Wkij – значение оценки достоверности принятых данных после k-й коррекции его устанавливаемого максимального значения (Ak) при условии, что осуществляется подсчет недостоверных тестовых данных i-го канала разнесения при наличии j недостоверных тестовых данных среди соответствующих одному и тому же переданному данному;
Wke – значение суммарной оценки достоверности значения тестового данного е после k-й коррекции устанавливаемого максимального значения оценки (Ak), если значение е повторилось в тестовых данных i1-го, i2-го,…, im-го каналов разнесения, соответствующих одному и тому же переданному данному.
Путем подбора значений Ak, изменяемых с шагом А и в пределах от Аmin до Аmax, получают его оптимальное значение (Аопт), обеспечивающее минимальное число недостоверных обобщенных тестовых данных. Полученное значение Аопт используют для вычисления оптимальных оценок Wij_опт, которые в дальнейшем распространяют и на принятые информационные данные.
В приведенном в качестве ближайшего аналога способе в недостаточной степени реализованы возможности повышения помехоустойчивости путем разнесенного приема многопозиционных сигналов из-за использования нерациональных весовых характеристик достоверности. Нерациональность проявляется в том, что некоторые (две и более) применяемые комбинации весовых характеристик достоверности устанавливают одинаковую функциональную зависимость. При этом существуют дополнительные по отношению к применяемым комбинации весовых характеристик достоверности, обеспечивающие новую функциональную зависимость. В результате приходится обрабатывать достаточно большой массив данных, и способ не отличается высоким быстродействием и хорошей помехоустойчивостью.
Решаемая изобретением задача – повышение эффективности разнесенного приема многопозиционных сигналов.
Технический результат, который может быть получен при осуществлении изобретения, – повышение скорости обработки данных и помехоустойчивости в условиях действия произвольных помех.
Для решения поставленной задачи с достижением указанного технического результата определяют ВХД для обработки принятых по n каналам разнесения m-позиционных сигналов, включающих информационные и тестовые сигналы, которые преобразуют в блоки элементарных данных, каждый из которых представляет собой импульсные r-разрядные сигналы в параллельном двоичном коде, сопровождаемые тактовыми импульсами и разделенные маркерами, причем m=2r, m 2,
компенсируют временные задержки сигналов по n каналам разнесения,
каждому импульсному r-разрядному сигналу присваивают адрес и запоминают их,
сравнивают импульсные r-разрядные тестовые сигналы с соответствующими эталонными,
определяют в каждом канале количество совпадений r-разрядных тестовых сигналов Nтест_дост_i, i=1, 2,…, n, где Nтест_дост_i – количество совпадений в i-м канале,
блоки элементарных данных каждого канала распределяют в порядке уменьшения количества совпадений Nтест_дост_n Nтест_дост_n-1 …Nтест_дост_i…Nтест_дост_2 Nтест_дост_1, упорядочивая их нумерацию по Nтест_дост_i, и запоминают порядок распределения блоков элементарных данных,
предварительно вычисляют комбинации {Wki} ВХД для импульсных r-разрядных тестовых сигналов каждого блока элементарных данных {Wki}n_опт, k=1,…, q,
причем Wk1k2<…Wk,i…k,n-1k,n, где k – номер комбинации, i – номер канала, а q – количество комбинаций,
соответствующие импульсные r-разрядные тестовые сигналы каждого блока элементарных данных сравнивают на их идентичность и для них вычисляют суммарные оценки достоверности (Wke) для каждого r-разрядного тестового сигнала в блоке элементарных данных по формуле
, e=1, 2,…, m,
где Wki – весовая характеристика достоверности k-й комбинации для упорядоченного i-го канала разнесения,
i1, i2,… – упорядоченные номера каналов разнесения для идентичных импульсных r-разрядных тестовых сигналов,
е – значение позиции в m-позиционном тестовом сигнале,
среди вычисленных суммарных оценок достоверности Wke, е=1, 2,…, m, определяют максимальную суммарную оценку достоверности и соответствующее ей значение позиции eоб_тест_k (k=1, 2,…, q) импульсного r-разрядного тестового сигнала,
вычисляют суммарные оценки достоверности для последующих r-разрядных тестовых сигналов и определяют максимальную суммарную оценку достоверности и соответствующее ей значение позиции eоб_тест_k (k=1, 2,…, q),
сравнивают значения позиций eоб_тест_k (k=1, 2,…, q) тестовых сигналов с их эталонными значениями, определяют количество совпадений,
все указанные выше операции для определения количества совпадений повторяют для каждой k-ой комбинации и из них выбирают комбинацию k=h с максимальным количеством совпадений и соответствующее ей eоб_тест_h и используют соответствующие h-ой комбинации весовые характеристики достоверности для обработки принятых m-позиционных сигналов.
Таким образом, в заявленном способе все возможные весовые характеристики достоверности данных каналов разнесения могут быть представлены конечным (причем относительно небольшим) множеством W {{Wki}; k=1,…, q; i=1,…, n), являющимся матрицей размером q×n (где q – количество комбинаций значений весовых характеристик достоверности данных каналов разнесения, а n – количество каналов разнесения). Это позволяет перебором q комбинаций среди априори вычисленных характеристик достоверности {Wki} выбрать обеспечивающую наибольшую достоверность обобщенных данных и обеспечить наибольшую скорость обработки данных. В. результате удается создать новый способ определения весовых характеристик достоверности (ВХД) для обработки принятых многопозиционных сигналов, обеспечивающий в любых условиях помеховой обстановки достоверность не хуже, чем автовыбор, мажорирование, а при благоприятных условиях – лучше.
Указанные преимущества, а также особенности настоящего изобретения поясняются лучшим вариантом его выполнения со ссылками на прилагаемые чертежи.
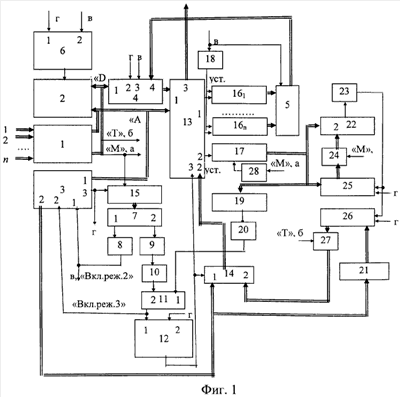
Фиг.1 изображает функциональную схему устройства, реализующего заявленный способ определения весовых характеристик достоверности, а также их применения для обработки принятых многопозиционных сигналов,
фиг.2 – функциональную схему блока коммутации на фиг.1;
фиг.3 – функциональную схему формирователя на фиг.1;
фиг.4 – эпюру входного сигнала канала разнесения;
фиг.5 – циклограмму работы устройства;
фиг.6 – эпюры сигналов на выходе каналов разнесения, на входе накопителя на фиг.1;
фиг.7 – эпюры сигналов на выходе накопителя на фиг.1;
фиг.8 – структура выходного (обобщенного) сигнала на выходе устройства;
фиг.9 – структурную схема алгоритма выбора комбинации {Whi} программируемой логической матрицей (ПЛМ) на фиг.1;
фиг.10 – структурную схему алгоритма формирования ПЛМ на фиг.1 последовательности импульсных r-разрядных сигналов в параллельном двоичном коде, содержащей информационные сигналы.
Пунктирные линии сигналов на чертежах (фиг.4, 6, 7, 8) обозначают возможные формы этих сигналов, а сплошными линиями изображены сигналы, которые априори известны. Исключение – фрагменты на фиг.4 и 6 (приведен пример отображения сплошной линией конкретных уровней четырехпозиционных сигналов и соответствующих им двухразрядных сигналов в параллельном двоичном коде, следующих после первого маркера, показанного на этих чертежах). На эпюрах по оси абсцисс – время (t), а по оси ординат – напряжение (u).
Поскольку заявленный способ определения ВХД, а также их применения для обработки принятых многопозиционных сигналов реализуется в процессе работы устройства, то его подробное описание приведено в разделе описания работы устройства.
Устройство приема многопозиционных сигналов (фиг.1) содержит: накопитель 1, блок 2 памяти, блок 3 управления, блок 4 коммутации, формирователь 5, триггер 6, дешифратор 7, формирователи импульсов 8 и 9, элемент задержки 10, элемент ИЛИ 11, триггер 12, программируемую логическую матрицу (ПЛМ) 13, коммутатор 14, двоичные счетчики 15, 161,…, 16n, 17, элемент задержки 18, дешифратор 19, элемент задержки 20, блок 21 элементов задержки, компаратор 22, элемент задержки 23, вентиль 24, регистры 25 и 26, вентиль 27, элемент задержки 28.
Блок 4 коммутации (фиг.2) содержит регистр 29, дешифратор 30, блок 31 кроссировки линий шины, блок 32 объединения, вентили 331,…, 33q.
Формирователь 5 (фиг.3) содержит вентили 341,…, 34n, блок 35 кроссировки, компараторы 361,…, 36r.
Входы накопителя 1 являются входами устройства (фиг.1), на которые подаются импульсные r-разрядные сигналы n-каналов разнесения в параллельном двоичном коде, сопровождаемые тактовыми импульсами и разделенные маркерами, включающие в себя информационные и тестовые сигналы (см. фиг.6). (Предполагается, что преобразование исходной структуры сигналов, представленной на фиг.4, в структуру на фиг.6 уже осуществлено и производится обычным образом.) Выходы накопителя 1 соединены с шинами данных «D» и с адресными шинами «A» блока 2 памяти, причем адресные шины подключены также к первому выходу блока 3 управления. Шины данных подключены к первому входу блока 4 коммутации, выход которого соединен с линиями шины первого входа ПЛМ 13. Часть линий шины первого входа ПЛМ 13 подключена также к адресным шинам. Линия маркерных импульсов шины данных соединена дополнительно со счетным входом двоичного счетчика 15, с управляющим входом вентиля 24 и через элемент задержки 28 со входом установки в нулевое состояние (уст. «0») двоичного счетчика 17, а линия тактовых импульсов дополнительно – с управляющим входом вентиля 27.
Вход блока 2 памяти «Запись»/»Чтение» соединен с выходом триггера 6.
Линии шины второго выхода блока 3 управления соединены с первым входом коммутатора 14 и через блок 21 элементов задержки – с информационными входами регистра 26, а его третий выход объединен с первым входом триггера 6, со входом уст. «0» двоичного счетчика 15, со вторым входом блока 4 коммутации, со вторым входом триггера 12 и со входами уст. «0» регистров 25 и 26. Первый вход блока 3 управления объединен с выходом формирователя импульсов 8, со вторым входом триггера 6, с третьим входом блока 4 коммутации, с управляющим входом формирователя 5 и через элемент задержки 18 – с входами уст. «0» двоичных счетчиков 161,…, 16n. Второй вход блока 3 управления объединен с выходом элемента ИЛИ 11, с первым входом триггера 12.
Информационные выходы двоичного счетчика 15 соединены с соответствующими входами дешифратора 7.
Первый выход дешифратора 7 соединен со входом формирователя импульсов 8, а его второй выход – со входом формирователя импульсов 9.
Выход формирователя импульсов 9 через элемент задержки 10 соединен со вторым входом элемента ИЛИ 11, первый вход которого через элемент задержки 20 соединен с выходом дешифратора 19.
Выход триггера 12 объединен с управляющим входом коммутатора 14 и третьим входом ПЛМ 13.
Второй вход коммутатора 14 соединен с выходом вентиля 27, а его выход – со вторым выходом ПЛМ 13.
Линии шины первого выхода ПЛМ 13 соединены со счетными входами двоичных счетчиков 161,…, 16n, второй выход ПЛМ 13 – со счетным входом двоичного счетчика 17, а третий выход ПЛМ 13 является выходом устройства.
Информационные выходы двоичных счетчиков 161,…, 16n подключены к соответствующим информационным входам формирователя 5, выход которого соединен с четвертым входом блока 4 коммутации.
Информационные выходы двоичного счетчика 17 объединены с соответствующими информационными входами регистра 25, дешифратора 19 и линиями шины, составляющими первый вход компаратора 22.
Второй вход компаратора 22 соединен с выходом вентиля 24, а его выход через элемент задержки 23 – с управляющими входами регистров 25 и 26, по которым поступает сигнал, разрешающий перезапись входного данного в регистр.
Входы вентиля 24 соединены с информационными выходами регистра 25, а вентиля 27 – с информационными выходами регистра 26.
Функциональные связи блока 4 коммутации (фиг.2). Информационные входы регистра 29 являются четвертым входом блока 4 коммутации, а его информационные выходы – входом дешифратора 30. Вход уст. «0» регистра 29 объединен с третьим входом блока 4, а его управляющий вход (по которому поступает сигнал, разрешающий перезапись входного данного в регистр) – со вторым входом блока 4. Выходы дешифратора 30 подключены к соответствующим управляющим входам вентилей 331,…, 33q. Информационные входы вентилей 331,…, 33q подключены к соответствующим выходам блока 31 кроссировки линий шины, а их выходы – ко входам блока 32 объединения, выход которого является выходом блока 4 коммутации. Первый вход блока 4 коммутации является входом блока 31 кроссировки линий шины.
На каждую входную линию шины блока 31 приходится q выходных шин, состав входных линий для каждого отдельного вентиля среди 331,…, 33q аналогичен составу входных линий шины блока 31, но при этом варианты распределения r-разрядных сигналов разных каналов разнесения по линиям разные. Из двух выбранных наугад вариантов всегда обнаружится, что, по крайней мере, по месту r-разрядных сигналов i-го канала разнесения поступают элементарные данные j-го канала разнесения (i, j=1, 2,…, n; i j]), где i и j – номера каналов разнесения, a n- общее число каналов.
Функциональные связи формирователя 5 (фиг.3). Информационные входы вентилей 341,…, 34n являются информационными входами формирователя 5, их управляющие входы объединены с управляющим входом формирователя 5, а выходы вентилей 341,…, 34n подключены ко входам блока 35 кроссировки и с помощью этого блока подключаются попарно к компараторам 361,…, 36s. Например, если n=5, то пары номеров вентилей (номеров каналов разнесения) сочетаются таким образом: 1,2; 1,3; 1,4; 1,5; 2,3; 2,4; 2,5; 3,4; 3,5; 4,5. Выходы компараторов 361,…, 36s являются выходом формирователя 5.
Устройство (фиг.1) работает следующим образом.
Заблаговременно (априори) для заданных значений n (количество каналов разнесения) и m (позиционность сигнала) вычисляют множество ВХД, среди которых по результатам обработки тестовых r-разрядных сигналов в устройстве выбирают оптимальную комбинацию ВХД (она обеспечивает наибольшую достоверность выходных r-разрядных сигналов), которую используют для обработки информационных r-разрядных сигналов. Множество ВХД {Wki}, k=1,…, q, i=1,…, n (где q – число вычисленных комбинаций ВХД, n – число каналов разнесения) представляет собой матрицу, ее размер равен n×q. Каждая отдельная весовая характеристика Wki относится к k-й комбинации и к i-му каналу разнесения. Чем больше значение отдельной ВХД, по сравнению с другими отдельными ВХД, входящими в состав этой же комбинации, тем больше вес соответствующего ей r-разрядного сигнала. Если же значения позиций нескольких r-разрядных сигналов, поступивших из разных каналов разнесения и соответствующих одному и тому же переданному сигналу, одинаковы, то соответствующие каждому из них значения отдельных ВХД суммируются, в результате чего получают суммарную оценку достоверности Wke идентифицированной позиции е m-позиционного сигнала. При осуществлении способа с использованием устройства (фиг.1) сведения о Wki и о Wke содержатся в данных, формируемых в этом устройстве и преобразуемых в нем в процессе его работы, которые представляются в виде совокупности электрических сигналов.
На входы устройства поступают r-разрядные сигналы в параллельном двоичном коде, составляющие блоки элементарных данных n каналов разнесения, причем структуры сигналов на входе и выходе одинаковы (см. фиг.6 и 8). Входные r-разрядные сигналы формируют с помощью приемника (на фиг.1 не показан) из w-позиционных сигналов (например, эпюра для четырехпозиционного сигнала показана на фиг.4).
За время обработки r-разрядных сигналов, содержащих блоки элементарных данных, устройство последовательно работает в трех режимах (фиг.5).
При включении устройства из блока 3 управления поступают сигналы команд, аналогичные поступающим по окончанию работы в третьем режиме. Устройство приводится в состояние готовности к работе с r-разрядными сигналами, составляющими блоки элементарных данных каналов разнесения, для получения r-разрядных сигналов обобщенного блока элементарных данных.
Работа устройства в первом режиме осуществляется для упорядочения каналов разнесения в зависимости от достоверности Nтест_дост_i поступающих на входы устройства r-разрядных сигналов (где Nтест_дост_i – количество достоверных тестовых r-разрядных сигналов в блоке элементарных данных i-го канала разнесения).
Работа устройства в первом режиме заключается в следующем.
На входы устройства – входы накопителя 1 (фиг.1) поступают r-разрядные импульсные сигналы в параллельном двоичном коде, сопровождаемые тактовыми импульсами «T» и разделенные маркерами «М». «T» является признаком наличия r-разрядного сигнала, а «М» является признаком окончания блока элементарных данных и совпадает по времени с последним r-разрядным сигналом блока элементарных данных. На фиг.6 представлены эпюры сигналов с блоками элементарных данных для четырехпозиционных сигналов (m=4, r=2).
В накопителе 1 осуществляется компенсация временных задержек сигналов. С его выхода совмещенные во времени r-разрядные сигналы блоков элементарных данных (фиг. 7) (информационные и тестовые), сопровождаемые адресными данными, поступают на шины «D» и «A» соответственно (фиг.1). Состояние триггера 6 выбрано обеспечивающим установку блока 2 памяти в состояние «Запись», поэтому поступающие из накопителя 1 r-разрядные сигналы (фиг.7) поступают в ячейки блока 2 памяти, причем адрес r-разрядного сигнала соответствует номеру ячейки. Сигналы с выхода накопителя 1 через блок 4 коммутации поступают на первый вход ПЛМ 13.
ПЛМ 13 запрограммирована воспринимающей лишь поступающие на ее вход тестовые r-разрядные сигналы, которым соответствуют определенные адреса. Если тестовые r-разрядные сигналы не искажены помехами (т.е. достоверны), то они совпадают с соответствующими эталонными сигналами. В этом случае на каждой линии шины первого выхода ПЛМ 13 появляется импульс, поступающий на счетный вход соответствующего двоичного счетчика 161,…, 16n и изменяющий его состояние на единицу. Если тестовый r-разрядный сигнал i-го канала разнесения недостоверен, то ПЛМ 13 не выдает импульс на счетный вход двоичного счетчика 16i. По окончании цикла работы накопителя 1 состояния двоичных счетчиков 161,…, 16n будут определять значения Nтест_дост_i, i=1,…, n.
Окончание цикла работы накопителя 1 совпадает с «М»-сигналом, поступающим с выхода накопителя 1 на счетный вход двоичного счетчика 15, состояние которого становится «1». Соответствующие сигналы с информационных выходов двоичного счетчика 15 поступают на входы дешифратора 7, инициируя на его первом выходе сигнал, передний фронт которого совпадает с передним фронтом импульса, формируемого формирователем импульсов 8, который поступает на первый вход блока 3 управления и переводит устройство в второй режим. Одновременно этот сигнал («Вкл.реж.2») поступает на второй вход триггера 6, изменяет его состояние, и с выхода триггера 6 на вход блока 2 памяти «Запись»/»Чтение» поступает сигнал «Чтение».
Одновременно сигнал «Вкл.реж.2» поступает на управляющие входы блока 4 коммутации и формирователя 5, разрешая формирование данного кода программы коммутации и занесение этого данного в регистр блока 4 коммутации. В зависимости от значения данного кода программы коммутации изменяется распределение r-разрядных сигналов по выходным шинам блока 4 коммутации. Причем по месту линий шины первого канала разнесения поступают r-разрядные сигналы с минимальным значением Nтест_дост_i, по месту линий второго канала разнесения – Nтест_дост_j, причем Nтест_дост_j Nтест_дост_i, и т.д. По месту линий n-го (последнего по счету) канала разнесения поступают данные, для которых значение Nтест_дост_s максимально. Если окажется, что сравниваемые Nтест_дост_i и Nтест_дост_j равны, причем i>j, то во избежание конфликтов по логике работы формирователя 5 выбирается Nтест_дост_i>Nтест_дост_j. Таким образом, если достоверны все тестовые r-разрядные сигналы в блоках элементарных данных всех каналов разнесения, соответствующих одному и тому же переданному блоку элементарных данных, то по логике работы формирователя 15 Nтест_дост_n>Nтест_дост_n-1>……>Nтест_дост_2>Nтест_дост_1.
Таким образом, в заявленном способе упорядочивают номера i=1, …, n каналов разнесения в соответствии с Nтест_дост_i. Каждому каналу разнесения присваивают номер в зависимости от значения Nтест_дост_i, i=1, …, n. Правило упорядочения: Nтест_дост_n Nтест_дост_n-1 …Nтест_дост_i……Nтест_дост_2 Nтест_дост_1. Такое упорядочение соответствует структуре комбинаций ВХД: в них значения отдельных ВХД расположены слева направо в порядке возрастания. Отпадает необходимость перестановки отдельных ВХД внутри комбинации (число таких перестановок равно n!, т.е. 120 при n=5), существенно сокращается объем вычислений при осуществлении способа.
Задержанный элементом задержки 18 на половину периода следования «T» (1/2 TТ) сигнал «Вкл.реж.2» поступает на входы уст. «0» двоичных счетчиков 161,…, 16n и устанавливает их состояние в «0».
Работа устройства во втором режиме осуществляется с целью выбора оптимальной комбинации ВХД, которой соответствует максимальное количество достоверных тестовых r-разрядных сигналов в обобщенном блоке элементарных данных (структурная схема алгоритма работы устройства во втором режиме представлена на фиг.9).
Работа устройства во втором режиме заключается в следующем.
С первого выхода блока 3 управления на адресные шины «A» поступают адресные данные, инициирующие вывод из соответствующих ячеек блока 2 памяти тестовых r-разрядных сигналов. Количество циклов вывода тестовых данных равно q (где q – количество всех комбинаций ВХД). Синхронно с адресными данными на второй выход блока 3 управления поступают данные, содержащие сведения о номере комбинации ВХД, причем изменяющимся адресным данным k-го цикла соответствует неизменная последовательность данных о номере k-й комбинации ВХД.
Данные о номере комбинаций ВХД со второго выхода блока 3 управления поступают через коммутатор 14 на второй вход ПЛМ 13. Такой режим работы коммутатора 14 задается сигналом, поступающим с выхода триггера 12. Одновременно этот сигнал поступает на третий вход ПЛМ 13, обеспечивая ее работу во втором режиме.
ПЛМ 13 во втором режиме запрограммирована так, что поступающие на ее первый вход тестовые r-разрядные сигналы, сопровождаемые адресными данными, в соответствии с комбинацией ВХД (информация о которой содержится в данных, поступающих на второй вход ПЛМ 13) преобразуются в обобщенные r-разрядные тестовые сигналы, которые сравниваются с соответствующими им эталонными сигналами. В итоге на второй выход ПЛМ 13 и соответственно счетный вход двоичного счетчика 17 в случае достоверного обобщенного r-разрядного тестового сигнала поступает импульс.
По окончанию k-го цикла вывода данных из блока 2 памяти состояние двоичного счетчика 17 определяется числом Nтест_дост_об_k (где Nтест_дост_об_k – количество достоверных обобщенных r-разрядных тестовых сигналов, получаемых с использованием k-й комбинации ВХД).
Информационные выходы двоичного счетчика 17 соединены с первым входом компаратора 22, на второй вход которого из регистра 25 через вентиль 24, открываемый при поступлении на его управляющий вход маркерного сигнала («М»), поступает данное, соответствующее Nтест_дост_об_u (u
Если окажется, что Nтест_дост_об_k>Nтест_дост_об_u, то с выхода компаратора 22 через элемент задержки 23 поступает импульс, задержанный на 1/4 TТ. При поступлении этого импульса на управляющий вход регистра 25 осуществляется перенос данного, содержащего сведения о Nтест_дост_об_k, в память регистра 25. Одновременно (т.е. с задержкой в блоке 21 элементов задержки на 1/4 ТТ) в память регистра 26 поступает из блока 3 управления данное, соответствующее номеру k-й комбинации ВХД. Маркерным импульсом «М», задержанным на 1/2 ТT элементом задержки 28, двоичный счетчик 17 устанавливается в исходное состояние.
Если же Nтест_дост_об_k Nтест_дост_об_u, то импульс на выход компаратора 22 не поступает – в регистре 25 остается данное, соответствующее Nтест_дост_об_u, и содержимое регистра 26 также не меняется.
По окончанию всех циклов вывода r-разрядных тестовых сигналов из блока 3 памяти в режиме 2 в регистре 25 оказывается данное, соответствующее Nтест_дост_об_j, значение которого максимально, а в регистре 26 оказывается данное, соответствующее j-й комбинации ВХД.
Если после -го цикла работы количество Nтест_дост_об_ равно количеству r-разрядных тестовых сигналов в блоке элементарных данных, то на выходе дешифратора 19 образуется сигнал, который задерживается на 3/4 TТ элементом задержки 20 и через элемент ИЛИ 11 поступает на второй вход блока 3 управления, прекращая работу устройства во втором режиме до истечения всех циклов (т.е. досрочно).
Если же досрочного выключения второго режима не произошло, то по истечении всех циклов второго режима состояние двоичного счетчика 15 оказывается таким, что со второго выхода дешифратора 7 через элемент задержки 10 (время задержки 3/4 TТ), через второй вход элемента ИЛИ 11 на второй вход блока 3 управления поступает сигнал, прекращающий работу устройства во втором режиме.
С выхода элемента ИЛИ 11 сигнал поступает также на вход триггера 12 и изменяет его состояние таким образом, что с его выхода поступает сигнал, который переводит ПЛМ 13 и коммутатор 14 в третий режим.
Работа устройства в третьем режиме осуществляется с целью получения обобщенных r-разрядных информационных сигналов в соответствии с оптимальной комбинацией ВХД, сведения о которой содержатся в памяти регистра 26 (структурная схема алгоритма работы устройства в третьем режиме представлена на фиг.10).
Работа устройства в третьем режиме заключается в следующем.
С первого выхода блока 3 управления адресные данные поступают на адресные шины «А» блока 2 памяти, инициируя последовательный вывод всех накопленных в нем r-разрядных сигналов, которые, сопровождаемые адресными данными, поступают на первый вход ПЛМ 13. На второй вход ПЛМ 13 синхронно им поступают данные, содержащие сведения о номере оптимальной комбинации ВХД. Их значения в течение работы устройства в третьем режиме остаются неизменными и соответствуют данному, хранящемуся в памяти регистра 26. Синхронность их поступления обеспечивается способом формирования, заключающемся в стробировании сигналов, поступающих с информационных выходов регистра 26 на входы вентиля 27, тактовыми импульсами «T», поступающими на управляющий вход вентиля 27.
ПЛМ 13 запрограммирована таким образом, что на ее третий выход, являющийся выходом устройства, поступают обобщенные r-разрядные сигналы, сопровождаемые «T» и «М» и сформированные в соответствии с оптимальной комбинацией ВХД.
По окончанию работы устройства в третьем режиме с третьего выхода блока 3 управления поступает сигнал «Оконч.реж.3» на первый вход триггера 6, изменяя его состояние. С выхода триггера 6 на вход «Запись»/«Чтение» блока 2 памяти поступает сигнал и переводит блок 2 памяти в режим «Запись». Сигнал «Оконч.реж.3» поступает также на второй вход триггера 12 и изменяет его состояние. Поступающий с выхода триггера 12 сигнал на управляющий вход коммутатора 14 и третий вход ПЛМ 13 переводит их в состояние готовности к работе с очередным блоком данных в первом режиме. Регистры 25 и 26 сигналом «Оконч. реж.3» переводятся в исходное состояние. Сигнал «Оконч. реж.3» поступает и на второй вход блока 4 коммутации и переводит регистр блока 4 также в исходное состояние.
После некоторого ожидания устройство возобновляет работу в первом режиме, но уже с r-разрядными сигналами очередных блоков данных каналов разнесения, соответствующих одному и тому же переданному блоку.
Работа блока 4 коммутации.
Данное кода программы коммутации поступает на информационные входы регистра 29, являющиеся четвертым входом блока 4 коммутации, и заносится в память этого регистра при поступлении на его управляющий вход (являющийся третьим входом блока 4) сигнала «Вкл.реж.2». В исходное состояние регистр 29 переводится при поступлении на его вход уст. «0» (являющийся вторым входом блока 4) сигнала «Оконч.реж.3». Сигналы с выхода регистра 29 поступают на вход дешифратора 30, и в зависимости от кода программы коммутации на одном из выходов дешифратора 30 появляется сигнал, поступающий на управляющий вход соответствующего вентиля из состава 331,…, 33q и открывающий его. Нулевое (исходное) состояние регистра 29 означает идентичность распределения данных по линиям входных и выходных шин блока 4. Информационные и тестовые r-разрядные сигналы поступают на вход блока 31 кроссировки линий шины, являющейся также и первым входом блока 4. Каждому варианту распределения входных информационных и тестовых r-разрядных сигналов по линиям выходной шины соответствует определенный вариант кроссировки, осуществленный априори в блоке 31. Выбор нужного варианта кроссировки осуществляется с помощью вентиля из состава 331,…, 33q, открываемого в соответствии с кодом программы коммутации. В блоке 32 объединения к сигналам, относящимся к одноименным линиям выходных шин вентилей 331,…, 33q, применяется функция, аналогичная реализуемой в элементе ИЛИ.
Работа формирователя 5.
Данные, соответствующие значениям Nтест_дост_1, Nтест_дост_2,…, Nтест_дост_n-1, Nтест_дост_n, поступают на информационные входы вентилей 341,…, 34n, которые при поступлении на их управляющие входы (объединенные с управляющим входом формирователя 5) сигнала «Вкл.реж.2» открываются, обеспечивая поступление этих данных на входы блока 35 кроссировки. В блоке 35 кроссировки априори осуществлено подключение выходов каждой пары выбранных вентилей ко входам соответствующих компараторов 361,…, 36s. По окончанию работы устройства в режиме 1 в зависимости от значений Nтест_дост_1, Nтест_дост_2,…, Nтест_дост_n-1, Nтест_дост_n на выходах определенных компараторов из состава 361,…, 36s появляются сигналы, являющиеся элементами данного кода программы коммутации, поступающие на выход формирователя 5.
Особенности работы ПЛМ 13.
ПЛМ 13 является по своей сути конечным автоматом [Основы кибернетики. Теория кибернетических систем. / Под ред. К.А.Пулкова: Учеб. пособие для вузов. – М.: Высш. школа, 1976. – 408 с., гл. 21], каждой комбинации из конечного множества входных сигналов которого соответствует определенная комбинация из конечного множества его выходных сигналов. Функциональную зависимость входных и выходных сигналов задают априори (при программировании ПЛМ) в соответствии с алгоритмами, структурная схема которых представлена на фиг.9, 10. Такое техническое решение позволяет исключить последовательность вычислений и получать готовый результат в виде выходных сигналов ПЛМ, соответствующих ее запрограммированной «реакции» на входные сигналы. В частности, каждый тестовый r-разрядный сигнал имеет определенный адрес и соответствующий эталонный (неискаженный) сигнал, что позволяет априори получить результат сравнения всех возможных комбинаций принятых тестовых r-разрядных сигналов и соответствующих им эталонных сигналов в виде логических «0» и «1» и затем запрограммировать ПЛМ так, чтобы в случае достоверного (неискаженного) тестового r-разрядного сигнала на ее определенном выходе появлялся импульс (логическая «1»), а в случае недостоверного (искаженного) тестового r-разрядного сигнала импульс не появлялся (логический «0»),
При работе устройства в первом режиме на линии шины «D» первого входа ПЛМ 13 поступают тестовые и информационные r-разрядные сигналы n каналов разнесения (их структура представлена на фиг.7). Одновременно по линиям шины «А» первого входа ПЛМ 13 поступают адресные данные, каждое из которых соответствует определенному тестовому или информационному r-разрядному сигналу в зависимости от его размещения (от его номера) в блоке элементарных данных. По значению адресного данного для последующей работы выбираются лишь тестовые слова. Их положение в блоке элементарных данных априори известно. ПЛМ 13 запрограммирована таким образом, что достоверному тестовому r-разрядному сигналу i-го канала разнесения, размещенному среди входных сигналов других каналов разнесения, соответствует «1» в i-м разряде слова, поступающего на первый выход ПЛМ 13, а недостоверному тестовому r-разрядному сигналу j-го канала разнесения – «0» в j-м разряде этого слова. Наличие «1» в i-м разряде слова, поступающего на первый выход ПЛМ 13, означает, что по i-й линии шины первого выхода ПЛМ 13 на счетный вход двоичного счетчика 16i поступает импульс (соответственно на счетный вход двоичного счетчика 16j импульс не поступает).
При работе устройства во втором режиме на линии шины «D» первого входа ПЛМ 13 поступают тестовые r-разрядные сигналы n каналов разнесения (их структура представлена на фиг.7), сопровождаемые адресными данными, поступающими по линиям шины «А» первого входа ПЛМ 13. На второй вход ПЛМ 13 поступают данные о номере комбинаций ВХД, а на ее третий вход подается сигнал, соответствующий работе ПЛМ 13 во втором режиме. Данные, поступающие одновременно на первый, второй и третий входы ПЛМ 13, образуют различные кодовые комбинации, число которых конечно. ПЛМ 13 запрограммирована априори таким образом, что каждой входной комбинации соответствует вполне определенный сигнал на ее втором выходе («0» или «1»). Сущность реализованного в ПЛМ 13 алгоритма при ее работе во втором режиме состоит в том, что в соответствии с каждой возможной комбинацией ВХД априори вычисляется обобщенный тестовый r-разрядный сигнал, который сравнивается с соответствующим ему эталонным (априори известным) сигналом, а результатом сравнения является сигнал «0» или «1» на втором выходе ПЛМ 13. Причем значению «1» соответствует совпадение значений тестового и эталонного r-разрядных сигналов, а «0» – их несовпадение. В случае «1» на счетный вход двоичного счетчика 17 поступает импульс, а случае «0» – не поступает.
При работе в третьем режиме на линии шины «D» первого входа ПЛМ 13 поступают информационные и тестовые r-разрядные сигналы n каналов разнесения (фиг.7), сопровождаемые адресными данными, поступающими по линиям шины «А» первого входа ПЛМ 13. На второй вход ПЛМ 13 поступают данные о номере оптимальной комбинации ВХД (их значения в течение работы устройства в третьем режиме не изменяются), а на ее третий вход подается сигнал, соответствующий работе ПЛМ 13 в третьем режиме. Данные, поступающие одновременно на первый, второй и третий входы ПЛМ 13, образуют различные кодовые комбинации, число которых конечно. ПЛМ 13 запрограммирована априори таким образом, что каждой входной комбинации соответствует вполне определенная выходная комбинация, значение которой соответствует обобщенному r-разрядному сигналу (тестовому или информационному), поступающему на третий выход ПЛМ 13, являющийся выходом устройства. Сущность реализованного в ПЛМ 13 алгоритма при ее работе в третьем режиме состоит в том, что в соответствии с выбранной оптимальной комбинацией ВХД формируются обобщенные r-разрядные сигналы (тестовые и информационные), поступающие на выход устройства. Причем логика работы ПЛМ 13 такова, что ею формируются также сигналы синхронизации («T» и «М»), сопровождающие выходные обобщенные r-разрядные сигналы. Структура выходных сигналов устройства (при применении четырехпозиционных сигналов) представлена в виде эпюр на фиг.8.
Таким образом, при работе устройства реализуют следующий способ определения весовых характеристик достоверности, а также их применения для обработки принятых многопозиционных сигналов.
1. По n каналам разнесения принимают m-позиционные сигналы, включающие в себя информационные и тестовые сигналы, которые после приема преобразуют в импульсные r-разрядные сигналы, составляющие блоки элементарных данных, в параллельном двоичном коде, сопровождаемые тактовыми импульсами и маркерами, причем m=2r, m 2.
2. Предварительно вычисляют множества комбинаций ВХД {Wki}:{Wki}n_опт, k=1,…, q, i=1,…, n, где k – номер комбинации, i – номер канала.
Множество комбинаций ВХД получают априори в результате решения комбинаторной задачи с использованием средств ПЭВМ. Исходными данными при решении комбинаторной задачи являются: число каналов разнесения (n) и позиционность (m) применяемых сигналов.
Если значения n и m относительно невелики, то в результате решения комбинаторной задачи получают конечное множество комбинаций ВХД, объем которого приемлем для практического использования при получении обобщенных данных. Например, q=166 при n=5 и m=4 (где q – число вычисленных комбинаций ВХД), т.е. размер матрицы 5×166 (табл.1). Комбинация ВХД устанавливает функциональную зависимость между r-разрядными сигналами каналов разнесения, соответствующими одному и тому же переданному сигналу, и обобщенным r-разрядным сигналом. Каждая из полученных предложенным способом комбинация ВХД устанавливает новую функциональную зависимость. Это означает, что при применении дополнительных по отношению к полученным комбинаций ВХД достоверность обобщенных r-разрядных сигналов не улучшится, а при исключении хотя бы одной комбинации создаются предпосылки для ее ухудшения.
3. Сравнивают тестовые r-разрядные сигналы блоков элементарных данных и соответствующие им эталонные сигналы и изменяют номера i=1,…, n каналов разнесения в соответствии со значением Nтест_дост_i, где Nтест_дост_i – количество достоверных тестовых r-разрядных сигналов в блоке элементарных данных в блоке данных i-го канала разнесения, в порядке уменьшения количества достоверных тестовых r-разрядных сигналов Nтест_дост_n Nтест_дост_n-1 …Nтест_дост_2 Nтест_дост_1, упорядочивая их нумерацию по Nтест_дост_i (устройство для осуществления способа при этом работает в первом режиме).
4. Для импульсных r-разрядных сигналов, составляющих блоки элементарных данных, вычисляют Wke – суммарную оценку достоверности значения е идентифицированной позиции m-позиционного сигнала, при использовании k-й комбинации ВХД, по формуле
,
Wki – весовая характеристика достоверности k-й комбинации для упорядоченного i-го канала разнесения,
i1, i2,… – упорядоченные номера каналов разнесения для идентичных r-разрядных сигналов,
е – значение позиции в m-позиционном тестовом сигнале.
Например, в случае применения четырехпозиционных сигналов возможные значения е равны 1, 2, 3, 4, а соответствующие им оценки достоверности – Wk_1, Wk_2, Wk_3. Wk_4.
Вычисление оценок Wke поясним примерами.
Пример 1. Если е1=1, e2=2, е3=1, e4=4, e5=1, см. табл.2 (где еi – значение элементарного данного, поступающего из i-го канала разнесения), то:
Wk_1=Wk1+Wk3+Wk5,
Wk_2=Wk2,
Wk_4=Wk4.
Тогда для первой комбинации ВХД (k=1, значения комбинаций – в табл.1):
W1_1=1+20+62=83, W1_2=10, W1_4=30.
Пример 2. То же, что и в Примере 1, за исключением k=2 (значения комбинаций – в табл.1):
W1_1=11+30+92=133, W1_2=20, W1_4=40.
Пример 3. Если е1=2, е2=3, е3=2, е4=3, е5=1, см. табл.2, то:
Wk_1=Wk5,
Wk_2=Wk1+Wk3,
Wk_3=Wk2+Wk4.
Тогда для первой комбинации ВХД (k=1, значения комбинаций – в табл.1):
W2_1=62, W2_2=1+20-21, W2_3=10+30=40.
Устройство при использовании тестовых r-разрядных сигналов работает во втором режиме. Аналогичная операция выполняется при работе с элементарными информационными данными (в этом случае устройство работает в третьем режиме).
5. Среди вычисленных суммарных оценок достоверности Wke, е=1, 2,…, m, соответствующих одному и тому же переданному сигналу, определяют максимальную оценку и соответствующее ей значение позиции eоб_тест_k, где eоб_тест_k – позиция обобщенного (выходного) r-разрядного сигнала при использовании k-й комбинации ВХД.
Пояснения.
Пример 1 (продолжение). Максимальное значение оценки достоверности равно 83, а оценка относится к значению позиции «1». Это означает, что eоб_тест_1=1 (k=1).
Пример 2 (продолжение). Максимальное значение оценки достоверности равно 133, eоб_тест_2 =1 (k=2).
Пример 3 (продолжение). Максимальное значение оценки достоверности равно 62, eоб_тест_1=1 (k=1).
Примеры оценок Wk_1, Wk_2, Wk_3, Wk_4 для некоторых комбинаций е1, е2, е3, е4, e5 и комбинаций ВХД вычислены, их значения и соответствующие им значения позиций для обобщенных r-разрядные сигналов eоб представлены в табл.3.
Устройство при использовании тестовых r-разрядных сигналов работает во втором режиме. Аналогичная операция выполняется при работе с информационными r-разрядными сигналами (в этом случае устройство работает в третьем режиме).
6. Сравнивают значения позиций обобщенных тестовых r-разрядных сигналов eоб_тест_k с их эталонными значениями и формируют сигналы, являющиеся признаками достоверности значений этих позиций (устройство при этом работает во втором режиме).
7. Для тестовых r-разрядных сигналов вычисляют Nтест_дост_об_k, где Nтест_дост_об_k – количество достоверных обобщенных тестовых r-разрядных сигналов в блоке элементарных данных, сформированном при использовании k-й комбинации ВХД из множеств комбинаций {Wki}n_опт (устройство при этом работает во втором режиме).
8. Среди вычисленных значений Nтест_дост_об_k выбирают наибольшее и определяют соответствующую ему комбинацию ВХД {Whi} k=h, i=1,…, n, из множества комбинаций {Wki}n_опт, которую полагают обеспечивающей наибольшее количество достоверных обобщенных тестовых r-разрядных сигналов.
9. Используют оптимальную комбинацию ВХД {Whi}, k=h, i=1,…, n, в дальнейшем при получении обобщенных информационных r-разрядных сигналов (устройство при этом работает в третьем режиме). При этом выполняются операции по п.п.4 и 5 аналогично выполняемым при использовании тестовых r-разрядных сигналов.
Результаты исследования заявленного способа свидетельствуют о его превосходстве (по обеспечиваемой достоверности) над автовыбором, мажорированием и техническим решением ближайшего аналога [Патент РФ №2052898], что в значительной мере обусловлено удачным сочетанием функционального соответствия между r-разрядными сигналами (обобщенными и поступившими из каналов разнесения) и условиями помеховой обстановки. Способ обеспечивает более высокое быстродействие за счет уменьшение количества обрабатываемых данных, упрощения и улучшения режимов их обработки.
При применении заявленного способа при обработке принятых четырехпозиционных сигналов, содержащих телеметрическую информацию, полученную при запусках изделий ракетно-космической техники, достоверность обобщенных телеизмерений оказалась лучше, чем обеспечиваемая рассмотренными аналогами.
Заявленный способ промышленно применим при приеме разнесенных цифровых сигналов телеметрическими средствами. Однако он может успешно использоваться также в системах связи различного назначения, при осуществлении которых применяется разнесение сигналов.
Таблица 1 Значения весовых характеристик достоверности Wki для n=5, m=4 |
| k |
Wk1 |
Wk2 |
Wk3 |
Wk4 |
Wk5 |
| 1 |
1 |
10 |
20 |
30 |
62 |
| 2 |
11 |
20 |
30 |
40 |
92 |
| 3 |
11 |
20 |
30 |
40 |
82 |
| …… |
……… |
…… |
…… |
……… |
…… |
| 165 |
51 |
80 |
90 |
100 |
112 |
| 166 |
41 |
60 |
70 |
80 |
82 |
Таблица 2 Примеры вычислений оценок достоверности Wke, зависящих от значений еi, i=1, 2,…,n, поступивших из каналов разнесения сигналов для n=5, m=4 |
| ei, i= |
Wk_1 |
Wk_2 |
Wk_3 |
Wk-4 |
| 1 |
2 |
3 |
4 |
5 |
| 1 |
2 |
1 |
4 |
1 |
Wk1+Wk3+Wk5 |
Wk2 |
– |
Wk4 |
| 2 |
3 |
2 |
3 |
1 |
Wk5 |
Wk1+Wk3 |
Wk2+Wk4 |
– |
| 4 |
4 |
4 |
4 |
2 |
– |
Wk5 |
– |
Wk1+Wk2+Wk3+Wk4 |
| … |
… |
… |
… |
… |
………… |
………… |
………… |
…………… |
Таблица 3 Примеры получения обобщенных сигналов eоб_тест_k из еi, i=1, 2,…,n, поступивших из каналов разнесения сигналов при n=5, m=4 для k=1, 2, …, 166 |
| еi, i= |
k |
Wk_1 |
Wk_2 |
Wk_3 |
Wk_4 |
eоб_тест_k |
| 1 |
2 |
3 |
4 |
5 |
| 1 |
2 |
1 |
4 |
1 |
1 |
83 |
10 |
– |
30 |
1 |
| |
|
|
|
|
2 |
133 |
20 |
– |
40 |
1 |
| |
|
|
|
|
3 |
123 |
20 |
– |
40 |
1 |
| |
|
|
|
|
… |
… |
… |
… |
… |
… |
| |
|
|
|
|
165 |
253 |
80 |
– |
100 |
1 |
| |
|
|
|
|
166 |
193 |
60 |
– |
80 |
1 |
| 2 |
3 |
2 |
3 |
1 |
1 |
62 |
21 |
40 |
– |
1 |
| |
|
|
|
|
2 |
92 |
41 |
60 |
– |
1 |
| |
|
|
|
|
3 |
82 |
41 |
60 |
– |
1 |
| |
|
|
|
|
… |
… |
… |
… |
… |
|
| |
|
|
|
|
165 |
112 |
141 |
180 |
– |
3 |
| |
|
|
|
|
166 |
82 |
111 |
140 |
– |
3 |
| 4 |
4 |
4 |
4 |
2 |
1 |
– |
62 |
– |
61 |
2 |
| |
|
|
|
|
2 |
– |
92 |
– |
101 |
4 |
| |
|
|
|
|
3 |
– |
82 |
– |
101 |
4 |
| |
|
|
|
|
… |
… |
… |
… |
… |
… |
| |
|
|
|
|
165 |
– |
112 |
– |
321 |
4 |
| |
|
|
|
|
166 |
– |
82 |
– |
251 |
4 |
Формула изобретения
Способ определения весовых характеристик достоверности для обработки принятых многопозиционных сигналов, заключающийся в том, что по n каналам разнесения принимают m-позиционные сигналы, включающие информационные и тестовые сигналы, которые преобразуют в блоки элементарных данных, каждый из которых представляет собой импульсные r-разрядные сигналы в параллельном двоичном коде, сопровождаемые тактовыми импульсами и разделенные маркерами, причем m=2r, m 2, компенсируют временные задержки сигналов по n каналам разнесения, каждому импульсному r-разрядному сигналу присваивают адрес и запоминают их, сравнивают импульсные r-разрядные тестовые сигналы с соответствующими эталонными, определяют в каждом канале количество совпадений r-разрядных тестовых сигналов Nтест_дост_i, i=1, 2,…, n, где Nтест_дост_i – количество совпадений в i-м канале, блоки элементарных данных каждого канала распределяют в порядке уменьшения количества совпадений Nтест_дост_n Nтест_дост_n-1 …Nтест_дост_i…Nтест_дост_2 Nтест_дост_1, упорядочивая их нумерацию по Nтест_дост_i и запоминают порядок распределения блоков элементарных данных, предварительно вычисляют комбинации {Wki} весовых характеристик достоверности (ВХД) для импульсных r-разрядных тестовых сигналов каждого блока элементарных данных
{Wki}n-опт, k=1,…, q,
причем Wk1k2<…Wk,i…k,n-1k,n, где k – номер комбинации, i – номер канала, a q – количество комбинаций, соответствующие импульсные r-разрядные тестовые сигналы каждого блока элементарных данных сравнивают на их идентичность и для них вычисляют суммарные оценки достоверности {Wke} для каждого r-разрядного тестового сигнала в блоке элементарных данных по формуле
, e=1, 2,…, m,
где Wki – весовая характеристика достоверности k-й комбинации для упорядоченного i-го канала разнесения,
i1, i2,… – упорядоченные номера каналов разнесения для идентичных импульсных r-разрядных тестовых сигналов,
е – значение позиции в m-позиционном тестовом сигнале,
среди вычисленных суммарных оценок достоверности Wke, е=1, 2,…, m, определяют максимальную суммарную оценку достоверности и соответствующее ей значение позиции еоб_тест_k (k=1, 2,…, q) импульсного r-разрядного тестового сигнала, вычисляют суммарные оценки достоверности для последующих r-разрядных тестовых сигналов и определяют максимальную суммарную оценку достоверности и соответствующее ей значение позиции еоб_тест_k (k=1, 2,…, q), сравнивают значения позиций eоб_тест_k (k=1, 2,…, q) тестовых сигналов с их эталонными значениями, определяют количество совпадений, все указанные выше операции для определения количества совпадений повторяют для каждой k-й комбинации и из них выбирают комбинацию k=h с максимальным количеством совпадений и соответствующее ей eоб_тест_h и используют соответствующие h-й комбинации весовые характеристики достоверности для обработки принятых m-позиционных сигналов.
РИСУНКИ
). |
|