|
|
(21), (22) Заявка: 2006119348/09, 02.06.2006
(24) Дата начала отсчета срока действия патента:
02.06.2006
(43) Дата публикации заявки: 27.12.2007
(46) Опубликовано: 20.11.2008
(56) Список документов, цитированных в отчете о поиске:
US 3423688 А, 21.01.1969. RU 2168264 С1, 27.05.2001. SU 1607074 А1, 15.11.1990. US 3571739 А, 23.03.1971.
Адрес для переписки:
111123, Москва, ул. Плеханова, 6, ФГУП “ГМЗ “Салют”, директору В.А. Панину
|
(72) Автор(ы):
Немоляев Алексей Иванович (RU), Вольвовская Татьяна Саркисовна (RU)
(73) Патентообладатель(и):
Федеральное государственное унитарное предприятие “Государственный московский завод “Салют” (RU)
|
(54) МНОГОКАСКАДНОЕ УСТРОЙСТВО СУММИРОВАНИЯ МОЩНОСТИ СВЧ-УСИЛИТЕЛЕЙ
(57) Реферат:
Изобретение относится к радиотехнике СВЧ и может быть использовано при разработке радиопередающих устройств для современных радиотехнических систем связи, радиолокации, радионавигации. Многокаскадное устройство суммирования мощности СВЧ-усилителей состоит из n последовательно соединенных каскадов усиления, где n=1, 2, 3 и т.д. Каждый каскад усиления содержит N-канальный делитель мощности, N-канальный сумматор мощности и N СВЧ-усилителей, где N=2m. В каждом каскаде усиления, кроме выходного каскада, к одному выходу в каждой паре выходов N-канального делителя мощности подключен фазовращатель, выполненный 120-градусным – при уменьшающейся зависимости выходной мощности СВЧ-усилителей с ростом частоты, или 240-градусным – при возрастающей зависимости выходной мощности СВЧ-усилителей с ростом частоты. Техническим результатом является повышение КПД, обеспечение стабилизации суммарной мощности при выходе из строя одного или нескольких СВЧ-усилителей, возможность частотной коррекции уровня суммарной мощности, уменьшение массогабаритных характеристик, повышение надежности работы устройства. 4 з.п. ф-лы, 8 ил.
Изобретение относится к радиотехнике СВЧ и может быть использовано при разработке радиопередающих устройств для современных радиотехнических систем связи, радиолокации, радионавигации и т.д.
Современное состояние радиопередающих устройств характеризуется переходом от использования мощных электровакуумных приборов (магнетронов, амплитронов, клистронов и др., которые имеют сравнительно низкий коэффициент полезного действия (далее КПД), небольшой срок службы, большие габариты, сложны в изготовлении и ненадежны при эксплуатации) к твердотельным передатчикам, в которых требуемый уровень мощности СВЧ достигается суммированием мощности большого числа сравнительно маломощных транзисторных усилителей.
Общие принципы суммирования мощности СВЧ-усилителей и разновидности возможных схем суммирования мощности приведены в книге «Устройства сложения и распределения мощностей высокочастотных колебаний». / Под редакцией З.И.Моделя, М.: «Советское радио», 1980. Схемы устройств сложения мощности могут быть параллельного, последовательного и смешанного типов. Основными элементами, не считая собственно усилителей, являются делители мощности и сумматоры мощности, в качестве которых могут использоваться тройники, многополюсные разветвители, мостовые устройства и направленные ответвители.
Для улучшения эксплуатационных характеристик (расширения рабочей полосы частот, увеличения КПД, повышения надежности) применяют дополнительные элементы: согласующие трансформаторы, регулируемые аттенюаторы, переключатели (патент RU №2138888, 1999 г.), а так же катушки индуктивности, конденсаторы и резисторы (патент RU №2137264, 1999 г.). Очевидно, что для получения уровня суммарной мощности СВЧ, сравнимой с мощностью электровакуумных приборов (средняя мощность которых достигает несколько десятков КВт) необходимо использовать десятки и сотни сравнительно маломощных транзисторных усилителей с выходной средней мощностью порядка (10-40) Вт.
Основные трудности практической реализации устройств суммирования мощности большого числа усилителей заключаются в обеспечении на выходах многоканальных делителей мощности, являющихся входами для усилителей, допустимого разброса входной мощности. При реализации многокаскадных схем сложения мощности, помимо разбросов, обусловленных неравномерностью деления мощности добавляются: разброс амплитудно-фазовых характеристик усилителей, их зависимость от частоты, обеспечение надежности работы самих усилителей, являющихся сложными электронными устройствами и др.
Задачей, на решение которой направлено предлагаемое изобретение, является создание устройства суммирования мощности СВЧ-усилителей, предназначенного для достижения уровня суммарной мощности, сравнимого с уровнем мощности электровакуумных приборов, при одновременном улучшении эксплуатационных характеристик.
Техническими результатами, достигаемыми при реализации предлагаемого изобретения, в частности, являются повышение КПД, обеспечение стабилизации суммарной мощности при выходе из строя одного или нескольких СВЧ-усилителей, возможность частотной коррекции уровня суммарной мощности, уменьшение массагабаритных характеристик, повышение надежности работы устройства в целом.
При реализации предлагаемого изобретения влияние на достижение заявленных технических результатов оказывают ниже перечисленные существенные признаки. Многокаскадное устройство суммирования мощности СВЧ-усилителей состоит из n каскадов усиления, последовательно соединенных между собой, где n=1, 2, 3 и т.д. Причем каждый каскад усиления содержит N-канальный делитель мощности, аналогичный ему N-канальный сумматор мощности и N СВЧ-усилителей, где N=2m. N-канальный делитель мощности и N-канальный сумматор мощности в каждом каскаде усиления выполнены по параллельной схеме с использованием мостовых устройств. Каждый выход N-канального делителя мощности соединен через СВЧ-усилитель с соответствующим входом N-канального сумматора мощности. В каждом каскаде усиления, кроме выходного каскада усиления, к одному выходу в каждой паре выходов N-канального делителя мощности (то есть к четному или нечетному выходу) подключен фазовращатель, который выполнен 120-градусным – при уменьшающейся зависимости выходной мощности СВЧ-усилителей с ростом частоты, или 240-градусным – при возрастающей зависимости выходной мощности СВЧ-усилителей с ростом частоты.
На Фиг.1 представлено устройство суммирования мощности двух сигналов с использованием в качестве мостового устройства 3 дБ направленного ответвителя на связанных полосках симметричной полосковой линии.
На Фиг.2 представлена векторная диаграмма сложения мощности двух равных по амплитуде сигналов при введении в один из входных каналов мостового устройства дополнительного сдвига фаз.
На Фиг.3 приведен график зависимости мощности суммарного сигнала от величины дополнительного сдвига фаз.
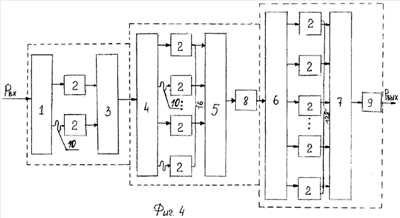
На Фиг.4 изображена схема трехкаскадного устройства суммирования мощности СВЧ-усилителей с использованием одного типа усилителей.
На Фиг.5 представлена конструкция 16-канального делителя мощности с использованием 3-дБ направленного ответвителя на связанных полосках симметричной полосковой линии и 120-градусных фазовращателей, подключенных к четным выходам 16-канального делителя мощности.
На Фиг.6 представлена конструкция трехкаскадного устройства суммирования мощности большого числа одинаковых СВЧ-усилителей.
На Фиг.7 представлена конструкция блока «делитель-сумматор» и его соединение с СВЧ-усилителями.
На Фиг.1 приведена схема одного из возможных вариантов сложения мощности двух сигналов P1 и Р2 с использованием 3-дБ направленного ответвителя на связанных полосках симметричной полосковой линии. Для сложения мощности двух сигналов P1 и Р2 без потерь в выходном плече с (Р3=P1+Р2), необходимо, чтобы сигналы P1 и Р2 были равны по амплитуде и сдвинуты по фазе на 90 электрических градусов. При невыполнении этих условий часть мощности слагаемых сигналов P1 и Р2 будет выделяться в нагрузке, подключенной к развязанному плечу d. При сложении двух сигналов P1 и Р2 с дополнительным сдвигом фаз образуется суммарный сигнал Р3 и выделяемая в нагрузке мощность сигнала Р4.
На Фиг.2 приведена векторная диаграмма сложения двух сигналов P1 и Р2 с дополнительным сдвигом фаз Ф в одном из входных плеч (например, к плечу b). Нетрудно определить, что при равенстве сигналов (P1=Р2=Р) мощность суммарного сигнала Р3, выделяемая в плече с, будет равна:
Р3=2Р×cos2 Ф/2,
а мощность Р4, выделяемая в плече d, будет равна:
Р4=2Р×sin2 Ф/2.
На Фиг.3 приведен график зависимости относительного значения мощности сигнала Р3‘(Р3‘=10lg2P/P3) от разности фаз Ф, анализируя которую можно заметить следующее:
1) при Ф=120 градусов относительное значение мощности сигнала Р3‘=-6 дБ (то есть мощность Р3 составляет одну четвертую часть от максимального значения, равного 2Р) и с ростом Ф уменьшается;
2) при Ф=240 градусов относительное значение мощности сигнала Р3‘=-6 дБ, но с ростом Ф увеличивается;
3) при пропадании одного из сигналов (P1 или Р2) мощность сигнала Р3 на выходе с=0,5Р, то есть составляет одну четверть от максимального значения, равного 2Р. Это означает, что Р3‘=-6 дБ.
Отмеченные закономерности, очевидно, можно использовать для стабилизации суммарной мощности на выходе многокаскадного устройства суммирования мощности СВЧ-усилителей при выходе из строя одного или нескольких СВЧ-усилителей, а также для частотной коррекции в некоторых пределах уровня суммарной мощности за счет введения в один из двух рядом расположенных выходов (то есть в четный или нечетный) многоканального делителя мощности дополнительного сдвига фаз Ф=120 градусов, при выходной мощности СВЧ-усилителей, возрастающей с ростом частоты, или Ф=240 градусов, при выходной мощности СВЧ-усилителей, падающей с ростом частоты.
Возможность стабилизации суммарной мощности на выходе устройства суммирования мощности СВЧ-усилителей реализована при разработке передающего устройства с использованием трехкаскадного устройства суммирования мощности СВЧ-усилителей, структурная схема которого приведена на Фиг.4. Устройство суммирования мощности усилителей содержит три каскада усиления (на Фиг.4 показаны пунктирной линией). В состав первого каскада усиления входят: 2-канальный делитель мощности 1, 2 СВЧ-усилителя 2 и 2-канальный сумматор мощности 3. Второй каскад усиления состоит из 16-канального делителя мощности 4, 16 СВЧ-усилителей 2 и 16-канального сумматора мощности 5. В третьем каскаде усиления использованы 128-канальный делитель мощности 6, 128 СВЧ-усилителей 2 и 128-канальный сумматор мощности 7. Для контроля мощности на выходе второго каскада усиления Р2 и на выходе всего трехкаскадного устройства суммирования мощности СВЧ-усилителей Рвых включены измерители проходящей мощности 8 и 9.
Делители мощности 1, 4 и 6 и сумматоры мощности 3, 5 и 7 выполнены по параллельной схеме с использованием в качестве мостовых устройств 3-дБ направленных ответвителей на связанных полосках симметричной полосковой линии. Для обеспечения взаимной развязки СВЧ-усилителей 2 все свободные выходы 3-дБ направленных ответвителей нагружены на согласованные полосковые нагрузки. Для стабилизации суммарной мощности на выходах первого и второго каскадов усиления в четные выходы делителей мощностей 1 и 4 введены 120-градусные фазовращатели 10.
Все входящие в трехкаскадное устройство суммирования мощности СВЧ-усилителей делители мощности и сумматоры мощности выполнены по параллельной схеме с использованием в качестве мостовых устройств 3-дБ направленных ответвителей на связанных полосках симметричной полосковой линии. Конструкция 16-канального делителя мощности 4, используемого во втором каскаде усиления, приведена на Фиг.5. Разветвляющаяся полосковая структура 11 с направленными ответвителями 12 размещена в плоском корпусе 13. 120-градусные фазовращатели 10, включенные на четные выходы делителя мощности 4 за счет изгибов (то есть в виде замедляющей структуры) центрального проводника в форме меандра. Свободные выходы 14 ответвителей 12 нагружены на полосковые нагрузки 15.
Для обеспечения наибольшей компактности и удобства обслуживания трехкаскадное устройство суммирования мощности СВЧ-усилителей, представляющее собой, по сути, трехкаскадное передающее устройство, размещено в одном шкафу, как показано на Фиг.6 (вид спереди) в пять этажей. Верхний этаж занимают первый и второй каскады усиления, а четыре нижних этажа занимает третий каскад усиления.
При этом для повышения оперативности замены вышедших из строя СВЧ-усилителей 2, делители мощности 1, 4, 6 и сумматоры мощности 3, 5, 7 в каждом каскаде усиления конструктивно объединены в блоки «делитель-сумматор» 16, 17, 18 так, что выходы делителей мощности и входы сумматоров мощности ориентированы в одну сторону (вперед).
128-канальный делитель мощности 6 и соответствующий ему 128-канальный сумматор мощности 7 в третьем каскаде усиления конструктивно разделены на четыре одинаковых блока 18. При этом каждый блок 18 с одной стороны соединен с выходом 4-канального делителя мощности 19, а с другой – с соответствующим входом 4-канального сумматора мощности 20. Внутри каждого блока 18 содержатся 32-канальный делитель мощности 21, аналогичный ему 32-канальный сумматор мощности 22, выполненные по параллельной схеме с использованием в качестве мостовых устройств 3-дБ направленных ответвителей на связанных полосках симметричной полосковой линии, и 32 СВЧ-усилителя 2.
Для исключения перекосов при одновременном подключении СВЧ-усилителей 2 к выходам делителей мощности 1, 4, 21 и входам сумматоров мощности 3, 5, 22 в конструкции блоков 16, 17, 18 (Фиг.7) предусмотрены направляющие 23, а коаксиальные разъемы 24 делителей мощности 1, 4, 21 и коаксиальные разъемы 25 сумматоров мощности 3, 5 и 22 снабжены пружинными контактами.
Экспериментальный образец передающего устройства на базе трехкаскадного устройства суммирования мощности с использованием транзисторных усилителей с входной мощностью Рвх=(3-7) Вт, с выходной мощностью Рвых=(100-140) Вт и разбросом фаз в пределах ±30 градусов обеспечивает на выходе в рабочей полосе частот (800-900) МГц импульсную мощность (10-12) КВт. При этом допускает выход из строя в первом каскаде усиления одного из двух СВЧ-усилителей, а во втором каскаде усиления – до 8 СВЧ-усилителей (четных или нечетных) из 16 СВЧ-усилителей или одного четного и одного нечетного СВЧ-усилителя.
Формула изобретения
1. Многокаскадное устройство суммирования мощности СВЧ-усилителей, состоящее из n последовательно соединенных между собой каскадов усиления, где n=1, 2, 3 и т.д., причем каждый каскад усиления содержит N-канальный делитель мощности, аналогичный ему N-канальный сумматор мощности, которые выполнены по параллельной схеме с использованием мостовых устройств, и N СВЧ-усилителей, где N=2m, при этом каждый выход N-канального делителя мощности соединен через СВЧ-усилитель с соответствующим входом N-канального сумматора мощности, отличающееся тем, что в каждом каскаде усиления, кроме выходного каскада усиления, к одному выходу в каждой паре выходов N-канального делителя мощности подключен фазовращатель, который выполнен 120-градусным – при уменьшающейся зависимости выходной мощности СВЧ-усилителей с ростом частоты, или 240-градусным – при возрастающей зависимости выходной мощности СВЧ-усилителей с ростом частоты.
2. Устройство по п.1, отличающееся тем, что мостовые устройства выполнены в виде 3-дБ направленных ответвителей на связанных полосках полосковой линии.
3. Устройство по п.1, отличающееся тем, что 120-градусный или 240-градусный фазовращатели выполнены в виде замедляющей структуры с меандровой формой центрального проводника полосковой линии.
4. Устройство по п.1, отличающееся тем, что выходы N-канального делителя мощности и входы N-канального сумматора мощности каждого каскада усиления выполнены в виде коаксиальных разъемов, снабженных пружинными контактами, и ориентированы в одну сторону.
5. Устройство по любому из пп.1-4, отличающееся тем, что оно выполнено трехкаскадным, первый каскад усиления которого содержит 2-канальный делитель мощности, два СВЧ-усилителя и 2-канальный сумматор мощности, второй каскад содержит 16-канальный делитель мощности, шестнадцать СВЧ-усилителей и 16-канальный сумматор мощности, а третий каскад усиления содержит 128-канальный делитель мощности, сто двадцать восемь СВЧ-усилителей и 128-канальный сумматор мощности.
РИСУНКИ
Прежний патентообладатель:
Федеральное государственное унитарное предприятие “Государственный московский завод “Салют”
(73) Патентообладатель:
Открытое акционерное общество “Научно-производственное предприятие “Салют”
Договор № РП0000883 зарегистрирован 13.07.2010
Извещение опубликовано: 20.08.2010 БИ: 23/2010
|
|