|
|
(21), (22) Заявка: 2007126880/09, 13.07.2007
(24) Дата начала отсчета срока действия патента:
13.07.2007
(46) Опубликовано: 20.11.2008
(56) Список документов, цитированных в отчете о поиске:
RU 2246745 С2, 20.02.2005. RU 2178943 С1, 27.08.2002. SU 1325431 А1, 23.07.1987. SU 1456939 А1, 07.02.1989. GB 2077964 A, 23.12.1981. US 3818321 A, 18.06.1974. JP 61-068618 A, 09.04.1986. EP 1226480 A1, 31.07.2002. WO 97/02518 A, 23.01.1997.
Адрес для переписки:
152934, Ярославская обл., г. Рыбинск, ул. Пушкина, 53, РГАТА, служба интеллектуальной собственности
|
(72) Автор(ы):
Юдин Алексей Викторович (RU)
(73) Патентообладатель(и):
Государственное образовательное учреждение высшего профессионального образования “Рыбинская государственная авиационная технологическая академия имени П.А. Соловьева” (РГАТА им. П.А. Соловьева) (RU)
|
(54) РЕГУЛЯТОР ПЕРЕМЕННОГО НАПРЯЖЕНИЯ
(57) Реферат:
Изобретение относится к области электротехники. Технический результат – улучшение равномерности регулирования в промышленной сети с искаженной формой напряжения. В регулятор переменного напряжения, содержащий регулирующий орган дискретного действия, включенный между входными и выходными выводами, аналого-цифровой преобразователь, соединенный входом с выводами для подключения сигнала управления, счетчик, формирователь синхроимпульсов, подсоединенный входом к входным выводам, а выходом – к входу установки счетчика в нулевое состояние, преобразователь кодов, подсоединенный входом к выходу счетчика, источник сигналов “лог.0”, сумматор, первый вход которого соединен со старшими разрядами аналого-цифрового преобразователя, а выход – с управляющими входами регулирующего органа дискретного действия, и компаратор, первый вход которого соединен с выходом младших разрядов аналого-цифрового преобразователя, второй вход – с выходом преобразователя кодов, а выход – с младшим разрядом второго входа сумматора, старшие разряды которого подсоединены к выходу источника сигналов “лог.0”, введены каскадно соединенные выпрямитель, вход которого соединен с входными выводами, и генератор, управляемый напряжением, выход которого соединен со счетным входом счетчика. 2 ил.
Предлагаемое изобретение относится к электротехнике и может быть использовано в устройствах и системах регулирования параметров технологических процессов.
Известен регулятор переменного напряжения, содержащий регулирующий орган дискретного действия, включенный между входными и выходными выводами, и аналого-цифровой преобразователь, соединенный входом с выводами для подключения сигнала управления, а также сумматор, источник сигналов “лог.0” и цепочку из каскадно соединенных счетчика и компаратора, подключенного выходом к младшему разряду первого входа сумматора, старшие разряды которого соединены с источниками сигналов “лог.0”, а вторые входы – с выходами старших разрядов аналого-цифрового преобразователя, младшие разряды которого подключены ко второму входу компаратора (А.с. 1456939 СССР, кл. G05F 1/20. Опуб., 1989, N 5).
Недостатком такого регулятора является наличие инфранизкочастотных составляющих в спектре выходного напряжения.
Более близким по технической сущности к предложенному техническому решению является регулятор переменного напряжения, содержащий регулирующий орган дискретного действия, включенный между входными и выходными, выводами, и аналого-цифровой преобразователь, соединенный входом с выводами для подключения сигнала управления, а также соединенные входом с входными выводами формирователь синхроимпульсов и цепочку из каскадно соединенных умножителя частоты, формирователя импульсов и счетчика, а также компаратор и сумматор, первый вход которого соединен с выходом старших разрядов аналого-цифрового преобразователя, младший разряд второго входа – с выходом компаратора, а старшие разряды с источником сигналов “лог.0”, а также преобразователь кодов, подключенный входом к выходу счетчика, а выходом – ко второму входу компаратора, а также первый и второй дешифраторы, подключенные входами к выходу счетчика, причем выход первого дешифратора соединен с входом управления вычитанием счетчика, а выход второго – с сигналом управления его суммированием (патент на изобретение № 2246745, кл. G05F 1/20).
Недостатком такого регулятора является неравномерность регулирования при несинусоидальном характере напряжения сети, вызванная использованием жесткой программы дискретизации процесса энергопередачи во времени, реализованной преобразователем кодов, запрограммированным на работу с синусоидальной сетью. Вследствие этого приращение действующего значения выходного напряжения для несинусоидальной сети будут неодинаковыми.
Технический результат – улучшение равномерности регулирования в промышленной сети с искаженной формой напряжения.
Для достижения технического результата в известный регулятор переменного напряжения, содержащий регулирующий орган дискретного действия, включенный между входными и выходными выводами, аналого-цифровой преобразователь, соединенный входом с выводами для подключения сигнала управления, а также счетчик, формирователь синхроимпульсов, подсоединенный входом к входным выводам, а выходом – к входу установки счетчика в нулевое состояние, преобразователь кодов, подсоединенный входом к выходу счетчика, источник сигналов “лог.0”, сумматор, первый вход которого соединен со старшими разрядами аналого-цифрового преобразователя, а выход – с управляющими входами регулирующего органа дискретного действия, и компаратор, первый вход которого соединен с выходом младших разрядов аналого-цифрового преобразователя, второй вход – с выходом преобразователя кодов, а выход – с младшим разрядом второго входа сумматора, старшие разряды которого подсоединены к выходу источника сигналов “лог.0”, введены каскадно соединенные выпрямитель, вход которого соединен с входными выводами, и генератор, управляемый напряжением, выход которого соединен со счетным входом счетчика.
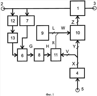
Электрическая схема предложенного регулятора переменного напряжения изображена на фиг.1.
Регулятор переменного напряжения содержит регулирующий орган дискретного действия 1, включенный между входными 2 и выходными 3 выводами, аналого-цифровой преобразователь 4 с выходным кодом Х=(x1, x2, …xn+m), представленным кодом V=(v1, v2, …vn)=(x1, x2, …xn) младших разрядов и кодом Y=(y1, y2, …ym)=(xn+1, xn+2, …xn+m) старших разрядов, соединенный входом с выводами 5 для подключения сигнала управления, счетчик 6, формирователь синхроимпульсов 7, подсоединенный входом к входным выводам 2, а выходом – к входу установки счетчика 6 в нулевое состояние, преобразователь кодов 8 с q-разрядным входом G=(g1, g2, … gq) и n-разрядным выходом H=(h1, h2,…hn), подсоединенный входом к выходу счетчика 6, а выходом к входу компаратора 11, второй вход которого подключен к младшим разрядам выхода АЦП 4, а выход к младшим разрядам R входа сумматора 10, источник 9 сигналов “лог.0” с (m-1)-разрядным выходом L=(l1, l2, … lm-1), сумматор 10 с двумя входами Y=(y1, y2, … ym) и W=(w1, w2, …wm)=[LR] и одним выходом Z=(z1, z2, …zm) одинаковой разрядности m, выпрямитель 12, вход которого соединен с входными выводами 2, и генератор 13, управляемый напряжением, выход которого соединен со счетным входом счетчика 6.
Регулирующий орган 1 дискретного действия выполнен на трансформаторе, вторичная обмотка которого секционирована, причем числа витков в различных секциях относятся как целые числа степени два. Последовательно с каждой секцией включен управляющий ключ первой группы, параллельно цепочке из последовательно включенных секций и управляемых ключей первой группы подсоединены управляемые ключи второй группы, соединенные между собой последовательно. Управляющие входы управляемых ключей первой и второй групп соединены через инверторы так, что вход инвертора подключен к управляющему входу ключа первой группы, а его выход – к управляющему входу ключа второй группы. Управляемые ключи выполнены на симисторах или тиристорах с оптронной развязкой, включенных в диагонали выпрямительных мостов, и снабжены оптронной гальванической развязкой, инверторы – на микросхемах 1533ЛАЗ.
Аналого-цифровой преобразователь 4 может быть выполнен на микросхеме 572ПВ1, формирователь синхроимпульсов 7 – на микросхеме 554СА3, выпрямитель 12 – на КЦ407, генератор, управляемый напряжением 13, – на микросхеме кварцевого генератора ГК107-УН, счетчик 6, преобразователь кодов 8, компаратор 11, сумматор 10 и источник 9 сигналов “лог.0” могут быть реализованы на микросхеме микроконтроллера AT89S53.
На фиг.2 приведены диаграммы, на которых изображены изменения во времени в течение одного полупериода напряжения сети:
a) – входного напряжения е сети,
b) – напряжения z на выходе формирователя 7 синхроимпульсов,
c) – напряжения f на выходе генератора 13, управляемого напряжением,
d) – уровни энергии w, передаваемой в нагрузку при последовательном изменении значений младшего разряда кодов V1=[0001], V2=[0010], V16=[1111] и нулевом коде старших разрядов.
Устройство работает следующим образом.
Входное напряжения сети (фиг.2,а) после выпрямления выпрямителем 12 преобразуется генератором 13, управляемым напряжением в последовательность импульсов f (фиг.2,с), которые поступают на счетный вход счетчика 6, предварительно установленного в нулевое состояние синхроимпульсом z, поступающим с формирователя 7 в начале каждого полупериода сетевого напряжения (фиг.2,b).
Частота следования импульсов изменяется (фиг.2,с), увеличиваясь с увеличением уровня напряжения сети, достигая своего максимума в моменты, соответствующие его амплитудному значению, обеспечивая тем самым равномерность вольт-секундной площади напряжения в течение каждого из интервалов времени [ti, ti+1], ограниченных любыми двумя соседними импульсами последовательности f, т.е.
.
Формируемый счетчиком 6 код G, пропорциональный вольт-секундной площади входного напряжения, преобразователь кодов 8 преобразуется в код Н, пропорциональный действующему значению напряжения.
При выполнении условия равенства кодов Н и V компаратор 11 формирует сигнал “лог.1”, который поступает на младший разряд первого входа W сумматора 10. Остальным m-1 разрядам этих входов сумматора соответствуют уровни “лог.0” кода L, формируемого источником 9 сигналов “лог.0”.
Сумматор 10 осуществляет формирование m-разрядного кода Z управления регулирующим органом 1 дискретного действия путем суммирования (в двоичной системе счисления) m-разрядного кода Y с кодом W, образованным посредством объединения кода L, сформированного источником 9 сигналов “лог.0”, и сигнала R, сформированного компаратором 11, т.е.
Z=(Y+[LR])2.
Под действием изменяющегося в течение каждого полупериода напряжения сети кода G происходит дискретное изменение коэффициента передачи регулирующего органа 1 дискретного действия. Момент дискретного изменения определяется моментом равенства кодов H=V, а величина этого изменения – минимальным дискретным уровнем k, определяемым максимальным уровнем коэффициента передачи kmax и разрядностью m кода управления Z регулирующим органом 1 дискретного действия
.
Вследствие этого выходное напряжение в течение каждого полупериода также претерпевает скачкообразное изменение. Действующее значение выходного напряжения зависит как от момента такого изменения, так и от того уровня коэффициента передачи регулирующего органа 1 дискретного действия, относительно которого это изменение произошло.
Изменение величины управляющего сигнала x приводит к изменению кода X. При этом код V младших разрядов определяет момент скачкообразного изменения выходного напряжения, а код Y старших разрядов – величину начального уровня. Таким образом, изменение энергии, отдаваемой в нагрузку (фиг.2,d) при линейном изменении кода управления V, будет происходить равномерно. Число дискретных моментов скачкообразного изменения выходного напряжения составляет NT=2n, а число уровней коэффициента передачи регулирующего органа 1 дискретного действия NK=2m. Таким образом, общее число дискретных уровней действующего значения выходного напряжения составляет N=NТNК=2m+n.
Искажения формы напряжения сети приводят к изменению положения импульсов f на временной оси. При этом сохраняется равенство приращений энергии за каждый интервал между соседними импульсами. Таким образом, регулятор переменного напряжения обеспечивает широкий диапазон регулирования выходного напряжения при равномерности регулировочной характеристики. Это делает эффективным его применение в системах управления, требующих равномерного регулирования энергии, отдаваемой в нагрузку, в частности прецизионных регуляторах температуры.
Формула изобретения
Регулятор переменного напряжения, содержащий регулирующий орган дискретного действия, включенный между входными и выходными выводами, аналого-цифровой преобразователь, соединенный входом с выводами для подключения сигнала управления, а также счетчик, формирователь синхроимпульсов, подсоединенный входом к входным выходам, а выходом – к установочному нулевому входу счетчика, преобразователь кодов, подсоединенный входом к выходу счетчика, источник сигналов “лог.0”, сумматор, первый вход которого соединен со старшими разрядами аналого-цифрового преобразователя, а выход – с управляющими входами регулирующего органа дискретного действия, и компаратор, первый вход которого соединен с выходом младших разрядов аналого-цифрового преобразователя, второй вход – с выходом преобразователя кодов, а выход – с младшим разрядом второго входа сумматора, старшие разряды которого подсоединены к выходу источника сигналов “лог.0”, отличающийся тем, что в него введены каскадно соединенные выпрямитель, вход которого соединен с входными выводами, и генератор, управляемый напряжением, выход которого соединен со счетным входом счетчика.
РИСУНКИ
|
|