|
|
(21), (22) Заявка: 2007110233/09, 20.03.2007
(24) Дата начала отсчета срока действия патента:
20.03.2007
(46) Опубликовано: 10.11.2008
(56) Список документов, цитированных в отчете о поиске:
RU 20593 U1, 10.11.2001. RU 2248041 C1, 10.03.2005. RU 2172980 С1, 27.08.2001. SU 1262531 А1, 07.10.1986. JP 4010180 А, 14.01.1992. US 5796918 А, 18.08.1998.
Адрес для переписки:
432027, г.Ульяновск, Северный Венец, 32, ГОУ ВПО “Ульяновский государственный технический университет”, Проректору по научной работе
|
(72) Автор(ы):
Андреев Дмитрий Васильевич (RU)
(73) Патентообладатель(и):
Государственное образовательное учреждение высшего профессионального образования “Ульяновский государственный технический университет” (RU)
|
(54) РАНГОВЫЙ СЕЛЕКТОР
(57) Реферат:
Изобретение относится к автоматике и аналоговой вычислительной технике и может быть использовано для построения функциональных узлов аналоговых вычислительных машин, средств автоматического регулирования и управления, аналоговых процессоров. Техническим результатом является расширение функциональных возможностей за счет обеспечения выполнения селекции из n+1 аналоговых сигналов x1,…, xn+1 сигнала x(r) любого заданного ранга r {1,…, n+1}(x(1)=min(x1,…, xn+1),…, x(n+1)=max(x1,…, xn+1)). Устройство содержит n дифференциальных компараторов, 2n+1 элементов И, 4n+3 ключей, n+1 резисторов и n+1 RS-триггеров. 2 ил.
Изобретение относится к автоматике и аналоговой вычислительной технике и может быть использовано для построения функциональных узлов аналоговых вычислительных машин, средств автоматического регулирования и управления, аналоговых процессоров и др.
Известны ранговые селекторы (см., например, авт. св. СССР 1262531, кл. G06G 7/25, 1986 г.), которые выполняют селекцию сигнала только (n+1)-го ранга (наибольшего сигнала) из нескольких аналоговых сигналов x1,…, xn+1.
К причине, препятствующей достижению указанного ниже технического результата при использовании известных ранговых селекторов, относятся ограниченные функциональные возможности, обусловленные тем, что не выполняется селекция сигнала любого заданного ранга r {1,…, n+1}.
Наиболее близким устройством того же назначения к заявленному изобретению по совокупности признаков является принятый за прототип ранговый селектор (свидетельство РФ 20593, кл. G06G 7/25,2001 г.), который содержит n дифференциальных компараторов, 4n ключей и выполняет селекцию из нескольких аналоговых сигналов x1,…, xn+1 сигнала только (n+1)-го либо первого ранга.
К причине, препятствующей достижению указанного ниже технического результата при использовании прототипа, относятся ограниченные функциональные возможности, обусловленные тем, что не выполняется селекция сигнала любого заданного ранга r {1,…, n+1}.
Техническим результатом изобретения является расширение функциональных возможностей за счет обеспечения выполнения селекции из n+1 аналоговых сигналов сигнала любого заданного ранга r {1,…, n+1}.
Указанный технический результат при осуществлении изобретения достигается тем, что в ранговом селекторе, содержащем n дифференциальных компараторов и 4n ключей, которые сгруппированы в n групп так, что n-я группа содержит первый, третий и второй, четвертый ключи, выполненные соответственно замыкающими и размыкающими, неинвертирующий и инвертирующий входы i-го дифференциального компаратора соединены соответственно с входом первого и входом второго ключей i-й группы, объединенные выходы первого, второго и объединенные выходы третьего, четвертого ключей предыдущей группы соединены соответственно с входом второго и входом четвертого ключей последующей группы, а объединенные выходы первого, второго и объединенные выходы третьего, четвертого ключей n-й группы образуют соответственно информационный и идентифицирующий выходы рангового селектора, подключенного i-ым информационным входом к неинвертирующему входу i-го дифференциального компаратора, особенность заключается в том, что в него дополнительно введены 2n+1 элементов И, n+1 резисторов, n+1 RS-триггеров, (n+1)-я группа ключей в составе первого, третьего и второго ключей, выполненных соответственно замыкающими и размыкающими, причем первый, второй входы и выход i-го элемента И соединены соответственно с выходом i-го дифференциального компаратора, неинвертирующим выходом i-го RS-триггера и управляющим входом четырех ключей i-й группы, а управляющий вход трех ключей (n+1)-й группы соединен с неинвертирующим выходом (n+1)-го RS-триггера, выход третьего и объединенные выходы первого, второго ключей (n+1)-й группы соединены соответственно с входом четвертого и входом второго ключей первой группы, а вход третьего ключа j-й группы соединен с первым входом (n+j)-го элемента И, подключенного выходом к входу сброса j-го RS-триггера, вход установки которого соединен с первым настроечным входом рангового селектора, подсоединенного (n+1)-ым информационным и вторым настроечным входами соответственно к входу первого ключа (n+1)-й группы и второму входу (n+j)-го элемента И, первый вход которого соединен через j-й резистор с шиной нулевого потенциала.
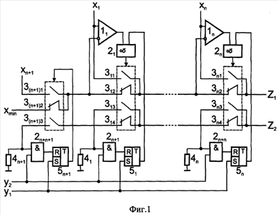
На фиг.1 и фиг.2 представлены соответственно схема предлагаемого рангового селектора и временные диаграммы, поясняющие принцип его работы.
Ранговый селектор содержит n дифференциальных компараторов 11,…, 1n, 2n+1 элементов И 21,…, 2n+n+1, 4n+3 ключей 311,…, 3(n+1)3, n+1 резисторов 41,…, 4n+1 и n+1 RS-триггеров 51,…, 5n+1, причем все ключи сгруппированы в n+1 групп так, что i-я группа содержит ключи 3i1, 3i3 и 3i2, 3i4, выполненные соответственно замыкающими и размыкающими, а (n+1)-я группа содержит ключи 3(n+1)1, 3(n+1)3 и 3(n+1)2, выполненные соответственно замыкающими и размыкающим, объединенные выходы ключей 3k1, 3k2 и объединенные выходы ключей 3k3, 3k4 соединены соответственно с входами ключей 3(k+1)2 и 3(k+1)4, объединенные выходы ключей 3n1, 3n2 и объединенные выходы ключей 3n3, 3n4 образуют соответственно информационный и идентифицирующий выходы рангового селектора, а управляющий вход ключей 3(n+1)1, 3(n+1)2, 3(n+1)3, выход ключа 3(n+1)3 и объединенные выходы ключей 3(n+1)1, 3(n+1)2 соединены соответственно с неинвертирующим выходом триггера 5n+1, входами ключей 314 и 312, неинвертирующий, инвертирующий входы и выход компаратора 1i соединены соответственно с входами ключей 3i1, 3i2 и первым входом элемента 2i, второй вход и выход которого соединены соответственно с неинвертирующим выходом триггера 5i и управляющим входом ключей 3i1,…, 3i4, вход ключа 3j3 соединен с первым входом элемента 2n+j, подключенного выходом к входу сброса триггера 5j, вход установки которого соединен с первым настроечным входом рангового селектора, подсоединенного j-ым информационным и вторым настроечным входами соответственно к входу ключа 3j1 и второму входу элемента 2n+j, первый вход которого соединен через резистор 4j с шиной нулевого потенциала.
Работа предлагаемого рангового селектора осуществляется следующим образом. На его первый,…, (n+1)-й информационные входы подаются соответственно аналоговые сигналы (напряжения) x1,…, xn+1, а на его идентифицирующем выходе и входе ключа 3(n+1)2 фиксируются соответственно сигнал логической «1» (Z2=1) и опорное напряжение xmin1,…, xn+1. На первый, второй настроечные входы предлагаемого рангового селектора подаются соответственно импульсные сигналы y1, y2 {0,1} (фиг.2), причем период Т и длительность импульса сигнала y2 должны удовлетворять условиям Т> t и <2 и+ Тр+ Кл, где t=( К+ И+ Кл)n+ И+ Tp+ Кл, a И, Tp, Кл и K есть длительности задержек, вносимых элементом И, RS-триггером, ключом и дифференциальным компаратором. В j-й группе замыкающие ключи замкнуты (разомкнуты), размыкающие ключи разомкнуты (замкнуты), когда на управляющем входе этой группы ключей присутствует логическая «1» (логический «0»). Если сигнал на неинвертирующем входе компаратора 1i больше (меньше) сигнала на его инвертирующем входе, то на выходе этого компаратора имеем логическую «1» (логический «0»). Импульс сигнала y1 устанавливает в «1» сигнал на неинвертирующем выходе всех RS-триггеров, при этом с учетом указанного выше принципа работы ключей и дифференциального компаратора, на информационном выходе предлагаемого рангового селектора в момент времени t1 (см. фиг.2) имеем сигнал x(n+1) (n+1)-го ранга (наибольший из сигналов множества {х1,…, хn+1}), то есть
Z1=x(n+1)=max({x1,…, xn+1}).
Первый импульс сигнала y2 сбрасывает в «0» сигнал на неинвертирующем выходе только того RS-триггера, номер j которого совпадает с номером сигнала х(n+1) (например, если х2=x(n+1), то j=2), при этом на информационном выходе предлагаемого рангового селектора в момент времени t2 имеем сигнал х(n) n-го ранга (наибольший из сигналов множества {x1,…, xn+1(n+1)
Z1=x(n)=max({x1,…, xn+1(n+1)})=sub max({x1,…, xn+1}).
Второй импульс сигнала y2 сбрасывает в «0» сигнал на неинвертирующем выходе только того очередного RS-триггера, номер которого совпадает с номером сигнала х(n), при этом в момент времени t3 имеем
Z1=x(n-1)=max({x1,…, xn+1(n), x(n+1)}).
Наконец m-й (m {1,…, n}) импульс сигнала y2 сбрасывает в «0» сигнал на неинвертирующем выходе только того RS-триггера, номер которого совпадает с номером сигнала х(n+2-m), при этом в момент времени tm+1 имеем
Z1=x(n+1-m)=max({x1,…, xn+1}/{x(n+2-m),…, x(n+1)}).
Таким образом, настройка предлагаемого рангового селектора на выполнение селекции сигнала x(r) {x1,…, xn+1} любого заданного ранга r {1,…, n+1} осуществляется с помощью импульса сигнала y1 и n+1-r импульсов сигнала y2.
Вышеизложенные сведения позволяют сделать вывод, что предлагаемый ранговый селектор обладает более широкими по сравнению с прототипом функциональными возможностями, так как обеспечивает выполнение селекции из n+1 аналоговых сигналов сигнала любого заданного ранга r {1,…, n+1}.
Формула изобретения
Ранговый селектор, содержащий n дифференциальных компараторов и 4n ключей, которые сгруппированы в n групп так, что i-я группа содержит первый, третий и второй, четвертый ключи, выполненные соответственно замыкающими и размыкающими, неинвертирующий и инвертирующий входы i-го дифференциального компаратора соединены соответственно с входом первого и входом второго ключей i-й группы, объединенные выходы первого, второго и объединенные выходы третьего, четвертого ключей предыдущей группы соединены соответственно с входом второго и входом четвертого ключей последующей группы, а объединенные выходы первого, второго и объединенные выходы третьего, четвертого ключей n-й группы образуют соответственно информационный и идентифицирующий выходы рангового селектора, подключенного i-м информационным входом к неинвертирующему входу i-го дифференциального компаратора, отличающийся тем, что в него дополнительно введены 2n+1 элементов И, n+1 резисторов, n+1 RS-триггеров, (n+1)-я группа ключей в составе первого, третьего и второго ключей, выполненных соответственно замыкающими и размыкающим, причем первый, второй входы и выход i-го элемента И соединены соответственно с выходом i-го дифференциального компаратора, неинвертирующим выходом i-го RS-тригтера и управляющим входом четырех ключей i-й группы, а управляющий вход трех ключей (n+1)-й группы соединен с неинвертирующим выходом (n+1)-го RS-триггера, выход третьего и выход первого ключей (n+1)-й группы соединены соответственно с входом четвертого и входом второго ключей первой группы, выход имеющего вход второго ключа (n+1)-й группы соединен с входом второго ключа первой группы, а вход третьего ключа j-й группы соединен с первым входом (n+j)-ro элемента И, подключенного выходом к входу сброса j-го RS-триггера, вход установки которого соединен с первым настроечным входом рангового селектора, подсоединенного (n+1)-м информационным и вторым настроечным входами соответственно к входу первого ключа (n+1)-й группы и второму входу (n+1)-го элемента И, первый вход которого соединен через j-й резистор с шиной нулевого потенциала.
РИСУНКИ
MM4A – Досрочное прекращение действия патента СССР или патента Российской Федерации на изобретение из-за неуплаты в установленный срок пошлины за поддержание патента в силе
Дата прекращения действия патента: 21.03.2009
Извещение опубликовано: 10.08.2010 БИ: 22/2010
|
|