|
|
(21), (22) Заявка: 2007102400/28, 22.01.2007
(24) Дата начала отсчета срока действия патента:
22.01.2007
(46) Опубликовано: 10.11.2008
(56) Список документов, цитированных в отчете о поиске:
RU 94028432 A1, 27.05.1996. RU 2033694 C1, 20.04.1995. SU 972654 A1, 07.11.1982. JP 7104065 A, 21.04.1995. JP 2001201573 A, 27.07.2001.
Адрес для переписки:
634055, г.Томск, пр. Академический, 1, Институт оптики атмосферы СО РАН
|
(72) Автор(ы):
Матвиенко Геннадий Григорьевич (RU), Поляков Сергей Николаевич (RU), Ошлаков Виктор Константинович (RU)
(73) Патентообладатель(и):
ИНСТИТУТ ОПТИКИ АТМОСФЕРЫ СИБИРСКОЕ ОТДЕЛЕНИЕ РОССИЙСКОЙ АКАДЕМИИ НАУК (RU)
|
(54) СПОСОБ ФОРМИРОВАНИЯ МУЛЬТИПЛИЦИРОВАННОЙ ВРЕМЕННОЙ КОГЕРЕНТНОСТИ ОПТИЧЕСКОЙ ВОЛНЫ И УСТРОЙСТВО ДЛЯ ЕГО ОСУЩЕСТВЛЕНИЯ
(57) Реферат:
Заявляемая группа изобретений относится к способам и устройствам преобразования когерентных свойств оптического излучения, обеспечивающих возможность его гетеродинирования, и может применяться, в частности, в лазерной доплеровской анемометрии пространственно распределенных рассеивающих/отражающих объектов, в когерентных доплеровских лидарах. Когерентную волну преобразуют во множество пространственно разделенных внутриволоконных волновых компонент, подвергают последовательным преобразованиям мультиплицирования, в процессе которых им придают временные сдвиги, возрастающие в арифметической прогрессии, и объединяют в составные волны, а общее число мультиплицирующих преобразований внутриволоконных волн и суммарный временной сдвиг волнового фронта исходной волны задают с учетом достижения им значения не ниже заданного предела, при этом шаги арифметических прогрессий преобразований образуют возрастающую последовательность, в которой наименьший ее член не превосходит длительности когерентного цуга источника волны, а каждый последующий равен максимальному временному сдвигу волнового фронта в преобразовании, соответствующем предыдущему члену последовательности, причем в зависимости от невозможности или возможности равномерного распределения мощности исходной волны между пространственно разделенными внутриволоконными волновыми компонентами дополнительно применяют или не применяют сглаживающие последовательные преобразования мультиплицирования, совпадающие по составу операций с остальными преобразованиями, и в которых реализуют относительный временной сдвиг внутриволоконных волновых компонент на половину масштаба неравномерности временного распределения их мощности. Устройство для осуществления способа состоит из последовательно соединенных источника волны, устройства оптического сопряжения, входного оптоволоконного разветвителя, схем мультиплицирования, сглаживающих схем мультиплицирования. Все схемы мультиплицирования имеют однотипную структуру и состоят из параллельных оптоволоконных линий задержки и связанного с ними через входные порты портового оптоволоконного разветвителя. При этом в устройстве для увеличения предела пропускной мощности предусматривается исполнение каналов входного оптоволоконного разветвителя в виде многоволоконных кабелей, отдельные волокна которого подключены к входным портам первых схем мультиплицирования. Технический результат – обеспечение трансформации когерентных свойств оптического излучения, создающих возможность гетеродинирования сформированных из него волн при их относительном временном сдвиге, многократно превышающем время когерентности источника излучения; управление длиной мультиплицированной временной когерентности трансформированного излучения и длительностью его импульсов. 2 н. и 1 з.п.ф-лы, 2 ил.
Заявляемая группа изобретений относится к способам и устройствам преобразования когерентных свойств оптического излучения, обеспечивающих возможность его гетеродинирования, и может применяться, в частности, в лазерной доплеровской анемометрии пространственно распределенных рассеивающих/отражающих объектов, в когерентных доплеровских лидарах.
Задача заявляемой группы изобретений состоит в трансформации когерентных свойств оптического излучения, обеспечивающих возможность гетеродинирования сформированных из него волн при их относительном временном сдвиге, многократно превышающем время когерентности источника излучения, а также управлять длиной мультиплицированной временной когерентности трансформированного излучения и длительностью его импульсов. Применительно, в частности, к ветровым когерентным доплеровским лидарам решение поставленной задачи равнозначно возможности реализации на основе освоенных промышленностью недорогих технически совершенных и давно вошедших в разряд коммерческих низкокогерентных (с длиной когерентности <20 см) твердотельных ОКГ с наносекундной длительностью импульсов вместо применяемых двух- или трехкаскадных высококогерентных лазерных излучателей с субмикросекундной длительностью генерации и многокилометровой длиной когерентности. Последние в силу технической сложности их конструкции в настоящее время не имеют промышленного освоения и коммерческой привлекательности для потенциальных потребителей ветровых лидаров – метеорологических служб, авиации, космического приборостроения и т.д.
Техническое решение задачи достигается тем, что в способе формирования мультиплицированной временной когерентности оптической волны когерентную волну преобразуют во множество пространственно разделенных внутриволоконных волновых компонент, подвергают последовательным преобразованиям мультиплицирования, в процессе которых им придают временные сдвиги, возрастающие в арифметической прогрессии, и объединяют в составные волны, а общее число мультиплицирующих преобразований внутриволоконных волн и суммарный временной сдвиг волнового фронта исходной волны задают с учетом достижения им значения не ниже заданного предела, при этом шаги арифметических прогрессий преобразований образуют возрастающую последовательность, в которой наименьший ее член не превосходит длительности когерентного цуга источника волны, а каждый последующий равен максимальному временному сдвигу волнового фронта в преобразовании, соответствующем предыдущему члену последовательности, причем в зависимости от невозможности или возможности равномерного распределения мощности исходной волны между пространственно разделенными внутриволоконными волновыми компонентами дополнительно применяют или не применяют сглаживающие последовательные преобразования мультиплицирования, совпадающие по составу операций с остальными преобразованиями, и в которых реализуют относительный временной сдвиг внутриволоконных волновых компонент на половину масштаба неравномерности временного распределения их мощности.
Техническое решение задачи достигается тем, что устройство для формирования мультиплицированной временной когерентности оптической волны состоит из устройства его оптического сопряжения с источником оптической волны, входного оптоволоконного разветвителя и цепочки последовательно соединенных оптоволоконных схем мультиплицирования, причем каждая из схем мультиплицирования состоит из параллельных оптоволоконных линии задержки и связанного с ними через свои входные порты пассивного оптоволоконного разветвителя, при этом оптоволоконные линии задержки в первой схеме мультиплицирования подключены к выходным портам входного оптоволоконного разветвителя, а в остальных схемах мультиплицирования к выходным портам разветвителя непосредственно предшествующей схемы мультиплицирования, при этом общее число схем мультиплицирования и количество содержащихся в них оптоволоконных задержек и постоянные их времени задают с учетом реализации длительности преобразования исходного излучения не ниже заданного предела, причем в зависимости от невозможности или возможности равномерного распределения мощности исходной волны между пространственно разделенными внутриволоконными волновыми компонентами дополнительно содержащее или не содержащее цепочку сглаживающих схем мультиплицирования составных волн с единственной оптоволоконной линией задержки, постоянная времени которой равна половине масштаба неравномерности временного распределения их мощности.
Целесообразно для увеличения предела пропускной мощности предусмотреть исполнение каналов входного оптоволоконного разветвителя в виде многоволоконных кабелей, отдельные волокна которого подключены к входным портам первым схемам мультиплицирования.
Пример конкретного выполнения
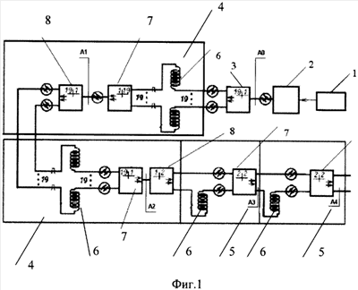
На фиг.1 приведена блок-схема варианта исполнения заявляемого устройства, на фиг.2 – хронограммы мощности внутриволоконных волновых компонент (ВВК) на различных этапах преобразования исходного импульса.
Устройство формирования мультиплицированной временной когерентности оптической волны состоит из последовательно соединенных источника волны 1, устройства оптического сопряжения 2, входного оптоволоконного разветвителя (ОР) 3, М (М 2) схем мультиплицирования (СМ) 4, К (К 0) сглаживающих схем мультиплицирования (ССМ) 5. Все схемы мультиплицирования 4 имеют однотипную структуру и состоят из параллельных оптоволоконных линий задержки (ЛЗ) 6 и связанного с ними через входные порты (Nm+N(m+1)) портового ОР 7. При этом ОР 7 схем мультиплицирования 4 может иметь конфигурацию типа «звезда» или быть составленным из пары пассивных ОР 7, 8. Иллюстрируемый фиг.1 вариант устройства содержит по две СМ 4 и ССМ 5. При этом первая по порядку следования СМ 4 соединена с входным ОР 3, имеющим 19 выходных портов. Ее собственный составной ОР 7, 8 образован парой противонаправленных оптоволоконных 20-полюсников (пассивных обратимых ОР 7,8 с конфигурацией портов 1*19). Вторая СМ 4 также содержит составной ОР, образованный 20-полюсником 7 и 3-полюсником (пассивным ОР 7 с конфигурацией портов 1*3) 8. Первая и вторая ССМ 5 выполнены на основе 4-полюсников (пассивных ОР 7,8 с конфигурацией портов 2*2) 7. Временные константы ЛЗ 6 (время задержки) в пределах СМ 4 возрастают в арифметической прогрессии:


где ког – длительность когерентного цуга источника волны,
КСМ – индекс одной из СМ (когерентной).
В общем случае значения индексов схем мультиплицирования могут не совпадать с порядком их следования в устройстве. Лимитирующими являются условия:
а) неповторяемость условия (2) в массиве значений индексов СМ 4, и
b) сумма временных сдвигов M в цепи СМ 4 (исключая ССМ 5) ограничена снизу заданным пределом.
Причем

Сглаживающие схемы мультиплицирования 5 имеют аналогичную СМ 4 структуру с той лишь разницей, что они комплектуются ОР 7 с конфигурацией портов 2*2 или 1*2. Временные константы их ЛЗ 6 составляют половину масштаба неравномерности временного распределения мощности ВВК на выходе предшествующей СМ 4 или ССМ 5.
Пропускная мощность заявляемого устройства лимитируется предельной плотностью мощности входного излучения, не приводящей к повреждению оптоволоконного тракта устройства – прежде всего торцов/торцевых наконечников оптоволоконных кабелей входного ОР 3. При необходимости может быть предусмотрено естественное или принудительное охлаждение элементов устройства.
Для увеличения предела пропускной мощности заявляемого устройства входной ОР 3 может быть выполнен на основе многоволоконного кабеля, отдельные волокна которого подключены к входным портам первой по порядку следования СМ 4. В этом случае для нее предпочтительно исполнение на основе обратимых ОР с конфигурациями 1*7 или 1*19. Такие ОР освоены промышленностью и совместимы с входным ОР 3, выполненным на основе 7- или 19-волоконного кабеля, который в этом случае может иметь вид жгута волокон, форма которого приближается к цилиндрической и потому удобна для сопряжения с источником излучения. Именно такой способ сопряжения с источником (лазером), пространственная структура выходного пучка которого, как правило, неоднородна, диктует применение в заявляемом устройстве ССМ 5.
Заявляемый способ формирования мультиплицированной временной когерентности оптической волны осуществляется описанными вариантами устройства следующим образом. Импульсная оптическая когерентная волна проходит через устройство оптического сопряжения 2, сопрягается с входным ОР 3 и разделяется последним на N1 пространственно разделенных внутриволоконных волновых компонент (ВВК). Эти ВВК пропускаются через ЛЗ 6 первой по порядку следования СМ 4, сдвигаются при этом на времена (возрастающие в арифметической прогрессии), направляются во входные порты ОР 7, 8 схемы, суммируются в нем и распределяются между ЛЗ 6 последующей СМ 4. Для определенности предположим, что первая по порядку следования СМ 4 является когерентной, при этом ее временные константы t1 (шаг арифметической прогрессии) ее ЛЗ 6 удовлетворяют условию:

В результате этого преобразования в структуре каждой из ВВК произвольный волновой фронт исходной волны повторяется с временным периодом, не превышающим ког источника. Временное распределение мощности, соответствующее суммарной мощности ВВК, после этого преобразования применительно к варианту устройства, отображенному на Фиг.1, иллюстрируется кривой 2 на Фиг.2 и соответствует точке А1 между элементами 7 и 8. Приведенное распределение (как и все отображенные кривыми на Фиг.2) получено математическим моделированием преобразования импульса гауссовой формы (Фиг.2, кривая 1, соответствующая точке АО).
Далее ВВК пропускаются через ЛЗ 6 следующей СМ 4, опять сдвигаются во времени последние и суммируются в ОР 7, 8 схемы, превращаясь при этом в составные ВВК с длительностью кратно числу N2 линий задержки 6, превосходящей длительность пропускаемых через них ВВК (кривая 3 на Фиг.2 для точки А2 между элементами 7 и 8). Соответственно во столько же раз удлиняется и интервал (длина) мультиплицированной временной когерентности ВВК. Далее составные ВВК удлиняются (при необходимости) в последующих СМ 4 до длительности, не уступающей заданному пределу (детерминируемому условием 3), и направляются в цепочку ССМ 5. Необходимость пропуска ВВК через ССМ 5 возникает в том случае, когда на первоначальной стадии формирования ВВК не удается обеспечить равномерное распределение между ними мощности исходной волны. Последнее имеет место в случаях:
а) сопряжения лазера с входным ОР 3, выполненным на основе многоволоконного кабеля, или/и
б) неравномерности коэффициентов разветвления ВВК в любой СМ 4,
обусловленной несовершенством ее ОР.
На Фиг.2 (кривая 4) иллюстрируется временное распределение мощности ВВК на выходе второй СМ 4 (или между элементами 6 и 7 в точку А2), соответствующее случаю а).
В ССМ 5 пары ВВК сдвигаются одна относительно другой на половину масштаба неравномерности их временного распределения, суммируются и заново (при необходимости) разветвляются и пропускаются через следующую ССМ 5. При этом на этапе суммирования происходит сглаживающее их усреднение, эффективность которого лимитируется характером их временной неравномерности и общим числом ССМ 5. На Фиг.2 приведены кривые 5 и 6, соответствующие суммарной мощности ВВК на выходе одной и двух ССМ 5 соответственно (в выходных портах разветвителей – в точках A3 и А4).
Заметим, что в варианте исполнения заявляемого устройства с входным ОР 3, выполненным на основе многоволоконного кабеля и позволяющим многократно увеличить предел пропускной мощности устройства, целесообразно в первую очередь производить не когерентное преобразование, а увеличивающее длительность ВВК. В этом случае входной импульс удлиняется пропорционально количеству ЛЗ 6 схемы и в этой же пропорции падает мощность ВВК на ее выходе (Фиг.2, кривая 7 – в точке А1 между элементами 7 и 8). В результате N1-кратно увеличивается предел пропускной мощности ОР когерентной СМ 4 (в данном случае второй по порядку следования). В этом случае, выходные импульсы на выходе из когерентной СМ 4 (в данном случае второй по порядку следования) имеют те же характеристики (кривые 3 или 4 на Фиг.2 – в точке А2 между элементами 7 и 8), что и импульсы в устройстве с вышеописанной топологией.
Таким образом, заявляемое устройство преобразует исходную импульсную волну (равно как и непрерывную, которую без потери общности можно рассматривать как совокупность следующих друг за другом прямоугольных импульсов) в ВВК с многократно сниженной мощностью и представляющей собой ансамбль компонент числом, равным отношению имп/ tКСМ, в каждой из которых произвольный волновой фронт
повторяется с периодом, уступающим длительности когерентного цуга исходной волны ког. Компоненты, составляющие ансамбль, не обязательно когерентны между собой, однако в том случае, когда преобразованную ВВК делят на опорную и сигнальную волны они попарно когерентны в них, что обеспечивает гетеродинирование в пределах интервала (времени) мультиплицированной когерентности M. Последнее указывает на возможность применения низкокогерентных и короткоимпульсных лазеров вместо высококогерентных и длинноимпульных для лазерной доплеровской анемометрии пространственно распределенных рассеивающих объектов и в ветровых когерентных лидарах – в частности. При этом важным обстоятельством является возможность в широких пределах задавать длительность импульсов и таким образом положительно влиять на пространственное разрешение и нижний предел измеряемых скоростей. Дополнительно заметим, что в ветровых когерентных лидарах, при разрешении по скорости Vmin1 м/с даже при исполнении в кольцевом варианте (при этом опорная волна формируется из зондирующей и аккумулируется в течение всего времени измерений в кольцевой линии задержки), время когерентности используемого лазера, как и длительность имп его импульса должна составлять не менее 500 нс (для длины волны =1063 нм). Это автоматически диктует применение в лидарах весьма дорогостоящих и не вышедших в разряд коммерческих и пока еще далеких от технического совершенства составных лазерных систем с внешними высококогерентными инициирующими лазерами или внутренними также высококогерентными осцилляторами. Заявляемую группу изобретений позволяет применять в лидарах твердотельные лазеры с импульсами наносекундной длительности, значительно более технически совершенные и дешевые. Такие ОКГ при постановке в них селектирующих элементов (эталонов) обеспечивают ког1 и более наносекунд, и получение составного импульса длительностью 500 нс и с соответствующей мультиплицированной временной когерентностью вполне удовлетворяет названным ветровым низкокогерентным кольцевым лидарам (которые до настоящего времени не имеют каких-либо практических реализаций, а лишь продекларированы концептуально).
Дополнительно отметим, что заявляемый способ и устройство позволяют формировать выходные импульсы, форма которых приближается к прямоугольной, что обеспечивает очевидный выигрыш такого варианта ЛДА по нижнему пределу определяемых скоростей Vmin 0,5· /min{ M, имп} в сравнении с вариантами, традиционно использующими зондирующие импульсы гауссовой формы.
Формула изобретения
1. Способ формирования мультиплицированной временной когерентности оптической волны, заключающийся в том, что когерентную волну преобразуют во множество пространственно разделенных внутриволоконных волновых компонент, подвергают последовательным преобразованиям мультиплицирования, в процессе которых им придают временные сдвиги, возрастающие в арифметической прогрессии, и объединяют в составные волны, а общее число мультиплицирующих преобразований внутриволоконных волн и суммарный временной сдвиг волнового фронта исходной волны задают с учетом достижения им значения не ниже заданного предела, при этом шаги арифметических прогрессий преобразований образуют возрастающую последовательность, в которой наименьший ее член не превосходит длительности когерентного цуга источника волны, а каждый последующий равен максимальному временному сдвигу волнового фронта в преобразовании, соответствующем предыдущему члену последовательности, причем в зависимости от невозможности или возможности равномерного распределения мощности исходной волны между пространственно разделенными внутриволоконными волновыми компонентами соответственно дополнительно применяют или не применяют сглаживающие последовательные преобразования мультиплицирования, совпадающие по составу операций с остальными преобразованиями, и в которых реализуют относительный временной сдвиг внутриволоконных волновых компонент на половину масштаба неравномерности временного распределения их мощности.
2. Устройство для формирования мультиплицированной временной когерентности оптической волны, состоящее из устройства его оптического сопряжения с источником оптической волны, входного оптоволоконного разветвителя и цепочки последовательно соединенных оптоволоконных схем мультиплицирования, причем каждая из схем мультиплицирования состоит из параллельных оптоволоконных линий задержки и связанного с ними через свои входные порты пассивного оптоволоконного разветвителя, при этом оптоволоконные линии задержки в первой схеме мультиплицирования подключены к выходным портам входного оптоволоконного разветвителя, а в остальных схемах мультиплицирования к выходным портам разветвителя непосредственно предшествующей схемы мультиплицирования, при этом общее число схем мультиплицирования и количество содержащихся в них оптоволоконных задержек и постоянные их времени задают с учетом реализации длительности преобразования исходного излучения не ниже заданного предела, причем в зависимости от невозможности или возможности равномерного распределения мощности исходной волны между пространственно разделенными внутриволоконными волновыми компонентами соответственно дополнительно содержащее или не содержащее цепочку сглаживающих схем мультиплицирования составных волн с единственной оптоволоконной линией задержки, постоянная времени которой равна половине масштаба неравномерности временного распределения их мощности.
3. Устройство для формирования мультиплицированной временной когерентности оптической волны по п.2, отличающееся тем, что для увеличения предела его пропускной мощности предусматривают исполнение каналов входного оптоволоконного разветвителя в виде многоволоконных кабелей, отдельные волокна которого подключены к входным портам первой схемы мультиплицирования.
РИСУНКИ
|
|