|
| На основании пункта 1 статьи 1366 части четвертой Гражданского кодекса Российской Федерации патентообладатель обязуется заключить договор об отчуждении патента на условиях, соответствующих установившейся практике, с любым гражданином Российской Федерации или российским юридическим лицом, кто первым изъявил такое желание и уведомил об этом патентообладателя и федеральный орган исполнительной власти по интеллектуальной собственности. |
|
(21), (22) Заявка: 2007120499/28, 01.06.2007
(24) Дата начала отсчета срока действия патента:
01.06.2007
(46) Опубликовано: 10.11.2008
(56) Список документов, цитированных в отчете о поиске:
RU 2079845 C1, 20.05.1997. RU 2020486 C1, 30.09.1994. SU 945808 A1, 23.07.1982. SU 1746319 A1, 07.07.1992. GB 580236 A, 30.08.1946. JP 56081457 A, 03.07.1981.
Адрес для переписки:
215116, Смоленская обл., г. Вязьма, ул. Пушкина, 22, кв.38, Б.И. Волкову
|
(72) Автор(ы):
Волков Борис Иванович (RU)
(73) Патентообладатель(и):
Волков Борис Иванович (RU)
|
(54) МНОГОКАНАЛЬНЫЙ ОСЦИЛЛОГРАФ
(57) Реферат:
Изобретение относится к радиоизмерительной технике и может быть использовано для исследования параметров нескольких электрических сигналов параллельно. Сущность изобретения состоит в том, что в многоканальный осциллограф, содержащий идентичные первый и второй каналы вертикального отклонения /ВО/ и канал горизонтального отклонения /ГО/, вводятся идентичные первому и второму каналам ВО третий и четвертый каналы ВО, в каждый канал ВО вводятся блок дискретизации, блок ключей, блок регистров и первый блок питания, в канал ГО вводятся генератор импульсов и делитель частоты и в осциллограф вводится плоскопанельный светодиодный экран /СД-экран/. Технический результат – увеличение яркости изображений исследуемых сигналов, параллельное исследование четырех сигналов и возможность фиксации изображений всех сигналов /или по одному/ на любое время по желанию оператора. 10 ил.
Изобретение относится к радиоизмерительной технике и может быть использовано для исследования параметров нескольких электрических сигналов параллельно.
Аналогами являются двухлучевые универсальные осциллографы С1-55, C1-77, недостатками которых являются сложная двухлучевая ЭЛТ, значительные габариты, вес, большое потребление электроэнергии [1 c.171-174]. Прототипом принят “Универсальный осциллограф”, содержащий [2] первый и второй каналы вертикального /ВО/ отклонения, каждый из которых включает последовательно соединенные входной делитель /он же аттенюатор/, предварительный усилитель, линию задержки, оконечный усилитель и пьезодефлектор с отражателем на торце, канал горизонтального отклонения /ГО/ в составе усилителя синхронизации, триггера синхронизации, схемы запуска, генератора развертки, усилителя развертки и пьезодефлектора с отражателем на торце, светодиод зеленого цвета излучения, светодиод красного цвета излучения, схему их питания, два объектива, две щелевых диафрагмы, матовый экран, калибратор амплитуды и схему блокировки. Каждый канал ВО имеет открытый и закрытый входы. Представление двух исследуемых сигналов на матовом экране выполняется разверткой двух лучей от светодиодов зеленого и красного излучений двумя пьезодефлекторами по вертикали и одним по горизонтали. Недостатками прототипа являются: развертка сигналов на матовом экране, не имеющем послесвечения, излучение одного светодиода не обеспечивает достаточную яркость изображения, исследуются параллельно только два сигнала, нет возможности фиксации изображения сигналов на экране на время, необходимое оператору. Цель изобретения – увеличение яркости изображения исследуемых сигналов, параллельное исследование четырех сигналов, введение функции фиксации на экране всех четырех либо по одному из сигналов на любое время, необходимое для оператора.
Техническим результатом являются увеличение яркости изображения исследуемых сигналов, выполнение параллельного исследования четырех сигналов и возможность фиксации изображений всех или по одному сигналов на любое время по желанию оператора. Результаты достигаются выполнением экрана в осциллографе плоскопанельным светодиодным экраном /СД-экран/ из соответствующего числа сверхъярких светодиодов белого свечения с соответствующими цветными светофильтрами, введением в осциллограф третьего и четвертого каналов ВО и введением в каждый канал ВО блока дискретизации, блока ключей, блока регистров и первого блока питания.
Сущность изобретения в том, что в осциллограф, содержащий первый и второй каналы ВО, каждый из которых включает входной делитель, предварительный усилитель и линию задержки, и канал ГО, включающий усилитель синхронизации, триггер синхронизации и схему запуска, вводятся идентичные первому и второму каналам вертикального отклонения третий и четвертый каналы ВО и в каждый канал ВО вводятся блок дискретизации, блок ключей, блок регистров и первый блок питания, в канал ГО вводятся генератор импульсов и делитель частоты и в осциллограф вводится плоскопанельный светодиодный экран.
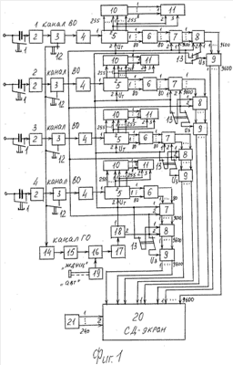
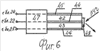
Структурная схема многоканального осциллографа на фиг.1, блок дискретизации на фиг.2, блок ключей на фиг.3, блок регистров на фиг.4, первый блок питания на фиг.5, конструкция пьезодефлектора на фиг.6, расположение фотоприемников во второй линейке многоэлементного фотоприемника на фиг.7, светодиодная ячейка на фиг.8, один элемент матрицы СД-экрана на фиг.9, светодиодный экран на фиг.10. Многоканальный осциллограф содержит /фиг.1/ первый, второй, третий и четвертый идентичные каналы вертикального отклонения /ВО/, каждый из которых включает последовательно соединенные первый переключатель 1, входной делитель 2, предварительный усилитель 3, линию задержки 4, блок 5 дискретизации, блок 6 импульсных усилителей, блок 7 ключей, блок 8 регистров и первый блок 9 питания, включает последовательно соединенные шифратор 10 и блок 11 индикации, а также второй переключатель 12 и третий переключатель 13, канал горизонтального отклонения /ГО/, включающий последовательно соединенные усилитель 14 синхронизации, триггер 15 синхронизации, схему 16 запуска, генератор 17 импульсов и делитель 18 частоты и схему 19 блокировки, осциллограф содержит плоскопанельный светодиодный экран 20 /СД-экран/ и второй блок 21 питания. Блоки 11 индикации четырех каналов ВО размещены в одном корпусе, на лицевой стороне которого расположены четыре табло: по одному от блока 11 индикаций каждого канала ВО. Блок 5 дискретизации содержит /фиг.2/ последовательно соединенные усилитель 22 и пьезодефлектор 23 с отражателем на торце, источник 24 положительного опорного напряжения, источник 25 отрицательного опорного напряжения, излучатель из импульсного светодиода 26, щелевой диафрагмы 27 и микрообъектива 28, включает первую линейку 29 многоэлементного фотоприемника, содержащую 80 фотоприемников, вторую линейку 30 многоэлементного фотоприемника, содержащую 510 фотоприемников /2×255/. Входом блока 5 является вход усилителя 22, управляющим входом является вход светодиода 26, первой группой выходов являются выходы /1-80/ первой линейки 29, второй группой выходов являются выходы /2×255/ второй линейки 30 /фиг.7/. Входные окна первой 29 и второй 30 линеек через отражатель пьезодефлектора 23 оптически соединены с излучающей стороной светодиода 26. Блок 7 ключей включает /фиг.3/ последовательно соединенные ключ 31 и распределитель 32 импульсов и с первого по 9600-й вторые ключи 331-9600. Первым управляющим входом Uт является сигнальный вход первого ключа 31, вторым управляющим входом Uвыд является первый управляющий вход первого ключа 31. Выход ключа 31 подключен к входу распределителя 32 импульсов, выходы которого последовательно с первого по 120-й подключены: первый выход подключен к первым управляющим входам с первого по 80-й вторых ключей 331-80, второй выход подключен параллельно к первым управляющим входам с 81-го по 160-й вторых ключей 3381-160, третий выход подключен параллельно к первым управляющим входам с 161-го по 240-й вторых ключей 33161-240 и т.д. и 120-й выход подключен параллельно к первым управляющим входам с 9521-го по 9600-й вторых ключей 339521-9600 и к второму управляющему входу ключа 31. Сигнальные входы 1-го, 81-го, 161-го…9521-го вторых ключей 33, второго, 82-го, 162-го…9522-го вторых ключей 33 и т.д. и 80-го, 160-го, 240-го…9600-го вторых ключей 33 объединены и являются с 1-го по 80-й входами блока 7 ключей. Выходами блока 7 являются выходы всех ключей 33, выходов 9600 и подключены к соответствующим входам блока 8 регистров. Блок 8 регистров включает /фиг.4/ первый ключ 34, второй ключ 35, распределитель 36 импульсов и с первого по 120-й регистры 371-120, каждый из которых содержит по 80 разрядов. Первым отправляющим входом блока 8 является сигнальный вход ключа 34, вторым – являются объединенные первый управляющий вход ключа 34 и сигнальный вход ключа 35. Выходы распределителя 36 импульсов с первого по 120-й последовательно подключены параллельно к первым входам разрядов регистров 371-120, причем первый выход распределителя 36 импульсов подключен параллельно к первым входам разрядов первого регистра 371, второй выход блока 36 подключен параллельно к первым входам разрядов второго регистра 372 и т.д., и 120-й выход подключен параллельно к первым входам разрядов 120-го регистра 37120 и подключен к второму управляющему входу первого ключа 34 и к первому управляющему входу второго ключа 35, выход которого подключен параллельно к вторым входам разрядов всех 120 регистров 37 и к своему второму управляющему входу. Входами блока 8 регистров являются третьи входы всех разрядов всех регистров 37. Выходами блока 8 являются выходы всех разрядов регистров 371-120 /9600/, подключенные к соответствующим входам блока 9 питания. Первый блок 9 питания /фиг.5/ включает стабилизированный источник 38 питания и с первого по 9600-й ключи 391-9600, сигнальные входы которых объединены и подключены к выходу источника 38 питания. Вторые управляющие входы всех ключей 39 объединены и являются управляющим входом Uз блока 9. Входами блока 9 являются с первого по 9600-й входы первых управляющих входов всех ключей 39, выходами являются выходы всех ключей 39 /9600/. Второй блок 21 питания /фиг.1/ является стабилизированным источником питания, предназначен для запитывания 240 осевых светодиодов, расположенных по осевой линии СД-экрана /фиг.10/, которые запитываются с включением питания осциллографа. Плоскопанельный светодиодный экран соответственно разрешения 80×120 мм выполнен из 9600 элементов матрицы, каждый элемент матрицы содержит четыре светодиодных ячейки /СД-ячейки/, каждая СД-ячейка включает рабочий микросветодиод белого свечения/производства фирм “Nichia”, “Ledtronics”, “Kingbright” [3, с.47]/ с одним из цветных светофильтров на его излучающей стороне: красным, зеленым, синим или желтым. СД-ячейка содержит /фиг.8/ рабочий сверхъяркий микросветодиод 40 белого свечения диаметром 0,25 мм и соответствующий цветной светофильтр 41. СД-ячеек 38400 /80×120×4/. Четыре СД-ячейки составляют один элемент матрицы /фиг.9/. Расположение элементов матрицы в СД-экране на фиг.10. Элементы матрицы расположены в СД-экране колонками, в каждой из которых 80 элементов, колонок по горизонтали экрана 120, на осевой линии экрана расположены по горизонтали 240 осевых микросветодиодов белого свечения без цветных светофильтров, которые делят все колонки матрицы пополам /40+40/. Размер одного элемента матрицы 0,5×0,5 мм /фиг.9/. СД-ячейки выполняются методом микроэлектронной технологии без корпусов непосредственно в материале экрана. Входы СД-ячеек красного излучения /9600/ подключены к выходам первого блока 9 питания первого канала ВО, входы СД-ячеек зеленого излучения /9600/ подключены к выходам первого блока 9 питания второго канала ВО, входы СД-ячеек синего излучения /9600/ подключены к выходам первого блока 9 питания третьего канала ВО, входы СД-ячеек желтого излучения /9600/ подключены к выходам первого блока 9 питания четвертого канала ВО. При принятом размере одного элемента матрицы 0,5×0,5 мм размеры экрана составляют:
по горизонтали 120×0,5 мм = 60 мм,
по вертикали /80+1/×0,5 мм = 40,25 мм. Осевые микросветодиоды также являются сверхъяркими светодиодами белого свечения, диаметр каждого 0,25 мм. Каждый канал ВО осциллографа имеет открытый и закрытый входы. Исследуемые сигналы подаются на входы входных делителей 2 и с них поступают на входы своих предварительных усилителей 3. Линия задержки 4 служит для задержки сигнала, что требуется при измерении импульсных сигналов, с помощью линии задержи обеспечивается неискаженное воспроизведение фронта сигнала в ждущем режиме “ждущ”. Сигнал с блока 4 поступает на вход блока 5 дискретизации, а в нем поступает на вход усилителя 22 /фиг.2/, выполняющий усиление входного сигнала до величины, необходимой для срабатывания пьезодефлектора 23. Пьезодефлектор 23 /фиг.6/ выполнен [4, с.118] из двух биморфных пьезопластин 42, 43, внутреннего электрода 44, первого 45 и второго 46 внешних электродов. Один конец пьезопластин закреплен в держателе 47, на свободном торце закреплен световой отражатель 48. На внешние электроды 45, 46 поступают соответствующие опорные напряжения [4, с.122] с источников 24, 25 /фиг.2/. Торец пьезодефлектора 23 с отражателем 48 приходит в колебательное движение и, отражая световые импульсы светодиода 26 во входные окна фотоприемников первой линейки 29, выполняет дискретизацию исследуемого сигнала. Время срабатывания импульсного светодиода до 10 нс. Щелевая диафрагма 27 и горизонтально расположенный отражатель на торце пьезодефлектора 23 формируют тонкий и плоский луч шириной, необходимой для одновременного облучения входных окон обеих линеек 29 и 30. Световой отражатель 48 /фиг.6/ имеет ширину 0,02 мм и длину, обеспечивающую облучение обеих линеек 29, 30. Линейка 29 имеет 80 фотоприемников, электрические сигналы с которых поступают в блок 6 на входы 80-ти импульсных усилителей, выполняющие усиление и формирование по форме импульсов перед входом их в блок 7 ключей. Линейка 30 многоэлементного фотоприемника имеет 2×255 /510/ фотоприемников /фиг.7/, электрические сигналы с которых поступают на соответствующие входы шифратора 10. Верхние 255 фотоприемников предназначены для кодирования исследуемого сигнала положительной полярности 8-разрядным двоичным кодом, нижние 255 фотоприемников линейки 30 предназначены для кодирования сигнала отрицательной полярности 8-разрядным кодом. Каждый фотоприемник в линейке 30 преобразует световой импульс в электрический сигнал, возбуждающий соответствующую шину в шифраторе 10, который выдает 8-разрядный код мгновенного значения исследуемого сигнала. В качестве фотоприемников используются лавинные фотодиоды ЛФД с временем срабатывания 10-8 с, изготовленные методом микроэлектронной технологии во входных окнах линеек 29, 30. С шифратора 10 код поступает в параллельном виде в блок 11 индикации, на табло которого высвечивается полярность сигнала и его значение в десятичном коде. Для получения сигнала полярности используются расположенные в центре линейки 30 /фиг.7/ первый фотоприемник из верхней половины 255 фотоприемников и первый фотоприемник из нижней половины 255 фотоприемников. При отсутствии входного сигнала луч от отражателя пьезодефлектора 23 находится в среднем /нейтральном/ положении. В момент прихода сигнала положительной полярности на вход блока 22 луч сканирует верхнюю половину линейки 30, начиная с первого фотоприемника, сигнал с которого поступает на соответствующий вход шифратора 10 и на второй вход блока 11 индикации, высвечиваемый на табло символом “+”. Аналогично и с приходом сигнала отрицательной полярности: сигнал с первого фотоприемника нижней половины 255 фотоприемников поступает на соответствующий вход шифратора 10 и на третий вход блока индикации 11, высвечиваемый на табло символом “-“. Следование кодов со знаком и “+” и “-” означает, что идет сигнал переменного напряжения. Изменение коэффициента усиления производится в предварительном усилителе 3, сигнал со второго выхода которого поступает через переключатель 12 на вход усилителя 14 синхронизации /фиг.1/. Так как каждый канал ВО имеет переключатель 12, то синхронизация канала ГО может быть произведена по любому из каналов ВО. Усилитель 14 совместно с триггером 15 сформируют сигнал, идущий в схему 16 запуска генератора 17 импульсов, который обеспечивает прибор тактовыми импульсами Uт, поступающими в делитель 18 частоты, выполняющий деление 1:1 для первого выхода и 120:1 для второго выхода. Тактовая частота выставляется оператором прибора соответствующим переключателем в генераторе 17. Для примера в таблице приведены две тактовые частоты в генераторе 17 и исследуемые при них частоты сигналов.
| Переключатель в бл. 17 |
Тактовая частота с бл. 17 |
Число колонок светодиодов на 1 период сигнала |
Часть экрана на 1 период сигнала |
Исследуемые сигналы, МГц |
Частота сигнала Uвыд |
| 1 |
96 МГц |
120 |
весь экран |
0,8 |
0,8 МГц |
| |
|
60 |
0,5 экрана |
1,6 |
– |
| |
|
30 |
0,25 -”- |
3,2 |
– |
| |
|
15 |
0,125 -”- |
6,4 |
– |
| |
|
12 |
0,10 -”- |
8,0 |
– |
| |
|
2 |
0,016 -”- |
48,0 |
– |
| 2 |
48 МГц |
120 |
весь экран |
0,4 |
0,4 МГц |
| |
|
60 |
0,5 экрана |
0,8 |
– |
| |
|
30 |
0,25 -”- |
1,6 |
– |
| |
|
15 |
0,125 -”- |
3,2 |
– |
| |
|
12 |
0,10 -”- |
4,0 |
– |
| |
|
2 |
0,016 -”- |
24,0 |
– |
Время срабатывания блока 7 ключей при Uт 96 МГц 1,25 мкс, при Uт 48 МГц 2,5 мкс. Частота дискретизации сигналов определяется:
fд1=0,8 МГц×120=96 МГц,
fд2=0,4 МГц×120=48 МГц,
где 0,8 МГц и 0,4 МГц – частота следования кадров, или частота срабатывания блока ключей,
120 – число отсчетов в горизонтальной строке.
Диапазон частот исследуемых сигналов при Uт 96 МГц составляет 0-48 МГц, при Uт 48 МГц 0-24 МГц. Для исследования сигналов частой менее 0,4 МГц оператор переключателем в блоке 17 устанавливает соответствующую тактовую частоту Uт. Для фиксации изображения четырех сигналов на экране оператор размыкает переключатели 13 во всех каналах ВО. Для фиксации изображения только одного сигнала размыкается переключатель 13 в нужном канале ВО. Фиксация изображений сигналов на экране по времени не ограничена, заканчивается при замыкании переключателей 13. Исходное состояние переключателей 13 замкнутое. При замкнутом переключателе 13 приход в блок 9 питания сигнала Uз означает конец кадра, сигнал Uз закрывает ключи 39 /фиг.5/ в блоке 9 питания и заканчивается запитывание рабочих микросветодиодов в элементах матрицы СД-экрана. При размыкании переключателя 13 ключи 39 остаются открытыми, рабочие микросветодиоды зачитываются непрерывно и исследуемый сигнал высвечивается на экране до тех пор, пока оператор вновь замкнет переключатель 13. Переключатель 13 двойной и синхронно размыкает цепь сигнала Uз и цепь сигнала Uт /вход 1/ в блоке 8 регистров. При отсутствии тактовых импульсов на входе распределителя 36 блока 8 /фиг.4/ второй ключ 35 остается закрытым и новые сигналы Uот с регистров блока 8 на первые управляющие входы ключей 39 блока 9 питания не поступают.
Работа многоканального осциллографа
Исследуемые сигналы подаются на входные делители 2 четырех каналов ВО. Сигналы усиливаются в предварительных усилителях 3 и через линии задержи 4 поступают в блоки 5 дискретизации.
Частота дискретизации устанавливается оператором прибора в генераторе 17 импульсов. Дискретные значения сигналов поступают в блоки 6, где усиливаются и оформляются по форме импульсными усилителями, с них импульсы поступают в блоки 7 ключей. Блоки 7 ключей в каналах ВО выполняют функции распределения импульсов сигналов по разрядам в регистрах 371-120 блоков 8 регистров, которые выполняют функции накопителей дискретных значений импульсов сигналов за период кадра, которые по окончании периода кадра синхронно выдаются сигналом Uвыд в первый блок 9 питания своего канала ВО в качестве сигнала Uот соответствующих ключей 39. Открытые ключи 39 подключают соответствующие рабочие микросветодиоды соответствующих элементов матрицы СД-экрана 20 к источнику питания 38 в блоках 9 четырех каналов ВО, на экране высвечиваются исследуемые сигналы. Сигнал первого канала ВО высвечивается красным цветом, второго канала ВО – зеленым цветом, третьего канала ВО – синим цветом и четвертого канала ВО – желтым цветом. С приходом сигнала Uз ключи 39 закрываются, далее процессы повторяются.
Рабочие микросветодиоды представляются светодиодными ячейками, которые включают сверхъяркий светодиод с соответствующим цветным светофильтром. Микросветодиодов всего 38400 /9600×4/. Параллельно дискретные значения сигналов поступают с блока 5 в шифратор 10. Блок 11 принимает сигнал полярности и двоичный код с шифратора 10, на четырех табло блоков 11 высвечиваются символы полярности сигналов и их величины в десятичном коде. При необходимости изображение одного или всех сигналов может быть зафиксировано оператором на СД-экране 20 на необходимое время. Заявляемое устройство может быть использовано для синхронного исследования четырех входных сигналов, представляемых разными цветами, и может быть выполнено малогабаритным и портативным.
Источники информации
1. Б.П.Хромой, Ю.Г.Моисеев. Электрорадиоизмерения. М, 1985, с.171-174.
2. Патент №2079645, кл. G01R 13/00, бюл. 14 от 20.05.97, прототип.
3. “Радио” №9, 2004, с.47.
4. Фридлянд И.В, Сошников В.Г. Системы автоматического регулирования в устройствах видеозаписи. М, 1988, c.118 рис.5.5, с.122 рис.5.10.
Формула изобретения
Многоканальный осциллограф, содержащий идентичные первый и второй каналы вертикального отклонения (ВО), каждый из которых включает последовательно соединенные первый переключатель, входной делитель, предварительный усилитель и линию задержки, и канал горизонтального отклонения (ГО), включающий последовательно соединенные усилитель синхронизации, триггер синхронизации и схему запуска, и содержащий схему блокировки, выход которой подключен к второму входу схемы запуска, отличающийся тем, что в него введены идентичные первому и второму каналам ВО третий и четвертый каналы ВО, в каждый с первого по четвертый каналы ВО введены последовательно соединенные блок дискретизации, вход которого подключен к выходу линии задержки, блок импульсных усилителей, блок ключей, блок регистров и первый блок питания, в первый – четвертый каналы ВО введены последовательно соединенные шифратор и блок индикации, входы шифратора подключены к второй группе выходов блока дискретизации, к соответствующим двум выходам которой подключены второй и третий входы блока индикации, и в каждый первый – четвертый каналы ВО введены второй и третий переключатели, в канал ГО введены последовательно соединенные генератор импульсов, вход которого подключен к выходу схемы запуска, и делитель частоты, первый выход которого подключен параллельно к вторым входам блоков дискретизации, первым управляющим входам блоков ключей и через третьи переключатели к первым управляющим входам блоков регистров первого – четвертого каналов ВО, второй выход делителя частоты подключен параллельно к вторым управляющим входам блоков ключей, блоков регистров и через третий переключатель к убавляющим входам первых блоков питания первого – четвертого каналов ВО, выходы вторых переключателей первого – четвертого каналов ВО объединены и подключены к входу усилителя синхронизации, и в многоканальный осциллограф введены плоскопанельный светодиодный экран (СД-экран), первая группа входов которого подключена соответственно к выходам первых блоков питания первого – четвертого каналов ВО, и второй блок питания, выходы которого подключены к второй группе входов СД-экрана, блок дискретизации содержит последовательно соединенные усилитель и пьезодефлектор с отражателем на торце, источник положительного опорного напряжения, выход которого подключен к вторым входам усилителя и пьезодефлектора, источник отрицательного опорного напряжения, выход которого подключен к третьим входам усилителя и пьезодефлектора, излучатель из импульсного светодиода, щелевой диафрагмы и микрообъектива, первую линейку многоэлементного фотоприемника, содержащую 80 входных окон, и вторую линейку многоэлементного фотоприемника, содержащую 510 (2×255) входных окон, входные окна обоих линеек многоэлементного фотоприемника через отражатель пьезодефлектора оптически соединены с излучающей стороной импульсного светодиода излучателя, входом блока дискретизации является вход усилителя, управляющим входом является вход импульсного светодиода, подключенный к первому выходу делителя частоты в канале ГО, первой группой выходов блока дискретизации являются выходы (1-80) первой линейки многоэлементного фотоприемника, второй группой выходов являются выходы (2×255) второй линейки многоэлементного фотоприемника, блок ключей включает последовательно соединенные первый ключ и распределитель импульсов, и с первого по 9600-й вторые ключи, сигнальный вход первого ключа является первым управляющим входом блока ключей, первый управляющий вход первого ключа является вторым управляющим входом, выход первого ключа подключен к входу распределителя импульсов, выходы которого с первого по 120-й последовательно подключены к первым управляющим входам вторых ключей, причем первый выход распределителя импульсов подключен параллельно к первым управляющим входам с первого по 80-й вторых ключей, второй выход подключен параллельно к первым управляющим входам с 81-го по 160-й вторых ключей, третий выход подключен параллельно к первым управляющим входам с 161-го по 240-й вторых ключей и т.д., и 120-й выход подключен параллельно к первым управляющим входам с 9521-го по 9600-й вторых ключей и к второму управляющему входу первого ключа, сигнальные входы первого, 81-го, 161-го…9521-го вторых ключей, второго, 82-го, 162-го…9522-го вторых ключей и т.д., и 80-го, 160-го, 240-го…9600-го вторых ключей объединены и являются входами с первого по 80-й блока ключей, выходами которого являются выходы всех вторых ключей (1-9600), подключенные к соответствующим входам блока регистров, блок регистров включает первый, второй ключи, распределитель импульсов и 120 регистров, каждый из которых содержит по 80 разрядов, первым управляющим входом блока регистров является сигнальный вход первого ключа, вторым управляющим входом являются объединенные первый управляющий вход первого ключа и сигнальный вход второго ключа, выход первого ключа подключен к входу распределителя импульсов, выходы которого последовательно с первого по 120-й подключены к первым входам разрядов с первого по 120-й регистров, причем первый выход распределителя импульсов подключен параллельно к первым входам разрядов первого регистра, второй выход подключен параллельно к первым входам разрядов второго регистра и т.д., и 120-й выход распределителя импульсов подключен параллельно к первым входам разрядов 120-го регистра и подключен к второму управляющему входу первого ключа и к первому управляющему входу второго ключа, выход которого подключен параллельно к вторым входам всех разрядов всех (120) регистров и к своему второму управляющему входу, входами блока регистров являются третьи входы всех разрядов 120 регистров (9600), выходами являются выходы всех разрядов 120 регистров (9600) и подключены к соответствующим входам первого блока питания, первый блок питания включает стабилизированный источник питания и с первого по 9600-й ключи, сигнальные входы всех ключей объединены, объединенный вход подключен к выходу стабилизированного источника питания, вторые управляющие входы всех ключей объединены, объединенный их вход является управляющим входом (Uз) первого блока питания, входами которого являются первые управляющие входы всех ключей (9600), выходами первого блока питания являются выходы всех ключей (9600), плоскопанельный светодиодный экран соответственно разрешения (80×120 мм) выполнен из 9600 элементов матрицы, каждый элемент матрицы содержит четыре светодиодных ячейки (СД-ячейки), каждая СД-ячейка включает рабочий микросветодиод белого свечения с одним из цветных светофильтров на его излучающей стороне: красным, зеленым, синим или желтым, элементы матрицы расположены в СД-экране колонками, в каждой из которых 80 элементов, колонок по горизонтали СД-экрана 120 штук, на осевой линии СД-экрана по горизонтали расположены 240 осевых микросветодиодов белого свечения без цветных светофильтров, которые делят все колонки матрицы пополам (40×40), входы СД-ячеек красного излучения (9600) подключены к выходам первого блока питания первого канала ВО, входы СД-ячеек зеленого излучения (9600) подключены к выходам первого блока питания второго канала ВО, входы СД-ячеек синего излучения (9600) подключены к выходам первого блока питания третьего канала ВО, входы СД-ячеек желтого излучения (9600) подключены к выходам первого блока питания четвертого канала ВО, входы 240 осевых микросветодиодов подключены к выходам второго блока питания.
РИСУНКИ
|
|