|
(21), (22) Заявка: 2007105320/28, 12.02.2007
(24) Дата начала отсчета срока действия патента:
12.02.2007
(46) Опубликовано: 10.11.2008
(56) Список документов, цитированных в отчете о поиске:
RU 2099674 С1, 20.12.1997. RU 2003114536 А, 27.02.2005. SU 678331 А, 05.08.1979. ЕР 0801292 А2, 15.10.1997.
Адрес для переписки:
173001, г.Великий Новгород, ул. Б. Санкт-Петербургская, 39, ФГУП “НИИ ПТ “Растр”, Т.М. Попенко
|
(72) Автор(ы):
Кузнецов Александр Владимирович (RU)
(73) Патентообладатель(и):
Федеральное государственное унитарное предприятие “Научно-исследовательский институт промышленного телевидения “Растр” (RU)
|
(54) СПОСОБ ИЗМЕРЕНИЯ ЯРКОСТНОЙ ТЕМПЕРАТУРЫ ОБЪЕКТА
(57) Реферат:
Изобретение относится к измерительной технике. Технический результат заявляемого решения выражен в повышении точности измерения яркостной температуры объекта. В способе яркость объекта регистрируют многоэлементным матричным или линейным фотоприемником. В режиме калибровки значения тока накала эталонной лампы последовательно нумеруют и запоминают в моменты приращения значения разности измеренных размахов сигналов от изображения нити накала эталонной лампы и от ячеек фоточувствительной поверхности фотоприемника, затененных наложенной на нее непрозрачной маской, на заданную величину. В режиме измерения температуру объекта определяют по запомненной величине тока накала, соответствующей значению разности измеренных размахов сигнала от изображения объекта и от затененных ячеек фоточувствительной поверхности фотоприемника. Технический результат выражен в повышении точности измерения яркостной температуры объекта. 1 ил.
Изобретение относится к измерительной технике, а именно к яркостной пирометрии, и может быть использовано в телевизионных системах на базе ПЗС-камер для дистанционного измерения температуры объектов.
Известен способ измерения яркостной температуры объекта по методу исчезающей нити путем сравнения яркости нити накала эталонной лампы и объекта, температуру которого определяют по величине тока накала после уравнивания яркости нити накала и объекта, ток накала на эталонную лампу подают только в режиме калибровки пирометра и яркость объекта регистрируют многоэлементным матричным или линейным фотоприемником, на часть фоточувствительных ячеек которого проецируют изображение нити эталонной лампы, ток накала которой в режиме калибровки изменяют по линейному закону, его значения последовательно нумеруют и запоминают в моменты приращения выходного сигнала указанного фотоприемника на заданную величину, а в режиме измерения температуру объекта определяют по запомненной величине тока накала, соответствующей значению размаха выходного сигнала многоэлементного матричного или линейного фотоприемника (Патент РФ №2099674, кл. G01J 5/52, 1997).
Недостатком данного способа является недостаточная точность измерения яркостной температуры объекта вследствие погрешности в определении размаха сигнала, вызванной нестабильностью схем восстановления постоянной составляющей видеосигнала (схем фиксации уровня «черного»), присутствием в сигнале темновых токов и рядом других факторов, приводящих к нестабильности уровня, относительно которого измеряется размах сигнала (опорного уровня сигнала).
Указанная погрешность, зависящая от уровня и распределения яркости по полю изображения, температуры окружающей среды, режимов работы фотоприемника, приводит к погрешности определения размаха сигнала от объекта и тем самым, снижает точность измерения его яркостной температуры.
Задачей предлагаемого технического решения является повышение точности измерения яркостной температуры объекта за счет снижения погрешности определения размаха сигнала от объекта путем устранения влияния нестабильности опорного уровня сигнала на процесс измерения.
Технический результат заявляемого решения выражен в повышении точности измерения яркостной температуры объекта. Это достигается за счет того, что размах сигнала от объекта определяется как разность измеренных значений размаха сигнала от элемента изображения объекта и размаха сигнала от затененного элемента фоточувствительной поверхности фотоприемника. Поскольку величина нестабильности опорного уровня сигнала входит в оба измеренных значения размаха сигнала как слагаемое, при определении указанной разности результирующая ошибка становится равной нулю.
Для достижения технического результата предложен способ измерения яркостной температуры объекта по методу исчезающей нити путем сравнения яркости нити накала эталонной лампы пирометра и объекта, температуру которого определяют по величине тока накала после уравнивания яркостей нити накала и объекта, ток накала на эталонную лампу подают только в режиме калибровки пирометра и яркость объекта регистрируют многоэлементным матричным или линейным фотоприемником, на часть фоточувствительных ячеек которого проецируют изображение нити эталонной лампы, ток накала которой в режиме калибровки изменяют по линейному закону. В режиме калибровки значения тока накала эталонной лампы последовательно нумеруют и запоминают в моменты приращения значения разности измеренных размахов сигналов от изображения нити накала эталонной лампы и от ячеек фоточувствительной поверхности фотоприемника, затененных наложенной на нее непрозрачной маской, на заданную величину. В режиме измерения температуру объекта определяют по запомненной величине тока накала, соответствующей значению разности измеренных размахов сигнала от изображения объекта и от затененных ячеек фоточувствительной поверхности фотоприемника.
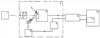
На чертеже представлено устройство для реализации способа, где приняты следующие обозначения:
1 – объект измерения;
2 – пирометр;
3 – оптическая система пирометра;
4 – ПЗС-матрица ТВ-камеры;
5 – непрозрачная маска;
6 – ТВ-камера;
7 – эталонная лампа;
8 – стабилизатор тока;
9 – узел микроконтроллера;
10 – канал связи;
11 – плата видеоввода персонального компьютера;
12 – персональный компьютер.
Способ осуществляется следующим образом.
Измерение яркостной температуры объекта проводится путем сравнения разности размахов видеосигнала, сформированного фотоприемником, от объекта и от затененного участка фоточувствительной поверхности фотоприемника, с калибровочной зависимостью, связывающей величину указанной разности и яркостную температуру объекта.
Калибровочная зависимость формируется в режиме калибровки следующим образом (см. чертеж).
Изображение тела накала эталонной лампы 7, ток через которую стабилизируется на заданном уровне стабилизатором тока 8, управляемым узлом микроконтроллера 9, проецируется на фоточувствительную поверхность ПЗС-матрицы 4 ТВ-камеры 6, часть фоточувствительных ячеек которой затенена наложенной на поверхность ПЗС-матрицы 4 непрозрачной маской 5. ТВ-камера 6 формирует телевизионный сигнал, передаваемый по каналу связи 10 на вход платы видеоввода 11 персонального компьютера 12, в котором измеряется разность размахов выходного сигнала фотоприемника Uсигналаi от изображения тела накала эталонной пирометрической лампы, яркостная температура которого известна, и от затененных ячеек фоточувствительной поверхности ПЗС-матрицы 4 U0i. Измеренная разность запоминается в моменты ее приращения на заданную величину.
Сформированная калибровочная зависимость хранится в памяти компьютера в виде таблицы:
(Uсигнала1-U01) соответствует яркостной температуре Тярк.1;
(Uсигнала2-U02) соответствует яркостной температуре Тярк.2;
……
(Uсигнала-U0N) соответствует яркостной температуре Тярк.N.
В режиме измерения яркостной температуры эталонная лампа 7 выключена, изображение объекта измерения 1 проецируется оптической системой 3 на фоточувствительную поверхность ПЗС-матрицы 4 ТВ-камеры 6, часть фоточувствительных элементов которой затенена наложенной на поверхность ПЗС-матрицы 4 непрозрачной маской 5. ТВ-камера 6 формирует телевизионный сигнал, передаваемый по каналу связи 10 на вход платы видеоввода 11 персонального компьютера 12, в котором измеряется разность размахов сигнала от изображения объекта Uсигналаi и от затененных ячеек фоточувствительной поверхности ПЗС-матрицы 4 U0i. Яркостная температура объекта определяется путем сопоставления измеренной разности с калибровочной зависимостью.
Формула изобретения
Способ измерения яркостной температуры объекта по методу исчезающей нити путем сравнения яркости нити накала эталонной лампы и объекта, температуру которого определяют по величине тока накала после уравнивания яркости нити накала и объекта, ток накала на эталонную лампу подают только в режиме калибровки пирометра и яркость объекта регистрируют многоэлементным матричным или линейным фотоприемником, на часть фоточувствительных ячеек которого проецируют изображение нити эталонной лампы, ток накала которой в режиме калибровки изменяют по линейному закону, отличающийся тем, что в режиме калибровки значения тока накала эталонной лампы последовательно нумеруют и запоминают в моменты приращения значения разности измеренных размахов сигналов от изображения нити накала эталонной лампы и от ячеек фоточувствительной поверхности фотоприемника, затененных наложенной на нее непрозрачной маской, на заданную величину, а в режиме измерения температуру объекта определяют по запомненной величине тока накала, соответствующей значению разности измеренных размахов сигнала от изображения объекта и от затененных ячеек фоточувствительной поверхности фотоприемника.
РИСУНКИ
|